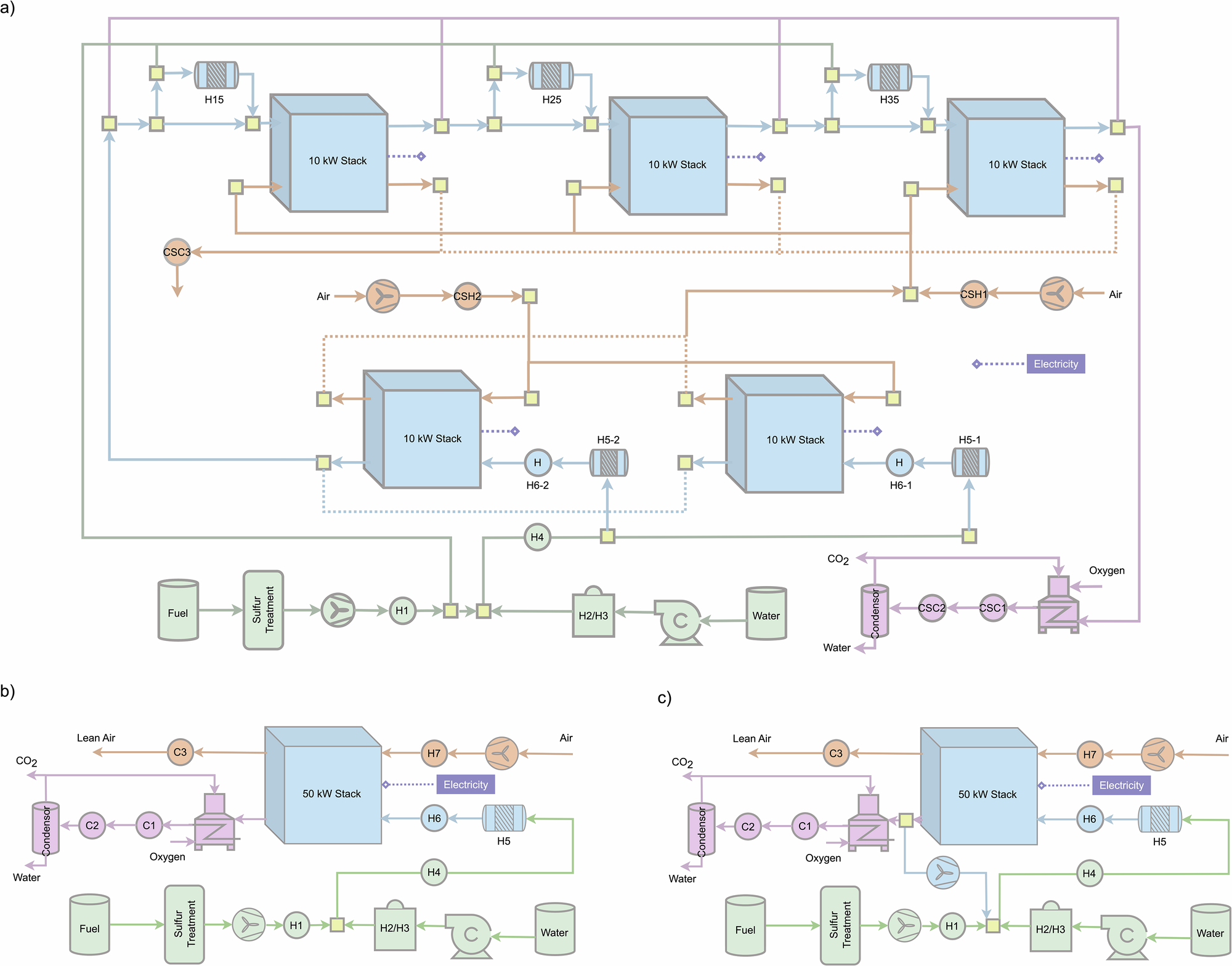
Fig. 4: Solid oxide fuel cell (SOFC) configurations delivering 50 kW net electrical output.
From: Scalable modular design of solid oxide fuel cell systems for enhanced large-scale power generation

a Proposed hybrid design (FCFA): five 10 kW stacks arranged - two in parallel followed by three in series; b centralized design without recirculation (NCNA): illustrated with five 10 kW stacks in parallel; an equivalent realization using a single 50 kW stack is also feasible; c centralized design with hot anode off-gas (AOG) recirculation (NCHA): likewise realizable with five 10 kW parallel stacks or a single 50 kW stack.