Abstract
The induction motor is known to be the most reliable motor in the industry and is also the most energy-consuming load worldwide. It is noticeable in some production areas that the use of a high-capacity induction motor is not required at some operating times, and therefore it is important to control the speed of the induction motor to suit the operating requirements and obtain highly efficient performance. This paper presents a case study of a drinking water purification plant that uses a variable speed drive (VSD) as a speed controller for one of its induction motors to drive the pump. The VSD is connected to the motor in question to regulate its speed and maintain the external pressure of the station at an appropriate value that ensures water delivery to all branches of the network. 24-hour power consumption measurements of the respective engine with and without the use of a VSD are studied and analyzed to determine the potential for energy savings. Finally, a case study simulation is presented to compare the simulation results with the actual results.
Similar content being viewed by others
Introduction
Due to the increased demand for electrical energy consumption and the need for large amounts of fuel to generate electricity, it is important to reduce the use of electrical energy while obtaining the same results required for the user. Many authors have published articles on saving electrical energy at various industrial sites. Reference1 case study was carried out at the St. Combs Tea Factory, which monitors the electrical power consumption of two identical 4 kW motors. One of the motors is controlled by a conventional inlet damper method, while the second is controlled by a VSD, and from the study, there was an energy saving of 40%. Reference2 In Saudi Arabia, 60% of the energy consumed in homes is wasted on air conditioning systems. A comparison of the energy performance of two identical 5-ton rooftop air conditioning systems installed in two identical homes was performed. The first air conditioner works as a conventional on/off strategy, and the second is controlled by a VSD. When the room temperature is high, the VSD increases the motor speed to provide greater room cooling until the desired temperature is reached, and vice versa. As a result of the comparison, energy savings range from 22 to 65% in March, which means that VSD achieves promising results in the field of energy savings. Reference3 The sugar factory has two steam boilers to produce steam with a flow rate of 65 tons per hour at a temperature of 400 °C and 30 bar. An induced draft (ID) fan with a rated power of 400 HP is used in the boiler to remove air and flue gases and ensure proper negative pressure in the combustion chamber. The ID fan rotates at a constant speed at minimum and maximum boiler operation. In order to ensure accurate and constant steam supply to the plant with efficient energy consumption, it is proposed to install a VSD in the ID fan motor to control the motor speed and then control the air or gas flow (pressure). A study was conducted on the ID fan power consumption before and after using VSD to calculate the energy savings; the energy saving percentage was 47% .
Among the previous cases, the problem is that the traditional control method, such as controlling the output of the pumps, increases the loads on the motor and thus increases the energy consumption that is not required for the user. The second traditional method is to disconnect and connect electric motors. The problem with this method is that repeatedly disconnecting and connecting leads to a high starting current passing through the number of times disconnecting and connecting.
In this research, an energy-saving study was conducted for a drinking water purification plant in a village in southern Egypt. The station contains two pumps, one of which is controlled once by the traditional method, which is the throttle on the flow valve, and the other time the same pump is controlled using VSD technology, and the results are compared. The study was conducted using Matlab simulation programs as well as site results from inside the drinking water station, which has a population of about 30,000 people. The plant is designed to have a full capacity of 200 L per second using direct filtration purification technology, as shown in Fig. 1, Refs.4,5,6.
-
Intake and the raw water ward: The raw water pumps take the raw water from the river into the plant to begin the purification process. Some chemicals like aluminum sulfate (Al₂(SO₄)) and chlorine are added to the water before entering the filters.
-
Filters: The filters consist of several layers of filtration media like sand to purify and remove the plankton from the water. Then the filtered water is collected to the reservoir.
-
Filtered water ward: The filtered water pumps take the water from the reservoir to supply the out network with high pressure water (4 bar for the case study plant), Ref.7.
The 200 L/s plant capacity is higher than the network demand at most of the day time. Though in case of operating the plant at the full capacity over the day, the out head of the plant rises over the desired value which poses threats to the network (pipes or valves destruction). Since to maintain the output head of the plant at an appropriate value (4 bar) to protect the network and also ensure delivering the water to the last terminal of the network, some inefficient control methods like throttling are done to the equipment (pumps-motors) especially in the filtered room which considered the most energy consumer in the plant as Fig. 2 shows.
The operation of the filtered ward
The filtered ward has a specific operation according to the equipment number and rating. The filtered ward is responsible for delivering the treated or filtered water from the reservoir to the network with high head (pressure). It is electrically supplied through a 630 kVA, 11 kV/0.4 kV transformer. The filtered ward has three identical pumps with 110 \(\:\text{l}\text{i}\text{t}\text{r}\text{e}/\text{s}\text{e}\text{c}\text{o}\text{n}\text{d}\) flow and 60 m head pressure each as Fig. 3, these pumps are driven by three phase induction motors with data as Table 1 with rating 400 V, 132 kW, 4-poles, 50 Hz, 1490 rpm.
The normal operation of the filtered ward with throttling
The default operation of the filtered water ward is to fully turn on pump number 1 as a base load, and controlling pump number 2 flow’s by throttling the delivery valve according to the network demand through the day (Pump 3 is spare). Flow and pressure meter with data logger are fixed on the discharge line (pipe) of pump (2) to record the water flow required over the day. It is found that the ratio between the actual required flows to the rated flow of pump 2 that maintain the output pressure of the plant at 4 bar that guarantee water delivery to the network terminals all day long as Table 2.
That means that pump (2) operates at partial load all of the day. So using throttling which is an inefficient method to control the flow would cause much loss in energy consumption, Ref.8.
The operation of filtered ward with variable speed drive
Therefore, it is suggested to install VSD on motor 2 to be able to efficiently control the flow of pump 2 by varying the motor speed. The closed loop control scheme of the system is shown in Fig. 4. The pressure of the network delivery pipes is measured by pressure meter (it supposed to be 4 bars), the error between the reference or The VSD controls the voltage magnitude and frequency according to the control signal to change the speed of the motor rotor and thus the pump speed changes the pump flow to maintain the pressure at the desired value (note that the first pump operates at the rated load), Refs.9,10.
In addition to providing pressure control, a VSD can save a significant amount of energy consumption6. The characteristic curves of the pump with choke and VSD are as in Fig. 5.
Point A represent the operating point at full open valve (the intersection between the pump curve at rated speed and system curve at fully opened valve) which corresponds to power P1 at the power red curve. While point B is the operating point during throttling (the intersection between the pump curve at rated speed and system curve at partially opened valve) the flow is reduced and the power is slightly reduced at power P2.
Point C is the operating point during using VSD (the intersection between the pump curve at reduced speed and system curve at fully open valve) high drop in power at P3.
It is obvious from Fig. 5 that the power at reduced speed (P3) is lower than the power at throttling method (P2). So energy saving is achieved by VSD as a speed controller.
The energy consumption calculations for the case study motor
The consumption of the energy before and after using VSD as well as the energy savings is measured by two different methods.
-
The MATLAB/SIMULINK program.
-
The actual measurements using the power analyser at the plant.
MATLAB/SIMULINK model and calculations
The MATLAB/SIMULINK program is used to simulate the case study to audit the energy consumptions calculations by using throttling method as a flow controller and by using VSD as a speed controller for the afore mentioned motor (motor two).
Using throttling as a flow controller
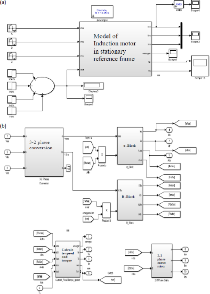
The model in Fig. 6a includes a three-phase voltage source with a line-to-line RMS value of 400 V connected to an induction motor model having a rated value and parameters are summarized in Table 3.
The induction motor is represented using the Park transformation which change the three phase variables into a two phase variables in the Alfa-Beta stationary reference frame as shown in Fig. 6b and the model is given in Refs.11,12.
The motor is loaded with different values of loads 100%, 90%. 80% and 70% of the rated load in steps as Table 4.
The input power and energy of the motor can be determined using the following equation, Ref.13:
The current output waves are shown in Fig. 7a, b. The three-phase and RMS current decrease as the load torque decreases at times 6, 9 and 12 s, as shown in Fig. 7a and b, respectively.
While the rotor speed is slightly increasing by 1 or 2 rpm (almost constant) by decreasing the load torque and the developed torque slightly reduces as Fig. 8.
Using VSD as a speed (flow) controller
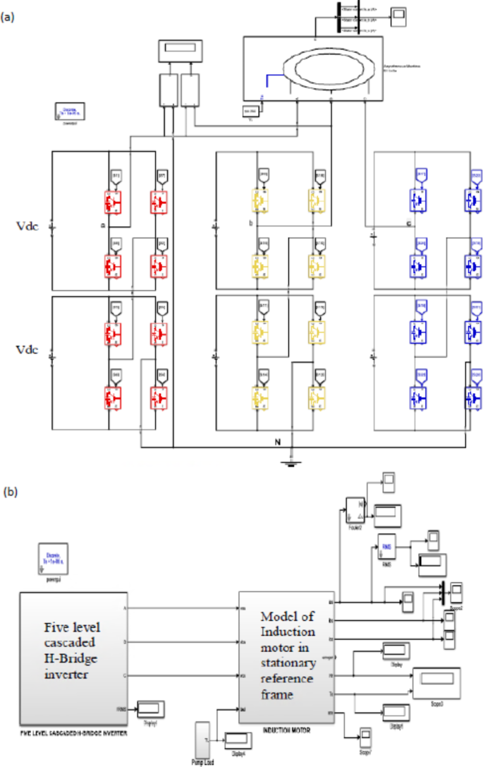
The five-level cascade H-bridge inverter model, as shown in Fig. 9a, consists of a (three-phase) topology supplied by two isolated DC sources with VDC per phase. This model is available as a Refs.11,12.
The inverter is connected to an induction motor with parameters as shown in Table 3 and loaded with a pump as shown in Fig. 9b. This inverter is fed with a set of signals coming from a control unit called a PI controller. The PI controls the inverter and thus controls the induction motor of the pump, so that the following Eq. (3) is achieved, Ref.13
Where:
Tmax: Maximum torque
P: No of pole.
Vt: Terminal voltage.
F1 : Supply frequency.
Leq: : The equivalent Inductance of the motor windings.
From time (0 to 3) second the motor is softly start from zero to rated speed, at time 3 s the motor rotates at the 100% of the rated speed then at time 6 s the motor rotates at 90% of the rated speed, while at time 9 s the motor rotates at 80% of the rated speed. Finally, at time 12 s the motor rotates at 70% of its rated speed (the rated speed is 1490 r.p.m). The reference speed is simulated and the simulation results as The input power and energy of the motor can be determined using Eqs. (1) and (2) and noted in the Table 5 for different loading cases. The pump load simulated by taking the rotor feedback speed and calculated the corresponding torque as the torque is directly proportional to the square of the speed in rotary loads (pumps).
Based on the control PI the output voltage from the inverter is changed, as shown in Fig. 10. The three-phase line voltage of the inverter is varied when trying to control the motor speed using the V/F control method.
Figures 11 and 12 the RMS output voltage and frequency as a result of changing the reference desired speed.
The RMS voltage and frequency increase at starting till reach the rated to time 3 s, from second 3 till reach 6 s the voltage and frequency are at rated value as the reference speed is at rated speed, then from second 6 to 9 the voltage and frequency are reduced to match the reduction in the reference speed (90% of the rated speed), then from second 9 to second 12 the voltage and frequency reduced again as the reference speed is reduced to 80% of the rated speed. Finally, from second 12 to 15 the voltage and frequency are reduced another time as Figs. 11 and 12.
The stator three phase current and RMS current for phase ‘a’ are begin starting till time 3 s, then reach the rated from 3 to 6 s. Then begin decreasing step by step with reducing the reference desired speed at time 6, 9 and 12 s as Fig. 13a, b.
The rotor actual mechanical speed increasing from zero till gets the rated speed then trying to match the reference desired speed at all conditions. The torque oscillates at starting till reach the rated torque decreases as a result of the reference speed reduction as Figs. 14 and 15.
Energy saving calculations upon simulation results
The energy saving due to the reduction in the current demand during using VSD as Fig. 16 is calculated in the following equations.
Using the results in Tables 4 and 5 the value of daily energy consumption using throttling is 2.48 MWh and the value of daily energy consumption using VSD is 1.579 MWh and Energy saving is Ref.13
The actual measurements using the power analyser at the plant
The power analyzer is connected to the input of motor (two) for 24 h to measure the total energy consumption by the motor. The power analyzer is connected two times, once while controlling with throttling for 24 h and once while controlling with VSD for 24. The energy consumptions with throttling and VSD are compared to calculate the energy saving.
Measurements with throttling
Table 6 shows the power analyzer’s measurements of voltage, power, and cumulative power consumed daily at different times of the day when using the throttle flow control method. The result is that the power consumed during the day is constant despite the choke of water flow by the throttling valve, and thus the total power consumed is very high, reaching 2466 KWH during the day.
Measurements with VSD
A VSD system is installed in the water station to control the speed of the second motor and then control the flow of the second pump to match the network’s water demand. The power analyzer measures voltage, power, and cumulative power at different times of the day, as shown in Table 7. From the table, using VSD to control the motor speed with a v/f constant makes the power consumed during the day low for the same consumer, and thus the power consumed during the day is also low, reaching 1521 KWH.
The measured energy consumption per day from power analyzer after installing the VSD as a speed controller is 1521 kWh.
Energy saving calculations upon power analyzer measurements, Ref.13.
The actual measurements and the results of the MATLAB/SIMULINK have some variations and it may be referring to:
-
The loading conditions are taken by the average values not by the actual loading values.
-
The inverter type in the plant is two levels inverter since the simulation inverter is five levels CHB.
Conclusion
In this work, energy saving was achieved for a drinking water purification plant in a village in southern Egypt. One of the water pumps was controlled once by the traditional method and once by VSD technology, and after comparison, the results were as follows:
-
A significant energy saving of approximately 30% is achieved by installing a VSD according to the affinity law.
-
(Nnew/Nold)3 = Kωnew/ Kωold, which means that a small decrease in speed results in a significant decrease. In energy (energy saving).
-
-The starting torque fluctuates in the traditional way, from 200 to -200 Nm, while the VSD technology has, the starting torque fluctuates between 100 to − 100 Nm.
-
The starting current in the traditional method is very high, as in Fig. 7a and b. However, with VSD technology, it fluctuates in the range of 300 amps, and during normal operation, it ranges from 250 to 150 A, depending on the load as in Fig. 13a,b.
Data availability
The datasets used and/or analyzed during the current study are available from the corresponding author on reasonable request.
References
Delpitiya, C., Wimalarathna, G. B. & Subasinghe, G. Energy efficiency improvement by introducing variable frequency drives for the tea whithering process. SLEMA J. 23, 1 (2020).
Al-Tamimi, O. & Kassas, M. Experimental investigation of energy consumption of VFD and ON/OFF A/C systems in residential area in Saudi Arabia. In Int. Conf. Industrial Technology (ICIT) 401–406. https://doi.org/10.1109/ICIT.2018.8352211 (IEEE, 2018).
Shewarega, M. Strategic study and approach of energy saving opportunities in process industries through application of variable frequency drive and practical case study carried out in Finchaa sugar factory. Int. J. Innov. Sci. Res. Technol. 4(5), 769–772 (2019).
Chang, M. C., Wang, J. & Lai, Y. S. Water flow control for air-conditioner using inverter-controlled induction motor drives. In 2000 Power Engineering Society Summer Meeting (Cat. No.00CH37134). https://doi.org/10.1109/pess.2000.867377
Ujang, Z. & Buckley, C. Water and wastewater in developing countries: present reality and strategy for the future. Water Sci. Technol. 46(9), 1–9. https://doi.org/10.2166/wst.2002.0192 (2002).
Aziz, S. Q. Treatment of greater–zab water by direct filtration. In Thirteenth International Water Technology Conference, IWTC 13, Hurghada, Egypt (2009).
Deshpande, S. & Buke, M. Review of effective methodologies for optimization of pump discharge conditions to enhance operational efficiency. Int. J. Ind. Eng. 7, 1 (2016).
Liang, X. & Ilochonwu, O. Induction motor starting in practical industrial applications. IEEE Trans. Ind. Appl. 47(1), 271–280. https://doi.org/10.1109/tia.2010.2090848 (2011).
Deshpande, S. & Buke, M. Review of effective methodologies for optimization of pump discharge conditions to enhance operational efficiency. Int. J. Ind. Eng. Res. Dev. 7(1), 30–45 (2016).
Oshurbekov, S., Kazakbaev, V., Prakht, V., Dmitrievskii, V. & Gevorkov, L. Energy consumption comparison of a single variable-speed pump and a system of two pumps: variable-speed and fixed-speed. Appl. Sci. 10, 24. https://doi.org/10.3390/app10248820 (2020).
El-Naggar, N. M., Esmaeel, M. A. & Abu-Zaid, S. Comparative performance of modular with cascaded H-bridge three level inverters. Int. J. Electr. Comput. Eng. 13(4), 3847–3856. https://doi.org/10.11591/ijece.v13i4.pp3847-3856 (2023).
Abu-Rub, H., Iqbal, A. & Guzinski, J. High Performance Control of AC Drives with MATLAB/Simulink Models (Wiley, 2012).
Sen, P. C. Principles of Electric Machines and Power Electronics/Dr. P.C. Sen, Fellow IEEE, 3rd edn.
Acknowledgements
Thanks and appreciation to all the professors who are credited with learning how to research and study electric motors. And thanks and appreciation to the fathers and mothers who guarded with all effort and love for the knowledge to reach us.
Funding
Open access funding provided by The Science, Technology & Innovation Funding Authority (STDF) in cooperation with The Egyptian Knowledge Bank (EKB).
Author information
Authors and Affiliations
Contributions
S. Abu-Zaid. and N. M. El-Naggar. wrote the main manuscript text and M. A. Salama, and N. M. El-Naggar prepared allfigures and tables. All authors reviewed the manuscript.
Corresponding author
Ethics declarations
Competing interests
The authors declare no competing interests.
Additional information
Publisher’s note
Springer Nature remains neutral with regard to jurisdictional claims in published maps and institutional affiliations.
Rights and permissions
Open Access This article is licensed under a Creative Commons Attribution 4.0 International License, which permits use, sharing, adaptation, distribution and reproduction in any medium or format, as long as you give appropriate credit to the original author(s) and the source, provide a link to the Creative Commons licence, and indicate if changes were made. The images or other third party material in this article are included in the article’s Creative Commons licence, unless indicated otherwise in a credit line to the material. If material is not included in the article’s Creative Commons licence and your intended use is not permitted by statutory regulation or exceeds the permitted use, you will need to obtain permission directly from the copyright holder. To view a copy of this licence, visit http://creativecommons.org/licenses/by/4.0/.
About this article
Cite this article
Salama, M.A.E., El-Naggar, N.M. & Abu-Zaid, S. Energy saving analysis for pump-motor set in water purification plant using variable speed drive. Sci Rep 14, 27728 (2024). https://doi.org/10.1038/s41598-024-75601-z
Received:
Accepted:
Published:
Version of record:
DOI: https://doi.org/10.1038/s41598-024-75601-z


















