Abstract
This paper mainly aimed to construct a solar charger with power pack on camouflage fabric (280 × 305 × 3 mm) for military and civil use in mining and reconnaissance set. The solar charger includes a photovoltaic panel, supercapacitor module (composed of 8 supercapacitors XV series), converter (B10-1224-05) and connectors (SP1312/S2 and SP1312/S4). The constructed solar charger was tested in laboratory and field conditions. In the first stage of our work, we tailored the solar charger based on the receiver the BATTERY Start 400 power bank requirements, portability and modular construction. We performed field trials performance studies in the second stage to confirm the laboratory results. The obtained results of the charger efficiency were satisfactory during unfavourable weather conditions (temporary rainfall, total cloud cover), and we obtained η ≈ 0.9 with periodic cloud cover. The energy delivered during one day of charging t = 9 h was EPB ≈ 38 Wh. This was confirmed by laboratory tests where approximately 80 Ah was stored during 18 h of charging the BATTERY Start 400 energy storage. It was confirmed that the 50 F capacitance of the supercapacitor module allowed the charging of BATTERY start 400 power bank – receiver for up to 22 min when fully charged. Finally, it was shown that the charging and discharging experiments of the proposed system demonstrate the stability against highly volatile weather conditions.
Similar content being viewed by others
Introduction
For many years, negative climate changes and their adverse impact on the natural ecosystem have been observed due to the consumer lifestyle and unbalanced human economy1. The biggest challenge, however, is the issue of energy storage, which is currently relatively easy to obtain, for example from the sun or wind2. Most researchers mainly focus on stationary solutions, using lithium-ion batteries3, supercapacitors4 or other methods as energy storage, e.g. compressed air5 or mechanical energy6 and hybrid systems7. Due to the dynamic development of the commercial market in the field of generation and storage of solar energy, the constant development of new devices is being developed8,9,10 intended to replace classic power supply systems (e.g. batteries) in special-purpose equipment11.
Currently, a vast number of electronic components on the commercial market can be successfully used to build a high-performance power supply system using solar energy. However, as ecological awareness develops it becomes necessary to protect all elements of the environment. Mankind is responsible for protecting the environment, as one of the living beings on earth that cannot appropriate the right to use its resources without protecting the environment.
To store efficiently energy produced during solar hours of the day, attention has been paid to the so-called coupled systems, e.g. photo-charging, in which the battery is connected to a photovoltaic cell12,13. This concept is intended to ensure the storage of energy obtained from solar cells for the nocturnal period and provide a system that supports charging directly from solar panels. The idea is very interesting due to its potential application in electric vehicles. This type of solution would provide additional access to electricity, increasing the range of vehicles without recharging the battery from an external source. In this type of solution, attempts were made to use a lithium-ion battery and combine it with an inorganic solar cell (silicon)14, dye-sensitized solar cell (DSSC)15, bulk heterojunction (BHJ) solar cells16,17,18, and perovskite solar cells13. It was pointed out in14 that the best way to achieve 97% energy storage efficiency was to connect the PV system via an MPPT controller, with the number of battery cells presenting voltage matching the proportion between the MPPT voltage: battery maximum charging potential equal 1:1.05. The downside is the fluctuation of the natural solar illumination which in real conditions drops down significantly in overall efficiency. In the case of other types of photovoltaic systems described in13,15,16,17,18 due to their low power conversion efficiency, the energy meant to be stored in any power bank is significantly low compared to the silicon-based solutions.
Solutions combining a portable solar panel with dual-energy storage consisting of a lithium-ion battery and a supercapacitor as an emergency system are described purely in the literature. Muensuksaeng et al.19 studied the device consisting of a 20 W solar panel coupled with a 16 F (16 V) supercapacitor and a 12 Ah (12 V) gel battery. In the system the supercapacitor acts as a buffer storage during high and variable operation of the solar panel connected to the battery via a DC/DC converter. The authors observed that a buffer with a capacitance of 16 F was sufficient to power supply low-power receivers and ensure continuity of operation during changing weather conditions. The solution although proven its applicability cannot be considered fully portable as carry-on equipment due to its high weight of 9 kg, with the controller reaching 4 kg19. More work still needs to be done on the applicable use of supercapacitors as the base storage system. The newest review article on supercapacitor applicability in renewable energy products20 pointed out that the researchers focused on small stationary systems containing supercapacitors as the main power storage just for scientific purposes, choosing hybrid battery-supercapacitor as more suitable for practical use.
The downside of mass-produced batteries used in a wide range of electric equipment is becoming a problem not only at the time of production (sourcing of rare metals for anodes) and also at their disposal. Therefore, we should strive to eliminate batteries in all power supply systems’ wherever possible, in terms of costs and specificity of use. Another severe problem called “Achilles’ heel” of reversible galvanic cells (batteries) is the issue of safety related to the use of toxic, volatile and flammable materials for their production, mainly components of the electrolyte21,22. To minimize the effect associated with the use of liquid electrolytes, much attention has been focused on the search for solid electrolytes with conductive properties comparable to liquid electrolytes23,24. Meanwhile, the supercapacitors show the possibility of sustainable production using safe and non-toxic components25.
In our previous works10,26, we investigated portable solar chargers consisting of a silicon photovoltaic panel or a dye-sensitized solar cell combined with energy storage based on lithium-ion batteries26 or supercapacitors10,27. These articles described chargers with active surface of the solar panel equal to 15 × 15 cm2, and a compact design. However, despite the system’s modularity, a quick replacement of its components was impossible. The best power conversion from solar energy to storage module, reaching up to 93%, was reported for the system based on the silicon solar panels and supercapacitors as the energy storage media.
The main goal of this paper is to present a charging device with supercapacitor storage tested in real conditions and demonstrate a microprocessor testing system for accurate and precise characteristics acquisition (i.e. performance of the system in terms of storage, current, or charging time) for an innovative approach pinning the easy-to-use, versatile and modular features of a solar charger, based on a foldable solar panel, to support highly specialized military equipment.
The solar charger for the mining and reconnaissance set (called ZMR)28 is a device for obtaining renewable energy from the sun. It is a replaceable element of the hybrid power system that charges the energy storage BATTERY Start 400 used in ZMR. The paper presents the complete device and the results of its tests in laboratory and field conditions. Field measurements were carried out in unfavourable weather conditions (periodic rainfall) to achieve the intended goals.
To the best of our knowledge, this innovative global solution has yet to be published. Our earlier solutions, such as the supercapacitor charger based on a photovoltaic system, optimisation of a hybrid photovoltaic power bank, solar ignition device and the electronic connection between a solar module with primary supercapacitor storage that have been patented8,28,29,30 is the starting point for optimizing the device presented in this article. The novelties of our solution being the case study described in the article include the following:
-
(i)
Six-segment foldable construction;
-
(ii)
Possibility to use in three configurations, connected to: via supercapacitor bank to battery, directly to battery or supercapacitor, or directly to a receiver,
-
(iii)
Deep analyses of the obtained results taking into account construction elements of the ZMR,
-
(iv)
Production of a photovoltaic panel on camouflage fabric,
-
(v)
A specific connection of the diode and power source in the supercapacitor module allows dynamic control over the current supplied to a receiver when the energy production from the PV system drops.
In the article, we compare the performance of the prototype device described above in the laboratory and under natural conditions. The study aimed to confirm the performance of a dedicated soldier’s mobile solar charger, which provides power to a dedicated power bank. The laboratory testing focused on recording the electric characteristics of specific device sections in controlled temperature, humidity, and illumination conditions. The second step was tested during natural conditions, including cloud sky coverage and slight rain.
Methodology of the testing
The research resulted in the architecture design for connecting photovoltaic modules with a total size of 280 × 305 mm2 for a photovoltaic panel system consisting of six single-base modules31 connected in parallel. The research used, a supercapacitor (SC) module with a capacitance of 50 F and a rated VSC = 21.6 V, consisting of eight SC connected in series.
The supercapacitor module acts as an energy buffer system that supplies power to the inverter during a temporary shading of the PV panel, preventing the voltage and current drop at the inverter input. It can also act as a primary receiver and energy storage as well. The supercapacitor is a buffer between the PV panel and the power bank and is intended to compensate for the energy shortage provided by PV in changing weather conditions. So that the power bank charging conditions are established. A current source with a capacity of charging current (ISC, charge) of 120 mA was used with an element with a variable resistance depending on the voltage at its terminals to separate the supercapacitor system from the converter. This prevents the PV panel from shorting out when the voltage on the SC module is close to 0 V and keeps the inverter input voltage close to the PV panel output voltage.
The Schottky diode (D) acts as a switch that is switched on for the direction of the ISC discharge current (SC discharge current) when the voltage on the VSC supercapacitor is greater than the output voltage of the PV panel VPV by the value of the forward voltage VD of the diode D.
During the tests, a microprocessor measuring system was used to measure voltages and currents in three circuits, recording the measured data for the delivery of microSD.
Based on the results, it can be concluded that the 50 F supercapacitor module has its task to maintain the charging of the BATTERY Start 400 power bank at the time of shading of the PV panels because the charging time was adapted even for a more extended break in the illumination and lasted up to 22 min when SC module charged ultimately. The last element in the system of the designed power supply device was the 12–24 V DC/ 5 V DC, 10 A converter. The system electrically adjusts the PV photovoltaic panel to the BATTERY Start 400 energy storage.
The converters’ current-voltage characteristics were measured using the technical method. The voltage at the converter input was adjusted from 0 V to 23 V, and the converter output voltage and current were noted.
The BATTERY Start 400 energy storage is an element constituting a load for the designed solar power supply. Its electrical parameters determine the selection of power supply elements from the PV panel and the supercapacitor module to the converter.
Figure 1 shows the electrical diagram of the station used to determine the parameters and current-voltage characteristics of charging and discharging the BATTERY Start 400 energy storage. The system was tested in laboratory conditions. Inputs 1, 2, and 3 are terminals of the current shunt with a resistance of 0.1 Ω.
During the tests, a microprocessor measuring system measured voltages and currents in three circuits, recording the data on a microSD card. The BATTERY Start 400 energy storage was charged and discharged twice consecutively via the microUSB input socket, with the resistor load Ro = 6.8 Ω the 12 V output socket and the resistor load Ro = 2 Ω the USB output socket. These resistances were selected based on general knowledge of civilian and military equipment.
The first charging process was performed in stable, unmodulated laboratory conditions during the measurement (temperature 28.5 ± 1.5 °C; humidity 45.5 ± 2.5%) with current oscillating around 1 A using a dedicated 5 V microUSB port. The first discharging process was performed at environmental conditions of temperature 28.5 ± 0.5 °C and humidity 49.5 ± 0. 5% using a 12 V port with a current of approx. 2 A. Interestingly, the BATTERY Start 400 allowed another charging port (5 V USB) for up to 40 min before the internal managing system turned it off. The second charging stage was performed in similarly to the firstly registered stage.
The measurements were also made in field conditions in unfavourable weather conditions (one day from 8 am to 6 pm). During the first two hours with complete cloud cover, the intensity of solar irradiation increased from 200 to 600 W/m2. Then, for 20 min, it was raining and the intensity of solar radiation fell below 200 W/m2. For the next 3 h, the solar irradiance ranged from 200 to 600 W/m2 due to complete cloud cover. In the last phase of charging, the BATTERY Start 400 energy storage with a solar charger; the solar radiation intensity varied from 400 to 1000 W/m2 until the charging was turned off at solar irradiation intensity below 200 W/m2.
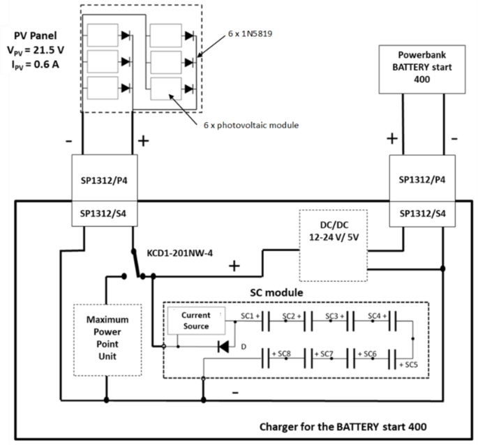
The solar charger includes a photovoltaic panel, supercapacitor module, converter (B10-1224-05) and connectors (SP1312/S2 and SP1312/S4). The design also allows the maximum power point (MPP) module to be connected, which is associated with the monostable switch (KCD1-201NW-4).
The constructed system description
Figure 2 shows the block diagram of the BATTERY Start 400 charger combined with the PV panel and BATTERY Start 400. It includes a PV panel, supercapacitor (SC) module, B10-1224-05 converter from Daygeen, and SP1312/S2 and SP1312/S4 connectors from WEIPU. The design also allows for connecting the maximum power point (MPP) module, which is connected to the KCD1-201NW-4 monostable switch.
In the designed BATTERY Start 400 power module, all photovoltaic panels are connected in parallel with a separating element in the form of a Schottky diode, which prevents the decrease in efficiency of the entire PV module during its partial shading, i.e. it will electrically separate the shaded cells from the PV module output (not it is a diode bypassing the PV panel).
The energy storage in the system of the designed BATTERY Start 400 power supply module is a supercapacitor module SC1 ÷ SC8 with a capacity of 50 F and a rated voltage of Vsc = 21.6 V, composed of 8 supercapacitors with a capacity of 400 F and a rated voltage of 2.7 V connected in series. It acts as an energy buffer system that supplies power to the converter during a temporary shading of the PV panel. A current source with a capacity of ISC = 120 mA (SC charging current) as an element with variable resistance depending on the voltage on its terminals prevents shorting of the PV panel when the voltage on the SC module is close to 0 V. Diode D acts as a key that is turned on for the direction of the ISC current (SC discharge current).
The supercapacitors module (SC) consisted of 8 XV series supercapacitors (2.7 V, 400 F, 0.41 Wh, manufactured by EATON (USA)) connected in series. It was intended to build a system with total capacitance of 50 F and a rated voltage of 21.6 V, to support the dedicated receiver - BATTERY Start 400 OBSL400 from OSRAM GmbH (Munich, Germany).
BATTERY Start 400 OBSL400 from OSRAM GmbH (Munich, Germany) was used as a primary receiver. The device is a 12 V lithium-cobalt battery jump starter for vehicles with up to 8 L petrol engines and up to 4 L diesel engines. The device has an option of a power bank (16.8 Ah) for other receivers via 2 USB ports and is equipped with LED light.
The photovoltaic charger was equipped with the 12–24 V DC/5VDC, 10 A converter type B10-1224-05 purchased from Shenzhen Daygreen Technology Co.Ltd (China)32.
Figure 3 shows a block and electrical diagram of the BATTERY Start 400 storage solar charger connected to a PV panel.
As can be seen in the details in Fig. 3, the solar charger includes a PV panel, supercapacitor module, Daygeen B10-1224-05 converter, connectors SP1312/S2 and SP1312/S4 from WEIPU. The design also allows connecting the MPP module (optional, not tested in field conditions), which is associated with the KCD1-201NW-4 monostable switch.
Production of a photovoltaic panel on camouflage fabric
The photovoltaic module (dimension: 280 × 305 × 3 mm) with VOC= 22.46 V, ISC= 0.58 A, Pmax= 10 W (for VMPP =18.72 V and IMPP= 0.53 A) was purchased from Pro Solar Volt Poland31 and is presented in Fig. 4a. The constructed PV panel was based on six modules as shown in Fig. 4b and exhibited such parameters as: VOC= 22.0 V, ISC= 2.7 A, Pmax= 40.9 W (for VMPP =15.42 V and IMPP= 2.68 A for sensitive field surface: 0.384 m2). Dimensions: unfolded panel length × width × height: 117 cm × 58.3 cm × 1.5 cm, folded panel length × width × height: 34 cm × 29.5 cm × 5 cm, panel weight: 2.088 kg.
The current-voltage characteristics were measured in field conditions using a microprocessor current and voltage meter controlling the gate voltage of the IRF740 MOSFET transistor, which serves as a resistor R setting the current in the circuit. During the measurements, thermograms were also recorded (Fig. 4c,d) only to control the activity of solar panels. In the case of any malfunction, the thermographs will indicate which module does not work correctly. During all the experiments, the setup worked correctly. Solar radiation was calculated using the following formula33 for CIE 2008 and wavelength λ (390 nm ÷ 830 nm).
The electrical parameters for the PV panel are presented in Table 1.
The mechanical design of the BATTERY Start 400 charger
For the construction of the prototype, a polyester fabric (water resistance > 30 hPa, abrasion resistance > 100,000 cycles) supplied by Lubawa S.A. (Poland) was used34. The polyester material used in producing, for example, military backpacks, covers, etc., is waterproof, so the permeability value is low. The 10 W solar modules were mounted into material pockets and fixed to the cloth by adhesive double-sided tape [3 M™].
The cover was printed on a 3D printer using PLA polymer. As shown in Fig. 5, we placed the supercapacitor module, converter, and SP1312/S2 connectors inside. The designed housing also allows for the placement of an MPP module, which is connected to a KCD1-201NW-4 monostable switch.
Results and discussion
The designed and built physical model of the electronic system charging the BATTERY Start 400 energy storage has been tested in laboratory and field conditions. This article divided the work regarding solar charges into two parts. The first is tailoring the solar charger based on the receiver of the BATTERY Start 400 power bank requirements, portability and modular construction. This stage also included the laboratory testing of each module separately. We performed field trials performance studies in the second stage to confirm the laboratory results.
Study in laboratory conditions
The test results of the charging and discharging time BATTERY Start 400, and the constant voltage at the output during discharge with constant current are shown in Fig. 6.
The current and voltage graphics in the function of time with corresponding temperature and humidity at charging during the first (a) and the second session (c) and discharging during the first (b) and the second session (d). The power receiver BATTERY Start 400, Session 1 (b) discharges with resistor Ro = 6.8 Ω loading the 12 V output socket, and session 2 (d) discharges with the resistor Ro = 2 Ω loading the USB output socket. (T temperature, H humidity).
The first charging process presented was performed in stable laboratory conditions (Fig. 6a, left: temperature = 28.5 ± 1.5 °C; humidity = 45.5 ± 2.5%), with current oscillating around 1 A using a dedicated 5 V microUSB port (Fig. 6a, right).
The first discharging process was performed at environmental conditions of 28.5 ± 0.5 °C and 49.5 ± 0.5% humidity (Fig. 6b, left) using a 12 V port with a current of approx. 2 A (Fig. 6b, right). Interestingly the BATTERY Start 400 allowed another charging port (5 V USB) for up to 40 min before the internal managing system.
The second charging stage was performed similarly to the firstly registered stage (Fig. 6c, left – environmental conditions, right – the current-voltage evolution over time). The difference between the first and the second charging cycles resulted from the energy storage’s internal safety system, which prevented the battery from being discharged too profoundly and reduced the effective available charge. The second discharging process was performed using a 5 V USB socket with a current of 2.5 A (Fig. 6d).
The obtained results read the charging and discharging times of the BATTERY Start 400 energy storage and the average values of charging and discharging currents and voltages. Based on the data obtained, the energy stored and the energy possible to be recovered were calculated. The results are shown in Table 2. According to formula (1), the power supplied to the BATTERY Start 400 energy storage was calculated, and based on formula (2) its capacitance was calculated.
where: Δt [min] – reading sampling period, t [min] – total charging and discharging time, Vi [V] – instantaneous voltage, Ii [A] – instantaneous current, EPB [Wh] - stored energy, FCC (Full Charge Capacitance) [Ah] – current actual energy storage capacitance.
The results in Table 2 show some discrepancies between the energy supplied to the BATTERY Start 400 energy storage and the power that can be recovered. This is because the fact that the BATTERY Start 400 energy storage device is equipped with a protection system that switches off the load when the output voltage drops below 12.3 V. Therefore, the usable capacitance is lower by about 20% than the nominal capacitance provided by the manufacturer. Despite these limitations, the BATTERY Start 400 energy storage allows to power any device from a 12 V socket for about 2 h with a current consumption not exceeding 2 A, and from a 5 V USB socket for about 4 h with a current consumption not exceeding 2.4 A.
Study in field conditions
A view of the constructed BATTERY Start 400 energy storage charger with a photovoltaic panel is presented in Fig. 7.
View of the BATTERY Start 400 energy storage charger with a photovoltaic panel (a) the charger after folding, (b) the charger without the cover. Dimensions: unfolded panel length × width × height: 117 cm × 58.3 cm × 1.5 cm, folded panel length × width × height: 34 cm × 29.5 cm × 5 cm, panel weight: 2.088 kg; Electronics length × width × height: 20.54 cm × 8 cm × 7.8 cm, weight: 0.952 kg.
Measurements of the charging characteristics of the BATTERY Start 400 energy storage with a solar charger in field conditions were made in variable weather conditions during one day from 8 am to 6 pm:
-
During the first two hours with complete cloud cover (see Fig. 8a), solar irradiation increased from 200 to 600 W/m2.
-
Then, it rained for 20 min, (see Fig. 8b), and the intensity of solar radiation fell below 200 W/m2.
-
Due to total cloud cover the solar irradiance ranged from 200 to 600 W/m2 for the next 3 h (Fig. 8c).
-
In the last phase of charging the BATTERY Start 400 energy storage with a solar charger, the solar radiation intensity varied from 400 to 1000 W/m2 until the charging was turned off at a solar irradiation intensity below 200 W/m2.
A fully discharged supercapacitor module was used for the experiment.
During the entire test cycle, a microprocessor measuring system was used to measure voltages and currents in three circuits, saving the measured data on a microSD card. The obtained results confirmed our hypothesis that reflects the voltage levels at the inputs and outputs of individual circuits and the distribution of currents at individual measurement points of the BATTERY Start 400 chargers as presented in Figs. 9, 10.
Waveforms of current and voltage of the PV panel and the converter with corresponding to them weather condition parameters (a), Waveforms of current and voltage of charging and discharging of the supercapacitor and the BATTERY Start 400 energy storage with corresponding to them weather condition parameters (b).
The Fig. 9a (left) presents the environmental conditions registered for the field conditions, where:
-
The temperature (T) varied from 23 °C (early morning hours) to 42 °C (in full sun),
-
The humidity (H) ranged from 25% (the sunny period) to 57% (morning hours and rain period).
Additionally, the sun illumination (E) presenting generally Gausses-like typical shape was also displayed:
-
(i)
Up to approx. the second hour of testing the light intensity increased with some anomalies ascribed to a partially cloudy sky;
-
(ii)
After that, it was followed by a significant drop in intensity due to a rain period of up to approx. 3.25 h;
-
(iii)
Next passed through a transparent cloudy (up to 4 h) to the dense cloudy sky (up to 5.5 h),
-
(iv)
After this, the condition improved significantly, demonstrating the maximum illumination (with single maxima over 1000 W/m2) with only single passing clouds.
As expected, the sun illumination showed a tendency for decreased intensity and changing sun position.
Figure 9a (right) presents the current and voltage changes of the PV module and the current on the converter registered during the above-described environmental conditions. The voltage on the PV module (VPV) was consistent within 20–22 V, apart from the rainy period (2–3.25 h of the experiment) and dropped at the end of the experiment due to the natural reduction of sun illumination. The current values from the solar modules (IPV) showed regions with maximum values at 0.3 A with periods, when their value decreased between 2 h and 3.25 h, and between 4 h and 6.5 h, as an effect of the weather conditions. The current values on the converter (IPI) are also presented. The current values were registered at approx. 0.16 A and slightly below 0.3 A, for 6.5 h and 3.5 h, respectively.
The lower current level was mainly mismatched with the current value coming from PV. This resulted from two charging processes, one related to the supercapacitor module and the other to the BATTERY Start 400.
The charging-discharging processes for the supercapacitor module and charging of the BATTERY Start 400 are presented in Fig. 9b. From the left graph two charging processes: 0 –2 h and 3 –5 h; one discharging process, from 2.2 h to 3 h; and plateau from 5 h to the end of the experiment, with small discharging centred at 8.8 h, were observed. Moreover, due to the discharging process, the SC module reached its cut-off value at 6 V. In the current-voltage graphs for the power bank, the charging parameters were stable at 5 V and 0.2–1.1 A. The sections observed for charging current were related to charging together with the supercapacitor module at t∈(0; 2 h), charging only from the SC module at t∈(2.2 h; 3 h), another joint charging with the SC module at t∈(3 h; 5 h), and charging from PV module at two levels 0.6 A and 1.0 A (result of increment of illumination intensity).
The efficiency delivered from the PV charger to the BATTERY Start 400 energy storage during field charging, calculated according to the formula (3), equals EPB = 38.4 Wh.
where: VPB [V] – instantaneous charging voltage; IPB [V] – instantaneous charging current; VPI [V] – instantaneous voltage of the converter input, IPI – converter input current.
The grey zone depicts a specific region related to the period in which the BATTERY Start 400 energy storage was charged solemnly by energy stored in the supercapacitor module. In the right graph in Fig. 10a, the correlation between voltages of the PV panel, SC module and converter is presented. As can be noticed the drop in the PV panel resulted in a drop of potential on the input of the converter, where it aligned with the potential on the supercapacitor module till it reached the cut-off value at 6 V. This aligns well with the readings of the current on the diode in the SC module. The increase in the current value shows discharging process of supercapacitors. Moreover, an increase in potential was observed upon improvement in weather conditions. The current values presented on the right side of Fig. 10b show similarity in the shape of the currents for the supercapacitor and at the converter for the period of the rain. Power plots were done to visualize better the power balance of the SC module, PV module and the converter in which the negative power values represent the energy withdrawal from supercapacitors. Based on data regarding the solar exposition reported for Gdynia (Poland, 54.5° north latitude)35, during the longest days in summer it would be possible to fully charge the BATTERY Start 400 during approximately 4–5 days (with PV panel with Pmax = 12.9 Wp).
The presented results demonstrated that the innovative solar charger performs well at variable illumination intensities in natural conditions. The changes observed in the charging current of the BATTERY Start 400 power bank are related to the current converter that switches in step mode depending on the illumination of photovoltaic panels:
-
The power bank is charged with a higher current at higher available energy.
The variation of current values in the SC module is related to the stages of the buffer module:
-
Negative values indicate charging of the power bank;
-
Positive values indicate the charging of the SC module and near zero shows no engagement (fully charged).
Similarly to what was described in11, a small power device requires a small capacity buffer (i.e. 16 F). However, in our case, a larger capacity was deliberate to ensure the most extended work period in low illumination conditions, as presented above. All the components used to build the solar charger ensured the high efficiency of the whole system.
Conclusion
According to our knowledge, there are currently no devices on the market that would show the stability of the charging parameters of the electronic system charging BATTERY Start 400 regardless of weather conditions, which results from the proposed design solution by using supercapacitors as an energy buffer to stabilize the charging current and voltage of the electronic system charging BATTERY Start 400.
The results obtained from laboratory tests of individual charger circuits (components), such as the PV panel, the supercapacitor module, and the DC/DC converter, indicate that they can work properly in the BATTERY Start 400 energy storage charger. This has been confirmed in field tests of the charger’s physical model.
Theoretically, a fully charged BATTERY Start 400 energy storage device will enable the operation of devices powered by 12 V with a current consumption of less than 2 A for about 2 h, and devices powered by 5 V via a USB port with a current consumption of less than 2.4 A for about 4 h.
This work clearly indicates that the modularity in using the proposed solution using supercapacitors and battery modules described in this study holds great promise for potential applications as self-chargeable systems powered by solar energy for various portable electronics (radio, radio receivers, tent lighting, mobile phones). The flexible design allows it to be folded into a smaller size and placed in a backpack. Moreover, the use of fabric reduces/eliminates mechanical damage to the PV panel. The developed camouflage allows you to mask devices in a forest scenery. The polyester material used in producing, for example, military backpacks, covers, etc., is waterproof. The fabric had a printed camouflage pattern ed. 93 used by the Polish Armed Forces. Both military and civilian users can use the proposed solution.
Data availability
The authors declare that the data supporting the findings of this study are available within the paper.
References
Velmurugan, K. et al. E.-A. Attia. A review of heat batteries based PV Module cooling - case studies on performance enhancement of large-scale solar PV system. Sustainability 14 1963. https://doi.org/10.3390/su14041963 (2022).
D’Angela Mariano, J. & Urbanetz, J. Jr. The energy storage system integration into photovoltaic systems: A case study of energy management at UTFPRFront. Energy Res. https://doi.org/10.3389/fenrg.2022.831245 (2022).
Falk, J., Nedjalkov, A. & Angelmahr, M. Schade. Applying lithium-ion second life batteries for off-grid solar powered system—A Socio-economic case study for rural development. Z. Energiewirtsch 44, 47–60. https://doi.org/10.1007/s12398-020-00273-x (2020).
Jaszczur, M. & Hassan, Q. An optimisation and sizing of photovoltaic system with supercapacitor for improving self-consumption. Appl. Energy 279, 115776. https://doi.org/10.1016/j.apenergy.2020.115776 (2020).
Garvey, S. D. A. Pimm. 6 - compressed air energy storage (CAES). Storing Energy (Second Edition) with special reference to renewable energy sources. 117–140. https://doi.org/10.1016/B978-0-12-824510-1.00031-3 (2022).
Franklin, M., Fraenkel, P., Yendell, C. & Apps, R. 5 - gravity energy storage systems. Storing energy (Second Edition) with special reference to renewable energy sources. 91–116.https://doi.org/10.1016/B978-0-12-824510-1.00023-4 (2022).
Atieh, A., Charfi, S. & Chaabene, M. Chapter 8 - Hybrid PV/batteries bank/diesel generator solar-renewable energy system design, energy management, and economics. Adv. Renew. Energies Power Technol. Volume 1 Solar Wind Energies 257–294, https://doi.org/10.1016/B978-0-12-812959-3.00008-3 (2018).
Plebankiewicz, I., Bogdanowicz, K. A. & Iwan, A. Electronic. System for charger of supercapacitors from solar cells. Pol. Patent 239883, (2022).
Plebankiewicz, I. Przybył. Solarny Magazyn Energii – rozwiązanie oparte na komercyjnych krzemowych ogniwach słonecznych i superkondensatorach. Przegląd Elektrotechniczny 0033. https://doi.org/10.15199/48.2022.01.28 (2022).
Plebankiewicz, I., Bogdanowicz, K. A. & Iwan, A. Photo-rechargeable electric energy storage systems based on silicon solar cells and supercapacitor‐engineering concept. Energies 13 3867. (2020). https://doi.org/10.3390/en13153867
Detka, K. & Górecki, K. Selected technologies of electrochemical energy storage—A review.Energies 16, 5034. https://doi.org/10.3390/en16135034 (2023).
Schmidt, D. & Hager, M. D. Schubert. Photo-rechargeable electric energy storage systems. Adv. Energy Mater. 6, 1500369. https://doi.org/10.1002/aenm.201500369 (2016).
Xu, J., Chen, Y. & Dai, L. Efficiently photo-charging lithium-ion battery by perovskite solar cell. Nat. Commun. 6, 8103. https://doi.org/10.1038/ncomms9103 (2015).
Gibson, T. L. & Kelly, N. A. Solar photovoltaic charging of lithium-ion batteries. J. Power Sources 195, 3928–3932. https://doi.org/10.1016/j.jpowsour.2009.12.082 (2010).
Beaujuge, P. M. & Fréchet, J. M. J. Molecular design and ordering effects in π-functional materials for transistor and solar cell applications. J. Am. Chem. Soc. 133, 20009. https://doi.org/10.1021/ja2073643 (2011).
Dennler, G. et al. Wöhrle. A self-rechargeable and flexible polymer solar battery. Sol. Energy 81, 947–957. https://doi.org/10.1016/j.solener.2007.02.008 (2007).
Pandey, A. K., Deakin, P. C., Jansen-Van Vuuren, R. D. & Burn, P. L. Samuel. Photo-rechargeable battery effect in first generation cationic-cyanine dendrimers. Adv. Mater. 22, 3954–3958. https://doi.org/10.1002/adma.200904464 (2010).
Lee, Y. H. et al. Choi. Wearable textile battery rechargeable by solar energy. Nano Lett. 13, 5753–5761. https://doi.org/10.1021/nl403860k (2013).
Muensuksaeng, C., Harnmanasvate, C., Chantana, J. & Cheacharoen, R. Portable solar-powered dual storage integrated system: a versatile solution for emergency. Sol. Energy 247, 245–254. https://doi.org/10.1016/j.solener.2022.10.030 (2022).
Zhang, J., Gu, M. & Chen, X. Supercapacitors for renewable energy applications: a review. Micro Nano Eng. 21, 100229. https://doi.org/10.1016/j.mne.2023.100229 (2023).
Sun, J. et al. Chen. Toxicity, a serious concern of thermal runaway from commercial Li-ion battery. Nano Energy 27, 313–319. https://doi.org/10.1016/j.nanoen.2016.06.031 (2016).
Wu, N. L. et al. Polymeric artificial solid/electrolyte interphases for Li-ion batteries. Progress Nat. Sci. Mater. Int. 25, 563–571. https://doi.org/10.1016/j.pnsc.2015.11.009 (2015).
Wang, L. et al. Wang. Fundamentals of electrolytes for solid-state batteries: challenges and perspectives. Front. Mater. 7, 111. https://doi.org/10.3389/fmats.2020.00111 (2020).
Guo, Y. et al. Solid-state lithium batteries: Safety and prospects. eScience 2, 138–163. https://doi.org/10.1016/j.esci.2022.02.008 (2022).
Tariq, H. et al. Enhancing supercapacitor performance through design optimization of laser-induced graphene and MWCNT coatings for flexible and portable energy storage. Sci. Rep. 13, 21116. https://doi.org/10.1038/s41598-023-48518-2 (2023).
Maleczek, S., Drabczyk, K., Bogdanowicz, K. A. & Iwan, A. Engineering concept of energy storage systems based on new type of silicon photovoltaic module and lithium ion batteries. Energies 13, 3701. https://doi.org/10.3390/en13143701 (2020).
Skunik-Nuckowska, M. et al. Iwan. Iodide Electrolyte-based hybrid supercapacitor for compact photo-rechargeable energy storage system utilising silicon solar cells. Energies 14, 2708. https://doi.org/10.3390/en14092708 (2021).
Plebankiewicz, I., Wysoczański, A., Iwan, A. & Bogdanowicz, K. A. Ładowarka fotowoltaiczna, Utility model application W.130978, (2022).
Plebankiewicz, I., Wysoczański, A., Iwan, A. & Bogdanowicz, K. A. Układ elektroniczny zapalarki słonecznej, patent application. 440970 (2022).
Plebankiewicz, I., Wysoczański, A., Iwan, A. & Bogdanowicz, K. A. Układ elektroniczny ładowarki fotowoltaicznej, patent application. 442208 (2022).
PV panel MONO FLEX 10 W 18V. [280x305mm] Cataloge brochure available online https://voltpolska.pl/fotowoltaika/panel-fotowoltaiczny-elastyczny-mono-10w-18v-280x305mm-.html (accessed 24.08.2023).
Converter’s Catalogue brochure available online. https://cdn.shopify.com/s/files/1/1598/0223/files/12V_24V_to_5V_10A_50W_DC-DC_CONVERTER_NON-ISOLATED.pdf?12104157690683508117 [Accessed: 24 Aug 2023] (2023).
Michael, P. R., Johnston, D. E. & Moreno, W. A conversion guide: solar irradiance and lux illuminance. J. Meas. Eng. 8, 153–166. https://doi.org/10.21595/jme.2020.21667 (2020).
Lubawa’s Catalogue brochure for product Art. No.: 205377/DRP/WO/WD/160 available online: https://miranda.pl/download/Katalogi/katalog-tkanin-technicznych-online.pdf (accessed 24.08.2023).
Górecki, K., Dąbrowski, J. & Krac, E. SPICE-aided modeling of daily and seasonal changes in properties of the actual photovoltaic installation. Energies 14, 6247. https://doi.org/10.3390/en14196247 (2021).
Acknowledgements
Authors are grateful for financial support from Polish National Centre of Research and Development (TECHMATSTRATEG1/347431/14/NCBR/2018).
Author information
Authors and Affiliations
Contributions
I.P. Investigation, Analyses.K.A.B. Writing-Original draft preparation, Analyses, Writing-Reviewing and Editing, Conceptualization, W.P and A.W. Investigation, A.I. Writing-Reviewing and Editing, Conceptualization, K.G. Writing-Reviewing and Editing.All authors have read and agreed to the published version of the manuscript.
Corresponding authors
Ethics declarations
Competing interests
The authors declare no competing interests.
Additional information
Publisher’s note
Springer Nature remains neutral with regard to jurisdictional claims in published maps and institutional affiliations.
Rights and permissions
Open Access This article is licensed under a Creative Commons Attribution-NonCommercial-NoDerivatives 4.0 International License, which permits any non-commercial use, sharing, distribution and reproduction in any medium or format, as long as you give appropriate credit to the original author(s) and the source, provide a link to the Creative Commons licence, and indicate if you modified the licensed material. You do not have permission under this licence to share adapted material derived from this article or parts of it. The images or other third party material in this article are included in the article’s Creative Commons licence, unless indicated otherwise in a credit line to the material. If material is not included in the article’s Creative Commons licence and your intended use is not permitted by statutory regulation or exceeds the permitted use, you will need to obtain permission directly from the copyright holder. To view a copy of this licence, visit http://creativecommons.org/licenses/by-nc-nd/4.0/.
About this article
Cite this article
Plebankiewicz, I., Bogdanowicz, K.A., Przybył, W. et al. Solar charger with power pack on camouflage fabric for field application. Sci Rep 14, 30262 (2024). https://doi.org/10.1038/s41598-024-81897-8
Received:
Accepted:
Published:
Version of record:
DOI: https://doi.org/10.1038/s41598-024-81897-8












