Abstract
Cellular manufacturing can accommodate high product variety with shorter lead times and less complex scheduling. However, most extant research presents clustering solutions to hypothetical or low-complexity problems that cannot be reproduced in practice. Empirical research is scarce. This study develops the PFA (Production Flow Analysis) for cell formation in a real environment, with multifunctional/universal machines and technological constraints. By applying FFA (Factory Flow Analysis), the flow is simplified, making the clustering problem feasible. In the environment studied, the clustering attempt based on the part-machine matrix did not yield a good solution. Better performance was achieved by applying the clustering algorithm to the part-operation incidence matrix, with machinery allocation as a subsequent step. Technological constraints were solved and cell loads were balanced to make implementation viable. The study contributes by treating aspects of complex manufacturing environments and by presenting solutions to real constraints, bringing theory and practice together and providing a roadmap for managers. Also, this empirical research adds to an existing body of knowledge in which axiomatic research predominates.
Similar content being viewed by others
Introduction
Product variety, short product life cycle and pressure to increase productivity lead to fierce competition among manufacturers. Since the Mass Production paradigm of the beginning of the 20th century, product variety has been increasing along the different production paradigms1. At the same time, increasing responsiveness is also required. Competitive situations demand a faster supply of products with more innovative features2,3. Job shops do not meet this requirement of agility. In these systems, jobs spend 95% of time on non-value added activities; much of this time is spent in queues4,5.
Group technology, which clusters similar parts into families based on common attributes, addresses this issue effectively6,7,8,9. Cellular manufacturing, an application of group technology, optimizes production by reducing setup times, lot sizes and delivery times10,11.
Much of extant research is axiomatic and has been carried out to solve the cell formation problem. The algorithms and optimization models are mostly applied to hypothetical systems, neglecting the complexities of actual production environments. Brusco12 and Diabat et al.13 are examples of relatively recent axiomatic research related to cell manufacturing. Empirical research on real systems, with large number of machines and products, and technological restrictions, is scarce. The underutilization of a classical empirical approach, the Production Flow Analysis (PFA)14, especially at the Factory Flow Analysis (FFA) level, underscores this gap. A search in the Scopus database for papers that cite Burbidge14, from 2000 to 2022 resulted in 68 papers; more than 90% of them considered hypothetical models. Out of 26 papers that present the part-machine incidence matrix, in only 6 of them this matrix has one of the dimensions greater than 20. Santos and Araújo Jr15. is an exception, presenting a real system with a 36 × 58 matrix. The study focuses on software development to apply the PFA and not on the method’s application itself.
PFA is a mature, well-documented and empirically-tested method16 which encompasses preliminary steps for simplifying the production flows (i.e., FFA) before applying group technology, to enable feasible clustering. Mathematical clustering methods may not succeed in practice, in part because they ignore these preliminary steps, and in part because they ignore the need to reallocate operations, modify process routings and solve technological restrictions17.
In some sense, PFA is counter to the current trend of using artificial intelligence/machine learning for problem solving, because its pre-processing block (FFA) requires human judgment to simplify flow and solve technological constraints before incidence matrix is generated and the algorithmic block (called GA) can be applied. This preprocessing allows handling real-world constraints that AI/ML and metaheuristic methods struggle with. Furthermore, ML can be employed in this algorithmic block of PFA, i.e., both approaches can be integrated, benefiting from the human-machine collaboration to solve real problems, instead of relying only on machines. Thus, the consideration of this hybrid perspective is also a contribution of this paper. It also enriches the body of knowledge of the cell formation field by presenting an interesting application of a method that is much less explored in the literature, since the vast majority of works shows the application of metaheuristics to solve the cell formation problem.
This study aims to bridge this gap by modeling a real production system with large dimensions and technological constraints using two levels of PFA (Factory Flow Analysis – FFA and Group Analysis – GA) to form feasible families and cells. By leveraging PFA, the research seeks to simplify processes, facilitate cell formation, and provide practical guidelines for managers facing similar challenges. The system under study has high product variety and medium to low volumes; it belongs to a part manufacturer of the agricultural and construction machinery supply chains. In this company, unplanned product portfolio expansions leaded to an inefficient job shop, with excess of movements and routings, resulting in long lead times and poor delivery performance. The agribusiness corresponded to 26.6% of the Brazilian GDP in 202018, and 47,919 units of agricultural machinery were produced in the same year19. The construction machinery and equipment industry produced 22,573 units of machinery in 202020. Thus, the significance of this work extends beyond theoretical contributions, offering tangible benefits to industry and society, particularly within the context of Brazil’s agribusiness and machinery sectors.
Literature review
Group technology identifies similarities among certain objects. Cellular manufacturing applies this concept by processing similar parts in dedicated cells, providing economic benefits like mass production while maintaining job shop flexibility21,22,23,24,25.
The cell has most or all of the necessary resources to produce a family of parts, optimizing material and information flow. Cell operators can be cross-trained and take on various tasks, such as scheduling, quality control etc., enhancing cell performance21,26.
Cell formation methods include descriptive procedures, clustering analysis, graph methods, artificial intelligence and mathematical programming6. Traditional clustering techniques such as ROC27 or K-means28 can be applied, but different meta-heuristics have also emerged to solve the clustering problem, many of them with the ability to imitate natural or biological phenomena. They can provide good solutions for NP-hard problems29. Among them, the genetic algorithms predominate30. Joines et al.31 is an example of this approach.
Burggräf et al.32 presents a bibliometric study on the use of machine learning (ML) for the resolution of facility layout problems (FLP). The different resolution approaches for these problems are depicted in Fig. 1, adapted from32. A FLP is defined for the best arrangement of facilities in plant area subjected to different constraints. Thus, cell formation/group technology is a support function that precedes a FLP because it does not consider the physical plant, but the review of the authors also covers this problem. They found only 57 papers applying ML for FLP from a universe of almost 1212 papers, as shown in Fig. 2. Among these, 24 showed to be relevant after full reading. Clustering techniques, Kohonen Neural Networks (or self-organizing maps, SOM) and Hopfield Neural Networks appeared as unsupervised learning methods applied to both FLP problems and to cell formation problems. These techniques are devoted to clustering tasks. In these sense, these ML approaches are applied in the same way that the metaheuristics are applied, i.e. to form clusters based on an incidence matrix. Thus, as the metaheuristics, they may also struggle to find a feasible solution depending on the initial conditions of the problems, and on the real-world constraints. According to Burggräf et al.32, very few papers applied supervised learning methods to deal with cell formation problems, and usually combined them with meta-heuristics. As known, the supervised approach usually executes classification or regression tasks, so, it does not solve the clustering problem directly. In 86% of the papers analyzed by the authors32, artificial neural networks were used for both supervised and unsupervised learning, showing that other ML techniques are neglected, as it happens in other areas of research, e.g. supply chain management. A self-organization approach for cellular manufacturing systems based on reinforcement learning was found in just one of the papers reviewed by 32. Figure 2 also corroborates the findings of30, that genetic algorithms is the most used method.
Since the review from Burggräff et al.32 covers publications until 2020, a literature search of papers from the last 5 years (2021 to 2025) applying machine learning to cell formation/cell manufacturing was carried out in the database Web of Science. The trends presented by the aforementioned authors were confirmed: just one paper33 was found where competitive learning mechanisms were added to Genetic Algorithms for layout design under machine availability and demand uncertainty scenario. Other papers34,35,36,37 mention the machine learning approach but, in fact, are referring to metaheuristics such as genetic algorithms (GA), particle swarm optimization (PSO), and simulated annealing (SA). They call them “artificial intelligence algorithms”. In these works, the common approach is to model the cell formation problem (sometimes integrated with scheduling) as a mixed integer linear (or nonlinear) program, then to solve relatively large problems using metaheuristics. In this present paper, metaheuristics are not considered machine learning or AI methods; they are considered a separate class, as shown in Fig. 1.
Resolution approaches for FLP and cell formation problems, adapted from32.
Resolution methods for facility layout problems, considering n = 1212 papers reviewed by32.
Production Flow Analysis (PFA)14 is a hierarchical technique in which the flow is simplified at different levels, before a part-machine incidence matrix is raised, i.e., the flow is simplified before clustering. It can be either classified as a descriptive approach, according to6, or a mixed approach (i.e., qualitative and quantitative) according to Fig. 1. Figure 2 shows that qualitative methods are much less frequently applied to FLP and cell formation problems in comparison to metaheuristics or other approximation methods. The levels and application steps of PFA will be presented in Sect. PFA.
Since AI/machine learning is a strong trend being applied to many fields, a discussion involving it and PFA becomes relevant. ML belongs to a problem representation framework called sub-symbolic artificial intelligence, and is a data-driven approach, i.e. comprises structures that can learn from data through information-processing mechanisms32,38. PFA as a whole is a more comprehensive approach that includes a pre-processing block (FFA) and also includes an information-processing block i.e., a module based on algorithm, which is the GA (Group Analysis) block. The pre-processing block FFA is one differential of this approach in comparison to ML or meta-heuristic approaches. The latter ones usually start from an incidence matrix that sometimes leads to an infeasible problem, while FFA requires close participation of humans to analyze the problem and make simplification decisions before giving it to a machine or algorithm to solve it. Thus, in some sense, PFA goes in the opposite direction in relation to this recent ML trend, because it fosters interaction with humans, not relying only on machines. On the other hand, ML approaches can be integrated into PFA, because the clustering in the GA block can be done by ML methods, such as self-organizing maps (SOM), or by meta-heuristics (see Fig. 1). Thus, PFA integrates both human and machine collaboration efforts to solve the problems iteratively, because if the problem cannot be solved by the algorithm or ML method, modifications are done in the FFA level or in the incidence matrix GA level, until an algorithmic solution is found. This is the most relevant advantage of PFA over ML or other resolution methods, as it allows handling real-world constraints that AI/ML methods and metaheuristics struggle with.
Complexity of manufacturing systems
The number of different scheduling combinations of a job shop can be calculated by (n!)m, considering n parts/jobs and m machines39,40. Thus, the job shop scheduling problems, as known, are NP-hard. For Santos and Araújo Jr15. , the size of a problem in Group Technology can be measured in terms of the part-machine matrix. Considering m machines and n parts, the authors define the following classes of problem size: small, m < 10 and n < 30; medium, 10 ≤ m < 30 and 30 ≤ n < 60; large, m ≥ 30 and n ≥ 60; and very large, m > 60 and n > 120.
According to Mikell41, the complexity of a manufacturing system can be defined by the product complexity, i.e., the number of product parts, and by the complexity of parts’ manufacturing, i.e., the number of operations for each part.
All the aforementioned criteria will be used to measure the complexity of the case under analysis.
PFA
Production Flow Analysis (PFA) is a classical analytical technique for forming manufacturing cells14. The families of parts are based on the production routings of the parts. There are three hierarchical levels of analysis:
-
FFA (Factory Flow Analysis): seeks to simplify all the process flows of the factory, i.e., to reduce the number of distinct routings, to reduce the number of operations within a routing, and to eliminate reentrant flows. For complex real problems, this step is essential for the Group Analysis to be effective/feasible;
-
GA (Group Analysis): groups parts into families and machines into cells, based on the incidence matrix;
-
LA (Line Analysis): analyzes the flow of materials between machines within groups and plans the best layout of the machinery in the cell.
FFA is carried out in the nine main steps listed below:
-
1.
Division into departments;
-
2.
Allocation of machinery to departments and evaluation of frequency of use;
-
3.
Determination of the process routing number (Product Routing Number, PRN) of each part and design of the current flow (as-is).
-
4.
Analysis of parts based on PRN;
-
5.
Design of simplified flowchart;
-
6.
Determination of products that are exceptions;
-
7.
Elimination of exceptions;
-
8.
Checking of machine loads;
-
9.
Specification of standard interdepartmental flow systems.
In the next sublevel, GA, the parts allocated to each department are grouped into families and the machinery allocated to each department is split into groups, so that each family is completely processed by only one group. GA has the following steps:
-
1.
Renumbering of operations in the process routings;
-
2.
Classification of routings into packs;
-
3.
Design of the part-machine incidence matrix and definition of families and groups.
-
4.
Load checking and allocation of machinery;
-
5.
Investigation and elimination of exceptions;
-
6.
Specification of groups and families;
-
7.
Design of the final flow system diagram.
FFA applications in the literature
FFA is underexplored in literature. A search in Scopus database in 2022 with the exact expression “Factory Flow Analysis” yielded only 8 papers, with two authored by Burbidge himself. Despite that, the technique has great potential to reduce the complexity of factory’s process flows before moving forward to the cell formation stage16.
Harhalakis et al.42 use an algorithm for the FFA to minimize the intercellular traffic of parts. The results are compared with two other FFA methods. Arvidh and Irani43 present an alternative algorithm to PFA for integrated solutions to subproblems in cell formation. Besides the formation of machine groups and part families, they consider, as subproblems, machine duplication, intracellular and intercellular layout.
Irani and Ramakrishnan44 address the absence of commercially available software for PFA, implementing the first three phases of PFA using standard algorithms available in the STORM package. Kesavadas and Ernzer45 designed an interactive virtual factory using cell formation methods, including the GA from Burbidge14. The virtual factory interface offers machine and part reassignment features.
PFA was implemented in an aluminum manufacturing company by Santos and Araújo Jr46. The ROC2 algorithm was applied to a 58 × 36 part-machine incidence matrix, and did not converge to an adequate solution, due to the large number of resulting exception elements (black sheeps). Following FFA simplification steps, process routings and machine configurations were modified, and machines were exchanged or replaced. After the changes, a clustering efficiency of 98.8% was achieved. The authors conclude that PFA has improved the production processes at the factory, in terms of flexibility and productivity.
The aforementioned paper shows that, for complex real problems, prior simplification might be mandatory to make the clustering problem feasible. Furthermore, without simplification, cell formation may require unnecessary duplication of machines, may result in in underutilized capacity and high diversity of process routings and information to each cell. Like in46, this present study deals with a real problem with big dimensions/high complexity. Differently from the cited research, it does not employ specific software to implement PFA and it focus on how to circumvent technological restrictions of the system.
Suzić et al.47 applied PFA in a furniture manufacturing company transitioning to mass customization, highlighting the synergy of PFA with group technology. The complexity of the production system is not the focus; the incidence matrix has dimensions 10 × 16.
Hameri16 showcases PFA’s applicability to back-office processes and services, beyond manufacturing, emphasizing its ability to reduce non-value-adding operations, improve flow and reduce process variability. According to him, PFA is a practically proven method for simplifying complex flow systems and transforming functional layouts into product-oriented ones. Despite that, its limited adoption warrants further research and application16. This present paper addresses this gap, differing from existing literature by dealing with flexible machines (instead of functional) and technological restrictions, such as size of the parts processed in each machine.
Method and development
Research steps, validity and proposed approach
The development of this research followed the steps of traditional frameworks for modelling and simulation studies, e.g48,49. , namely: model conceptualization and data collection, model translation and validation, solutions proposal and validation.
The data collection of active products, process routings, machinery, demand plan etc. was done by means of official reports, direct observation, data extraction from the company’s ERP system and spreadsheets, and interviews with the managers of the areas involved, with verification and validation of these data by a second respondent from the same department. The proposed solutions were validated by the managers of each department and by the company’s management. Triangulation was carried out by comparing the documentary data with interviews carried out with more than one respondent.
After data collection, the cell formation real problem was solved according to the steps depicted in Fig. 3. During this process, the people involved with the problem in the company were contacted to validate steps and provide additional necessary information.
The complexity of the problem (first block of Fig. 3) was evaluated according to the metrics presented in Sect. Complexity of manufacturing systems. Then, based on the collected data, the conventional part-machine data was set, and the ROC (Rank Order Clustering) algorithm was applied for clusterization, which yielded no feasible solution. Thus, the FFA was applied, according to the steps presented in Sect. Literature review, and a new part-machine incidence matrix was set, after the simplification of the overall production process. With this matrix, the algorithm still could not find a feasible (and acceptable) solution, due to the presence of multifunctional machines that could perform several different operations in the production routings. Then, an incidence matrix based on the parts and the operations of the routings that were simplified by FFA was proposed. The GA procedure (of PFA) was applied to this matrix, using the ROC clustering algorithm, and yielded a feasible solution, with clustering efficiency of 97.4% and 87.5% for tube and rod manufacturing, respectively. The machines had to be allocated to the group of parts formed, i.e., to the operations of each group, as an additional step, based on their capabilities, on the part sizes and other relevant criteria, attempting to avoid the need of machine duplications. Finally, the load of the formed cells was checked and some machines (and/or parts) were reallocated to balance the load and attend financial targets. Although applied to a case study, this methodological approach presented in Fig. 3 is generic enough to be applied to other complex real cases of cell formation. As already discussed in the introduction and literature review, the papers do not usually treat these additional steps to the clustering problem itself. This framework is a practical contribution of this study. These described steps will be detailed in the following sections.
Context and problem characterization
For PFA development and modeling, a multinational manufacturer of hydraulic cylinders serving major OEMs in construction, agriculture, and forklift sectors was selected. The company is a world leader in its industry and has units in Europe, Asia and the Americas. The research unit, a medium-sized facility, has diverse product types (97 different types) with moderate to low production volumes, and with different specifications of weight and dimension. For 39 types, the annual production volume ranges from 100 to 499 units, and for 36 types, it ranges from only 10 to 99 units. The complete data of product variety and production volume is presented in supplementary Table S1.
The main parts of the cylinder, tube and rod, are manufactured in-house; other parts are purchased. Manufacturing is performed in two job shops, one for tube and another for rod production, with complex, non-linear flows. It is followed by the process of washing, assembly, testing, painting, and packaging. The data used for the study refer to the expected annual demand based on customer reports, totaling 44,962 cylinders.
A semi-structured interview with the company’s Manufacturing and PPC manager provided insight into the production scheduling process. The medium and short-term scheduling relies on customer demand forecasts managed by the Commercial area. The PPC team then schedules daily assembly for 30 days and weekly from the second to sixth months. This is termed the Master Production Scheduling (PMP) and is reviewed weekly. Based on PMP, MRP is run fortnightly to generate raw material needs. Shop floor scheduling uses spreadsheets, as described as follows.
-
Raw material cutting: scheduled separately based on lead times (cutting is performed in an independent plant).
-
Tube and rod manufacturing: schedule based on the bottleneck process and daily assembly needs, with daily and mid-shift reviews.
Challenges of the tube and rod scheduling include inaccuracy of information about manufactured batches, due to lack of Manufacturing Execution System (MES), errors in spreadsheet-based scheduling, and varying customer demand management methods. The existence of high variety of parts (97 tubes and 97 rods), of 32 process routings, of 41 machines, and of different customers makes the scheduling considerably complex (see supplementary Table S2). High rescheduling frequency (daily), attributed to planning errors, raw material shortages, customer interference, maintenance, and quality issues, leads to logistics and customer complaints.
Based on the classification presented by Santos and Araújo Jr15 (Sect. Complexity of manufacturing systems), the cell formation problem for this production system can be considered “very large” according to the number of parts (products) and “large” according to the number of machines. Using the expression shown in Sect. Complexity of manufacturing systems, there would be (194!)6 scheduling combinations. Even if the number of process routings is considered, instead of number of jobs, the resulting combinations would be (32!)6, still very high. These calculations allow assessing the complexity of the problem, the first step of the methodological approach proposed in Sect. Research steps, validity and proposed approach (Fig. 3).
The scheduling problem’s large scale makes spreadsheet scheduling unfeasible or unsatisfactory. Scheduling decisions are made based on the factory’s leadership instantaneous vision of machines that are underutilized. This local and subjective view can be quite biased and deleterious to performance goals like reducing throughput times and minimizing lateness. System’s specificities add complexity to the problem. The products are grouped in the company by their type of field application: agricultural cylinders are smaller, application in the field is less aggressive (37 products); construction cylinders are larger, and application in the field is more aggressive (49 products); forklift cylinders are long in relation to diameter, which is small, and application is less aggressive (11 products). These field applications imply different requirements in terms of production process, e.g., some CNC machines only handle smaller parts, while others can machine big diameters or long parts. Due to field application requirements and geometry, some parts require automated welding or friction welding, while others require manual welding. Thus, the clustering for cell formation problem must not only consider similarity of routings or operations, but also geometric features of the parts. Furthermore, distinct and non-consecutive operations in a given routing can be executed by the same universal machine (like a CNC center); on the other hand, a given operation in a routing can be executed by several parallel machines that are not identical, and that can handle different part sizes. All these conditions, here called technological constraints or technological features, involve the CNC lathes (CNC-XX), the manual welding machines (MSM-XX), the welding robots (RSM-XX) and the machining centers (CUV-XX), and lead to an incidence part-matrix where there is no one-to-one/biunivocal correspondence between part and machine or between operation and machine. In hypothetical cell formation problems or in scenarios where machines are more functional-specific, the incidence part-matrix has this one-to-one correspondence.
Following the second block of the proposed approach (Fig. 3), an initial part-machine matrix was raised, and the ROC algorithm was applied to it, yielding no feasible solution and many exceptional parts, i.e., black sheeps, highlighted in orange in Fig. 4 (for rod manufacturing) and in Supplementary Fig. S1 (for tube manufacturing). Clustering efficiency, calculated according to Eq. (1)39, was of 77% and 82% for tubes and rods clustering, respectively.
where \({e}_{p}\) is the number of exceptional parts and \({n}_{z}\) is the number of non-null entries in the diagonal blocks of the matrix.
It is important to highlight that, to obtain an incidence matrix with this one-to-one correspondence between part and machine, like in Fig. 4, a previous allocations of machines to some operations in the routings of the parts had to be done based on human judgment. For instance, for the part/routing 19 shown in the first row of Fig. 4, the machine CNC-31 executes an end turning operation that could also be performed by machines CNC-37, CNC-34, CNC-25 and CNC-20, which are parallel machines that are not all identic. This previous allocation was done to force the one-to-one correspondence in the matrix, because this is an initial condition usually required by the clustering algorithms, and the allocation is based on arbitrary or empiric criteria. This means that the complexity and the technological features of the problem are not fully represented in this matrix, and the solution obtained is not benefiting from the fully deployment of a systematic approach or algorithm. In other words, this human intervention in the initial setting of the problem biases the initial conditions and may prevent the algorithm applied subsequently to find a good solution.
To handle the situation described, the clustering algorithm was applied to an incidence matrix with the manufacturing operations in the columns, rather than machines, but this yielded only 70% and 64.8% of clustering efficiency for tubes and rods, respectively. The system characteristics thwarted both clustering attempts, showing the need of prior simplification, i.e., the application of FFA, according to block 4 of the approach proposed in this paper (Fig. 3).
The presented clustering efficiency measure was employed for its simplicity. A thoroughly discussion of alternative measures is presented by Sarker and Khan50.
Application of FFA
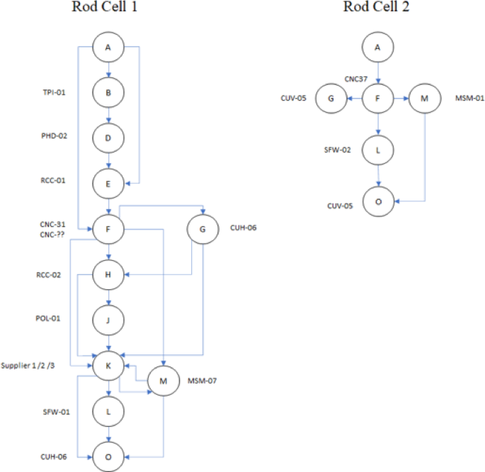
Following Burbidge’s14 methodology, the FFA is designed to simplify the flow in the factory-level before grouping parts into families and machines into cells. The FFA application started at step 3 listed in Sect. PFA, since the division into departments already existing in the factory was adopted, i.e., 1 department for tube manufacturing and 1 department for rod manufacturing. The machines were already allocated to these departments (step 2). Step 3 of FFA requires de determination of the process routing number (PRN) of each part. The production routings raised for rod manufacturing are shown in Fig. 5, and for tube manufacturing, in Supplementary Fig. S2. The Product Routing Numbers (PRNs) are obtained based on the codes (letters) for each operation (e.g., rod route 1 for rod manufacturing is ABDEFHJKL). In the matrix of Fig. 5, it should be noted that some operations can be performed by parallel non-identical machines, and that some groups of machines (e.g. CUV-XX, CNC-XX, POL-XX) execute more than 1 type of operation, appearing in the product routings more than once. This reflects the complexity and technological constraints of the problem, that differentiate it from “standard” hypothetical cell formation problems, as already commented. The analysis of parts based on PRN (step 4 of FFA, Sect. PFA) requires raising the volumes of parts that follow each PRN. The results can be seen in Table 1. Step 4 of FFA also includes drawing the flowcharts of the current flow (as-is situation), showed in the Supplementary Fig. S3. The flowcharts show a turbulent and complex flow.
The design of the simplified flow (step 5 of FFA) is aided by the computation of From/To matrices, which show the frequency of transfers, in volume of parts, between the operations for tube (Supplementary Fig. S4) and rod manufacturing (Fig. 6). The relationships that occur with high and medium frequency are marked in yellow and green, respectively. In the case of rods, for example, the sequence of operations ABDEFHJKL shows high frequency.
By identifying the highest From/To relationships between operations, simplified flowcharts were created (step 5 of FFA), focusing on the most significant PRNs that represent 80% of the products (Fig. 7). Table 2 highlights process routings included in the simplified flowchart, with others marked as exceptions (step 6 of FFA, determining products that are exceptions). Despite its high volume, route 1 for tube manufacturing is considered an exception as it presents a setback in the flow, from operation E to F (see Fig. 7; Table 2).
Table 3 illustrates the Home/Away technique17,51 used to incorporate PRNs outside the simplified flowchart by eliminating or replacing operations (step 7 of FFA). The “Dept Away” and “Away Operation” indicate the operations in the routing that disturb the unidirectional flow, i.e., which introduce a setback or deviation, so that the routing does not follow the existing simplified flows. The column “Changes” describes technological measures that can eliminate the “away operation” or adapt it to an existing operation or machine. These changes were raised by means of brainstorming sessions with the company’s Process Engineering team, and are a very important qualitative step of FFA, to reduce complexity and allow a feasible solution of the cell formation problem, which will be set in a subsequent step. This qualitative step is a way of handling some of the technological constraints of the real problem that impose high variety of routings.
The adjustments reduced routings from 12 to 10 for tube manufacturing and from 20 to 16 for rods. The “machine load evaluation”, step 8 of the FFA, was skipped, since it would be ineffective to do it for a functional layout. Load evaluation was carried out after clustering in the GA step. Similarly, step 9, “specification of standard interdepartmental flow systems” was skipped because the flow will be substantially changed in the GA step.
Application of GA
The application of GA starts with “renumbering of operations in the process routings” (see first column of Fig. 8) and “classification of routings into packs” (Sect. PFA). Routings were already associated to packs in FFA level, since some routings apply to more than one different part. Step 3 of GA, “design of the part-machine incidence matrix and definition of families and groups” overlaps with steps 5 an 6 of the overall methodological approach proposed in this paper.
The simplified flowcharts led to the part-machine incidence matrices shown in Fig. 8 and Supplementary Fig. S5. The “XX” in the matrix cell indicates a machine executing two different operations for a pack/routing. This production system’s features pose challenges to cell formation: some machines are multifunctional, unlike in traditional clustering problems in which they have specific functions; moreover, some products revisit the same machine for different operations, and there are product size and geometry constraints, as already discussed in the problem characterization (Sect. Context and problem characterization). To generate this incidence matrix with one-to-one relationship between part and machine, machines were allocated to operations based on the empiric knowledge of the people knowledgeable about the production planning and control system, similarly to what was done in the application of step 2 of the general methodological approach (Fig. 3), as described in Sect. Context and problem characterization. Allocation criteria included type of operation, capacity, and product size.
ROC algorithm was applied. As known, it treats each row as a binary number and sorts rows and columns in descending order until no further changes occur. ROC was chosen for its simplicity. The goal is to generate a good solution, in combination to the other steps of the overall approach, rather than optimizing a specific criterion.
However, even the application of ROC to part-machine matrices simplified by FFA did not yield a feasible solution. The attempt to see the formed groups as diagonal blocks in the solution matrix (see Supplementary Fig. S6 and S7) still reveals the existence of many black sheeps.
Thus, the incidence matrices were defined in terms of operations rather than machines because, in PFA, the groups are first formed based on the routings, then the machines are allocated to the families, as a subsequent step. This corresponds to step 9 of the overall methodological approach (Fig. 3), and helps to cope with the multifunctional machines, which lead to a part-machine matrix without a one-to-one relationship between part and machine, as already discussed. The application of the ROC algorithm to these matrices resulted in a feasible group formation (Fig. 9 and Supplementary Fig. S8).
Two groups each are identified for tube and rod manufacturing, highlighted in the matrices. In the rod matrix, most routings include “Cutting” and “End turning” operations. Thus, “Cutting” will be set as a service center distributing parts to all cells, while “End turning” will be incorporated into cells if sufficient machines are available. “Cutting” and “Drilling” in the tube matrix will be treated similarly. In the rod matrix (Fig. 9), there is an overlap of only 1 operation (friction welding), which must be executed in both cells. For the tube matrix (Supplementary Fig. S8), 5 operations are overlapped. The feasibility of allocating machines for such operations to both cells will be evaluated in the next step. The clustering efficiency coefficients for tube and rod manufacturing are, respectively, 97.4% and 87.5%, compared to 70% and 64.8% before FFA application (see Sect. Context and problem characterization). Despite these feasible solutions, some black sheeps remain. The treatment of these exceptions is step 5 of GA application (Sect. PFA). For rods, black sheeps that must go through “Jig Boring” and “Milling/Drilling” operations can be solved by adding an extra machining center to the yellow cell, if available. Black sheeps that require “Manual Rod Eye/Accessories Welding” can be accommodated by adding a welding booth to the yellow cell. For tubes, pack 7 requires “Cap Robot Welding,” which can be addressed by adding a robot or developing it as a manual process. Thus, cells were defined as:
-
Tube cell 1: routings 1, 3, 4, and 10.
-
Tube cell 2: routings 5, 6, 7, 8, 9, and 11.
-
Rod cell 1: routings 1, 4, 6, 9, 12, 14, 17, and 19.
-
Rod cell 2: routings 2, 3, 5, 8, 13, 15, 16, and 18.
Supplementary Fig. S9 and S10 display initial machinery allocation based on dimensional constraints of the parts to be processed in each group. In other words, the available CNC lathes and machine centers operate within different dimensional ranges, and the machine allocation considered the dimensional features of the parts/routings grouped in each cell. With the FFA approach and the part-operation approach for the incidence matrix (step 9 of Fig. 3), these technological constraints are treated after clustering, and not before it, as it is done in some conventional approaches (refer to Sect. Context and problem characterization for this discussion).
To verify the viability of this allocation, a machine load study was conducted (step 4 of GA – Sect. PFA and step 10 of the proposed approach – Fig. 3, Sect. Research steps, validity and proposed approach) with the following parameters: expected annual demand for each product, based on customer reports; 1 work shift of 8.25 h a day (company’s policy); calendar days; efficiency indicator (OEE) of 85%; processing time for each operation calculated as an average for all parts with a common routing weighted by production volumes; historical data of setup (time and quantity). Figure 10 displays the results; the bars corresponding to “peak of utilization” consider the month with highest load in the analyzed period.
In both rod cells and tube cell 1, there is temporary overload in months of highest demand, but since no work center presents overload on average, this can be managed by anticipating production or doing overtime. To reduce cap manual welding in tube cell 2, robotic welding should be developed for some tubes. This technological constraint arose due to load balance (i.e. economic) requirements. The change would bring additional benefits, since the robotic process yields better quality and higher productivity. The low utilization of the rod eye manual welding stations is not a critical issue, since there is no large equipment in this station, and labor can be shared by the two rod cells.
The machinery allocation stage of GA exposed another technological constraint: two CNC lathes are required in rod cell 1, and one of them should handle long-length rods. However, the lathe with these features (CNC-37) is already allocated to rod cell 2 (see Supplementary Fig. S10), which manufactures large rods. To address this, the company may consider acquiring another large CNC lathe similar to the existing one in cell 2, which would be economically viable with an estimated 84% utilization rate. The final configuration of each cell, including volumes and product quantities, is presented in Supplementary Tables S3 and S4. Figure 11 and Supplementary Fig. S11 show the final flow in the cells. Some parts skip workstations, however, the flows are predominantly unidirectional, with no setback.
Results and discussion
This real case showed that, without FFA simplification steps, there was no convergence towards a feasible solution for cell formation, as a high number of black sheeps occurred. This was discussed in Sect. Context and problem characterization. Clustering efficiency coefficients of 70% and 64.8% (for rod and tube manufacturing, respectively) confirm this fact. Coefficients of 97.4% and 87.5% were obtained after simplifying the flow/routings. This difference is mainly due to the fact that FFA reduced the number of different routings/flows, and gave a predominant direction to some flows, reducing setbacks. Parts with technological constraints/features required different operations, deviating from the main stream. Focusing on the operations and parts identified in the home/away analysis of FFA, processes, tools, fixtures and raw materials were adapted, forcing the manufacturing of these special parts to adhere to existing routings. As a result, the incidence matrix was simplified and a better solution was found.
In production systems with several parallel machines and machines with functional flexibility, the clustering attempt based on the part-machine matrix may not yield the best solution (clustering efficiency 78.9% and 78.8% in the case). This occurs because, in these cases, the incidence matrix does not present a one-to-one relationship between part and machine, and prior machine allocation based on human judgement has to be carried out to generate a one-to-one incidence matrix. This is detailed discussed in Sect. Context and problem characterization. Better performance was achieved when the clustering algorithm was applied to the part-operation incidence matrix (97.4% and 87.5% of clustering efficiency), with machinery allocation as a subsequent step.
The numbers of parts (n) and machines (m) of the original job shop led to classify it as a “very large” group technology problem, considering the complexity assessment of Santos and Araújo Jr15, discussed in Sect. Complexity of manufacturing systems. Moreover, the number of different routings (32) and the average number of machines per routing (6) led to (32!)6 possible scheduling combinations. The formation of cells led to a considerable reduction in the scheduling complexity. Rod Cell 1, with 8 different product routings and 6 machines in each routing, on average, is the most complex in terms of scheduling. This gives (8!)6 scheduling combinations, versus (32!)6 of the original job shop. The complete data about the dimensions of the cells and their scheduling complexity is presented in Supplementary Table S5.
Other benefits expected with implementation of cellular manufacturing are:
-
Flexibility: with less product variety per cell/resource, the greater is the possibility of manufacturing all products in a shorter period.
-
Setup: with higher product similarity, set up times between changeovers tend to decrease; besides, the necessary tools, gigs and fixtures can be kept within the cell.
-
Work in process: reduction in setup times allows lot size reduction, which lead to lower work in process and higher flexibility. The closeness of the machines and the simplification of scheduling in the cells also allow overlapping operations.
-
Lead time: Less work-in-process and overlapping will result in substantially shorter lead times/throughput times.
All these points are consolidated gains resulting from cell manufacturing5,10,11,21,26,52,53.
The 90s witnessed a boom of cellular manufacturing research and practice. But more than 10 years later, Dixit and Gupta54 surveyed the status of cellular manufacturing implementation in India, and found that only 14.8% of the companies were using it. Human related issues, such as workers’ resistance and influence of trade unions were pointed out as the main barriers to it, but lack of knowledge about group technology (GT) principles and techniques was also highlighted as a relevant barrier. The presented case was developed in a plant in Brazil of a company headed in India. Thus, the reality depicted by Dixit and Gupta54 might also hold to an emerging country like Brazil. Their findings show that the dissemination of GT techniques, especially the ones that are applied to practical situations and constraints, is still relevant.
As already mentioned in this study and highlighted by Hameri16, PFA is not widely used, despite its established history. The cellular manufacturing body of knowledge is very focused on optimizing clustering algorithms of hypothetical production systems and has neglected the challenge of dealing with large problems with technological constraints and black sheeps. For clustering itself, there are several options, but obtaining an incidence matrix that allows a feasible solution and handling exceptions are challenges that require data pre-processing and post-processing, as well as technical and practical experience of the staff involved. Furthermore, the traditional cell formation problem addresses machines with a given functional specificity. Approaches must be adapted to deal with universal and multifunctional machines, as done in this paper. Therefore, the presented work contributed with an empirical study that addresses restrictions, exceptions, and other difficulties of a real manufacturing environment, indicating how to deal with them. Bertrand and Fransoo55 verified that model-based descriptive empirical research in operations management is quite limited. The cellular manufacturing/group technology subfield follows this general trend, and the predominance of axiomatic research is clearly seen. This study seeks to broaden the existing body of knowledge in relation to empirical research (descriptive and prescriptive).
Conclusion and contribution
PFA is a hierarchical and stepwise method that aid in practical cell formation. The cell formation problem is widely studied in hypothetical systems, and the articles bring improved algorithms, however, they hardly address practical constraints/specifics of a real manufacturing system. Studies, whether of hypothetical or real systems, most often only address the GA stage of PFA (i.e., only the clustering itself), not considering the FFA step. This previous step may result in a relevant simplification of the problem.
This empirical research sought to present the results of applying the FFA prior to GA. Such application improved the cell formation by reducing the quantity and complexity of the production routings, reflecting into the clustering efficiency coefficient. In real problems, the absence of FFA may prevent the achievement of a feasible solution by the clustering algorithms. The PFA/FFA is a hybrid method that combines both algorithms and qualitative human judgment, in a systematic way, extracting the best competences of these two sides to solve real problems.
In practical problems, the definition of the incidence matrix can increase or reduce the possibility of good cell formation. In this case, where there were many parallel machines and universal/multifunctional machines, a better result was obtained with an incidence matrix in terms of parts and operations, with allocation of machines to each operation made after clustering.
Although this study presents the PFA modeling of a single case, it can be a guide for managers of job shop-type companies, presenting the modeling steps in detail and ideas to overcome technological constraints or requirements, such as parts with different dimensions, features requiring special processes, multifunctional machines that execute non-consecutive operations in the routings, non-identical parallel machines that can execute a given operation, etc. The methodological approach presented in Sect. Research steps, validity and proposed approach is general enough to be followed by these companies, and is a contribution of this present study.
As academic contribution, the study addresses the dearth of empirical research about the application of PFA and clustering to real manufacturing systems of large dimensions and with specific conditions. This gap was identified by means of a literature review and was pointed out in previous research. In this field, there is abundant research devoted to improve clustering algorithms (usually metaheuristics) and optimize specific criteria (normative axiomatic research). This type of research certainly has its value and relevance; however, real cases usually do not match the ideal conditions required for the direct application of such algorithms.
The results confirm that PFA is effective to treat complex production systems, with great variety of products and routings, multifunctional machines and practical constraints, making the cell formation feasible and bringing the accompanying benefits extensively discussed in the literature.
As opportunities for future research, the following points can be listed:
-
Application of FFA/GA in environments with even greater numbers of machines, processes, routings and products, and with different constraints;
-
Simulation of the functioning and scheduling of the proposed cells;
-
Study of cases considering reconfigurable/virtual cells, with temporary machinery allocation depending on the mix and load variation of the plant; studies considering reconfigurable machine tools (RMT);
-
Adding detailed scheduling data to this proposed problem and testing different clustering algorithms to optimize specific performance indicators (load balancing, tardiness reduction, setup time reduction);
-
Employing machine learning methods (e.g. Kohonen networks) to automate or enhance some FFA steps, e.g. for clustering the routings and simplifying the flow, and in the GA block, for final part-machine or part-operation clustering to form the cells. Some steps, however, such as qualitative changes in tools, procedures and fixtures to adapt one operation to into another existing operation, still depend on human judgement/creativity.
Data availability
The datasets generated during and/or analyzed during the current study are available from the corresponding author on reasonable request.
References
Wang, Y., Ma, H. S., Yang, J. H. & Wang, K. S. Industry 4.0: A way from mass customization to mass personalization production. Adv. Manuf. 5, 311–320. https://doi.org/10.1007/s40436-017-0204-7 (2017).
Salehi, M. & Tavakolli-Moghaddam, R. A genetic algorithm-based grouping method for a cell formation problem with the efficacy measure. Int. J. Ind. Syst. Eng. 6 (3), 340–359. https://doi.org/10.1504/IJISE.2010.035016 (2010).
Neufeld, J. S., Teucher, F. F. & Buscher, U. Scheduling flowline manufacturing cells with inter-cellular moves: Non-permutation schedules and material flows in the cell scheduling problem. Int. J. Prod. Res. 58 (21), 6568–6584. https://doi.org/10.1080/00207543.2019.1683251 (2020).
Askin, R. G. & Standridge, C. R. Modeling and analysis of manufacturing systems. Eur. J. Eng. Educ. 19 (1), 125. https://doi.org/10.1080/03043799408928348 (1994).
Deep, K. & Singh, P. K. Design of robust cellular manufacturing system for dynamic part population considering multiple processing routes using genetic algorithm. J. Manuf. Syst. 35, 155–163 (2015) https://doi.org/10.1016/j.jmsy.2014.09.008
Selim, H. M., Askin, R. G. & Vakharia, A. J. Cell formation in group technology: Review, evaluation and directions for future research. Comput. Ind. Eng. 34 (1), 3–20. https://doi.org/10.1016/S0360-8352(97)00147-2 (1998).
Papaioannou, G. & Wilson, J. M. The evolution of cell formation problem methodologies based on recent studies (1997–2008): Review and directions for future research. Eur. J. Oper. Res. 206 (3), 509–521. https://doi.org/10.1016/j.ejor.2009.10.020 (2010).
Adinarayanan, A., Uthayakumar, M. & Prabhakaran, G. Machine cell formation using simulated annealing algorithm in cellular manufacturing system. Int. J. Comput. Eng. Technol. 10 (1–2), 111–125. https://doi.org/10.1504/IJCAET.2018.088833 (2018).
Chu, X. et al. Worker assignment with learning-forgetting effect in cellular manufacturing system using adaptive memetic differential search algorithm. Comput. Ind. Eng. 136, 381–396. https://doi.org/10.1016/j.cie.2019.07.028 (2019).
Sudhakarapandian, R. Application of soft computing techniques for cell formation considering operational time and sequence. PhD diss. (National Institute of Technology Rourkela, 2007). http://ethesis.nitrkl.ac.in/11/
Klausnitzer, A., Neufeld, J. S. & Buscher, U. Scheduling dynamic job shop manufacturing cells with family setup times: A simulation study. Logist Res. 10 (4), 1–18. https://doi.org/10.23773/2017_4 (2017).
Brusco, M. J. An exact algorithm for maximizing grouping efficacy in part–machine clustering. IIE Trans. 47 (6), 653–671. https://doi.org/10.1080/0740817X.2014.971202 (2015).
Diabat, A., Dolgui, A., Janiak, W. & Kovalyov, M. Y. Three parallel task assignment problems with shared resources. IISE Trans. 52 (4), 478–485. https://doi.org/10.1080/24725854.2019.1680907 (2020).
Burbidge, J. L. Production flow analysis. Prod. Eng. 50 (4.5), 139–152 (1971).
Santos, N. R. & Araújo, L. O. Jr. Sistema de tecnologia de grupo: Um Estudo de Caso Através de análise do Fluxo Da produção. Prod 9 (1), 65–82. https://doi.org/10.1590/S0103-65131999000100007 (1999).
Hameri, A. Production flow analysis—Cases from manufacturing and service industry. Int. J. Prod. Econ. 129 (2), 233–241. https://doi.org/10.1016/j.ijpe.2010.10.015 (2011).
Burbidge, J. L. The first step in planning group technology. Int. J. Prod. Econ. 43 (2–3), 261–266. https://doi.org/10.1016/0925-5273(96)00027-8 (1996).
CNA - CONFEDERAÇÃO DA AGRICULTURA E PECUÁRIA DO BRASIL. PIB do agronegócio tem crescimento recorde de 24,31% em 2020. Brasília, 11 de mar. (2021). https://www.cnabrasil.org.br/noticias/pib-do-agronegocio-tem-crescimento-recorde-de- 24-31-em-2020.
ANFAVEA - National association of motor vehicle manufacturers. Máquinas agrícolas e rodoviárias - Produção, vendas internas no atacado, exportações em unidades, exportações em valor e emprego (2021). https://anfavea.com.br/site/edicoes-em-excel/
ABIMAQ - ASSOCIAÇÃO BRASILEIRA DA INDÚSTRIA DE MÁQUINAS E EQUIPAMENTOS. Painel Mensal (ABIMAQ, 2021).
Singh, N. Design of cellular manufacturing systems: An invited review. Eur. J. Oper. Res. 69 (3), 284–291. https://doi.org/10.1016/0377-2217(93)90016-G (1993).
Rabbani, M., Jolai, F., Manavizadeh, N., Radmehr, F. & Javadi, B. Solving a bi-objective cell formation problem with stochastic production quantities by a two-phase fuzzy linear programming approach. Int. J. Adv. Manuf. Technol. 58 (5–8), 709–722. https://doi.org/10.1007/s00170-011-3413-4 (2012).
Boutsinas, B. Machine-part cell formation using biclustering. Eur. J. Oper. Res. 230 (3), 563–572. https://doi.org/10.1016/j.ejor.2013.05.007 (2013).
Sayadi, M. K., Hafezalkotob, A. & Naini, S. G. Firefly-inspired algorithm for discrete optimization problems: An application to manufacturing cell formation. J. Manuf. Syst. 32 (1), 78–84. https://doi.org/10.1016/j.jmsy.2012.06.004 (2013).
Lian, J., Liu, C., Li, W., Evans, S. & Yin, Y. Formation of independent manufacturing cells with the consideration of multiple identical machines. Int. J. Prod. Res. 52 (5), 1363–1400. https://doi.org/10.1080/00207543.2013.843797 (2014).
Hyer, N. & Wemmerlov, U. Reorganizing the Factory: Competing Through Cellular Manufacturing (CRC, 2001).
İç, Y. T., Ağca, B. V. & Yurdakul, M. Partitioning of a manufacturing system into machine cells—a practical application. Evol. Syst. 12, 423–438. https://doi.org/10.1007/s12530-019-09301-9 (2021).
Gupta, A., Jain, P. K. & Kumar, D. A novel approach for part family formation using K-means algorithm. Adv. Manuf. 1, 241–250. https://doi.org/10.1007/s40436-013-0032-3 (2013).
Nair, G. J., Narendran, T. T. & CASE A clustering algorithm for cell formation with sequence data. Int. J. Prod. Res. 36 (1), 157–180. https://doi.org/10.1080/002075498193985 (1998).
Ghosh, T., Sengupta, S., Chattopadhyay, M. & Dan, P. Meta-heuristics in cellular manufacturing: A state-of-the-art review. Int. J. Ind. Eng. Comput. 2 (1), 87–122. https://doi.org/10.5267/j.ijiec.2010.04.005 (2011).
Joines, J. A., Culbreth, C. T. & King, R. E. Manufacturing cell design: An integer programming model employing genetic algorithms. IIE Trans. 28 (1), 69–85 (1996).
Burggräf, P., Wagner, J. & Heinbach, B. Bibliometric study on the use of machine learning as resolution technique for facility layout problems. IEEE Access. 9, 22569–22586. https://doi.org/10.1109/ACCESS.2021.3054563 (2021).
Vitayasak, S. & Pongcharoen, P. Competitive learning and dynamic genetic algorithms for robust layout designs under uncertainties. In Int Conf Swarm Intell, 195–207 (Springer, 2023).
Tariq, A., Javaid, W., Shahzad, W., Yasir, M. & Iqbal, S. A hybrid PSO based algorithm for solving the Machine-Part cell formation problem. J. Sci. Ind. Res. (JSIR). 83 (7), 748–760 (2024).
Buruk Sahin, Y. & Alpay, S. Integrated cell formation and part scheduling: A new mathematical model along with two meta-heuristics and a case study for truck industry. Sci. Iran. 31 (11), 888–905 (2024).
Mo, F., Rehman, H. U., Monetti, F. M., Chaplin, J. C., Sanderson, D., Popov, A. & Ratchev, S. A framework for manufacturing system reconfiguration and optimisation utilising digital twins and modular artificial intelligence. Robot. Comput.-Int. Manuf., 82, 102524 (2023).
Golmohammadi, A. M., Rasay, H., Amiri, A., Solgi, Z. & Balajeh, N. M., Soft computing methodology to optimize the integrated dynamic models of cellular manufacturing systems in a robust environment. Math Probl Eng, 3040391 (2021). (2021).
Turing, A. Intelligent Machinery (Springer, 1948).
Sipper, D. & Bulfin, R. L. Production, Planning, Control and Integration (McGraw-Hill, 1997).
Jacobs, F. R., Berry, W. L., Whybark, D. C. & Vollmann, T. E. Manufacturing Planning and Control for Supply Chain Management: APICS/CPIM Certification Edition (McGraw-Hill Education, 2011).
Mikell, P. Automação Industrial E Sistemas De Manufatura [Industrial Automation and Manufacturing Systems] (Pearson Education do Brasil, 2011).
Harhalakis, G., Minis, I. & Nagi, R. Development and application of a knowledge based system for cellular manufacturing. Institute for Systems Research Technical Reports (1989). http://hdl.handle.net/1903/4908
Arvidh, B. & Irani, S. A. Cell formation: The need for an integrated solution of the subproblems. Int. J. Prod. Res. 32 (5), 1197–1218. https://doi.org/10.1080/00207549408956995 (1994).
Irani, S. A. & Ramakrishnan, R. Production flow analysis using STORM. In Planning, Design, and Analysis of Cellular Manufacturing Systems (ed. Kamrani, A. K., Parsaei, H. R. & Liles, D. H.) 299–349 (Elsevier, 1995).
Kesavadas, T. & Ernzer, M. Design of an interactive virtual factory using cell formation methodologies. J. Adv. Manuf. Syst. 2 (2), 229–246. https://doi.org/10.1142/S0219686703000332 (1995).
Santos, N. R. & Araújo Jr., L. O. Computational system for group technology–PFA case study. Integr. Manuf. Syst. 14 (2), 138–152. https://doi.org/10.1108/09576060310459438 (2003).
Suzić, N., Stevanov, B., Ćosić, I., Anišić, Z. & Sremčev, N. Customizing products through application of group technology: A case study of furniture manufacturing. Strojniški vestnik-J Mech. Eng. 58 (12), 724–731. https://doi.org/10.5545/sv-jme.2012.708 (2012).
Banks, J. Handbook of Simulation: Principles, Methodology, Advances, Applications, and Practice (Wiley, 1998).
Taha, H. A. Pesquisa Operacional [Operational Research] (Pearson Prentice Hall, 2008).
Sarker, B. R. & Khan, M. A comparison of existing grouping efficiency measures and a new weighted grouping efficiency measure. IIE Trans. 33 (1), 11–27. https://doi.org/10.1080/07408170108936803 (2001).
Burbidge, J. L. Production flow analysis for planning group technology. J. Oper. Manag. 10 (1), 5–27. https://doi.org/10.1016/0272-6963(91)90033-T (1991).
Daita, S. T., Irani, S. A. & Kotamraju, S. Algorithms for production flow analysis. Int. J. Prod. Res. 37 (11), 2609–2638. https://doi.org/10.1080/002075499190680 (1999).
Rafiei, H. & Ghodsi, R. A bi-objective mathematical model toward dynamic cell formation considering labor utilization. Appl. Mathl Model. 37 (4), 2308–2316. https://doi.org/10.1016/j.apm.2012.05.015 (2013).
Dixit, A. R. & Gupta, M. Current status, enablers & barriers of implementing cellular manufacturing system in Indian industries. Adv. Manuf. 1, 346–356. https://doi.org/10.1007/s40436-013-0048-8 (2013).
Bertrand, J. W., Fransoo, J. C. & Modelling and simulation in Research methods for operations management (ed. Karlsson, C.) 306–346 (Routledge, 2016).
Acknowledgements
This study was financed, in part, by the São Paulo Research Foundation (FAPESP), Brazil, process #2019/12023-1, and by the National Council for Scientific and Technological Development (CNPq), process #302011/2025-0. The publication was financed by the São Paulo Research Foundation (FAPESP), Brazil, process #2025/20029-0. The opinions, hypotheses, conclusions, or recommendations expressed in this material are the responsibility of the authors and do not necessarily reflect the views of FAPESP.
Author information
Authors and Affiliations
Contributions
G. P. was responsible for the acquisition, analysis and interpretation of data, prepared the figures and have drafted the work.J. K. S. was responsible for the conception and design of the work, aided in the interpretation of data and substantively revised the work.
Corresponding author
Ethics declarations
Competing interests
The authors declare no competing interests.
Additional information
Publisher’s note
Springer Nature remains neutral with regard to jurisdictional claims in published maps and institutional affiliations.
Supplementary Information
Below is the link to the electronic supplementary material.
Rights and permissions
Open Access This article is licensed under a Creative Commons Attribution-NonCommercial-NoDerivatives 4.0 International License, which permits any non-commercial use, sharing, distribution and reproduction in any medium or format, as long as you give appropriate credit to the original author(s) and the source, provide a link to the Creative Commons licence, and indicate if you modified the licensed material. You do not have permission under this licence to share adapted material derived from this article or parts of it. The images or other third party material in this article are included in the article’s Creative Commons licence, unless indicated otherwise in a credit line to the material. If material is not included in the article’s Creative Commons licence and your intended use is not permitted by statutory regulation or exceeds the permitted use, you will need to obtain permission directly from the copyright holder. To view a copy of this licence, visit http://creativecommons.org/licenses/by-nc-nd/4.0/.
About this article
Cite this article
Petrini, G., Sagawa, J.K. Cell formation in real manufacturing systems with complex flow and technological constraints. Sci Rep 16, 4108 (2026). https://doi.org/10.1038/s41598-025-19562-x
Received:
Accepted:
Published:
Version of record:
DOI: https://doi.org/10.1038/s41598-025-19562-x













