Abstract
Haemonchus contortus remains the main multidrug resistant strongyle threatened livestock productivity. The phytochemical components of green tea beverage (GT) might provide an alternative and sustainable anthelmintic effect. Therefore, this study aimed to evaluate the anthelmintic effect of GT beverage against albendazole resistant H. contortus from naturally infected sheep. Albendazole resistance was detected through egg hatch inhibition assay. Assessment of GT phytochemicals, antioxidant ability, anthelmintic effect and cytotoxicity MTT (dimethylthiazol-diphenyltetrazolium bromide) colorimetric assay were achieved. The GT was of high Total Phenolic Content; 555.32 mg gallic acid equivalents /g. Remarkable GT antioxidant qualities were noted where, 1,1-diphenyl-2-picrylhydrazyl (DPPH) radical scavenging activity (85.14%), DPPH antioxidant activity as 907.57 mg vitamin C/g equivalents, and Ferric Reducing Antioxidant Power (8991.04 µg Trolox/g). High Performance Liquid Chromatography showed rich profile of phenolics mainly catechine (70,190.8 µg/g). A potent anthelmintic activity of the GT was noted at 50 mg/mL; complete inhibition of egg hatchability (LC50; 0.144 mg/mL), significant larval motility inhibition (LC50; 0.127 mg/mL) and severe structural deformity on H. contortus eggs and larvae. Additionally, 100% worm motility inhibition and mortality index 1 were recorded at 400 mg/mL in 2 h incubation (LC50; 13.387 mg/mL). The light and electron scanning microscopy of the treated adult proved distortion in the muscular layer of the cuticle wall with severe degenerative changes. The GT maintained viability of the BJ1 cell lines without cytotoxic effect at (0.78 to 200 µg/mL) concentrations. Overall, green tea beverage could be offered as safe and potent alternative anthelmintic to combat the albendazole-resistance isolates of H. contortus.
Introduction
Sheep farming is one of the crucial sectors for food security purposes all over the world1. Haemonchus contortus is the hazard gastrointestinal strongyles that parasitize the abomasum of various livestock in tropical and subtropical regions2,3,4. It is a highly pathogenic hematophagous nematode causing anemia, hemorrhagic gastroenteritis, appetite depression, hypoprotenemia, and in severe infection, it could prompt sudden death or chronic emaciation5,6.
Over decades, the control of haemonchosis has relied on the utilization of synthetic anthelmintics7. Consequently, the risk of environmental outbreak of the drug residues increased, along with development and mass spreading of resistant populations of helminthes associated with the mal efficacy of anthelmintics8. Multiple studies recognized H. contortus as the resistant strongyle to all anthelmintic drugs, which adversely impacted on livestock production and exaggerated economic losses9.
Exploring the anthelmintic features of plants containing bioactive metabolites is a promising alternative green approach10,11,12.
Green tea: Camellia sinensis L. Kuntze (Theaceae), is a common worldwide beverage exhibited with a broad spectrum of biological activities. The most precious green tea components are catechins, a group of polyphenols of pharmaceutical significance. Green tea acts as an anti-inflammatory agent13, anti-cancer agent14, antihypercholesterolemic15, anti-microbial and antiviral16,17. It can enhance metabolic biomarkers18 and lower body weight19, and it revealed a beneficial effect on cardiovascular diseases20. The polyphenols antioxidant activities are able to scavenge free radicals and reactive oxygen species, maximize the effectiveness of green tea in improving health condition21,22.
Anthelmintic activity of green tea has been tested on Plasmodium berghei23, Leishamania amazonenesis24 and Acanthamoebic castellanii25. Moreover, Zhong et al.26, and Ramdani et al.27, mentioned the ability of dietary green tea supplementations to reduce strongyle worms. Several approaches used to assess anti-parasitic therapeutic potency of plant bioactive compounds, including in vitro anthelmintic assays28, parasitic ultrastructural deformity determinants29 and cell culture assay for toxicity screening30 are needed to understand basic mechanisms, that simulates an in vivo test or clinical use.
The direct anti-nematodal effect of green tea beverage, and the proper concentrations which can eliminate this obstinate parasite without adverse effect on the host are still not clear yet. Therefore, the objective of the present study was to investigate phytochemical composition, antioxidant ability and the potential anthelmintic effect of the green tea cultivated in Egypt, based on the green tea beverage bioactive polyphenolic constituents, against the albendazole resistant H. contortus isolate eggs, larvae and adults as a green candidate for combating haemoncosis in additions determination of the toxicity of the prepared GT via detecting the possible cell viability.
Materials and methods
This study has been approved by institutional guidelines of the National Research Centre’s Animal Research Committee: Medical Research Ethics Committee (the approval number: 13050425). All methods were performed in accordance with the relevant guidelines and regulations.
Plant
Extraction
A permission was taken to collect green tea leaves from National Research Center farm, in Nubaria, Egypt. The plant was identified by botanists in The National Research Centre. The leaves were cleaned manually to remove all foreign materials and dried in the shade. Then, it was blended to powder (0.5 mm) form of a high-speed blender (Braun KMM 30 mill, type 3045, CombiMax, Germany). Green tea leaves powder (10 g) was extracted with 100 mL of ethanol 70% in an ultrasonic device (200 W, 59 kHz, Shanghai Kudos Sonication Machine Company Ltd., China) for 60 min at room temperature. The mixture was then filtered through Whatman no. 4 filter paper, and the filtrate was evaporated under reduced pressure at 30 ˚C until its volume was about 40 mL. The final volume of the extract was made to 50 mL with the extraction solvent and then it was taken out for the analysis31.
Determination of total phenolic compounds
The total phenolics in the GT extract were measured utilizing the Folin–Ciocalteu method according to Ramful et al.32, which was modified by Mahmoud et al.33. After adding 3.5 mL of distilled water and 0.25 mL of Folin–Ciocalteu reagent (Merck) to 0.25 mL of diluted extract (ethanolic extract 70%). In place of plant extract, a blank was made with 0.25 mL of 80% methanol. Three minutes later, one milliliter of 20% sodium carbonate was added. The contents of the tube were vortexed and then incubated in a water bath at 40 °C for 40 min. In comparison to the blank standard, the absorbance of the blue coloring that developed was measured at 685 nm. Calculations of total phenolics were made using the gallic acid standard curve (concentration range: 0–12 µg/mL). Results were expressed as mg of gallic acid per 100 g of plant material.
Antioxidant activities
DPPH radical scavenging activity
To estimate the impact of extracts on 1,1-diphenyl-2-picrylhydrazyl (DPPH) free radicals, Aboelsoued et al.34 provided a method. The absorbance was measured using a spectrophotometer at 517 nm. Ethanol was used as the control in place of the sample. This Eq. (1) was used to determine the DPPH scavenging capacity:
Equation (1) Determination of DPPH scavenging capacity where Ac and As are the absorbance’s at 517 nm of the control and sample, respectively. L-Ascorbic acid solutions as standards were also analyzed by DPPH method. The total antioxidant values of samples were expressed as mg g–1 DW L-ascorbic acid equivalent antioxidant capacity (VCEAC)35.
Determination of Ferric Reducing Power (FRAP) assay
The capacity of phenolics to convert Fe³⁺ to Fe²⁺ is the basis for the FRAP test36. 10 mM TPTZ, 20 mM ferric chloride (10:01:01, v/v/v), and 0.1 M acetate buffer (pH 3.6) were combined to create the FRAP reagent. There were 150 µl of reagent and 20 µl of the previously diluted extract. A microplate spectrophotometer set to 593 nm was used to measure the absorbance. The results were reported as Trolox equivalents in µmoles per 100 g of FW sample.
Determination of individual polyphenols by HPLC
Agilent 1260 series equipment was used for HPLC analysis. Using a Zorbax Eclipse Plus C8 column (4.6 mm x 250 mm i.d., 5 μm), the separation was performed. The mobile phase was made up of 0.9 mL/min of water (A) and 0.05% trifluoroacetic acid in acetonitrile (B). The following is the sequential linear gradient programming of the mobile phase: 0–1 min (82% A); 0–11 min (75% A); 11–18 min (60% A); 18–22 min (82% A); 22–24 min (82% A). 280 nm was the monitoring wavelength for the multi-wavelength detector. Five microliters (µl) were the injection volume for every sample solution. At 40 °C, the column temperature kept constant.
Detection of albendazole resistance
The study conducted on a private farm contained an albendazole resistant H. contortus infection among 150 balady sheep about 6 months to 3 years age, 25–75 kg weight, of different sex, located in Nahya, Giza governorate, Egypt. Animals suffered from repeated helminthes infection, illness with soft feces, weakness, weight loss and pale mucous membranes were noted, despite repeated oral administration of 2.5% albendazole, every 6 months where, the appropriate dose of 2.5% albendazole was determined according to the weight of each animal. Green forages, hay and dry ration were provided to animals with free access of tap water. Animals have not taken any anthelmintics for the last three months of the experiment. Egg hatch test is used to test albendazole resistance using Strongyle eggs collected from sheep. Then, the animals’ slaughtering has been humanely done at Nahya slaughterhouse, Giza province Egypt under the veterinarians’ authority. After that, H. contortus adult worms were utilized for obtaining monospecific resistant H. contortus donor. The farm owner had agreed to participate in this study.
Collection of strongyle eggs
Fecal samples were collected from each sheep and submitted to coprological examination utilizing sedimentation floatation test37. Strongyle eggs were assembled from positive fecal samples28. Briefly, fresh fecal samples were collected, homogenized utilizing a glass rod, sieved using 250, 100, and 25 μm sieves in a salt-saturated solution, and centrifuged at 2000 rpm for 20 min. The suspension of eggs was washed with distilled water three times to get rid of the excess of salt.
Egg hatch inhibition test
The egg hatch inhibition test was conducted as described by von Samson-Himmelstjerna et al.38. Stock solution of 400 µL of albendazole® Pharma Swede, Egypt 2.5% was prepared, and diluted with 9.6 mL of Dimethyl sulphoxide (DMSO) 20%. Different concentrations (25 to 0.012 µg/mL) were prepared by 2-fold serial dilutions, using distilled water (DW) in a 24-well plate. The diluents were used as the control. One hundred strongyle eggs in 10 µL of DW were provided to each well. The test was done in triples. After that, the 24-well plate was tightly sealed using aluminum foil, to prevent dryness, and maintained at 27 °C for 48 h. To stop development of the eggs, about 10 µL of Lugol’s iodine were put per well. The number of unhatched eggs and first-stage larvae (L1) in each well were recorded utilizing inverted microscope (Olympus, CKX53, Japan) at 10× magnification. Mean hatch inhibition was calculated and lethal concentration 50 (LC50) was determined according to Coles et al.28.
Mono-specific albendazole resistant H. contortus eggs and larvae donors
Upon the result of the previous experiment, fecal samples were collected from each infected sheep with albendazole resistant strongyle group, to separately apply fecal culture. Larval identification was done according to Urquhart39. Strongyle infected sheep, with high percentage of resistant H. contortus larvae were selected and humanely slaughtered at Nahia, Giza province Slaughterhouse, to collect resistant H. contortus worm. The collected adult H. contortus females were incubated at 27 ºC for 3 h to permit ovi-deposition. Then, H. contortus eggs culture was performed to obtain the third stage larvae infective6. One free-parasite lamb 5 months age, 20 kg weight was parasitologically examined, kept for 4 weeks in a separate pen. Just before the experimental infection, another coprological investigation was applied to ensure that there was no infection. Then, the lamb was exposed to an oral dosing of 5000 infective resistant H. contortus larvae in 10 mL DW and kept for 21 days. Fecal samples were used for recovery of resistant H. contortus eggs. Copro- culture was done for collection and identification of larvae by the larvoscopic Baermann technique. The infected lamb was humanely slaughtered at Nahya, Giza province abattoir, to collect H. contortus adult worms whereas, they were used for adult motility test and light and electron microscopy scanning.
Anthelmintic efficacy of GT
Egg hatching inhibition
The egg hatching inhibition (EHI) assay was conducted28. Stock solution of GT 1 mg/mL DW was used, by adding 800 µL of the stock solution to 1200µLof DW. Eleven concentrations of the GT (50 to 0.048 mg/mL) were used. One hundred H. contortus albendazole resistant eggs in 20 µL of DW were pipetted into each well of a 24-well plate. Untreated eggs in DW served as negative control. The test was done independently three times and in three technical replicates. Following 48 h of incubation, a drop of 5% Lugol’s iodine solution was added for stopping egg hatching. Unhatched eggs and larvae were recorded using light microscopy examination ×10.
Larval motility inhibition test
Larval motility inhibition (LMI) test was applied according to Hassan et al.10. The H. contortus albendazole resistant larvae were harvested from coproculture. The larva was subjected to several washes by DW, saline, then centrifugation was done for 5 min at 700×g and washed three times with PBS containing streptomycin and penicillin at concentration of 4% and only active motile larvae were utilized. In a 24-well plate, an equal number of freshly collected L3 suspensions (100 larvae/200 µL) were exposed to individual GT at different concentrations (50 to 0.048 mg/mL). Untreated larvae in DW served as negative control. The plate was incubated at 27 °C for 24 h. The number of mobile and immobile larvae were counted using light microscope40. The larvae were being considered motile when they exhibit a mild mobility accelerated by plate agitation and exposure to a light source. The assay was performed independently three times and in three technical replicates. Results were expressed as percentage inhibition of larval motility of tested wells compared to control wells.
The adult motility inhibition
The adult motility inhibition (AMI) test was applied as illustrated by Santos et al.40. The albendazole resistant adult H. contortus worms were collected from the slaughtered sheep abomasa. They were subjected to several washes by DW and saline. Twenty adult worms were treated with different concentrations of GT (400 to 3.125 mg/mL in DW). The control adults were incubated in DW. The test was done independently three times, with three technical replicates for each treatment. The worms were observed at 2, 4, 6 and 24 h intervals, at 37 °C for 24 h (5% CO2) and the number of active motile and immotile worms was recorded for each concentration. The Worm motility inhibition % (WMI) and Immobility Index (%) post 24 h GT exposure was estimated in accordance with the following Eq. (2):
Alterations of adult worm cuticles
Light and Scanning electron microscopy were used for studying the changes in the cuticle of twenty resistant adult isolate post exposure to GT. Ten H. contortus adults were washed utilizing DW then incubated for 6 h, and 24 h at a concentration of 400 mg/mL GT. The worms were moved formalin 10%, dissected, fixed and processed for light microscopy examination41. The mid-body wall was photographed utilizing an Olympus CX41 microscope. For further investigation of ultrastructural changes in cuticle wall, scanning electron microscopy was carried out for 10 worms 24 h GT post exposure where, the washed treated adults were fixed in 4% glutaraldehyde/0.1 M for 24 h and followed the method of Martínez-Ortíz-de-Montellano et al.42.
The cytotoxic activity of the GT
The cytotoxic activity test was detected on normal fibroblast cell line (BJ1) depending upon cell viability assessment by the mitochondrial dependent reduction of yellow MTT (3-(4, 5-dimethylthiazol-2-yl)−2, 5- diphenyl tetrazolium bromide) to purple formazan43. A Laminar flow cabinet biosafety class II level (Baker, SG403INT, Sanford, ME, USA) was utilized under a sterile condition. Cells were put in DMEM-F12 medium, antibiotic-antimycotic mixture of 1%; (10,000U/mL Potassium Penicillin, 10,000 µg/mL Streptomycin Sulfate and 25 µg/mL Amphotericin B) and 1% L-glutamine at 37 °C and 5% CO2. In fresh complete growth medium, cells were cultured for 10 days, after that the cells seeded (10 × 103 cells/well) in 96-well microtiter plates for 24 h, at 37 °C under 5% CO2 utilizing a water jacketed CO2 incubator (Sheldon, TC2323, Cornelius, OR, USA). Media was pipetted, fresh medium (without serum) was added, and cells were incubated either alone (control negative) or with varies concentrations of GT to provide a concentration of (200-100-50-25-12.5-6.25.5.25-3.125-0.78.125.78 and 1.56 µg/mL). Following two days of incubation, medium was aspirated, 40ul MTT salt (2.5 µg/mL) were supplied to each well and kept for further 4 h. For stopping the reaction and dissolution of the formed crystals, 200µL of 10% Sodium dodecyl sulphate in deionized water was used per well and maintained 24 h at 37 °C. DOX were utilized as positive control at 100 µg/mL which cause complete death of cells 100% lethality44. Measurement of the absorbance at 595 nm was done through a microplate multi-well reader (Bio-Rad Laboratories Inc., model 3350, Hercules, California, USA), and a reference wavelength of 620 nm. The vehicle utilized for dissolving GT was DMSO and its final concentration on the cells was less than 0.2%. The alteration percentage in viability of cells was assigned in accordance with the following Eq. (3):
Statistical analysis
The prevalence was presented as a percentage of the number of animals infected in the total number of animals examined. Data were summarized by descriptive statistics for the overall prevalence in sheep. Data obtained from EHA, LMA and AMI were analyzed by ONE Way ANOVA, Duncan’s multiple range tests and SPSS (version 16) computer program. The p value < 0.05 was considered significant. A statistical significance for MTT assay was tested between samples and negative control (cells with vehicle) using independent t-test by SPSS 11 program. A probit analysis was carried out for IC50 and IC90 determination using SPSS 11 program.
Results
Characterization of plant bioactive compounds
Total phenolic compounds (TPC)
The TPC value was 555.32 mg gallic acid equivalents (GAE)/g sample, demonstrated the high polyphenolic component content of green tea.
Antioxidant activities of extracted bioactive compounds
The percentage of DPPH Radical Scavenging Activity value was 85.14%. Green tea extract demonstrated an exceptionally strong capacity to neutralize the free radicals.
Antioxidant activity as mg equivalents of vitamin C/g using DPPH
The equivalent of antioxidant as vit. C was 907.57 mg Vit C/g for the DPPH test expressed in vitamin C equivalents confirms the potency of green tea’s antioxidant activity.
Antioxidant activity using FRAP (Trolox equivalents/g)
With FRAP value was 8991.04 µg Trolox/g, green tea’s potent lowering ability was demonstrated. The ability to convert Fe³ to Fe², which is correlated with electron-donating antioxidant activity, is measured by this test.
Characterization of phenolic compounds by HPLC
The HPLC study of green tea revealed a rich and diverse profile of phenolic compounds, but with significant variance in their quantities (Table 1; Fig. 1). Green tea contains 70,190.8 µg/g of catechin, one of the primary phenols. Catechin is the most common phenolic component found in green tea. This important flavan-3-ol belongs to the catechin family, namely epigallocatechin gallate (EGCG). Gallic acid was in a value of (2125.1 µg/g), which is a derivative of hydroxybenzoic acid, followed by 977.7 µg/g of acid chlorogenic acid. Moderate Levels of Phenolics (100–700 µg/g). The caffeine content (740.9 µg/g), elagic acid content of 494.3% per gm and 412.8 µg of rutin per gm. Phenols with somewhat higher potencies (10–100 µg/g) includes Pyrocatechol (82.8 µg/g) and syringic acid (61.4 µg/g), Daidzein (50.4 µg/g) and quercetin (41.1 µg/g). Phenolics below 50 µg/g, or trace levels includes Rosmarinic Acid (27.5 µg/g), Coumaric Acid (1.8 µg/g), Kaempferol (14.5 µg/g), Hesperetin (5.3 µg/g), Vanillin (14 µg/g), and Cinnamic Acid (2.7 µg/g). These phenolics are only present in trace amounts.
The chromatogram of the green tea leaves beverage.
Albendazole resistance detection
Fecal examination revealed that sheep were infected with strongyle group, larval identification showed that H. contortus larvae was the most infective larvae (113/150) 75.3% followed by Trichostrongylus spp. (22/150) 14.66% and Ostertagia spp. (15/150) 10%. The highest hatch inhibition percentage was detected at an albendazole concentration of 25 µg/mL. Meanwhile, the lowest hatch inhibition percentage was detected at a concentration of 0.012 µg/mL. By decreasing the albendazole concentration, a significant decrease in mean unhatched egg count and the mean egg hatch inhibition percentage (p ≤ 0.0001) was observed (Table 2). Egg hatch inhibition test exposed occurrence of albendazole resistance among Strongyle group with high percentage of H. contortus, whereas LC50 of albendazole was at concentration 0.172 µg/mL.
Anthelmintic efficacy against resistant H. contortus isolate
The inhibitory effects of the GT against eggs and larvae
The GT exhibited a great inhibitory egg hatching activity against H. contortus eggs (Table 3). By decreasing the concentration of the extract, the inhibitory effect of GT decreased. The extract resulted in 100% inhibition of egg hatchability at high concentrations (50 and 25 mg/mL) (р<0.001). Superior inhibitory effects were also observed 98.9% to 94.5% at (12.5 and 6.25 mg/mL), respectively. The lowest egg inhibition effect of GT (41%) was noted at the concentration of 0.048 mg/mL. Where un-hatched egg count was recorded (41.0 ± 6.8), which was significant in comparison to control (8.3 ± 2). The GT lethal concentration (LC50) was 0.144 mg/mL, while lethal concentration (LC90) was 3.841 mg/mL. Table 3 showed a significant motility inhibition activity on H. contortus larvae at the high concentration of GT (50 and 25 mg/mL), whereas it reached 99% and 95%, respectively. There was concentration dependence efficacy of the extract on larvae. The lowest GT concentration (0.048 mg/mL) caused superior anti larval effect where the mean count of non-motile larvae was 40.3 ± in comparison to the control (5.7 ± 0.88). The LC50 was 0.127 mg/mL (upper limit 0.08, and lower limit 0.18515), while LC90 was 12.124 mg/mL (upper limit 7.66944 and lower limit 21.77892). Varies structural deformities of H. contortus eggs and larvae exposed to GT compared to the normal ones were illustrated in Fig. 2a–h. Normal H. contortus eggs appeared with grayish thin wall containing morula stage showing normal cleavages of egg cells (a and b). GT treated H. contortus eggs showed shrinkage, darkness and absence of normal appearance of egg cells cleavages (c and d). No changes were found on H. contortus larvae before treatment where the larvae showed normal anterior rounded end (e and f) and posterior tapered tail end. GT treated larvae showed absence of the normal appearance with significant deformities (g and h).
Structural deformities of H. contortus eggs and larvae exposed to GT compared to the normal ones. a and b; H. contortus eggs with grayish thin wall containing morula stage showing normal cleavages of egg cells (4×) and (20×), respectively. c and d; GT treated H. contortus eggs showing shrinkage, darkness and absence of normal appearance of egg cells cleavages (10×). e; Normal H. contortus larvae (10×), f; Anterior rounded end and posterior tapered tail of H. contortus larvae (20×), g and h; GT treated larvae showing absence of the normal appearance with deformities (10×).
Adult motility inhibition activity
Various concentrations of the GT exhibited anthelmintic potency on the adult worms in comparison with the control ones (p < 0.001) (Table 4). The anti-nematodal action of the GT was concentration and time dependent. The concentration of 400 mg/mL post 2 h caused the most effective motility inhibition effect (100%). Similar superior effects were recorded at concentration of (100 and 200 mg/mL) after (4 h and 6 h), respectively. The LC50 was 13.387 mg/mL, while LC90 was 59.105 mg/mL. The complete immobile worms considered dead ones. Worm motility inhibition %, and mortality index post 24 h treatment was (100% and 1), respectively in the highest concentrations (100 to 400) mg/mL. However, they declined by decreasing their concentration to reach (28.2% and 0.415), respectively at 6.25 mg/mL.
Alterations in cuticle of adult worms
Light microscopic findings
The cuticle of untreated H. contortus adult worm (Fig. 3a and b) showing three layers including outer cuticle, followed by thin hypodermis which comprised of a syncytium of cells. Finally, several layers of longitudinally arranged striated muscles suited internally. The adult worm incubated for 6 h at concentration of 400 mg/mL the GT (Fig. 3c and d) showed alteration in the integrity of the cuticle which appeared to be thinner. The inner muscle layer of cuticle lost its normal appearance showing disarrangements. Areas of joining discontinuity between the cuticle and the muscle layer could be observed. By increasing of 400 mg/mL the GT exposure time for 24 h (Fig. 3e and f) severe distortion of cuticle wall was more remarkable, whereas large areas of cleavage and degeneration were detectable in the muscular layer of cuticle.
Light microscopy of cut-section of adult H. contortus worm post exposure to GT for 6 h and 24 h compared to control untreated ones. (a and b) control untreated, (c and d) 6 h GT post exposure and (e and f) 12 h GT post exposure.
Scanning electroscopic observation
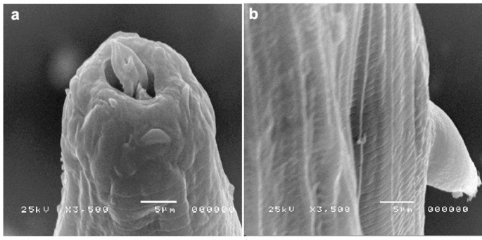
The mouth of untreated adult worm was hexagonal containing semicircular rudimentary lips, lateral amphids, and papillae with detectable dorsal buccal lancet. The lancet’s anterior tip and lateral edges were slightly rounded. Two spine-like cervical papillae were also observed. The cuticle has transverse striation formally suited and remarkable lateral ridges as shown in Fig. 4a and b.
SEM of control untreated H. contortus adult worm showing normal buckle capsule, cervical papillae (a) and cuticle surface aspect (b). (i: dorsal lancet tip, ii: cervical paillae).
Severe distortion and damages in both buccal capsule and the entire cuticle of adult worm, following 24 h treatment with 400 mg/mL the GT were observed as shown in Fig. 5a and b. The lips and dorsal lancet tip exposed deformity and oedema. The cuticular surface and cervical papillae appeared to be enlarged. Moreover, the transverse striation of cuticle lost the normal appearance. The longitudinal ridges of cuticles were being fainted and corrugated with prominent wrinkling.
SEM of H. contortus adult worm buccal capsule (a) and cuticle surface and cervical papillae (b), post exposure of 400 mg/mL GT showing severe degrees of distortion.
Cytotoxic assessment
The cytotoxic effects of the GT on the viability of the BJ1 cell lines using MTT assay are illustrated as percent cell viability in Fig. 6. The MTT assays revealed that cell viability decreased by increasing concentration. The GTE at different concentrations (0.78 µg/mL to 200 µg/mL) had no cytotoxic effects compared to those of (100%, 1% and 2%) for the positive control, DMSO and control negative, respectively.
Cell viability of BJ1 cells post exposure to varies concentrations of the GT, DMSO and Control.
Discussion
H. contortus remains the main multidrug resistant strongyle threatened livestock productivity all over the world4,45. The present coprological examination revealed the mass spread of strongyles group among the examined sheep, where H. contortus larvae was the most infective larvae 75.3%. This goes parallel with the high incidence of H. contortusinfection among livestock in various Egyptian provinces, recorded by Osman et al.46, in New-Valley, Hassan et al.47, in Beni-Suif, Hassan et al.3, in Giza, Mohamed et al.48, in Upper Egypt. This extreme spread might be attributed to the direct life cycle criteria of this nematode, immunity and nutrition status of animal side as well as, the suitable climatic condition of the semi-temperate region of Egypt. Anthelmintic resistance is one of the substantial threats of the livestock productivity causing enormous economic losses all over the world8. The current study evoked evidence of albendazole resistance among H. contortus population that had been cleared through egg hatch inhibition test where LC50 of albendazole was at concentration 0.172 µg/mL which was found to be more than the limited value 0.1 µg/mL28. This anthelmintic resistance might be due to misuse of albendazole known as one of the most common anti-parasitic commercial chemotherapeutics all over the world8. In other context, Aboelhadid et al.9, reported albendazole and ivermectine resistance among sheep naturally infected in Beni-Suef province, Egypt. Furthermore, Hassan et al.4, found that H. contortus was the main prevalent species infecting sheep, despite using of albendazole as anti-parasitic agent, in Giza and Cairo provinces, Egypt. Therefore, emerging eco-friendly beverage can combat resistant H. contortus isolations, either by alternating the existing artificial therapeutic or strengthening its effect is a need.
Green tea is one of the precious plants containing great biological constituents of remarkable health benefits49,50. Characterization of GT bioactive compounds exhibited presence of high total polyphenolic component content of green tea. The green tea beverage demonstrated an exceptionally strong capacity to neutralize free radicals. Green tea’s antioxidant capacity is known to be influenced by polyphenols, especially catechins (like EGCG). Several tests, including Total Phenolic Content (TPC), DPPH radical scavenging activity, DPPH antioxidant activity as vitamin C equivalents, and Ferric Reducing Antioxidant Power (FRAP), revealed that the examined green tea samples continuously exhibited strong antioxidant qualities. The ability of green tea to fight oxidative stress is supported by a scavenging activity exceeding 80%, which is typically regarded as outstanding. These findings provided more evidence for the link between effective radical scavenging and a high phenolic content51. Green tea extract displayed valuable vitamin C equivalent. This suggests that it may contain molecules with significant redox potential. In the same context, the ability of the extract to convert Fe³ to Fe², which is correlated with electron-donating antioxidant activity, was in line with high total phenolic contents, which lends further credence to the theory that polyphenols constitute the main source of antioxidant activity. The high polyphenolic contents of gallic acid and catechins beside the unique antioxidant activity of green tea extract were also previously reported by52,53,54,55,56. The HPLC study of green tea revealed a rich and diverse profile of phenolic compounds, but with significant variance in their quantities57,58. Green tea’s potent anti-inflammatory, antioxidant, and health-promoting properties are mostly due to these compounds59,60. Catechin was the most common phenolic component found in green tea. The epigallocatechin gallate (EGCG); the important flavan-3-ol belongs to the catechin family, possesses antioxidant, cardiovascular, and anti-cancer activities49,61. The high concentration catechins are primarily responsible for the significant antioxidant capacity shown in DPPH and FRAP tests. Furthermore, gallic acid, which is a derivative of hydroxybenzoic acid possesses antioxidant, antimicrobial, and anti-inflammatory qualities. It could also enhance catechins’ ability to scavenge radicals by cooperating with them62. Chlorogenic acid and caffeic acid have antioxidants and anti-diabetic qualities. This improves the system’s capacity to scavenge free radicals, as evidenced by its moderate concentration. The high caffeine content of GT (740.9 µg/g) in addition to its well-known anti-inflammatory and antioxidant qualities, caffeine may also offer heart-healthy benefits63. Moreover, ellagic acid content of 494.3% per gm reported to have an anticarcinogenic and hepatoprotective dimeric derivative of gallic acid, more over its contents of flavonoid glycoside 412.8 µg of rutin per gm which has strengthen role to blood capillaries and reduces inflammation64.
HPLC demonstrated that GT contained Pyrocatechol and syringic acid that promote antioxidant and antibacterial properties. Moreover, it had Daidzein and quercetin which are isoflavones and flavonols with oestrogenic and anti-inflammatory properties. Their presence enhances the functional profile of green tea, especially in hormone-related health areas. Other phenolics with trace levels were Rosmarinic acid, Coumaric acid, Kaempferol, Hesperetin, Vanillin, and Cinnamic acid, which had potent bioactivity. The HPLC analysis confirmed the abundance of substantial bioactive contents of green tea beverage that previously recorded by Robertson and Bendall65; Maslov et al.66; Harfoush et al.56.
Multiple studies recognized catechins derived from green tea as promising anthelminthic compounds affecting on biotic activity of helminths50. The current anthelmintic efficacy of the GT has been proven by its substantial inhibitory activity against eggs, larvae and adults of the resistant H. contortus isolates. Different concentrations of the GT exhibited anthelmintic potency, and there was concentration dependence efficacy of the extract on this resistant gastric nematode. Significant egg hatch inhibition (100%) and larval motility inhibition (99 and 95%), % were detected at high concentrations of (50 and 25 mg/mL), respectively. Severe deformities on H. contortuseggs and larvae were observed. Adulticidal effect of the GT through promoting paralysis or even death of adults was obvious. The concentration of 400 mg/mL post 2 h caused the most effective motility inhibition effect (100%). Worm motility inhibition % and Mobility index post 24 h treatment was (100% and 1), respectively in the highest concentrations (100 to 400) mg/mL. These results coincide with multiples of studies mentioned the anti-parasitic effect of green tea. Zhong et al.26, recorded the ability of the dietary green tea polyphenols supplementations for infected lambs to reduce adult H. contortusburden. Karonen et al.67, revealed the inhibitory effect of ellagitannins derived from green tea on the exsheathment of third-stage infective larvae of H. contortus and T. colubriformisthrough the in vitro larval exsheathment inhibition assay. Ramdani et al.27, found that addition of green tea dust; a by-product of green tea fabrication to ruminant diets had potential anthelmintic activity against strongyle worms owing to its high protein and bioactive contents. The anti-larval activity of green tea might be related to its content of phenolic tannins which in turn could bind to the free protein and reduced the larval nutrient availability, causing larvae starvation and death68. As well as Argüello-García and Quiñonez-Bastidas50 claimed the potent impact of catechins on motility and mortality of helminths.
In other context, the various constitutes of the green tea proved the anti-parasitic potency with protozocidal action69. Moreover, Aboulaila et al.70, claimed that green tea could cause growth inhibition for Babesia bovis and Babesia bigemina. Meanwhile it prompted production of intracellular H2O2 and depolarization of the mitochondrial membrane of Leishamania amazonenesis24. It is also the responsible of inhibition of arginine kinase in Plasmodium berghei23. Fakae et al.71, reported anti-acanthamoebic activity of green tea hot and cold brews against trophozoite and cystic forms of A. castellanii. Fakae et al.25, referred to the remarkable cysticidal effect of C. sinensis solvent extracts through A. castellanii trophozoite replication inhibition effect, which might be related to two constituents of C. sinensis, namely epigallocatechin-3-gallate and caffeine.
This study also proved that the GT caused severe distortion of cuticle wall of the adult H. contortus, with large areas of cleavages and degeneration in the muscular layer of cuticle. This might be agreed with Fakae et al.71, studied the structural alterations in C. sinensis-treated trophozoites of Acanthamoeba castellaniiutilizing transmission electron microscopy and scanning electron microscopy. And stated its destructive effect on the cell membrane’s integrity trophozoites and caused progressive damage of trophozoites in a dose-dependent manner. Moreover, Julaeha et al.68, who stated that condensed tannins might join to the cuticle of parasite, which is high in glycoprotein. Bioactive compounds e.g. alkaloids, flavonoids, saponins, and phenolic tannins could move into the body of parasite by the transcuticular diffusion process, thus the energy formation process and absorption of nutrients is harmed. So, death of larvae might occur as because of larval development inhibition as a result of the reduced amount of energy and electrolytes68.
The MTT colorimetric assay assigned the functional state of mitochondria, monitoring cell viability. A mitochondrial dehydrogenase enzyme in living cells reduces yellow tetrazolium MTT salt to blue MTT formazan, which is settled in undamaged cells72. The prepared GTE exhibited no cytotoxic effect on BJ1 cells. This is similar to the findings of Fakae et al.71, who recorded low cytotoxic activity of C. sinensis on primary corneal stromal cells. In vitro maintaining mammalian cells in health status needs special factors like serum growth factors, and other nutrients in the culture medium, which are required for normal physiology, metabolism and viability of cultured cells69,73. So, the prepared GT has maintained cell viability, and this has proved that cultured BJ1 cells have gained all the nutrition required for their viability. Therefore, it could be safe to use GT as oral treatment for live animals against parasitic infection or as nutritional supplements that promote health.
Conclusion
It is concluded that H. contortus is the most prevalent Strongyle infecting Egyptian sheep. The study alerts from high exceeding existence of resistance to albendazole among population of H. contortus in Egypt. Green tea beverages are affluent of biomedical phyto-components; catechin, gallic acid, caffeine, ellagic acid and rutin as the dominant phenolics, with possible combined synergistic effect, in exerting substantial antioxidant ability and brilliant biocidal activity against H. contortus isolate resistant to albendazole. This study highly recommended the green tea beverage as safe, potent antioxidant and phyto-therapeutic, alternative to chemotherapeutics, that may control anthelmintic inefficiency particularly for the resistant parasites.
Data availability
All data obtained is included in this manuscript and is available on request from the corresponding author.
References
Rizwan, H. M., Zohaib, H. M., Sajid, M. S., Abbas, H. & Younus, M. Inflicting significant losses in slaughtered animals: Exposing the hidden effects of parasitic infections. Pathogens 12(11), 1291 (2023).
Arsenopoulos, K. V., Fthenakis, G. C., Katsarou, E. I. & Papadopoulos, E. Haemonchosis: A challenging parasitic infection of sheep and goats. Animals 11(2), 363. https://doi.org/10.3390/ani11020363 (2021).
Hassan, N. M. F., EL-Shemy, A., El-Ezz, N. M. A., Allam, A. M. & El-Shanawany, E. E. Intensity of gastrointestinal parasites and the associated risk factors, and sero-prevalence of hemonchosis among camels in Egypt. *International J. Veterinary Sci. 13 (5), 677–686. https://doi.org/10.47278/journal.ijvs/2024.157 (2024).
Hassan, N. M. et al. Current epidemiological and molecular patterns of haemonchosis in Cairo and Giza governorates, Egypt. Iraqi J. Veterinary Sci. 39 (2), 419–429. https://doi.org/10.33899/ijvs.2025.153449.3873 (2025).
Zarlenga, D. S., Hoberg, E. P. & Tuo, W. The Identification of Haemonchus Species and Diagnosis of Haemonchosis, 145–180 (2016). https://doi.org/10.1016/bs.apar.2016.02.023
Hassan, N. M. F., Zaghawa, A. A., Abu-Elezz, N. M. T., Nayel, M. A. & Salama, A. A. Efficacy of some Egyptian native plant extracts against Haemonchus contortus in vitro and in experimentally infected sheep along with the associated haematological and biochemical alterations. *Bulletin Natl. Res. Centre. 45 (1), 180. https://doi.org/10.1186/s42269-021-00636-5 (2021).
Fissiha, W. & Kinde, M. Z. Anthelmintic resistance and its mechanism: A review. Infect. Drug Resist. 14, 5403–5410. https://doi.org/10.2147/IDR.S332378 (2021).
Hassan, N. M. F. & Ghazy, A. A. Advances in diagnosis and control of anthelmintic resistant gastrointestinal helminths infecting ruminants. J. Parasit. Dis. https://doi.org/10.1007/s12639-021-01457-z (2022).
Aboelhadid, S. M. et al. Haemonchus contortus susceptibility and resistance to anthelmintics in naturally infected Egyptian sheep. Acta Parasitol. 66 (2), 329–335. https://doi.org/10.1007/s11686-020-00284-1 (2021).
Hassan, N. M. F., Sedky, D., Abd El-Aziz, T. H., Shalaby, H. A. & Abou-Zeina, H. A. A. Anthelmintic potency and curative effect of pomegranate peels ethanolic extract against Haemonchus contortus infection in goats. Int. J. Vet. Sci. 9(2), 210–216 (2020).
Helal, M. A. et al. Nematocidal effects of a coriander essential oil and five pure principles on the infective larvae of major ovine gastrointestinal nematodes in vitro. Pathogens 9(9), 740. https://doi.org/10.3390/pathogens9090740 (2020).
Kandil, O. M. et al. Comparative nematocidal efficacy of coriander oils against Haemonchus contortus. Int. J. Vet. Sci. 13(5), 677–686. https://doi.org/10.47278/journal.ijvs/2023.062 (2023).
Cavet, M. E., Harrington, K. L., Vollmer, T. R., Ward, K. W. & Zhang, J. Z. Anti-inflammatory and anti-oxidative effects of the green tea polyphenol epigallocatechin gallate in human corneal epithelial cells. Mol. Vis. 17, 533–542 (2011).
Yang, C. S., Lambert, J. D. & Sang, S. Antioxidative and anti-carcinogenic activities of tea polyphenols. Arch. Toxicol. 83(1), 11–21. https://doi.org/10.1007/s00204-008-0373-9 (2009).
Kim, A. et al. Green tea catechins decrease total and low-density lipoprotein cholesterol: A systematic review and meta-analysis. J. Am. Diet. Assoc. 111(11), 1720–1729. https://doi.org/10.1016/j.jada.2011.08.012 (2011).
Siriphap, A. et al. Antimicrobial activity of the green tea polyphenol (–)-epigallocatechin-3-gallate(EGCG) against clinical isolates of multidrug-resistant Vibrio cholerae. Antibiotics 11(4), 518 (2022).
Yang, C. C., Wu, C. J., Chien, C. Y. & Chien, C. T. Green Tea polyphenol catechins inhibit coronavirus replication and potentiate the adaptive immunity and autophagy-dependent protective mechanism to improve acute lung injury in mice. Antioxidants https://doi.org/10.3390/antiox10060928 (2021).
Stendell-Hollis, N. R. et al. Green tea improves metabolic biomarkers, not weight or body composition: A pilot study in overweight breast cancer survivors. J. Hum. Nutr. Diet. 23(6), 590–600. https://doi.org/10.1111/j.1365-277X.2010.01099.x (2010).
Bass, A. et al. Green tea supplementation affects body weight, lipids, and lipid peroxidation in obese subjects with metabolic syndrome. J. Am. Coll. Nutr. 29(1), 31–40. https://doi.org/10.1080/07315724.2010.10719816 (2010).
Zaveri, N. T. Green tea and its polyphenolic catechins: Medicinal uses in cancer and noncancer applications. Life Sci. 78(18), 2073–2080. https://doi.org/10.1016/j.lfs.2005.12.006 (2006).
Wink, M. & Abbas, S. Epigallocatechin Gallate (EGCG) from Green Tea (Camellia sinensis) and other natural products mediate stress resistance and slows down aging processes in Caenorhabditis elegans. In Tea in Health and Disease Prevention (ed. Preedy, V. R.) 1105–1116 (Elsevier, 2013).
Nain, C. W. et al. The catechins profile of green tea extracts affects the antioxidant activity and degradation of catechins in DHA-rich oil. Antioxidants 11(9), 1844. https://doi.org/10.3390/antiox11091844 (2022).
Hellmann, J. K., Munter, S., Wink, M. & Frischknecht, F. Synergistic and additive effects of epigallocatechin gallate and digitonin on Plasmodium sporozoite survival and motility. PLoS ONE. 5 (1), e8682. https://doi.org/10.1371/journal.pone.0008682 (2010).
Inacio, J. D., Canto-Cavalheiro, M. M. & Almeida-Amaral, E. E. In vitro and in vivo effects of (-)-epigallocatechin 3-O-gallate on Leishmania amazonensis. J. Nat. Prod. 76 (10), 1993–1996. https://doi.org/10.1021/np400434j (2013).
Fakae, L. B. et al. Camellia sinensis solvent extract, epigallocatechin gallate and caffeine confer trophocidal and cysticidal effects against Acanthamoeba castellanii. Acta Tropica 237, 106729. https://doi.org/10.1016/j.actatropica.2022.106729 (2023).
Zhong, R. Z., Li, H. Y., Sun, H. X. & Zhou, D. W. Effects of supplementation with dietary green tea polyphenols on parasite resistance and acute phase protein response to Haemonchus contortus infection in lambs. Vet. Parasitol. 205 (1–2), 199–207 (2014).
Ramdani, D. et al. Effect of green tea dust as a dietary additive and anthelminthic on performance, digestibility, and fecal egg counts in Priangan ewe lambs infected with Strongyles worms. Vet. Anim. Sci. 26, 100395 (2024).
Coles, G. C. et al. World Association for the Advancement of Veterinary Parasitology (W.A.A.V.P.) methods for the detection of anthelmintic resistance in nematodes of veterinary importance. Vet. Parasitol. 44 (1–2), 35–44 (1992).
Shalaby, H. A. et al. An anthelmintic assessment of Balanites aegyptiaca fruits on some multiple drug resistant gastrointestinal helminthes affecting sheep. Egypt. J. Veterinary Sci. 51 (1), 93–103 (2020).
Vajrabhaya, L. O. & Korsuwannawong, S. Cytotoxicity evaluation of a Thai herb using tetrazolium (MTT) and sulforhodamine B (SRB) assays. J. Anal. Sci. Technol. 9 (1), 1–6 (2018).
Abou-Arab, A. A., Mahmoud, M. H., Ahmed, D. M. & Abu-Salem, F. M. Comparative study between chemical, physical and enzymatic methods for Jatropha curcas kernel meal phorbol ester detoxification. Heliyon 5(5), e01689. https://doi.org/10.1016/j.heliyon.2019.e01689 (2019).
Ramful, D., Tarnus, E., Aruoma, O. I., Bourdon, E. & Bahorun, T. Polyphenol composition, vitamin C content and antioxidant capacity of Mauritian citrus fruit pulps. Food Res. Int. 44 (7), 2088–2099 (2011).
Mahmoud, M. H. & Abu-Salem, A. F. M. Synergistic effect of ascorbic acid and soybean bioactive compounds in extending shelf life of refrigerated burger. Res. J. Pharm. Biol. Chem. Sci. 6(6), 17–26 (2015).
Aboelsoued, D. et al. Anticryptosporidial effect of pomegranate peels water extract in experimentally infected mice with special reference to some biochemical parameters and antioxidant activity. J. Parasit. Dis. 43(2), 215–228. https://doi.org/10.1007/s12639-018-01078-z (2019).
Hassan, E., Fadel, S., Abou-Elseoud, W., Mahmoud, M. & Hassan, M. Cellulose nanofibers/pectin/pomegranate extract nanocomposite as antibacterial and antioxidant films and coating for paper. Polymers 14 (21), 4605 (2022).
Gülçin, I. Fe3+–Fe2 + Transformation Method: An Important Antioxidant Assay. In Methods in Molecular Biology, vol. 1208, 233–246. https://doi.org/10.1007/978-1-4939-1441-8_17 (Clifton N J, 2015).
Soulsby, E. J. L. Helminths, Arthropods and Protozoa of Domesticated Animals 7th ed. (Bailliere Tindall, 1986).
von Samson-Himmelstjerna, G. et al. Standardization of the egg hatch test for the detection of benzimidazole resistance in parasitic nematodes. Parasitol. Res. 105(3), 825–834 (2009).
Urquhart, G. M., Armour, J., Duncan, J Dunn, A. M. & Jennings, F. W. Veterinary Parasitology, 2nd Edition (Book Power with Blackwell Science in co-operation with the British Council, 2003).
Santos, A. C. V. et al. In vitro ovicidal and larvicidal activities of some saponins and flavonoids against parasitic nematodes of goats. Parasitology 145, 1884–1889. https://doi.org/10.1017/S0031182018000689 (2018).
Bancroft, J. D., Stevens, A. & Turner, D. R. Theory and practice of histological techniques (1996).
Martínez-Ortíz-de-Montellano, C. et al. Scanning electron microscopy of Haemonchus contortus exposed to tannin-rich plants under in vivo and in vitro conditions. Exp. Parasitol. 133(3), 281–286. https://doi.org/10.1016/j.exppara.2012.11.024 (2013).
Mosmann, T. Rapid colorimetric assays for cellular growth and survival: Application to proliferation and cytotoxicity assays. J. Immunol. Methods. 65, 55–63 (1983).
Thabrew, M. I., Hughes, R. D. & McFarlane, I. G. Screening of hepatoprotective plant components using a HepG2 cell cytotoxicity assay. J. Pharm. Pharmacol. 49, 1132-5 (1997).
Babják, M. et al. Multidrug resistance in Haemonchus contortus in sheep - Can it be overcome?. J. Vet. Res. 67(4), 575–581. https://doi.org/10.2478/jvetres-2023-0057 (2023).
Osman, F., Gaadee, H. & Sanosi, N. Some studies on haemonchiosis in sheep and goats in New Valley Governorate Egypt. J. Agric. Res. 4, 32–45 (2018).
Hassan, N. M. F., Farag, T. K., Abu El Ezz, N. M. T. & Abou-Zeina, H. A. A. Prevalence assessment of gastrointestinal parasitic infections among goats in Giza Governorate. Egypt Bull Nat Res Centre 43, 127 (2019).
Mohamed, S. A. et al. Molecular identification of Haemonchus contortus in sheep from Upper Egypt. Front. Vet. Sci. https://doi.org/10.3389/fvets.2023.1327424 (2024).
Aboulwafa, M. M. et al. A comprehensive insight on the health benefits and phytoconstituents of Camellia sinensis and recent approaches for its quality control. Antioxidants 8(10), 455. https://doi.org/10.3390/antiox8100455 (2019).
Argüello-García, R. & Quiñonez-Bastidas, G. N. Catechins as emerging and promising antiparasitic agents. Biomed J Sci Technol Res 17(30), 23065–71. https://doi.org/10.26717/BJSTR.2020.30.004895 (2020).
Nakagawa, T. & Yokozawa, T. Direct scavenging of nitric oxide and superoxide by green tea. Food Chem. Toxicol. 40 (12), 1745–1750. https://doi.org/10.1016/s0278-6915(02)00169-2 (2002).
Forester, S. C. & Lambert, J. D. The role of antioxidant versus pro-oxidant effects of green tea polyphenols in cancer prevention. Mol. Nutr. Food Res. 55(6), 844–854. https://doi.org/10.1002/mnfr.201000641 (2011).
Abbas, S. & Wink, M. Green tea extract induces the resistance of Caenorhabditis elegans against oxidative stress. Antioxidants (Basel) 3(1), 129–143. https://doi.org/10.3390/antiox3010129 (2014).
Peluso, I. & Serafini, M. Antioxidants from black and green tea: From dietary modulation of oxidative stress to pharmacological mechanisms. Br. J. Pharmacol. 174 (11), 1195–1208. https://doi.org/10.1111/bph.13649 (2017).
Agca, A. C., Batçıoğlu, K. & Şarer, E. Evaluation on gallic acid, EGCG contents and antiradical activity of green tea and black tea extracts. Ankara Univ. Eczac. Fak. Derg. 44(1), 50–60. https://doi.org/10.33483/jfpau.644407 (2020).
Harfoush, A. et al. From spent black and green tea to potential health boosters: Optimization of polyphenol extraction and assessment of their antioxidant and antibacterial activities. Antioxidants 13(12), 1588. https://doi.org/10.3390/antiox13121588 (2024).
Chen, Q., Guo, Z. & Zhao, J. Identification of green tea’s (Camellia sinensis (L.)) quality level according to measurement of main catechins and caffeine contents by HPLC and support vector classification pattern recognition. J. Pharm. Biomed. Anal. 48(5), 1321–1325. https://doi.org/10.1016/j.jpba.2008.09.016 (2008).
Aboulwafa, M. M. et al. Authentication and discrimination of green tea samples using UV–vis, FTIR and HPLC techniques coupled with chemometrics analysis. J. Pharm. Biomed. Anal. 164, 653–658. https://doi.org/10.1016/j.jpba.2018.11.036 (2019).
Masek, A., Chrzescijanska, E., Latos, M., Zaborski, M. & Podsędek, A. Antioxidant and antiradical properties of green tea extract compounds. Int. J. Electrochem. Sci. 12 (7), 6600–6610. https://doi.org/10.20964/2017.07.06 (2017).
Musial, C., Kuban-Jankowska, A. & Gorska-Ponikowska, M. Beneficial properties of green tea catechins. Int. J. Mol. Sci. 21(5), 1744. https://doi.org/10.3390/ijms21051744 (2020).
Hartley, L. et al. Green and black tea for the primary prevention of cardiovascular disease. Cochrane Database Syst. Rev. https://doi.org/10.1002/14651858.CD009934.pub2 (2013).
Ahmad, R. S. et al. Quantitative and qualitative portrait of green tea catechins (GTC) through HPLC. Int. J. Food Prop. 17(7), 1626–1636. https://doi.org/10.1080/10942912.2012.723232 (2014).
Seeram, N. P. et al. Catechin and caffeine content of green tea dietary supplements and correlation with antioxidant capacity. J. Agric. Food Chem. 54(5), 1599–1603. https://doi.org/10.1021/jf052857r (2006).
Alfei, S. et al. Ellagic acid a multi-target bioactive compound for drug discovery in CNS? A narrative review. Eur. J. Med. Chem. 183, 111724. https://doi.org/10.1016/j.ejmech.2019.111724 (2019).
Robertson, A. & Bendall, D. S. Production and HPLC analysis of black tea theaflavins and thearubigins during in vitro oxidation. Phytochemistry 22(4), 883–887 (1983).
Maslov, O. Y., Komisarenko, M. A., Kolisnyk, Y. S. & Kostina, T. A. Determination of catechins in green tea leaves by HPLC compared to spectrophotometry. J. Org. Pharm. Chem. 19(3), 28–33. https://doi.org/10.24959/ophcj.21.238177 (2021).
Karonen, M. et al. Ellagitannins inhibit the exsheathment of Haemonchus contortus and Trichostrongylus colubriformis larvae: The efficiency increases together with the molecular size. J. Agric. Food Chem. 68(14), 4176–4186. https://doi.org/10.1021/acs.jafc.9b06774 (2020).
Julaeha, J., Ramdani, D. & Setyowati, E. Y. The effect of Jatropha multifida L. as a natural dietary additive on anthelmintic activity and performance in lambs infected by Trichostrongylus spp.. Turk. J. Vet. Anim. Sci. 45(1), 21–27. https://doi.org/10.3906/vet-2007-51 (2021).
Dickson, A. et al. In vitro growth- and encystation-inhibitory efficacies of Matcha green tea and Epigallocatechin Gallate against Acanthameoba castellanii. Pathogens https://doi.org/10.3390/pathogens9090763 (2020).
Aboulaila, M., Yokoyama, N. & Igarashi, I. Inhibitory effects of (-)-epigallocatechin-3-gallate from green tea on the growth of Babesia parasites. Parasitology 137 (5), 785–791. https://doi.org/10.1017/S003118200999187X (2010).
Fakae, L. B., Stevenson, C. W., Zhu, X. Q. & Elsheikha, H. M. In vitro activity of Camellia sinensis (green tea) against trophozoites and cysts of Acanthamoeba castellanii. Int. J. Parasitol. Drugs Drug Resist. 13, 59–72. https://doi.org/10.1016/j.ijpddr.2020.05.001 (2020).
Vajrabhaya, L. & Korsuwannawong, S. Cytotoxicity evaluation of a Thai herb using tetrazolium (MTT) and sulforhodamine B (SRB) assays. J. Anal. Sci. Technol. 9, 15. https://doi.org/10.1186/s40543-018-0146-0 (2018).
Ishii, T. et al. Nutritional deficiency affects cell cycle status and viability in A549 cells: Role of p27Kip1. Cancer Lett. 213(1), 99–109. https://doi.org/10.1016/j.canlet.2004.05.006 (2004).
Acknowledgements
The authors duly acknowledge the precious support offered from the National Research Centre (the 13th Research Plan, No. 13050425).
Funding
Open access funding provided by The Science, Technology & Innovation Funding Authority (STDF) in cooperation with The Egyptian Knowledge Bank (EKB). This study was financially supported by National Research Centre as a part of a project entitled “Production of local eco-friendly therapeutic for sustainable combating of drug-resistant gastrointestinal nematodes threatening ovine farming.” (the 13th Research Plan, No. 13050425).
Author information
Authors and Affiliations
Contributions
NMFH: Conceptualized, designed the work and supervised the study. MHM and NMFH: conducted plant extraction, and phytochemical analysis. NMFH, BSE, MAH, NMTAE: collected the data of the animals and collected samples. NMFH: monitored albendazole resistance among sheep and carried out the experimental infection on sheep to get mono-specific albendazole resistant *H. contortus* eggs and larvae donors. NMFH, BSE, MAH carried out the laboratory work for egg hatch inhibition, larval motility inhibition and adult motility inhibition assays. NMFH, HAS carried out light and electron microscopy. NMFH, BSE, MAH achieved cytotoxic assessment. NMFH analyzed and interpreted the results. NMFH wrote manuscript. All authors read, revised, and approved the final manuscript. All authors have read, reviewed, and approved the final manuscript.
Corresponding author
Ethics declarations
Competing interests
The authors declare no competing interests.
Ethical approval and consent to participate
Ethical permission for the use of animals was approved by institutional guidelines of the National Research Centre’s Animal Research Committee: Medical Research Ethics Committee (approval number: 13050425). Informed consent has been obtained from sheep owner for this study.
Additional information
Publisher’s note
Springer Nature remains neutral with regard to jurisdictional claims in published maps and institutional affiliations.
Rights and permissions
Open Access This article is licensed under a Creative Commons Attribution 4.0 International License, which permits use, sharing, adaptation, distribution and reproduction in any medium or format, as long as you give appropriate credit to the original author(s) and the source, provide a link to the Creative Commons licence, and indicate if changes were made. The images or other third party material in this article are included in the article’s Creative Commons licence, unless indicated otherwise in a credit line to the material. If material is not included in the article’s Creative Commons licence and your intended use is not permitted by statutory regulation or exceeds the permitted use, you will need to obtain permission directly from the copyright holder. To view a copy of this licence, visit http://creativecommons.org/licenses/by/4.0/.
About this article
Cite this article
Hassan, N.M.F., Elsawy, B.S.M., Helal, M.A. et al. Unveiling of phytochemicals, antioxidants, cytotoxic effects and anthelmintic potency of green tea (Camellia sinensis) beverage against albendazole resistant Hamonchus contortus. Sci Rep 16, 10486 (2026). https://doi.org/10.1038/s41598-026-42739-x
Received:
Accepted:
Published:
Version of record:
DOI: https://doi.org/10.1038/s41598-026-42739-x





