Abstract
While the conventional topologies of multilevel inverters (MLIs) operate with unity voltage gain, switched capacitors-based MLIs (SCMLIs) offer a solution to realize an inherent voltage gain of more than one, thereby stepping up the voltage in the process of DC to AC conversion. This work proposes a novel SCMLI constituting thirteen levels, requiring only one DC input and 3-capacitors to achieve an inclusive three-fold gain in voltage. The number of power switches employed in the proposed module is thirteen, where nine switches peak-inverse-voltage (PIV) is considered as one-third of the output voltage amplitude. Experimental results validate the proposed inverter (PI), demonstrating its efficacy. The superior performance of the PI with respect to component count, power switch voltage ratings, and cost function (CF) is highlighted by comparison with other SCMLIs. The total standing voltage (TSV) per level, expressed in per unit with respect to \({V}_{in}\) is 1.307, while the PIV per level is 0.153, which is competitive with recent literature. Additionally, the CF is 4.538, lower than other designs, enhancing the performance of the structure for real-time applications.
Introduction
Many applications favor multilevel inverters (MLIs) over two-level inverters due to numerous advantages. Power switches with a PIV than the multilevel AC output operating voltage increase efficiency and reliability. Due to their improved harmonic profile, MLIs require less filtering, simplifying system design, and saving costs. Reduced dv/dt stress on the load extends its lifespan and improves reliability. Fault-tolerant MLIs are more resilient in crucial applications. Neutral point clamped (NPC), flying capacitors (FC), and cascaded H-bridge (CHB) MLI topologies are used in renewable energy systems, electric motors, and vehicle electrification. MLIs improve voltage quality, electromagnetic interference, and operational flexibility for these applications. As a result, MLIs continue to advance power electronics and meet the growing demand for reliable and effective energy conversion in modern technological systems1,2,3. These classical topologies operate with a gain of unity, and hence, there is no inherent stepping up of voltage. In the past few years, a new family of MLIs has emerged with the capability of operating with a voltage gain of more than unity. These structures use switched capacitors (SC) to step up the voltage magnitude and are generally referred to as SCMLIs4. Inductor-less configuration and self-balancing of capacitors are other attractive features of SCMLIs5.
As a result of their various advantages, numerous SCMLI topologies have recently evolved4,5,6,7,8,9,10,11,12,13,14,15,16,17. In4, the authors have proposed a switched-capacitors module with minimal switch count and TSV. Still, it is incapable of synthesizing a bipolar waveform. Hence, multiple modules are to be used in a cross-connected fashion to realize an alternating waveform, leading to the requirement of multiple isolated DC sources. The 13-level inverter proposed in5 operates with a gain of 6. However, it consists of PIV switches equal to the operating voltage. The SCMLI presented in6 needs switches with a PIV equal to the input source voltage; however, its component count rises significantly as the number of levels increases. Barzegarkhoo et al.7 have presented an easily extendable SCMLI structure using low voltage bearing power switches. Still, the switches are a mix of unidirectional and bidirectional configurations, thereby limiting the modularity. The single-stage SCMLI module proposed by S.S. Lee8 is extremely advantageous in terms of PIV ratings of switches, but the overall component count is high. Similarly, highly modular topologies are proposed in9,10, but they involve two-stage conversion with the help of four H-bridge power switches, capable of handling the operating voltage. An innovative approach that uses traditional H-bridges and switched capacitors is proposed in11 with some additional power switches. However, the capacitor voltage balancing requires a complex methodology in it. A different cascaded module approach for SCMLI is shown in12. However, it is limited in its applicability to high-voltage applications since each module requires two power switches to be rated at operational voltage. A different approach modular strategy that has been proposed13 includes several components at each level. The generalized structure of single-phase SCMLIs presented in14 requires fewer switching devices. Still, the involvement of a two-stage operation requires the use of H-bridge switches having PIV, which is the same as the operating voltage. The topology proposed by He and Cheng15 utilizes flying capacitors clamping for the SCMLI in order to attain a large gain, but the approach leads to a high number of elements per level. Highly modular and low PIV topologies16,17 provide advantages in some applications.
The topology described in8 incorporates switches with a low PIV rating. However, it has a limited voltage gain and requires a relatively high number of switches. A similar trend can be observed in the configurations presented in18. Research studies from19,20,21,22,23,24 delve into single-stage, 13-level SC-MLI designs. The converter introduced in19 offers moderate voltage gain and a reduced switch count, but its TSV is comparatively higher. Moreover, the number of capacitors required to increase with the rise in load power factor. SC-MLI designs with higher voltage gain have been explored in20,21, and22,23,24. The approach in20 requires more components, while the design in21 depends on switches with higher PIV ratings. The converter discussed in24 utilized a higher quantity of switches among these designs. On the other hand, the configurations presented in22 and23 require capacitors with higher voltage ratings, which add to the overall cost of the system. Additionally, the designs in20 and21 face challenges with charge balancing across capacitors, especially at lower modulation indices. The SC-MLI design presented in25 attains a gain of 3 but is characterized by a relatively large switch count. This configuration also exhibits a high-cost function (CF), requires switches with significant PIV ratings, and shows elevated TSV levels. However, its voltage balancing capabilities deteriorate when operating at lower modulation indices. Furthermore, the asymmetrical topology proposed in26 integrates power devices with elevated PIV and TSV ratings, making voltage balancing in this design particularly challenging. These advantages come with drawbacks, such as poor voltage gain and high semiconductor demand, which can reduce efficiency and practicality.
References27,28 present common-ground SC based five-level inverter topologies. These configurations enable efficient high-voltage gain while minimizing the part count and suppressing leakage current, making them highly suitable for compact and low-loss power conversion systems. Additionally, the work presented in29 introduces a nine-level single-phase SC inverter capable of achieving 4-X gain. This design further enhances performance by reducing the total number of components, minimizing TSV across the switches, and ensuring cost-effective implementation.
Given these factors, SCMLIs with high-resolution output, low PIV switches, high voltage gain, and minimal semiconductor utilization have enormous potential. SCMLIs could become more adaptable and efficient for a broader range of power electronics applications with such improvements. The presented study unveils a single-stage SCMLI module, highlighting the following attributes: (a) a voltage gain of three; (b) generation of a thirteen-level waveform through a single DC source, three capacitors, and thirteen power switches; (c) inherent self-balancing of all capacitors; and (d) ensuring the PIVs of the switches remain substantially lower compared to the operating voltage.
The paper is structured as follows: Section II describes the proposed module structure and operation. The same section also compares it with other topologies mentioned in4,5,6,7,8,9,10,11,12,13,14,15,16,17,18,19,20,21,22,23,24,25,26. Section III describes the switching process used in the suggested module. Section IV presents the experimental findings, and section V discusses the conclusions.
The proposed 13-level inverter and it’s working
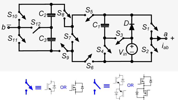
Figure 1 shows the power circuit diagram of the thirteen-level inverter suggested in this work. It comprises twelve power switches \(,\) a diode ‘\(\text{D}\)’, capacitors (\({\text{C}}_{1}, {\text{C}}_{2},\text{ and }{\text{C}}_{3}\)), and one DC source (shown with voltage \({\text{V}}_{\text{in}}\)). Of the twelve switches, the power switch \({\text{S}}_{12}\) is required to be of bidirectional-blocking-bidirectional-conducting type, while rest of the switches are of unidirectional-blocking-bidirectional-conducting type. The load voltage is represented as ‘\({\text{v}}_{\text{ab}}\)’. The capacitor \({\text{C}}_{1}\) is to be kept at voltage equal to \({\text{V}}_{\text{in}}\), while the capacitors \({\text{C}}_{2}\) and \({\text{C}}_{3}\) are to be maintained at \(0.5{\text{V}}_{\text{in}}\) each. The structure is capable of synthesizing thirteen voltage levels (viz. \(\pm 0.5{\text{V}}_{\text{in}}\), \(\pm {\text{V}}_{\text{in}}\), \(\pm 1.5{\text{V}}_{\text{in}}\), \(\pm 2{\text{V}}_{\text{in}}\), \(\pm 2.5{\text{V}}_{\text{in}}\), \(\pm 3{\text{V}}_{\text{in}}\) and \(0\)) at the load terminals. The PIV rating of the switches used in the designed inverter is tabulated in Table 1.
The proposed 13-level inverter.
The working principle of the PI can be comprehended with the description of fourteen states \({\text{\O }}_{\text{k}} \{\text{k}\hspace{0.17em}=\hspace{0.17em}1\text{ to }14\}\). Each state is a distinct switching combination to synthesize the desired voltage level at the load terminals. Moreover, the capacitors are placed parallel to the input supply so that the voltage across them can be maintained at its desired voltage levels. Consequently, for each state, the route for generating the output voltage is indicated by a bold red line, while a narrow blue line represents the charging pathway for the capacitor(s). These states are elaborated as follows:
(i) State \({\O }_{1}\): Fig. 2 describes this state, where \({\text{S}}_{1}\), \({\text{S}}_{5}\), \({\text{S}}_{8}\) and \({\text{S}}_{10}\) are all conducting simultaneously, and the output voltage \({\text{v}}_{\text{ab}}\hspace{0.17em}=\hspace{0.17em}0\). Additionally, \({\text{C}}_{1}\) is charged to \({\text{V}}_{\text{in}}\) when conduction of \({\text{S}}_{4}\) brings it in parallel with the dc source through diode \(\text{D}\). Similarly, by simultaneously conducting \({\text{S}}_{5}\), \({\text{S}}_{6}\), \({\text{S}}_{8}\) and \({\text{S}}_{9}\), a series connection of \({\text{C}}_{2}\) and \({\text{C}}_{3}\) is placed in parallel with the dc source and charged to a voltage of \(0.5{\text{V}}_{\text{in}}\) each.
Working state \({\text{\O }}_{1}\) of the PI [\({\text{v}}_{\text{ab}}=0\)].
(ii) State \({\O }_{2}\): Fig. 3 shows switches \({\text{S}}_{1}\), \({\text{S}}_{5}\), \({\text{S}}_{8}\) and \({\text{S}}_{12}\) connecting load terminals to capacitor \({\text{C}}_{2}\)consequently, the output voltage \({\text{v}}_{\text{ab}}\hspace{0.17em}=\hspace{0.17em}{\text{v}}_{\text{C}2}=0.5{\text{V}}_{\text{in}}\). Moreover, switch \({\text{S}}_{4}\) conducts capacitor \({\text{C}}_{1}\) in parallel with the dc source via diode \(\text{D}\), charging it to \({\text{V}}_{\text{in}}\). In parallel with the dc source, switches \({\text{S}}_{5}\), \({\text{S}}_{6}\), \({\text{S}}_{8}\) and \({\text{S}}_{9}\) link capacitors \({\text{C}}_{2}\) and \({\text{C}}_{3}\) in series. The abovementioned arrangement charges capacitors \({\text{C}}_{2}\) and \({\text{C}}_{3}\) to \(0.5{\text{V}}_{\text{in}}\). To run the inverter system efficiently, this state regulates capacitor charging and discharging, optimizing voltage levels and maintaining the desired output.
Working state \({\text{\O }}_{2}\) of the PI [\({\text{v}}_{\text{ab}}=0.5{\text{V}}_{\text{in}}\)].
(iii) State \({\O }_{3}\) : Fig. 4 shows switches \({\text{S}}_{1}, {\text{S}}_{4}, {\text{S}}_{6}, {\text{S}}_{9}\) and \({\text{S}}_{11}\) connecting load terminals to capacitor \({\text{C}}_{1}\). The output voltage: voltage \({\text{v}}_{\text{ab}}\hspace{0.17em}=\hspace{0.17em}{\text{v}}_{\text{C}1}={\text{V}}_{\text{in}}\), supplying the whole input voltage to the load. Moreover, switch \({\text{S}}_{4}\) conducts capacitor \({\text{C}}_{1}\) via diode \(\text{D}\), maintaining its value to \({\text{V}}_{\text{in}}\). Parallel to the dc supply, switches \({\text{S}}_{5}, {\text{S}}_{6}, {\text{S}}_{8}\) and \({\text{S}}_{9}\) connect capacitors \({\text{C}}_{2}\) and \({\text{C}}_{3}\) in series. This setup charges capacitors \({\text{C}}_{2}\) and \({\text{C}}_{3}\) to \(0.5{\text{V}}_{\text{in}}\). Maintaining capacitor voltage levels and inverter energy flow in this stage ensures efficient operation and appropriate output.
Working state \({\text{\O }}_{3}\) of the PI [\({\text{v}}_{\text{ab}}={\text{V}}_{\text{in}}\)].
(iv) State \({\O }_{4}\): In the state depicted in Fig. 5, the load terminals are connected to \({\text{C}}_{1}\) and \({\text{C}}_{2}\) through the simultaneous conduction of \({\text{S}}_{1}, {\text{S}}_{4}, {\text{S}}_{6}, {\text{S}}_{7}, {\text{S}}_{8}\) and \({\text{S}}_{12}\). So, the output voltage \({\text{v}}_{\text{ab}}= {\text{v}}_{\text{C}1}+{\text{v}}_{\text{C}2}=1.5{\text{V}}_{\text{in}}\). Moreover, the conduction of \({\text{S}}_{4}\) places \({\text{C}}_{1}\) in parallel with the dc source via diode \(\text{D}\), thereby charging it to \({\text{V}}_{\text{in}}\).
Working state Ø4 of the PI [vab = 1.5Vin].
(v) State \({\O }_{5}\) : As shown in Fig. 6, the switches \({\text{S}}_{1}, {\text{S}}_{4}, {\text{S}}_{6}, {\text{S}}_{7}, {\text{S}}_{8},\) and \({\text{S}}_{11}\) conduct simultaneously, and the load is connected in series with the capacitors. The output voltage, \({\text{v}}_{\text{ab}}\), is therefore equal to \({\text{v}}_{\text{C}1}+ {\text{v}}_{\text{C}2}+ {\text{v}}_{\text{C}3}= 2{\text{V}}_{\text{in}}\). Additionally, the conduction of \({\text{S}}_{4}\) places \({\text{C}}_{1}\) in parallel with the dc source through diode \(\text{D}\), allowing it to charge to \({\text{V}}_{\text{in}}\).
Working state \({\text{\O }}_{5}\) of the PI [\({\text{v}}_{\text{ab}}= 2{\text{V}}_{\text{in}}\)].
(vi) State \({\O }_{6}\) : The load terminals in this condition, seen in Fig. 7, are linked to \({\text{C}}_{1}, {\text{C}}_{2}\) and \({\text{V}}_{\text{in}}\) in a series arrangement, while \({\text{S}}_{1}, {\text{S}}_{3}, {\text{S}}_{6}, {\text{S}}_{7}, {\text{S}}_{8}\) and \({\text{S}}_{12}\) are in conduction simultaneously. As a result, the output voltage \({\text{v}}_{\text{ab}}\hspace{0.17em}={\text{v}}_{\text{C}1}+{\text{v}}_{\text{C}2}+{\text{V}}_{\text{in}}= 2.5{\text{V}}_{\text{in}}\).
Working state \({\text{\O }}_{6}\) of the PI [\({\text{v}}_{\text{ab}}=2.5{\text{V}}_{\text{in}}\)].
(vii) State \({\O }_{7}\) : In the state illustrated in Fig. 8, \({\text{S}}_{1}, {\text{S}}_{3}, {\text{S}}_{6}, {\text{S}}_{7}, {\text{S}}_{8}\) and \({\text{S}}_{11}\) are all simultaneously conducting when the load is in series with \({\text{C}}_{1}, {\text{C}}_{2}, {\text{C}}_{3}\) and \({\text{V}}_{\text{in}}\). As a result, the output voltage \({\text{v}}_{\text{ab}}\hspace{0.17em}=\hspace{0.17em}{\text{v}}_{\text{C}1}+{\text{v}}_{\text{C}2}+{\text{v}}_{\text{C}3}+{\text{V}}_{\text{in}}= 3{\text{V}}_{\text{in}}\).
Working state \({\text{\O }}_{7}\) of the PI [\({\text{v}}_{\text{ab}}=3{\text{V}}_{\text{in}}\)].
(viii) State \({\O }_{8}\): In the state depicted in Fig. 9, switches of \({\text{S}}_{2}, {\text{S}}_{6}, {\text{S}}_{9}\) and \({\text{S}}_{11}\) all conduct simultaneously to provide the output voltage \({\text{v}}_{\text{ab}}\hspace{0.17em}=\hspace{0.17em}0\). Furthermore, \({\text{C}}_{1}\) is charged to \({\text{V}}_{\text{in}}\) by being placed in parallel with the dc source through diode \(\text{D}\) with \({\text{S}}_{4}\) in conduction. Similar to this, the concurrent conduction of \({\text{S}}_{5}, {\text{S}}_{6}, {\text{S}}_{8}\) and \({\text{S}}_{9}\) connects the series combination of \({\text{C}}_{2}\) and \({\text{C}}_{3}\) in parallel with the dc source, charging each capacitor to \(0.5{\text{V}}_{\text{in}}\).
Working state \({\text{\O }}_{8}\) of the PI [\({\text{v}}_{\text{ab}}=0\)].
(ix) State \({\O }_{9}\): The load is connected to \({\text{C}}_{3}\) in this state (Fig. 10), where \({\text{S}}_{2}, {\text{S}}_{6}, {\text{S}}_{9}\text{ and }{\text{S}}_{12}\) are all conducts simultaneously. \({\text{v}}_{\text{ab}}\hspace{0.17em}=\hspace{0.17em}-{\text{v}}_{\text{C}3}=-0.5{\text{V}}_{\text{in}}\) is the output voltage as a result. Additionally, \({\text{C}}_{1}\) is charged to \({\text{V}}_{\text{in}}\) through diode \(\text{D}\), which is connected in parallel with the dc source with \({\text{S}}_{4}\) in conduction. Also, \(0.5{\text{V}}_{\text{in}}\) is achieved by the capacitors \({\text{C}}_{2}\) and \({\text{C}}_{3}\), which are parallel with the input and conduct the switches \({\text{S}}_{5}, {\text{S}}_{6}, {\text{S}}_{8}\text{ and }{\text{S}}_{9}\) simultaneously.
Working state \({\text{\O }}_{9}\) of the PI [\({\text{v}}_{\text{ab}}=-0.5{\text{V}}_{\text{in}}\)].
(x) State \({\O }_{10}\) : In Fig. 11, switches \({\text{S}}_{2}, {\text{S}}_{4}, {\text{S}}_{5}, {\text{S}}_{8}\) and \({\text{S}}_{10}\) operate simultaneously to connect load terminals to capacitor \({\text{C}}_{1}\). The output voltage \({\text{v}}_{\text{ab}}\hspace{0.17em}=\hspace{0.17em}-{\text{v}}_{\text{C}1}=-{\text{V}}_{\text{in}}\) causes the load to receive a negative full input voltage. With switch \({\text{S}}_{4}\), capacitor \({\text{C}}_{1}\) is charged to \({\text{V}}_{\text{in}}\) via diode \(\text{D}\) in parallel with the dc source. In parallel with the dc source, switches \({\text{S}}_{5}, {\text{S}}_{6}, {\text{S}}_{8}\) and \({\text{S}}_{9}\) link capacitors \({\text{C}}_{2}\) and \({\text{C}}_{3}\) in series. The setup charges both capacitors, \({\text{C}}_{2}\) and \({\text{C}}_{3}\), to \(0.5{\text{V}}_{\text{in}}\) each. This condition efficiently inverts the output voltage while maintaining capacitor charge levels, ensuring the inverter outputs the desired negative voltage and operates efficiently.
Working state \({\text{\O }}_{10}\) of the PI [\({\text{v}}_{\text{ab}} = -{\text{V}}_{\text{in}}\)].
(xi) State \({\O }_{11}\) : In this state, as shown in Fig. 12, the load, \({\text{C}}_{1}\) and \({\text{C}}_{3}\) are in series, when simultaneous conduction of \({\text{S}}_{2}, {\text{S}}_{4}, {\text{S}}_{5}, {\text{S}}_{7}, {\text{S}}_{9}\text{ and }{\text{S}}_{12}\) occurs. Thus, output voltage \({\text{v}}_{\text{ab}}= -({\text{v}}_{\text{C}1}+ {\text{v}}_{\text{C}3}) = -1.5{\text{V}}_{\text{in}}\). Again, the conduction of \({\text{S}}_{4}\) connects \({\text{C}}_{1}\) in parallel with the DC source through diode ‘\(\text{D}\)’, and it is charged to \({\text{V}}_{\text{in}}\).
Working state \({\text{\O }}_{11}\) of the PI [\({\text{v}}_{\text{ab}}=-1.5{\text{V}}_{\text{in}}\)].
(xii) State \({\O }_{12}\) : As shown in Fig. 13, capacitors \({\text{C}}_{1} , {\text{C}}_{2} , {\text{C}}_{3}\) and load are in series through switches \({\text{S}}_{2}, {\text{S}}_{4}, {\text{S}}_{5}, {\text{S}}_{7}, {\text{S}}_{9}\) and \({\text{S}}_{10}\), resulting in an output voltage of \({\text{v}}_{\text{ab}}=-({\text{v}}_{\text{C}1}+ {\text{v}}_{\text{C}2}+ {\text{v}}_{\text{C}3})= -2{\text{V}}_{\text{in}}\). By conducting switch \({\text{S}}_{4}\), capacitor \({\text{C}}_{1}\) is connected in parallel with the dc source via diode \(\text{D}\), allowing it to charge to \({\text{V}}_{\text{in}}\).
Working state \({\text{\O }}_{12}\) of the PI [\({\text{v}}_{\text{ab}} = -2{\text{V}}_{\text{in}}\)].
(xiii) State \({\O }_{13}\): As shown in Fig. 14, the load and capacitors \({\text{C}}_{1}\) and \({\text{C}}_{3}\) are connected consecutively, and the input voltage \({\text{V}}_{\text{in}}\) via switches \({\text{S}}_{2}, {\text{S}}_{3}, {\text{S}}_{5}, {\text{S}}_{7}, {\text{S}}_{9},\) and \({\text{S}}_{12}\). Output voltage \({\text{v}}_{\text{ab}}=-({\text{v}}_{\text{C}1}+ {\text{v}}_{\text{C}3}+ {\text{V}}_{\text{in}})=-2.5{\text{V}}_{\text{in}}\) is delivered to the load as a negative voltage 2.5 times the input voltage.
Working state \({\text{\O }}_{13}\) of the PI [\({\text{v}}_{\text{ab}}=-2.5{\text{V}}_{\text{in}}\)].
(xiv) State \({\O }_{14}\) : Fig. 15 shows the capacitors \({\text{C}}_{1} , {\text{C}}_{2}\), and \({\text{C}}_{3}\) are connected in series with the load and the input voltage \({\text{V}}_{\text{in}}\) via switches \({\text{S}}_{2}, {\text{S}}_{3}, {\text{S}}_{5}, {\text{S}}_{7}, {\text{S}}_{9},\) and \({\text{S}}_{10}\). In this state, the output voltage \({\text{v}}_{\text{ab}}=-({\text{v}}_{\text{C}1}+{\text{v}}_{\text{C}2}+{\text{v}}_{\text{C}3}+{\text{V}}_{\text{in}})=-3{\text{V}}_{\text{in}}\) giving a negative voltage to the load three times the input voltage.
Working state \({\text{\O }}_{14}\) of the PI [\({\text{v}}_{\text{ab}}=-3{\text{V}}_{\text{in}}\)].
Thus, the AC terminals may obtain 13 voltage levels for both directions of load current regardless of load type—resistive, inductive, or capacitive. This verifies the proposed structure works under diverse loads. It is observed that capacitor \({C}_{1}\) is connected in parallel with the input DC source in ten of the fourteen states; however, in six of the states, the combination of capacitors \({C}_{2}\) and \({C}_{3}\) is in parallel with the input DC source, preserving its charge. This property keeps three capacitors self-balance. Since each capacitor is in a non-charging phase, the amount each capacitor discharges is dependent on the time spent in each state, the c3urrent across the load, and the angle between the voltage and current. This characteristic is given as follows.
In this analysis, \(f_{o}\) represents power frequency, φ represents load power factor angle, \(I_{ab}\) is the peak load current \({i}_{ab}\), and (ty − tx) shows the duration of the operating situation. In order to ensure that the capacitors remain self-balanced without the need for additional control, the value of capacitors is ascertained and determined as per the load requirement of a particular application. To minimize voltage ripples and deliver the specified load power, the capacitance needs to be large enough. The required capacitance can be calculated as follows:
where \({\text{P}}\) is active power, Vab is the root-mean-squared value of the load voltage vab and ΔVC is the capacitor voltage ripple.
Thus, the designed SCMLI, has the following valid conditions:
Here, the bidirectional-blocking-bidirectional-conducting switch is accounted for using two power switches in a common emitter connection. Hence, the total number of power switches in (4) is taken as thirteen. Also, as a common emitter connection is used, a common gate driver unit will suffice, and hence, the total number of gate driver units is taken to be twelve in (7) above.
Comparison with other scmlis
While classical topologies typically achieve a voltage gain of unity, switched capacitor-based structures provide gains exceeding unity. Therefore, the PI is evaluated against recent literature of various switched capacitor-based structures. Table 2 outlines a comparison with contemporary topologies based on device count, while Table 3 extends this comparison to TSV and PIV requirements, both crucial for reliability and applicability2,11. Regardless of the total number of output levels produced, a standardized matching between structures can be obtained through the evaluation of the number of components employed per synthesized output level. Analysis presented in the ninth column of Table 2 shows the component efficiency of each structure, which allows for an unbiased assessment of their relative performance.
From Table 2, it is evident that the PI entails a reduced number of components per level in contrast to5,26, with the latter exhibiting even lower component counts. However, on examining Table 3, the TSV and PIV of topologies in5,26 are high as compared to the PI. In fact, a methodology to incorporate the component count and TSV in a single parameter (called cost function ‘CF’) is presented in7 for evaluating a topology and is widely used to determine the merit of an SCMLI5. It is defined as7:
Table 3 records the C.F. for all the topologies under comparison, and it can be observed that the suggested topology is the most competent amongst the contemporary ones in terms of C.F. The THD comparison with similar structures is presented in Table 4, highlighting the superior performance of the proposed design. Figure 16 illustrates the graphical representation of CF, device count per level, TSV per level per unit with respect to \({V}_{in}\) (X), PIV per level per unit with respect to \({V}_{in}\)(Y) and voltage THD.
Graphical representation (a) CF (b) Device count per level (c) TSV level per unit w.r.t \({V}_{in}\) (d) Voltage THD.
Switching methodology
The suggested topology can be generalized for different multilevel inverter topologies with proper modifications. Thus, this work uses the multicarrier PWM scheme proposed in30 because it has the possibility of using both null states. The technique, as depicted in Fig. 17(a), employed 12-triangular high-frequency waveforms \({\text{V}}_{\text{crj}} \left\{\text{j }= 1\text{ to }12\right\}\) as carriers in phase opposition. The waveforms are exhibited at low frequency for clarity. A sinusoidal waveform \({\text{V}}_{\text{ref}}\) with frequency \({\text{f}}_{\text{o}}\) serves as the reference signal. In Fig. 17(b), reference and carrier signals are shown. Comparators continuously compare reference and carrier signals. Comparators output values of 1, 2, 3, 4, 5, 6, 0, − 1, − 2, − 3, − 4, and -5 when \({\text{V}}_{\text{ref}}\) \(>{\text{V}}_{\text{crj}}\). On the other hand, comparators produce the corresponding outputs as 0, 1, 2, 3, 4, 5, − 1, − 2, − 3, − 4, − 5, and − 6 if the \({\text{V}}_{\text{ref}} <{\text{V}}_{\text{crj}}\). An aggregated signal ‘a’ is obtained by adding signals \({\text{a}}_{\text{j}}\) \(\{\text{j }= 1\text{ to }12\}\), as shown in Fig. 17(c).
(a) Switching strategy of designed SCMLI; (b) \({\text{V}}_{\text{ref}}\) and \({\text{V}}_{\text{crj}}\); and (c) Aggregated signal ‘a’.
The signal ‘a’ is an aggregated waveform consisting of seven discrete positive levels, ranging from 15 to 21 in increments of + 1, and seven discrete negative levels, ranging from –15 to –21 in decrements of –1. The triggering pulses are produced in a 1:1 relationship with the levels at the output waveform as depicted in Fig. 17(a).
Power losses
Three forms of power losses occur in a switched-capacitor-based MLI: capacitor, switching, and conduction9,10,31. The following losses are briefly discussed:
(a) Power losses in capacitors: The following equation9 calculates capacitor voltage ripple for each inverter operational state:
Here, \({\text{i}}_{\text{C}}\) is the current through a switched capacitor, (ty—tx) is the discharging time span, and C is the capacitance value. Hence, for each of the states used for level generation, the power losses due to capacitor ripples as (\({f}_{o}\) being the power frequency):
In switched capacitors of the topology, power losses also take place due to equivalent series resistance (ESR) of a given capacitor (\({R}_{ESR}\)). Thus, the conduction losses in each switched capacitor can be calculated as:
So, adding (13) and (14) gives the total power losses taking place in a given switched capacitor of an SCMLI.
(b) Switching power losses: During switching in a power semiconductor device, the intrinsic delays lead to switching losses. For each of the power switches, the losses during turning ON and OFF can be obtained as 9:
where, Vin = voltage stress bear by the switch during its OFF state; i(t) = current bearing capability of the switch during conduction; \({\text{t}}_{\text{ON}}\)= the time at which the switch is ON; \({\text{t}}_{\text{OFF}}\) = the time at which the switch is OFF; \({f}_{s}\)= switching frequency.
(c) Conduction sosses: Conduction losses for the transistor and diode part of a given power switch are obtained using the following equations with the description of the variables given in17:
Therefore, the power losses of the proposed SCMLI can be calculated as an aggregation of these losses. The losses occurred by individual switches are analyzed and presented in Table 5.
Experimental verification
To experimentally verify the designed converter, a lab test bench was implemented with discrete switches, such as IRF460 MOSFETs, and appropriate gate drivers, as depicted in Fig. 18. The input voltage was calibrated to \(100\text{ V}\), and capacitances of \(2200\), have been adopted for \({\text{C}}_{1}\), \({\text{C}}_{2}\) and \({\text{C}}_{3}\). The dSPACE DS1103 was employed to create a gate pulse. The carrier and reference signal were at 1 kHz and 50 Hz, respectively, with a modulation index of 0.95. The load terminals were connected to an inductive load, a 50-Ω resistor (\(\text{R}\)), and a 170 mH inductor (\(\text{L}\)).
Prototype of the PI.
The voltage waveforms across the power switches are illustrated in Fig. 19, demonstrating adherence to the PIV values specified in Table 1, with \({\text{V}}_{\text{in}}\) set at 100 V.
(a–c) Voltage waveforms across power switches.
Figure 20(a) depicts the start-up response of the inverter, where the capacitors C₁, C₂, and C₃ achieve self-balancing at 100 V, 50 V, and 50 V, respectively. As shown in Fig. 20(b), even when the load varies, the voltage waveforms remain unchanged. The output is a 13-level waveform with 50 V step increments, as anticipated. Hence, the feasibility of the PI is confirmed through its performance and the capacitors’ ability to self-balance. Figure 20(c) presents the results for a purely resistive load. It is observed that under resistive loading conditions, the capacitors maintain self-balancing, and the output voltage remains stable. Figure 20(d) illustrates the results under varying modulation index conditions. It is observed that despite the change in modulation index, the capacitors sustain self-balancing, while the output voltage adjusts correspondingly. The harmonic spectra of the voltage and current waveforms are illustrated in Fig. 20(e) and (f). The corresponding THD values for the voltage and current waveforms are 7.2% and 0.6%, respectively. Figure 20(g) presents both theoretical and experimental efficiencies, indicating that the experimental efficiency, at 96.7%, is slightly lower than theoretical value.
Experimental results: (a) Start-in response with waveforms of load voltage, load current, and capacitor voltages; and (b) Waveforms when the load is increased. (c) R-load (d) Change in Modulation index (e) THD of the output voltage and (f) THD of Load current (g) Efficiency comparison.
SBased on the literature review, MLIs have potential applications in the following areas:
(i) The power distribution system for high-frequency alternating current (HFAC): The elimination of filter stages and rectifiers from high-frequency alternating current (HFAC) power distribution systems (PDS) enhances power density, heat distribution, efficiency, and reduces the number of components compared to typical direct current (DCPDS) systems26,30. HFAC PDS improves system efficiency and finds use in electric vehicles, lights, microgrids, computers, and telecommunications31. One common method for making HFAC PDS more reliable is to use SCMLIs4.
(ii) Based on photovoltaic power generation systems: Photovoltaic systems produce minimal electricity, necessitating voltage amplification for grid integration. This can be accomplished using PV module cascading, DC-DC converters, or step-up transformers on the inverter’s AC side. However, these strategies elevate expenses, mass, and inefficiencies. SCMLIs provide benefits such as capacitor self-balancing, decreased filtering, enhanced voltage gain, and grid-compatible waveforms9,27.
(iii) Electric vehicle traction system (EVTS): EVTS are generally arranged in two configurations: (a) a direct connection from the battery to the inverter or (b) a connection from the battery- DC-DC converter. The former necessitates more series cells for elevated DC-link voltage, whereas the latter escalates expense and complexity. SCMLIs effectively tackle these difficulties, improving output voltage and system speed7,28.
Conclusion
This paper presents a single-phase thirteen-level inverter with three capacitors for three-fold voltage boosting capability. The proposed switched capacitor inverter presents PIVs much lower than the operating voltage for most of the power-switching devices. The suggested topology and control strategy enables the capacitors to self-balance their voltage. A comparison with the existing topologies shows that the proposed design provides a smaller number of components, a lesser total standing voltage, and a more economical cost. The findings demonstrate that the proposed 13-level SC-MLI not only meets the harmonic standards but also offers a reliable and efficient solution with fewer components, making it a competitive option for high-performance multilevel inverter applications. Due to its high-resolution AC waveforms with increased output voltage, this inverter is ideal for applications where low voltage power supply is used as DC source input, such as integration of renewable energy sources into the grid, photovoltaic systems, and electric vehicles.
Data availability
The datasets used and/or analyzed during the current study available from the corresponding author on reasonable request.
References
Gupta, K. K., Ranjan, A., Bhatnagar, P., Sahu, L. K. & Jain, S. Multilevel inverter topologies with reduced device count: A review. IEEE Trans. Power Electron. 31(1), 135–151 (2016).
Malinowski, M., Gopakumar, K., Rodriguez, J. & Pérez, M. A. A survey on cascaded multilevel inverters. IEEE Trans. Industr. Electron. 57(7), 2197–2206 (2010).
Akagi, H. Classification, terminology, and application of the modular multilevel cascade converter (MMCC). IEEE Trans. Power Electron. 26(11), 3119–3130 (2011).
Roy, T., Sadhu, P. K. & Dasgupta, A. Cross-switched multilevel inverter using novel switched capacitor converters. IEEE Trans. Industr. Electron. 66(11), 8521–8532. https://doi.org/10.1109/TIE.2018.2889632 (2019).
Ye, Y., Chen, S., Wang, X. & Cheng, K.-W.E. Self-balanced 13-level inverter based on switched capacitor and hybrid PWM algorithm. IEEE Trans. Ind. Electron. 68(6), 4827–4837 (2021).
Sandeep, N., Ali, J. S. M., Yaragatti, U. R. & Vijayakumar, K. A Self-Balancing five-level boosting inverter with reduced components. IEEE Trans. Power Electron. 34(7), 6020–6024 (2019).
Barzegarkhoo, R., Moradzadeh, M., Zamiri, E. & Blaabjerg, F. A new boost switched-capacitor multilevel converter with reduced circuit devices. IEEE Trans. Power Electron. 33(8), 6738–6754 (2018).
Lee, S. S. Single-stage switched-capacitor module (s3cm) topology for cascaded multilevel inverter. IEEE Trans. Power Electron. 33(10), 8204–8207 (2018).
Hinago, Y. & Koizumi, H. A switched-capacitor inverter using series/parallel conversion with inductive load. IEEE Trans. Ind. Electron. 59(2), 878–887 (2012).
Ye, Y., Cheng, K. W. E., Liu, J. & Ding, K. A step-up switched capacitor multilevel inverter with self-voltage balancing. IEEE Trans. Ind. Electron. 61(12), 6672–6680 (2014).
Sun, X. et al. A single dc source cascaded seven-level inverter integrating switched-capacitor techniques. IEEE Trans. Ind. Electron. 63(11), 7184–7194 (2016).
Saeedian, M., Hosseini, S. M. & Adabi, J. Step-up switched-capacitor module for cascaded MLI topologies. IET Power Electron. 11(7), 1286–1296 (2018).
Taghvaie, A., Adabi, J. & Rezanejad, M. A self-balanced step-up multilevel inverter based on switched-capacitor structure. IEEE Trans. Power Electron. 33(1), 199–209 (2018).
Barzegarkhoo, R., Kojabadi, H. M., Zamiry, E., Vosoughi, N. & Chang, L. Generalized structure for a single phase switched-capacitor multilevel inverter using a new multiple dc link producer with reduced number of switches. IEEE Trans. Power Electron. 31(8), 5604–5617 (2016).
He, L. & Cheng, C. A flying-capacitor-clamped five-level inverter based on bridge modular switched-capacitor topology. IEEE Trans. Ind. Electron. 63(12), 7814–7822 (2016).
Saeedian, M., Hosseini, S. M. & Adabi, J. “A five-level step-up module for multilevel inverters: Topology, modulation strategy and implementation”, IEEE. J. Emerg. and Selec. Top. Power Electron. 6(4), 2215–2226 (2018).
Bhatnagar, P., Agrawal, R., Kumar Dewangan, N., Jain, S. K. & Kumar Gupta, K. Switched capacitors 9-level module (SC9LM) with reduced device count for multilevel DC to AC power conversion. IET Electr. Power Appl. 13(10), 1544–1552 (2019).
Mohamed Ali, J. S. & Krishnasamy, V. Compact switched capacitor multilevel inverter (CSCMLI) with self-voltage balancing and boosting ability. IEEE Trans. Power Electron. 34(5), 4009–4013 (2019).
Sandeep, N., Ali, J. S. M., Yaragatti, U. R. & Vijayakumar, K. Switchedcapacitor-based quadruple-boost nine-level inverter. IEEE Trans. Power Electron. 34(8), 7147–7150 (2019).
Kim, K.-M., Han, J.-K. & Moon, G.-W. A high step-up switchedcapacitor 13-level inverter with reduced number of switches. IEEE Trans. Power Electron. 36(3), 2505–2509 (2021).
Panda, K. P., Bana, P. R. & Panda, G. “A switched-capacitor selfbalanced high-gain multilevel inverter employing a single DC source”, IEEE trans. Circuits Syst. II Exp. Briefs 67(12), 3192–3196 (2020).
Sandeep, N. “A 13-level switched-capacitor-based boosting inverter”, IEEE Trans. Circuits Syst. II Exp. Briefs 68(3), 998–1002 (2021).
Ye, Y., Zhang, G., Wang, X., Yi, Y. & Cheng, K. W. E. Selfbalanced switched-capacitor thirteen-level inverters with reduced capacitors count. IEEE Trans. Ind. Electron. 69(1), 1070–1076 (2022).
Anand, V. & Singh, V. A 13-Level switched-capacitor multilevel inverter with single DC source. IEEE J. Emerg. Sel. Top. Power. Electron. 10(2), 1575–1586. https://doi.org/10.1109/JESTPE.2021.3077604 (2022).
Jena, K. et al. A 3-Φ switched-capacitor-based multilevel inverter with reduced voltage stress and part count. Electr. Eng. 106, 2679–2690 (2024).
Iqbal, H. & Sarwat, A. Improved genetic algorithm-based harmonic mitigation control of an asymmetrical dual-source 13-level switched-capacitor multilevel inverter. Energies 18(1), 35 (2025).
Al-Mamoori, D. H. et al. A new transformerless common ground 5-level inverter (TCG5LI) with dynamic high-voltage gain boost and fault-tolerant capability. Int. J. Circuit Theory Appl https://doi.org/10.1002/cta.4540 (2025).
Agrawal, S., Kumar, K. S. & Sahoo, M. A five-level switched capacitor-based common-ground inverter for photovoltaic applications. Int. J. Circuit Theory Appl. https://doi.org/10.1002/cta.4504 (2025).
Jena, K., Gupta, K. K. & Kumar, D. A 4-X Gain 9-level multilevel inverter topology with reduced part count. Sci. Iranica https://doi.org/10.24200/sci.2025.65182.9341 (2025).
Ounejjar, Y., Al-Haddad, K. & Gregoire, L. Packed U cells multilevel converter topology: Theoretical study and experimental validation. IEEE Trans. Industr. Electron. 58(4), 1294–1306 (2011).
Babaei, E. & Gowgani, S. S. Hybrid multilevel inverter using switched capacitor units. IEEE Trans. Industr. Electron. 61(9), 4614–4621 (2014).
Funding
Open access funding provided by Manipal Academy of Higher Education, Manipal. The study was not supported by any grant.
Author information
Authors and Affiliations
Contributions
Methodology: NKD, and KJ; Conceptualization: NKD, KJ, DUS; visualization: NKD, KJ, DUS, TKT, MM; writing—original draft preparation: NKD, KJ, DUS, MM; writing—review and editing: NKD, KJ, TKT, DUS, MM; Revising manuscript: NKD, KJ, TKT, DUS, MM.
Corresponding author
Ethics declarations
Competing interests
The authors declare no competing interests.
Ethical approval
This is to confirm that all methods were carried out in accordance with relevant guidelines and regulations in this research work. All the protocols received approval from Manipal Institute of Technology, Manipal Academy of Higher Education, Manipal, 576104, India.
Additional information
Publisher’s note
Springer Nature remains neutral with regard to jurisdictional claims in published maps and institutional affiliations.
Rights and permissions
Open Access This article is licensed under a Creative Commons Attribution 4.0 International License, which permits use, sharing, adaptation, distribution and reproduction in any medium or format, as long as you give appropriate credit to the original author(s) and the source, provide a link to the Creative Commons licence, and indicate if changes were made. The images or other third party material in this article are included in the article’s Creative Commons licence, unless indicated otherwise in a credit line to the material. If material is not included in the article’s Creative Commons licence and your intended use is not permitted by statutory regulation or exceeds the permitted use, you will need to obtain permission directly from the copyright holder. To view a copy of this licence, visit http://creativecommons.org/licenses/by/4.0/.
About this article
Cite this article
Dewangan, N.K., Jena, K., Tailor, T.K. et al. Self-balanced switched capacitors based thirteen level three-fold multilevel inverter for solar PV applications. Sci Rep 15, 37840 (2025). https://doi.org/10.1038/s41598-025-21760-6
Received:
Accepted:
Published:
Version of record:
DOI: https://doi.org/10.1038/s41598-025-21760-6





















