Abstract
This paper investigates the economic energy management of a wireless electric vehicle charging stations (EVCS) connected to hybrid renewable energy system comprising photovoltaic (PV), wind, battery storage, and the main grid. The study adopts an Improved Harris Hawk Optimization (IHHO) algorithm to optimize energy management and minimize operational costs under varying scenarios. Three distinct wireless EV charging load profiles are considered to evaluate the performance of the proposed optimization technique. Simulation results demonstrate that the IHHO algorithm achieves significant cost reductions and improves energy utilization efficiency compared to other state-of-the-art optimization algorithms such as Improved Quantum Particle Swarm Optimization (IQPSO), Honeybee Mating Optimization (HBMO), and Enhanced Exploratory Whale Optimization Algorithm (EEWOA). For scenarios with renewable energies, the IHHO algorithm reduced electricity costs by up to 36.41%, achieving a per-unit cost as low as 3.17 INR for the most demanding EV charging profile. Under scenarios of renewable generation disconnection, the IHHO algorithm maintained its superiority, reducing costs by up to 37.89% compared to unoptimized dispatch strategies. The integration of battery storage further enhanced the system’s resilience and cost-effectiveness, particularly during periods of renewable unavailability. The IHHO algorithm’s robust performance, reflected in its ability to handle dynamic and challenging operational conditions, demonstrates its potential for practical deployment in real-world wireless EVCS powered by hybrid renewable energy systems. The findings highlight the IHHO algorithm as a reliable and efficient tool for optimizing energy dispatch, promoting the integration of renewable energy, and supporting sustainable wireless EVCS infrastructure development. Simulation results demonstrate that IHHO outperforms all benchmark algorithms, achieving electricity cost reductions of up to 35.82% in EV Profile 3, with a minimum per-unit electricity cost of 3.11 INR/kWh across all scenarios. Specifically, IHHO achieved the lowest electricity cost of 6479.72 INR/day for EV Profile 1, 10,893.23 INR/day for EV Profile 2, and 20,821.63 INR/day for EV Profile 3, consistently outperforming IQPSO, HBMO, and EEWOA.
Similar content being viewed by others
Introduction
The increasing global demand for sustainable and efficient energy systems has driven the integration of renewable energy sources (RES) such as photovoltaic (PV) and wind energy into various applications, including electric vehicle charging infrastructure. Wireless Electric Vehicle Charging Stations (EVCS) are emerging as a promising technology to support the growing electric vehicle (EV) market1. However, the variability and intermittency of renewable energy generation pose significant challenges for ensuring reliable energy dispatch and economic operation. The development of advanced optimization algorithms to manage these challenges has become a crucial area of research. In hybrid renewable energy systems, economic energy dispatch involves determining the optimal allocation of available energy sources to meet the load demand while minimizing costs. Conventional optimization methods often struggle with the complexity of managing dynamic and interconnected systems with fluctuating renewable energy inputs2. To address this, metaheuristic algorithms have gained popularity due to their ability to handle non-linear, multi-objective problems effectively.
The optimization of hybrid renewable energy systems for electric vehicle charging has been extensively studied. Various algorithms and strategies have been proposed to address challenges such as intermittent renewable energy generation, high operational costs, and system reliability. Several studies focused on conventional optimization techniques. In3, authors employed linear programming to optimize PV and wind energy dispatch for microgrids. While the method achieved satisfactory results under steady-state conditions, it struggled with the non-linear dynamics of real-world energy systems. Similarly, authors utilized dynamic programming to schedule energy resources in hybrid systems in4. The approach was computationally efficient for small-scale applications but faced scalability issues for larger systems with multiple variables.
Metaheuristic algorithms have gained traction due to their adaptability and robustness. In5 introduced Particle Swarm Optimization (PSO) for hybrid energy systems, achieving improved cost reduction. The algorithm was prone to premature convergence in complex search spaces. In6 applied Genetic Algorithms (GA) for energy scheduling, which showed flexibility in handling non-linear constraints but required extensive computational time. In7 explored Grey Wolf Optimization (GWO), demonstrating better convergence than PSO and GA, but its performance diminished with increasing system complexity. Hybrid algorithms have been proposed to overcome the limitations of single-method approaches. In8 combined PSO with simulated annealing to enhance solution diversity. While this hybrid method reduced energy costs, it required fine-tuning multiple parameters, making it less user-friendly. Similarly, in9 merged GA with GWO to balance exploration and exploitation, achieving superior results but at the cost of increased computational overhead.
The integration of predictive control techniques with metaheuristic algorithms has shown promise. In10 implemented Model Predictive Control (MPC) with PSO for EV charging stations, enhancing system responsiveness. This approach depended heavily on accurate system modelling, which may not always be feasible. In11 combined MPC with GA, achieving dynamic adaptability but requiring higher computational resources. Advanced algorithms such as Harris Hawk Optimization (HHO) have recently gained attention. In12 applied HHO to optimize hybrid renewable systems, achieving faster convergence than traditional methods. The algorithm occasionally suffered from local optima traps in high-dimensional problems. In13 introduced an Improved HHO (IHHO) by refining exploration mechanisms, addressing local optima issues but at the expense of slightly increased computational complexity.
Several researchers have studied renewable energy scenarios to optimize energy management in microgrid systems. In14, the impact of PV and wind energy outages on system performance was analysed using the Particle Swarm Optimization (PSO) algorithm. The study demonstrated the effectiveness of PSO in handling renewable energy variations; however, it highlighted a key limitation—PSO tends to get trapped in local optima, making it less effective under highly dynamic conditions where continuous adaptation is required. In15, the Genetic Algorithm (GA) was employed for a similar scenario, focusing on improving system resilience during renewable energy fluctuations. The study identified a major drawback: GA requires a high computational cost, especially when handling complex constraints and large datasets. And its performance is heavily dependent on the selection of parameters such as mutation and crossover rates, which require extensive tuning to achieve optimal results, making it less practical for real-time applications.
In16, the Grey Wolf Optimization (GWO) algorithm was explored for renewable energy optimization, demonstrating superior adaptability to changing energy conditions compared to PSO and GA. The study highlighted GWO’s ability to balance exploration and exploitation, leading to improved energy efficiency. But one significant drawback was that GWO requires careful parameter adjustment to maintain performance across different scenarios. In17, proposed an Improved Sine Cosine Algorithm (ISCA) for optimizing energy consumption in Smart Urban Buildings (SUBs) by utilizing a load-shifting technique for demand-side management, aiming to reduce peak-to-average ratio (PAR) and electricity costs while maintaining user comfort. The ISCA algorithm outperforms other conventional algorithms and unscheduled energy usage, achieving less cost savings, PAR reduction, and waiting time improvement. Additionally, a two-stage stochastic model based on the Moth-Flame Optimization Algorithm (MFOA) is introduced for the co-optimization of energy scheduling and storage capacity planning in grid-connected smart buildings. In18 authors explored energy management in microgrids using an optimization-based approach to minimize operating costs, optimize energy storage, and maximize revenue from grid energy sales. To address the limitations of traditional PSO in handling constrained optimization problems, a Constrained Particle Swarm Optimization-Based Model Predictive Control (CPSO-MPC) approach is developed using Deb’s rule for constraint management. Simulation results demonstrate that the modified PSO-MPC algorithm outperforms traditional linear programming methods in optimizing microgrid energy management.
In19, the Harris Hawk Optimization (HHO) algorithm was applied to microgrid optimization, demonstrating fast convergence and improved energy cost minimization. The study showed that HHO could outperform conventional methods in terms of computational speed. However, a major drawback of HHO was its limited scalability when applied to larger microgrid systems. The algorithm’s effectiveness decreased when dealing with highly complex networks with multiple distributed energy resources (DERs) and electric vehicle charging stations (EVCSs), making it less suitable for large-scale implementations. In20, a comparative study was conducted to evaluate the performance of PSO, GA, and GWO for cost minimization in microgrid systems. The results indicated that GWO outperformed both PSO and GA in most cases, particularly in terms of stability and convergence. However, the study pointed out that GWO’s performance is highly sensitive to initial parameter settings. This sensitivity makes it challenging to maintain consistency across different microgrid configurations, as slight variations in parameters can lead to significantly different optimization outcomes. In21, an extended comparison was performed by including HHO alongside PSO, GA, and GWO. The results demonstrated that HHO achieved the best overall optimization results in terms of cost efficiency and system stability. However, the study noted a key drawback: HHO requires algorithm-specific expertise for effective implementation. Unlike PSO or GA, which have been widely studied and applied, HHO is relatively new, and its application demands a deep understanding of the algorithm’s mechanics. This limits its accessibility to researchers and industry professionals who are unfamiliar with the technique, making widespread adoption challenging.
In22, proposed an Adaptive Model-Based Horizon Control technique to enhance the Energy Management System (EMS) in micro-grid operations by optimizing energy generation, demand balancing, and storage management in high-renewable penetration scenarios. Using an adaptive model predictive control algorithm, the study integrates hybrid energy storage systems to minimize operational costs while ensuring efficient energy exchange with the main grid. Simulation results confirm that accurate disturbance prediction significantly improves micro-grid performance, reducing running costs and enhancing overall system efficiency. In23 presented an Improved Cockroach Swarm Optimization Algorithm (ICSOA) integrated with the Innovative Apartments Appliance Scheduling (IAAS) framework to optimize household energy management under demand response (DR) programs. The proposed method minimizes electricity costs, enhances user comfort, and reduces the peak-to-average ratio by efficiently scheduling apartment appliances. Simulation results demonstrate that ICSOA outperforms BFOA and unscheduled scenarios, achieving a 46.085% reduction in energy costs, making it beneficial for both consumers and utility providers. In24 investigated the optimization of a hybrid microgrid integrating photovoltaic (PV) panels, wind turbines (WT), battery energy storage systems (BESS), and electric vehicle (EV) grid connections to enhance power distribution efficiency. Using advanced stochastic metaheuristic algorithms, particularly the Turbulent Flow of Water-based Optimization (TFWO). The results confirm TFWO’s superior performance in cost minimization, power reliability, and computational efficiency, providing valuable insights for sustainable microgrid development.
In25, proposes a novel Enhanced Exponential-Weighted Optimization Algorithm (EEWOA) to enhance the convergence speed of the traditional Antlion Optimization Algorithm (ALO), which suffers from long runtimes and slow convergence in high-dimensional problems. By incorporating exponential functions and random number variations, EEWOA increases the diversity of ant movements, leading to faster and more efficient optimization. Experimental results on twelve benchmark functions demonstrate that EEWOA outperforms ALO and other existing methods, making it a promising approach for solving complex optimization problems. However, its major drawback was its diminished performance under highly dynamic conditions. In26, a refined Hybrid Bee Mating Optimization (HBMO) algorithm was developed for energy dispatch in hybrid renewable energy systems. HBMO improved cost savings and enhanced the scheduling of energy distribution for EV charging stations. The algorithm demonstrated superior optimization capabilities by mimicking natural bee mating behaviour to explore multiple possible energy scheduling solutions. But a significant drawback was its reliance on detailed tuning of multiple parameters. Properly configuring HBMO required deep expertise, as incorrect parameter selection could lead to suboptimal energy dispatch and increased operational costs.
Beyond traditional optimization techniques, researchers have explored the role of machine learning in hybrid renewable energy systems for EV charging. In27, reinforcement learning was combined with PSO to develop a dynamic energy management strategy. This hybrid approach allowed the system to learn from past energy demand patterns and adapt its scheduling strategies accordingly. The results showed improved adaptability to changing conditions, reducing dependence on grid electricity. However, the integration of reinforcement learning increased the algorithm’s complexity, making it more computationally intensive and harder to implement in real-time applications. In28, neural networks were integrated with GA to enhance predictive accuracy in hybrid renewable energy systems. The study demonstrated that neural networks could improve the forecasting of energy generation and EV charging demand, allowing for better energy scheduling and cost optimization. However, the primary limitation of this approach was the need for extensive training data. The accuracy of the neural network depended heavily on the quality and quantity of historical data available, which could pose challenges in areas with limited datasets or highly variable energy conditions.
In29, authors focused on optimizing a hybrid microgrid system for a small hotel and four EV charging stations using the Quadratic Interpolation Beluga Whale Optimization (QIBWO) algorithm, integrating photovoltaic panels, wind turbines, and battery storage to achieve cost-effective and sustainable energy management. The results demonstrate that the optimized system meets maximum percentage of the hotel’s energy needs from renewable sources, achieving a low LCOE while minimizing reliance on the main grid. In30, introduced the Quadratic Interpolation-enhanced Artificial Gorilla Troops Optimizer (QIGTO) to optimize grid-connected hybrid renewable energy systems (HRES) by improving convergence speed and solution accuracy. Applied to a real-world scenario with photovoltaic panels, wind turbines, batteries, and supercapacitors, QIGTO increased the renewable energy fraction, reduced the annual cost, and achieved a low cost of energy. The findings demonstrate that QIGTO is an effective tool for enhancing the efficiency and cost-effectiveness of HRES, supporting the global transition toward sustainable energy solutions.
In31, HHO-optimized hybrid renewable energy systems were tested under field conditions, showing superior performance compared to other optimization techniques. The study demonstrated that HHO could effectively minimize energy costs and balance power flow in EV charging stations. However, the implementation of HHO in real-world scenarios required algorithm-specific expertise. Unlike more established methods like PSO and GA, HHO was relatively new, making it difficult for practitioners to adopt without specialized knowledge of its working mechanisms and parameter tuning requirements.
Economical energy dispatch (EED) is a critical function in power systems, aimed at determining the optimal generation schedule for minimizing overall fuel costs while adhering to system constraints, including transmission losses32,33. As a fundamental optimization problem, EED has significant practical implications, striving to achieve cost-efficient generation. Efforts to address the EED problem date back to the early 1970s, utilizing various optimization techniques such as the gradient method, projection method, and the λ-iteration method34. These techniques treat EEM as a constrained optimization challenge, addressing system complexities and operational limitations.
One key aspect of EED is the consideration of forbidden operation zones, as highlighted in earlier studies35. These zones impose restrictions on generator outputs due to operational or technical constraints. Orthogonal Particle Swarm Optimization (OPSO) has been employed to solve the ED problem, factoring in constraints like ramp rate limits and prohibited operating zones in thermal generating units (TGUs) and smart power grids (SPG) in36. The OPSO approach demonstrated effectiveness in optimizing power systems under these challenging conditions. Similarly, the Grasshopper Optimization Algorithm (GOA) has been utilized for Mult objective optimization in power systems. GOA was specifically applied to manage transmission line congestion, ensuring system operation at minimal cost by fine-tuning algorithm parameters37. Moreover, flexible AC transmission systems have been investigated for their role in congestion management within deregulated electricity markets, providing valuable insights for various market topologies38.
In the domain of microgrids, GOA has also been applied for optimal power dispatch in marine microgrids. Comparative studies revealed that GOA offers robust solutions, enabling the integration of more renewable energy sources and improving system stability39. Additionally, the Multi objective Ant Lion Optimization (MOALO) algorithm has been employed for solving engineering design problems, where it outperformed the Multi objective Particle Swarm Optimization (MOPSO) algorithm in terms of convergence and coverage. Its application to economic and emission dispatch problems further demonstrated its capability in addressing real-world challenges40. A modified Artificial Bee Colony (ABC) algorithm has been developed to address the dynamic economic emission dispatch (DEED) problem. This enhanced method achieved superior optimization results compared to over ten other metaheuristic algorithms, highlighting its effectiveness41.
Parallel to advancements in ED, the increasing adoption of plug-in electric vehicles (PEVs) has underscored their importance in modern power systems, particularly concerning environmental sustainability and energy efficiency12. However, the variability in PEV charging behaviours presents challenges. As PEV adoption rises, the disparity between peak and valley loads is expected to widen, intensifying load demand. Studies have explored the Vehicle-to-Grid (V2G) framework and its associated benefits and challenges, including optimization techniques for effective integration42. V2G technology has been shown to facilitate peak load reduction and load levelling, enhancing grid reliability and stability. By supporting supply–demand balance, V2G contributes to mitigating air pollution, reducing power outages, and increasing system efficiency43. Additionally, PEVs can optimize energy usage by charging during off-peak periods, thereby reducing stress on the grid44. In the realm of bidirectional charging, advancements such as the wireless power charger have been remarkable. A control system for IPT was developed to limit the primary side current, ensuring the system’s safety and reliability during operation in45. Research on the market penetration rates of electric vehicles (EVs), hybrid electric vehicles (HEVs), plug-in hybrid electric vehicles (PHEVs), and battery electric vehicles (BEVs) has explored various modelling approaches and optimization techniques. These studies have provided comprehensive insights into the factors influencing the adoption and integration of wireless EV charging technologies into power systems46,47. In47 proposed a novel energy management system for a real tramway by integrating renewable energy sources, supercapacitors, and lithium-ion batteries to enhance efficiency and sustainability. The system captures regenerative braking energy and utilizes supercapacitors for power fluctuations while lithium-ion batteries serve as a backup, ensuring reliable energy supply throughout the tramway’s round trip. A techno-economic and environmental analysis demonstrates significant benefits, including increased savings over 20 years and an carbon emissions reduction, making it a promising solution for sustainable public transportation.
Existing research on optimization has employed various metaheuristic algorithms, such as Improved Quantum Particle Swarm Optimization (IQPSO), Honeybee Mating Optimization (HBMO), and Enhanced Exploratory Whale Optimization Algorithm (EEWOA). While these algorithms have demonstrated improvements in energy management, they exhibit certain limitations. IQPSO, despite enhancing exploration through quantum behaviour, often struggles with premature convergence and requires fine-tuning of quantum parameters, making it less adaptable to dynamic energy systems. HBMO, which is inspired by natural mating behaviour, suffers from slow convergence and increased computational complexity when applied to large-scale optimization problems. EEWOA improves exploration–exploitation balance compared to conventional Whale Optimization Algorithm (WOA), but it lacks robustness in handling uncertainties associated with fluctuating renewable energy sources and varying load demands.
A critical gap in these studies is their limited adaptability to real-time variations in energy demand, generation, and wireless electric vehicle (EV) charging requirements. Many existing optimization approaches rely on static or semi-adaptive strategies, making them less effective under highly dynamic conditions. Additionally, most prior studies primarily focus on cost minimization without adequately considering energy utilization efficiency, grid stability, and the impact of multiple renewable energy sources operating in parallel. These shortcomings highlight the need for a more adaptive, efficient, and robust optimization approach.
To address these gaps, this study introduces the Improved Harris Hawk Optimization (IHHO) algorithm, which incorporates enhanced adaptive exploration–exploitation mechanisms, ensuring more effective handling of fluctuating energy supply and demand. Unlike previous algorithms, IHHO dynamically adjusts its search strategy using an improved escaping energy function and adaptive control parameters, preventing premature convergence while enhancing computational efficiency. This work integrates IHHO with a wireless EV battery charging system, optimizing not only microgrid energy distribution but also ensuring efficient charging operation with minimal power losses. By benchmarking IHHO against state-of-the-art algorithms, our results demonstrate significant cost reductions, improved energy efficiency, and superior adaptability under varying environmental and load conditions. This study, therefore, makes a meaningful contribution to the field by bridging the identified research gaps, offering a more intelligent, dynamic, and efficient solution for economic energy optimization in microgrids.
The proposed system significantly contributes to sustainability by optimizing the integration of renewable energy sources (PV and wind), reducing reliance on fossil fuels, and lowering carbon emissions in microgrid operations. By incorporating wireless EV battery charging, the system promotes clean transportation, further decreasing greenhouse gas emissions associated with conventional vehicles. The IHHO algorithm enhances the efficiency of energy distribution, minimizing energy losses and maximizing the utilization of renewable energy. The system supports grid stability and resilience, ensuring a sustainable transition to a low-carbon energy infrastructure. From an Environmental, Social, and Governance (ESG) perspective, the solution aligns with global decarbonization goals, fosters energy equity, and promotes environmentally responsible technological advancements.
Wireless EV charging system
Figure 1 illustrates a wireless charging system for electric vehicles (EVs) integrated with multiple energy sources, including the main grid, photovoltaic (PV) generation, wind generation, and a battery storage system. This integrated system represents a sustainable approach to powering electric vehicles, combining renewable energy sources and grid power with energy storage. To achieve optimal energy distribution, the economic dispatch from the three generation systems—PV, wind, and the main grid—along with the battery storage system, is optimized using the Improved Harris Hawks Optimization (IHHO) algorithm.
Wireless charging system of electric vehicle integrated with main grid and renewable energy generation system.
The wireless EV charging system (EVCS) relies on these interconnected energy sources to ensure efficient and reliable operation. The main generation sources for the system include PV panels and wind turbines, which provide renewable energy, as well as grid electricity as a supplementary source. A battery storage system is also included to store excess energy and supply power during periods of low generation or high demand. Together, these components ensure a balanced and cost-effective energy supply. The system’s operation involves multiple power conversion stages. First, the generated alternating current (AC) from the grid or renewable sources is converted into direct current (DC) using an AC/DC converter. This DC power is then transformed into high-frequency AC using a high-frequency DC/AC converter. The high-frequency AC power is critical for efficient wireless power transfer and is transmitted via a transmitter coil. This coil generates a magnetic field that wirelessly transfers energy to a receiver coil located in the EV. Once the high-frequency AC power is received by the EV’s receiver coil, it is converted back into DC power through an AC/DC converter. The resulting DC power is then used to charge the EV’s battery. This multi-stage conversion process ensures seamless energy transfer from the generation sources to the EV while maintaining high efficiency and reliability. The inclusion of renewable energy sources and battery storage further enhances the system’s sustainability and its potential to reduce dependency on grid electricity.
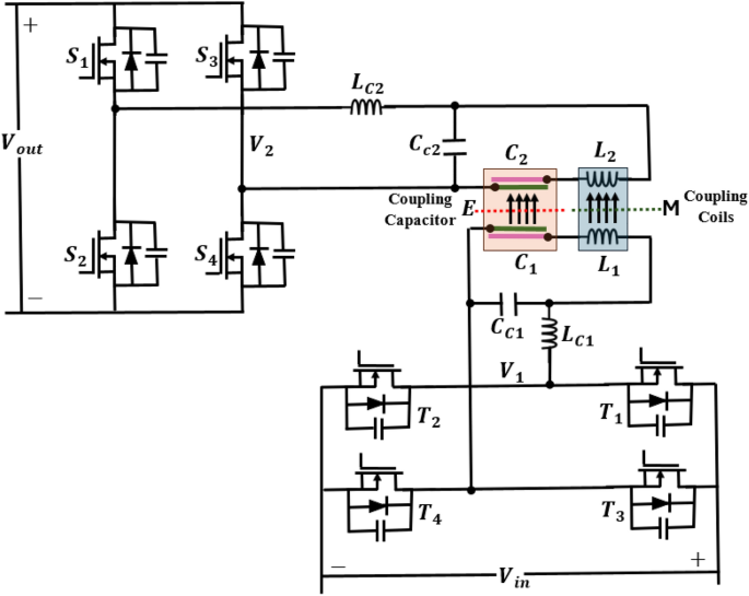
Wireless charger with Hybrid power transfer topology
An LCC hybrid power transfer topology48 is adopted in this paper for wireless charging system. The LCC-HPT topology for wireless charging of electric vehicles combines both inductive and capacitive power transfer mechanisms to achieve efficient power delivery. The system is equipped with coupling coils, \({L}_{1}\) and \({L}_{2}\), located on the transmitting and receiving sides, respectively, to facilitate inductive power transfer. In addition, coupling capacitors, \({C}_{1}\) and \({C}_{2}\), are positioned on the transmitting and receiving sides to enable capacitive power transfer. Together, these components ensure that the total power transferred from the transmitting side to the EV battery is the sum of the power contributions from both inductive and capacitive transfer methods. On the transmitting side, an H-bridge MOSFET inverter is employed to generate a square-wave voltage. This inverter excites the resonant tank, which is a combination of the inductive and capacitive element and injects power into the system. The square-wave voltage generated by the inverter inherently contains high-order harmonic components, which contribute to the operation of the resonant circuit. On the receiving side, a controlled rectifier is used to convert the output alternating current (AC) from the resonant tank into direct current (DC), which is then supplied to the EV battery. The rectifier ensures that the AC output from the receiving coil is conditioned into a usable DC form, suitable for battery charging. As a result, both the input and output voltages in the system exhibit high-order harmonic components due to the square-wave operation of the inverter and the resonant behaviour of the circuit.
The input-side inverter generates a square-wave voltage excitation and delivers power to the resonant tank. On the output side, the rectifier converts the AC current into DC and supplies it to the battery. As a result, both the input and output voltages contain high-order harmonic components. However, the LC compensation network functions as a low-pass filter, allowing for the use of fundamental harmonics approximation (FHA) to analyses the working principle, as shown in Fig. 2.
LCC-HPT Topology for wireless charger.
The simplified resonant circuit topology, depicted in Fig. 3, represents the equivalent model of the circuit shown in Fig. 2. In this simplified version, the coupling capacitor is replaced by an equivalent capacitor network, and both the input and output are modelled as sinusoidal voltage sources. The superposition theorem is utilized to analyse the circuit by dividing the two-source circuit into two single-source linear circuits: one excited by the input voltage source and the other by the output voltage source. This approach allows for a clear understanding of the resonant behaviour and power transfer mechanism.
Equivalent circuit of LCC-HPT topology.
When the circuit is excited by the input voltage source, the switching frequency \(\omega =2\pi {f}_{sw}\), where \({f}_{sw}\) is the switching frequency of the inverter. The equivalent capacitances of the coupling capacitor network are given by:
\({C}_{s}\) is the series capacitance, \({C}_{eq1}\) is the primary side parallel capacitance.
The resonant frequency of the parallel resonant circuits \(\omega\) is defined as:
In this configuration, \({L}_{c2}\) and \({C}_{f2}\) form a parallel resonance, resulting in an infinite impedance at the resonant frequency. This implies that no current flows through the inductor \({L}_{2}\). Similarly, the components \({L}_{1}\), \({C}_{c1}\), and \({C}_{eq1}\) form another parallel resonance, preventing current flow through \({L}_{c1}\). The current in \({L}_{f1}\) corresponds to the input current of the resonant tank. Consequently, the input current becomes independent of the input voltage, enabling the circuit to operate as a current source to the input.
When the circuit is excited by the output voltage source, the equivalent capacitance network on the secondary side is characterized as:
\({C}_{eq2}\) is the secondary side parallel capacitance
In this mode, \({L}_{c1}\) and \({C}_{c1}\) form a parallel resonance, while \({L}_{2}\), \({C}_{c2}\), and \({C}_{eq2}\) form another parallel resonance. The resonant behaviour ensures that there is no current flow through \({L}_{1}\) and \({L}_{c2}\). The current in \({L}_{c2}\) becomes the output current supplied to the load. As a result, the output current is independent of the output voltage, making the resonant circuit function as a current source to the load. The resonant circuit, through its parallel resonance behaviour, isolates specific components depending on the excitation source. The independence of the input current from input voltage and the output current from output voltage highlights the robustness of the circuit as a current source in both directions. The LC compensation network efficiently facilitates resonance and power transfer while minimizing energy losses and harmonic distortion. This dual-source resonance analysis ensures optimal operation of the hybrid power transfer system, enhancing its reliability and efficiency for wireless EV charging applications.
To calculate the output current and power, the circuit in Fig. 3 is analysed. It is important to emphasize that the output current in this configuration depends solely on the input voltage \({V}_{1}\), which is set as the reference phasor in this analysis. By considering the parallel resonance formed by \({L}_{c1}\), \({C}_{c1}\), and \({C}_{eq1}\), the voltage across individual components is derived as follows:
Since \({V}_{1}\) serves as the reference phasor, the voltage across \({C}_{c1}\) is directly equal to:
The voltage across \({L}_{1}\) is calculated by analyzing the impedance relationship between \({L}_{1}\) and the resonance circuit. Using the phasor relationships:
This simplifies to:
The voltage across \({C}_{eq1}\), which is in parallel with \({L}_{1}\) and \({C}_{c1}\), is expressed as:
Simplifying further:
Since the voltage across \({C}_{p1}\) is also the voltage across the capacitor \({C}_{1}\), we denote:
The voltage across \({C}_{2}\) is determined by the capacitive divider formed by \({C}_{s}\) and \({C}_{2}\) in series with \({C}_{1}\). The expression for \({V}_{c2}\) is given by:
Substituting \({V}_{C1}=-\frac{{C}_{c1}}{{C}_{eq1}}{V}_{1}\), the voltage across \({C}_{2}\) becomes:
Simplifying further, we get:
Since \({L}_{1}\) and \({L}_{2}\) are magnetically coupled, the voltage across \({L}_{2}\) is related to the voltage across \({L}_{1}\) through the mutual inductance \({M}_{12}\). Using the coupling coefficient \(k\), the mutual inductance is defined as:
Thus, the voltage across \({L}_{2}\) is:
Substituting \({V}_{L1}={\omega }^{2}{L}_{1}{C}_{c1}{V}_{1}\)
The voltage across \({C}_{c2}\) is the difference between the voltage across \({C}_{2}\) and the voltage across \({L}_{2}\):
Equation (8) emphasizes the importance of maintaining the polarity connection of \({L}_{2}\) as shown in Fig. 3. If the polarity is reversed, the voltages \({V}_{C2}\) and \({V}_{{L}_{2}}\) will cancel each other out, which results in a reduction of output power. Therefore, ensuring the correct polarity of \({L}_{2}\) is crucial for the efficient operation of the system.
The voltage across \({C}_{c2}\) is equivalent to the voltage across \({L}_{c2}\), and thus, the output-side current \({I}_{2}\) can be expressed as:
Substituting the expression for \({V}_{{C}_{c2}}\), derived earlier yiedls
Simplifying further
The output current \({I}_{2}\) is a combination of contributions from the capacitive power transfer (CPT) and inductive power transfer (IPT) mechanisms.
With the use of an H-bridge diode rectifier at the output side, the fundamental output current \(-{I}_{2}\) is in phase with the output voltage \({V}_{2}\). Consequently, the output power \({P}_{out}\) is given by:
Substituting \({I}_{2}\) into this equation yields
The first term represents the power contribution from capacitive power transfer (CPT), while the second term corresponds to the power from inductive power transfer (IPT).
The output power expression \({P}_{out}\) reveals the dual contributions from both capacitive and inductive mechanisms, underlining the hybrid nature of the power transfer system. The first term, \({P}_{CPT}\), depends on the capacitances \({C}_{s},{C}_{c1},{C}_{c2}\) and the input/output voltages, while the second term, \({P}_{IPT}\) is governed by the mutual inductance \({M}_{12}\) the inductances \({L}_{c1},{L}_{c2}\) and the input/output voltages. This hybrid approach ensures an efficient and balanced power transfer for electric vehicle charging systems.
PV model
Maximum power generated by PV module can be expressed as
\(G\) is the total solar radiation, \({T}_{p}\) stands for the temperature of the photovoltaic panels, and \({G}_{ref}\) is the reference irradiance. \({P}_{c}\) is a coefficient which depends on the factors such as Joule losses, panel cleanliness, and the stability of the PV panels. \({\text{T}}_{\text{eff}}\) denotes the temperature coefficient, while \({T}_{pref}\) and \({P}_{STC}\) correspond to the reference temperature (25 °C) and the rated power of the PV array under standard test conditions (1000 W/m2, 25 °C), respectively. The panel temperature \({T}_{p}\) is determined by the intensity of global solar radiation and the ambient temperature \({T}_{pref}\) which is set at 25 °C. The calculation can be expressed as follows:
In this equation, \(SCOT\) refers to the standard condition operating temperature49,50. As shown in Fig. 4, the physical structure and output characteristics of solar cells can be represented electrically by an equivalent model. In this ideal model, a solar cell is depicted as a current source with a diode connected in parallel. The photocurrent \({\text{I}}_{\text{ph}}\) is influenced by the cell temperature \({T}_{p}\) and solar radiation \(G\), as described in Eq. (3). The mathematical relationship between voltage V and current I in the equivalent diode circuit can be expressed using the following diode equation:
PV Array equivalent circuit.
The relationship between the solar cell’s reverse saturation currents I and temperature T is expressed as follows:
When constructing PV arrays by connecting solar cells in series and parallel configurations, it is commonly assumed that all cells have identical characteristics. Figure 4 shows the electrical equivalent circuit of a PV array. The relationship between voltage, current, and the power generated in a PV grid can be represented through an equivalent circuit, expressed as follows:
Here, the temperature coefficient (δ) is defined as \(- 3.7 \times 10^{3} \left( {1 ^\circ C} \right)\). The variable \({\text{G}}_{\text{s}-\text{ref}}\) denotes solar irradiance at a reference temperature of 25 °C (\({\text{T}}_{\text{ref}}\)) and under standard conditions of 1000 W/m2. Gs represents the actual solar irradiance, \({\text{P}}_{\text{r}}\) refers to the rated power under reference conditions, and \({\text{P}}_{\text{PV}}\left(\text{t}\right)\) indicates the output power of the PV system.
The challenge faced by Maximum Power Point Tracking (MPPT) techniques is to automatically identify the optimal voltage (\({\text{V}}_{\text{max}}\)) or current (\({\text{I}}_{\text{max}}\)) at which a PV array should operate. The goal of this optimization is to achieve the maximum output power (\({\text{P}}_{\text{max}}\)) under specific temperature and solar radiation conditions, as illustrated in Fig. 5. It demonstrates the tracking of maximum power (Pmax) at a constant solar radiation level (\({\text{G}}_{\text{S}}\)) while varying Tref. Conversely, it illustrates a scenario where \({\text{T}}_{\text{ref}}\) is held constant while \({\text{G}}_{\text{S}}\) varies. In this case, we observe that the maximum power changes only slightly in response to temperature variations, but it is significantly affected by fluctuations in solar radiation.
Characteristics of the PV array.
Optimization algorithm
Harris Hawks optimization algorithm: a framework
In 2019, Ali Asghar Heidari et al.51 introduced the Harris Hawks Optimization (HHO) metaheuristic algorithm. Harris hawks demonstrate remarkable social behaviour when it comes to hunting and attacking prey. The exploitative aspects of the technique involve Harris hawks searching for a rabbit, striking it in different ways, and making swift jumps. The hawks spread out to various areas in search of prey, using two different exploration strategies. Aspirants are likely the intended prey or very near to it, with the ideal being the targeted prey or something close. Harris hawks perch in locations like other groups, as well as near the rabbit during the initial encounter (prey). In the second step, the hawks randomly search for tall trees. The HHO algorithm then advances the optimization process by mathematically simulating these beneficial strategies and behaviours.
The Improved Harris Hawk Optimization (IHHO) algorithm is the extension for HHO algorithm for improving the balance between exploration and exploitation, for getting faster convergence speed, and for enhancing the robustness compared to other well-known metaheuristic algorithms such as Grey Wolf Optimizer (GWO), Artificial Bee Colony (ABC), and Particle Swarm Optimization (PSO). The effectiveness of an algorithm depends on its efficiency in balancing exploration (global search) and exploitation (local search). IHHO improves upon the standard Harris Hawk Optimization (HHO) algorithm by introducing modifications that enhance its performance in both these phases.
Initialization step
At this stage, the search space and objective function are defined, and the initial population is generated using chaotic maps. Additionally, all attribute values are determined.
The step of exploration
In this step, each Harris hawk represents a potential solution. During each iteration, the fitness value of each solution is calculated based on the targeted prey. Two strategies are introduced to represent the exploration abilities of Harris hawks within the search space, as outlined in Eq. (8).
The positions of the hawks within the \(ub, lb\) boundaries are determined by two principles: (1) generating solutions by combining a randomly selected hawk from the current population with other hawks, and (2) forming outcomes based on the prey’s position, the average location of the hawks, and randomly weighted factors. Although \({\text{g}}_{3}\) is a scale parameter, when \({\text{r}}_{4}\) reaches a value of one, it increases the algorithm’s unpredictability. This rule adds a randomly scaled step size to lb. Additional dynamic capabilities for exploring other parts of the feature space are introduced through a randomly scaled component. The average hawk position (solutions) is expressed in Eq. (9):
After the hawk utilizes random hawk information to catch the rabbit, Rule 1 is typically applied as described in Eq. (8). Rule 2 is executed when all hawks converge on the best-performing hawk, and the optimal solution has been selected.
From exploration to exploitation transition
This step illustrates how the HHO transitions from exploration to exploitation based on the prey’s energy level (E). As the prey attempts to escape, its energy gradually decreases, which is represented in Fig. 6.
For 250 iteration, E’s behaviour changes with time.
\({\text{E}}_{\text{O}}\) is the expected power decline, as shown in Eq. (10).
The key improvement in IHHO is the dynamic adaptation of E, which prevents premature convergence by modifying the exploration behaviour as the iteration progresses. Unlike GWO or PSO which relies on a static exploration mechanism based on leader-following, IHHO provides a more adaptive search.
During early iterations (t≈0) which means at the beginning of the search, E≈2, and this allows for larger movements across the search space. This ensures a global search to explore diverse regions and prevents the algorithm from getting stuck in local optima. In midway through optimization (t≈T/2), E gradually decreases, reducing the step size and the search process starts to shift from exploration toward exploitation. During final iterations (t≈T), E≈0, the hawks are performing local searches around promising solutions which helps fine-tune the solutions and ensures convergence to an optimal solution. Unlike algorithms with a fixed exploration–exploitation mechanism, IHHO automatically adjusts the search strategy based on the progress of the optimization. This helps in avoiding premature convergence by ensuring sufficient exploration in early stages and speeding convergence by refining the search space in later iterations.
Step of exploitation
In this step, the exploitation phase is achieved by using four different factors. These strategies are based on the positions identified during the exploration stage. Even with the hawks’ persistent attempts to catch the prey, the prey often tried to escape. To mimic the hawks’ hunting behaviour, HHO exploitation utilizes four main strategies: soft besiege, soft besiege with progressive speedy dives, hard besiege, and hard besiege with progressive speedy dives. These strategies depend on two factors: r and ∣E ∣, which indicate the method to be used. Here, ∣E ∣ represents the prey’s escaping energy, and r is the probability of escape. If r < 0.5, it suggests a higher chance of the prey successfully escaping, while r ≥ 0.5 indicates a lower likelihood of escape.
The following is an overview of these methods:
Soft besiege approach
In the soft besiege method, the rabbit has some energy to escape, characterized by r ≥ 0.5 and ∣E∣ ≥ 0.5. During this phase, the hawks gently encircle the prey, but the rabbit unexpectedly loses additional energy before the hawks complete their pounce. The mathematical representation of the soft besiege approach is provided in Eqs. (11)–(13).
Hard besiege approach
When r ≥ 0.5, the prey is very tired and has minimal energy left to escape. In this situation, the Harris hawks barely encircle the targeted prey before making their final pounce. The current positions are updated in this case using Eq. (14).
Figure 7 shows a simple example of this step with a single hawk.
In the scenario of a hard besiege, a sample of overall vectors.
Soft besiege approach with progressive speedy dives
In this situation, when r < 0. 5 and \(\left|\text{E}\right|>0.5\), the rabbit has enough energy to escape. The hawks carefully circle around the prey and then swoop in for a sudden attack. During this process, called adaptive soft besiege, the position of the Harris hawks is updated in two stages. In the first stage, the hawks move closer to the rabbit by predicting its next move, as shown in Eq. (15).
In the next stage, the Harris hawks decide to jump based on the comparison between the previous jump and the potential outcome. If the conditions aren’t favourable, the hawk makes a random jump following the concept of Levy Flight (LF), as described in Eq. (16).
In Eq. (16), Dim represents the dimensions of the solutions, while rv is a random vector of size 1 × Dim. The \(\text{lf}\) refers to the Levy Flight function, which is calculated using Eq. (17).
In this context, u and v are random values within the range (0, 1), and \(\beta\) is a default constant set at 1.5. During the soft besiege stage, Eq. (11) can be used to update the positions of the hawks in the final strategy.
An example of this process for a single hawk is illustrated in Fig. 8. This figure also depicts the position history of LF-based leapfrog movements during the iterations. In one trial, there is an LF-based trend, and the coloured dots represent the location footprints. At each step, only the best position, either Y or Z, can be selected. This applies to all search agents.
In the scenario of a soft besiege with progressive speedy dives, a sample of overall vectors.
Hard besiege with progressive speedy dives
When r < 0. 5 and \(\left|E\right|>0.5\), the rabbit lacks enough energy to escape. Before the surprise pounce to capture the prey, a hard besiege is formed, as illustrated in Fig. 9. This step is like the soft besiege, but this time, the hawks aim to decrease their average distance from the escaping prey. Therefore, it’s essential to consider all factors while in a hard besiege:
where, y and x are computed by Eqs. (20) and (21).
In the circumstance of a hard besiege with progressive speedy dives in 2D and 3D dimension, an example of overall vectors.
Simulation results
The system illustrated in Fig. 1 integrates various components of system, including a wireless Electric Vehicle (EV) charging station, photovoltaic (PV) solar panels, wind turbines, battery storage, and the main grid. Figure 10 depicts the overall procedure of HHO. This configuration has been adopted to analyse the proposed optimization strategy for dispatch scheduling. The study is structured to examine the performance of the microgrid under three distinct scenarios, each designed to highlight specific operational aspects and challenges. The analysis focuses on a single-day period, divided into 24-time intervals, allowing for a detailed examination of the dynamic behaviour and operational performance of the microgrid components. This division facilitates a granular understanding of energy generation, storage, dispatch, and grid interaction during different times of the day. The scenarios are designed to assess the microgrid’s ability to meet energy demands efficiently while optimizing economic and technical performance.
The procedure of HHO.
At the core of the study is an economic evaluation index, which computes the cost-effectiveness of the electrical energy generated and consumed within the microgrid. This index serves as a critical metric for comparing the performance of the microgrid under the three scenarios. The focus is on minimizing costs associated with energy production and grid transactions, thereby enhancing the microgrid’s economic viability. To ensure a comprehensive assessment, detailed technical and economic parameters are provided in Tables 1, 2, 3, 4, 5, which summarize the characteristics and performance metrics of the microgrid components. Optimization of proposed algorithm is performed in MATLAB/SIMULINK on an Intel Core i3 platform, 3.60 GHz, 8 GB memory.
Figure 11 illustrates the irradiance input data for the photovoltaic (PV) generation system and the wind speed input data for the wind generation system, collected over a 24-h period. This data is sourced from the National Solar Radiation Database (NSRDB) data viewer52, providing precise and reliable inputs that reflect real-world environmental conditions. The irradiance levels and wind speeds are critical parameters influencing the energy generation potential of the PV and wind systems, respectively. These inputs are essential for analysing the dynamic behaviour and performance of the proposed economic energy dispatch algorithm under varying renewable energy generation conditions.
24-h profile of irradiance for PV generation system and wind speed for wind generation system adopted for three cases (a) Irradiance in W/m2, (b) Wind speed in m/s.
Figure 12 provides an overview of the number of Electric Vehicles (EVs) charged at the wireless EV charging station over the same 24-h period53. The charging station activity reflects the varying demand for EV charging throughout the day, which is a key factor in the optimization of energy dispatch. The integration of wireless EV charging further emphasizes the importance of efficient energy management to meet fluctuating demand patterns while maintaining system reliability. To evaluate the effectiveness of the proposed economic energy dispatch algorithm, three distinct EV charging profiles are considered. These profiles are designed to represent different usage scenarios and demand patterns, offering a comprehensive assessment of the system’s adaptability and efficiency. The dispatch optimization is performed using an improved Harris Hawks Optimization (HHO) algorithm, which demonstrates its capability to manage the complexities of economic energy dispatch in a microgrid environment. The inclusion of diverse charging profiles ensures that the algorithm’s performance is thoroughly tested, providing valuable insights into its potential for real-world applications.
24 h wireless charging station profle (a) EV profile 1 (b) EV profile 2 (c) EV profile 3.
Case 1
In the first case, the system comprises a combination of photovoltaic (PV) generation, wind generation, and the main grid, integrated with a wireless Electric Vehicle Charging Station (EVCS). Optimization techniques are applied to determine the economic energy dispatch while minimizing the overall cost function. To evaluate the performance of the proposed Improved Harris Hawks Optimization (IHHO) algorithm, three other optimization algorithms are also considered for comparison. Figure 13 illustrates the dispatched power over a 24-h period from PV, wind, and the main grid, along with the corresponding load power for EV Profile 1, in a scenario without any optimization. This serves as a baseline to highlight the inefficiencies in energy dispatch and the associated costs when optimization techniques are not applied. Figure 14 presents the dispatched power over the same 24-h period using the proposed IHHO algorithm, demonstrating its superior performance in optimizing energy dispatch.
Energy schedule of PV, wind and grid with wireless EV charging station profile 1 without optimization.
Energy schedule of PV, wind and grid with wireless EV charging station profile 1 with Improved HHO optimization.
For EV Profile 1, when the wireless EVCS is entirely powered by the main grid without any renewable integration or optimization, the cost of electricity is calculated to be 10,387.50 INR. By applying IQPSO optimization, the cost is significantly reduced to 7,049.86 INR. Similarly, the costs achieved using HBMO and EEWOA optimization are 7,066.05 INR and 6,792.27 INR, respectively. The IHHO algorithm outperforms all other methods, achieving a cost of 6,274.87 INR, representing a remarkable saving of 39.59% compared to the baseline scenario. The per-unit price of electricity drops substantially from 4.41 INR (without optimization) to 3.47 INR (with IHHO optimization). This substantial reduction highlights the effectiveness of the IHHO algorithm in not only minimizing operational costs but also enhancing the economic feasibility of integrating renewable energy sources with wireless EVCS. The results underscore the potential of IHHO as a robust and efficient optimization technique for economic energy dispatch in microgrid environments.
Figure 15 illustrates the dispatched power for a 24-h period from these sources without any optimization, alongside the load power for EV Profile 2. This baseline scenario reflects the inefficiencies and higher costs associated with unoptimized energy dispatch. Figure 16 highlights the results of the proposed Improved Harris Hawks Optimization (IHHO) algorithm, showcasing its superior optimization performance. For EV Profile 2, the cost of electricity when the wireless EVCS is exclusively powered by the main grid is calculated at 17,362.50 INR. When renewable sources are integrated without any optimization, this cost is reduced to 12,382.93 INR. By applying IQPSO optimization, the cost decreases further to 12,167.64 INR. HBMO and EEWOA optimization techniques achieve costs of 11,865.53 INR and 11,351.60 INR, respectively. The IHHO algorithm outperforms all other methods, reducing the cost to 10,783.84 INR, corresponding to a savings percentage of 37.89%. Additionally, the per-unit price of electricity decreases from 3.56 INR (without optimization) to 3.10 INR with IHHO optimization, demonstrating its effectiveness in reducing operational costs and improving energy efficiency.
Energy schedule of PV, wind and grid with wireless EV charging station profile 2 without optimization.
Energy schedule of PV, wind and grid with wireless EV charging station profile 2 with Improved HHO optimization.
Figure 17 shows the dispatched power for 24 h from PV, wind, and the main grid without any optimization, along with the load power for EV Profile 3. Figure 18 illustrates the optimization outcomes using the proposed IHHO algorithm, emphasizing its superior cost reduction capabilities. For EV Profile 3, when the wireless EVCS is powered solely by the main grid, the electricity cost is 32,437.50 INR. When renewable sources are incorporated without optimization, the cost decreases to 22,913.85 INR. Applying IQPSO further reduces the cost to 22,553.79 INR, and HBMO achieves a cost of 22,161.30 INR. EEWOA optimization results in a cost of 21,726.63 INR. The IHHO algorithm demonstrates the most significant cost reduction, bringing the cost down to 20,657 INR, a savings percentage of 36.41%. The per-unit price of electricity decreases from 3.53 INR (without optimization) to 3.17 INR with IHHO optimization, highlighting the algorithm’s robust performance in minimizing costs while maintaining energy reliability across diverse EV charging profiles. Figure 19 presents the convergence curves for wireless EV charging station profile 1, 2 and 3 with optimization algorithms. Table 6 summarizes the electricity costs per day, the per-unit cost, and the percentage savings achieved for EV charging profiles 1, 2, and 3 with each optimization algorithm.
Energy schedule of PV, wind and grid with wireless EV charging station profile 3 without optimization.
Energy schedule of PV, wind and grid with wireless EV charging station profile 3 with Improved HHO optimization.
Convergence curves for wireless EV charging station profile 1, 2 and 3 with optimization algorithms.
Case 2
In this case, the wireless EVCS is integrated with PV and wind generation, the main grid, and a battery storage system. The economic energy dispatch for this configuration is optimized using various algorithms to assess their effectiveness in cost reduction. The inclusion of a battery storage system enhances the flexibility of energy dispatch and enables better management of renewable energy sources, leading to potential cost savings. For EV Profile 1, the electricity cost after connecting the battery storage system without optimization is calculated to be 7203.72 INR. When optimization is applied, the costs are reduced progressively: IQPSO achieves a cost of 7,178.80 INR, HBMO reduces it to 6931.57 INR, and EEWOA further decreases the cost to 6,881.51 INR. The proposed IHHO algorithm delivers the most significant cost reduction, lowering the total cost to 6479.72 INR. For EV Profile 2, the cost without optimization after connecting the battery storage system is 12,527.04 INR. Optimization with IQPSO reduces this to 12,202.36 INR, while HBMO achieves a cost of 11,990.54 INR. EEWOA further lowers the cost to 11,518.28 INR. The IHHO algorithm once again outperforms the other methods, reducing the cost to 10,893.23 INR, demonstrating its superior capability in optimizing energy dispatch. For EV Profile 3, the cost without optimization is 23,144.15 INR. Using IQPSO optimization, the cost is reduced to 22,784.10 INR, while HBMO decreases it to 22,654.35 INR. EEWOA brings the cost down further to 21,836.92 INR. The IHHO algorithm achieves the best results, reducing the cost to 20,821.63 INR. This highlights the efficiency of the IHHO method in minimizing electricity costs while managing the complexities of energy dispatch in a multi-source system.
Figures 20 and 21 illustrate the dispatched power over a 24-h period for EV Profile 1 without and with IHHO optimization, respectively. Similarly, Figs. 22 and 23 present the dispatched power for EV Profile 2 without and with IHHO optimization. Figures 24 and 25 show the dispatched power for EV Profile 3 in the same scenarios. These visualizations clearly demonstrate the improvement in energy dispatch efficiency achieved through IHHO optimization. Figure 26 presents the convergence curves of the various optimization algorithms, showcasing the speed and stability of their solutions. Table 7 summarizes the electricity costs per day, the per-unit cost, and the percentage savings achieved for EV charging profiles 1, 2, and 3 with each optimization algorithm. The data highlights the economic advantages of using the IHHO algorithm, which consistently provides the lowest costs and the highest percentage savings across all profiles, solidifying its role as a highly effective tool for optimizing economic energy dispatch in complex energy systems.
Energy schedule of PV, wind, grid and battery with wireless EV charging station profile 1 without optimization.
Energy schedule of PV, wind, grid and battery with wireless EV charging station profile 1 with IHHO optimization.
Energy schedule of PV, wind, grid and battery with wireless EV charging station profile 2 without optimization.
Energy schedule of PV, wind, grid and battery with wireless EV charging station profile 2 with IHHO optimization.
Energy schedule of PV, wind, grid and battery with wireless EV charging station profile 3 without optimization.
Energy schedule of PV, wind, grid and battery with wireless EV charging station profile 3 with IHHO optimization.
Convergence curves for wireless EV charging station profile 1, 2 and 3 with optimization algorithms.
Table 8 presents the electricity costs per day, per-unit cost, and percentage savings for different EV charging profiles (1, 2, and 3) after incorporating battery storage cost (10.18 INR/kWh) and EV infrastructure cost (11.30 INR/kWh)54. This evaluation provides a more realistic financial assessment of implementing optimization algorithms while considering the additional expenses associated with energy storage and infrastructure. Unlike Table 7, which only focused on electricity cost savings, Table 8 includes the costs of battery storage and EV infrastructure, making it a more comprehensive economic assessment. The main grid electricity cost is higher than in Table 7 due to the added costs of battery storage and charging infrastructure, reflecting the real-world expenses required for maintaining a hybrid microgrid.
For EV Profile 1, the electricity cost per day without optimization is 9,025.376 INR, whereas the main grid cost is 12,241.837 INR, showing that optimization methods significantly reduce expenses. The Improved HHO algorithm achieves the lowest cost (8,125.449 INR/day) and the highest percentage saving (32.37%), making it the most effective optimization method in this case. For EV Profile 2, the electricity cost per day without optimization is 15,844.673 INR, compared to the main grid cost of 20,745.495 INR. Again, the Improved HHO algorithm achieves the lowest electricity cost (13,859.009 INR/day) and the highest percentage saving (33.20%), proving its effectiveness in minimizing operational expenses. For EV Profile 3, the electricity cost per day without optimization is 28,544.032 INR, compared to the main grid cost of 37,941.961 INR. The Improved HHO algorithm once again outperforms the others, reducing the electricity cost to 25,658.545 INR/day with a 32.37% savings.
Among the different optimization algorithms used, the Improved HHO consistently delivers the highest savings across all three EV profiles, with savings ranging from 32.37% (Profile 1 & 3) to 33.20% (Profile 2). Other methods such as EEWOA, HBMO, and IQPSO also yield significant savings but are slightly less effective than Improved HHO. The per-unit electricity cost is highest for the main grid across all EV profiles (ranging from 5.84 to 5.97 INR/kWh). After applying optimization techniques, the cost per unit significantly reduces, with Improved HHO achieving the lowest unit price (3.89–3.98 INR/kWh), further proving its cost-effectiveness. By integrating battery storage and EV infrastructure costs, Table 8 presents a more accurate picture of the total electricity expenses. While these additional costs increase the total expenditure, optimization algorithms still provide substantial cost savings. Among all the methods, Improved HHO is the most effective, reducing both total electricity costs and the per-unit price while maximizing percentage savings. This study highlights the importance of advanced energy management strategies in reducing electricity costs and enhancing EV charging efficiency.
Case 3
In this case, the system experiences sudden disconnections of the PV and wind generation systems, and economic energy dispatch is optimized using various algorithms to evaluate their performance under these conditions. Specifically, the PV generation system is disconnected from 9:00 AM to 12:00 PM, and the wind generation system is disconnected from 1:00 PM to 5:00 PM. These interruptions simulate real-world scenarios where renewable energy sources may be temporarily unavailable due to maintenance or adverse weather conditions. The cost of electricity is assessed for three EV charging profiles, with and without optimization, to understand the efficacy of the optimization algorithms.
For EV Profile 1, the cost of electricity without optimization is calculated to be 7412.52 INR. After applying optimization algorithms, the costs are reduced progressively: IQPSO reduces the cost to 7305.52 INR, HBMO achieves a cost of 7047.91 INR, and EEWOA further lowers it to 6950.27 INR. The proposed IHHO algorithm provides the most significant cost reduction, minimizing the cost to 6615.79 INR, demonstrating its superior efficiency in optimizing energy dispatch under sudden generation disconnections.
For EV Profile 2, the cost of electricity without optimization is 12,620.80 INR. When optimization algorithms are applied, IQPSO reduces the cost to 12,386.40 INR, while HBMO lowers it to 12,259.66 INR. EEWOA further decreases the cost to 11,681.49 INR. The IHHO algorithm achieves the best results, reducing the total cost to 11,106.79 INR, reflecting its ability to effectively manage energy dispatch and reduce costs in scenarios of interrupted renewable generation.
For EV Profile 3, the cost of electricity without optimization is 23,543.13 INR. With IQPSO optimization, the cost is reduced to 23,166.86 INR, and HBMO achieves a cost of 22,741.93 INR. EEWOA reduces the cost further to 22,209.95 INR. Once again, the IHHO algorithm delivers the best performance, reducing the cost to 21,123.30 INR, highlighting its capability in achieving substantial cost savings and efficient energy dispatch during unexpected generation outages.
The optimization results are illustrated in Figs. 27, 28, 29, 30, 31, 32. Figures 27 and 28 show the dispatched power over a 24-h period for EV Profile 1, without and with IHHO optimization, respectively. Similarly, Figs. 29 and 30 present the dispatched power for EV Profile 2 without and with IHHO optimization, while Figs. 31 and 32 depict the dispatched power for EV Profile 3 in the same scenarios. These figures visually demonstrate the improvements in energy dispatch achieved through the application of the IHHO optimization algorithm.
Energy schedule of PV, wind, grid and battery with wireless EV charging station profile 1 without optimization.
Energy schedule of PV, wind, grid and battery with wireless EV charging station profile 1 with IHHO optimization.
Energy schedule of PV, wind, grid and battery with wireless EV charging station profile 2 without optimization.
Energy schedule of PV, wind, grid and battery with wireless EV charging station profile 2 with IHHO optimization.
Energy schedule of PV, wind, grid and battery with wireless EV charging station profile 3 without optimization.
Energy schedule of PV, wind, grid and battery with wireless EV charging station profile 3 with IHHO optimization.
Figure 33 presents the convergence curves of the various optimization algorithms, providing insights into their performance, including convergence speed and stability. Table 9 summarizes the electricity costs per day, per-unit costs, and percentage savings for the three EV charging profiles under the sudden generation disconnection scenarios, with and without optimization. The data clearly shows that the IHHO algorithm consistently delivers the lowest costs and highest percentage savings across all EV profiles, reaffirming its effectiveness and robustness in managing energy dispatch in challenging and dynamic conditions.
Convergence curves for wireless EV charging station profile 1, 2 and 3 with optimization algorithms.
Discussions
The proposed system significantly reduces carbon emissions by maximizing the utilization of solar and wind energy for EV charging, thereby decreasing reliance on fossil fuel-based electricity generation. By integrating an improved energy dispatch strategy through the IHHO algorithm, the system ensures efficient utilization of renewable energy, reducing curtailment and minimizing the need for backup power from conventional sources. This leads to a substantial reduction in greenhouse gas (GHG) emissions associated with electricity production.
The optimized charging strategy enhances the storage and utilization of surplus renewable energy, reducing the dependency on grid electricity generated from non-renewable sources. The integration of battery storage also helps smooth out fluctuations in renewable energy generation, ensuring a stable and clean power supply while avoiding peak demand stress on the grid. This results in lower carbon footprints for EV charging, promoting sustainable transportation solutions. By reducing fossil fuel dependency, the system contributes to energy security and mitigates the negative environmental impacts of traditional power generation, such as air pollution and resource depletion.
The improved energy dispatch strategy facilitates higher renewable energy penetration into the grid, supporting global decarbonization goals and clean energy transitions. The reduced operational cost of energy through optimization not only benefits consumers but also encourages wider adoption of renewable energy systems.
Limitations
One significant challenge in proposed energy optimization is hardware constraints, particularly in the integration of PV, wind, battery storage, and wireless EVCS. The efficiency of power electronic components, such as DC-DC converters and inverters, directly affects the overall performance of the system. In real-world conditions, factors like power losses, thermal effects, and component aging can influence energy optimization, which may not be fully captured in simulations. The computational complexity of IHHO may necessitate the use of high-performance embedded systems or real-time controllers, which could introduce additional implementation costs and design challenges.
Another critical issue is controlling delays and communication latency in a real-time microgrid environment. The effectiveness of IHHO relies on fast decision-making for optimal power management, but delays in sensor measurements, data transmission, and actuator response may impact system stability and efficiency. Wireless EV charging systems require precise power control to avoid excessive losses, and real-world disturbances such as electromagnetic interference (EMI) could degrade system performance. And grid stability and synchronization challenges must be addressed, as dynamic changes in renewable energy generation and load demand can lead to power fluctuations that affect voltage and frequency regulation. To bridge the gap between simulations and real-world applications, a hardware-in-the-loop (HIL) testing setup can evaluate the real-time performance of IHHO using embedded controllers and real microgrid components.
The Improved Harris Hawks Optimization (IHHO) algorithm has demonstrated effective performance in optimizing economic energy dispatch in microgrid systems that integrate PV, wind energy, batteries, and EV charging. But, as the system size increases, the scalability and computational complexity of IHHO become critical factors. The time complexity of IHHO can be approximated as equal to function of Number of hawks (population size) × Number of iterations × Dimensionality of the problem. For small to moderately complex microgrid systems, this complexity is manageable. However, as the system scales up (e.g., incorporating multiple distributed energy resources (DERs), large-scale EV charging infrastructure, and multi-objective constraints), the computational burden increases exponentially. This leads to the optimization problem becomes more complex, leading to longer convergence times and higher computational resource demands.
Incorporating machine learning techniques such as reinforcement learning or surrogate modeling can help guide the optimization process and reduce computational complexity. Implementing IHHO on a parallel processing framework (e.g., cloud computing or GPUs) can significantly accelerate convergence for large-scale problems. By incorporating parallel computing, adaptive tuning, hybrid algorithms, and decomposition methods, IHHO can be effectively scaled to handle large-scale, real-time microgrid optimization problems.
Conclusion
This study validates the effectiveness of the Improved Harris Hawk Optimization (IHHO) algorithm in optimizing economic energy dispatch for hybrid renewable energy systems powering wireless electric vehicle charging stations (EVCS). The proposed approach was tested across three distinct EV charging profiles under varying operational conditions, including standard operation, battery storage integration, and renewable energy disconnection. Simulation results demonstrate that the IHHO algorithm significantly reduces operational costs and enhances energy utilization efficiency compared to other state-of-the-art optimization algorithms such as Improved Quantum Particle Swarm Optimization (IQPSO), Honeybee Mating Optimization (HBMO), and Enhanced Exploratory Whale Optimization Algorithm (EEWOA). Specifically, IHHO achieved electricity cost reductions of up to 35.82%, with a minimum per-unit electricity cost of 3.11 INR/kWh across all scenarios. The optimized daily electricity costs were 6479.72 INR for EV Profile 1, 10,893.23 INR for EV Profile 2, and 20,821.63 INR for EV Profile 3, consistently outperforming benchmark algorithms. The integration of battery storage further enhanced system efficiency, leading to cost savings of up to 37.89%, demonstrating its ability to balance energy supply and demand dynamically. Under scenarios where renewable energy generation was disconnected, IHHO maintained its superiority by efficiently redistributing energy from the main grid and battery storage, ensuring uninterrupted EV charging while minimizing electricity costs. These findings highlight the algorithm’s adaptability and resilience under dynamic and uncertain operating conditions. Beyond cost optimization, this research underscores the critical role of advanced optimization techniques like IHHO in promoting the integration of renewable energy and supporting sustainable EV infrastructure development. By leveraging intelligent energy dispatch strategies, IHHO contributes to reducing dependency on fossil fuel-based electricity, lowering carbon emissions, and improving the overall sustainability of EV charging networks. The promising results suggest that IHHO can be a reliable tool for real-world applications in hybrid renewable energy systems. Future research should focus on extending the IHHO algorithm’s applicability to larger-scale microgrids, integrating real-time predictive control mechanisms, and incorporating sensitivity analyses to assess the impact of renewable energy variability, electricity pricing fluctuations, and battery storage capacity constraints. Additionally, real-world pilot implementations will be essential to further validate the algorithm’s robustness and practical viability in optimizing energy dispatch for sustainable EV charging infrastructure.
Data availability
The datasets generated during and/or analysed during the current study are available from the corresponding author on reasonable request.
References
Acharige, Sithara SG. et al. Review of electric vehicle charging technologies, standards, architectures, and converter configurations. IEEE Access https://doi.org/10.1109/ACCESS.2023.3267164 (2023).
Li, Jiajia et al. Operation optimization of integrated energy system under a renewable energy dominated future scene considering both independence and benefit: A review. Energies https://doi.org/10.3390/en14041103 (2021).
Soussi, A., Zero, E., Bozzi, A. & Sacile, R. Enhancing energy systems and rural communities through a system of systems approach: A comprehensive review. Energies 17(19), 4988. https://doi.org/10.3390/en17194988 (2024).
Wang, R. et al. Accurate current sharing and voltage regulation in hybrid wind/solar systems: an adaptive dynamic programming approach. IEEE Trans. Consum. Electron. 68(3), 261–272. https://doi.org/10.1109/TCE.2022.3181105 (2022).
Zhang, S. Optimal control of hybrid energy storage system of new energy power generation system based on improved particle swarm algorithm. J. Interconnect. Netw. 22(03), 2145004. https://doi.org/10.1142/S0219265921450043 (2022).
Cheng, L., Tang, Q., Zhang, L. & Chunlong, Yu. Scheduling flexible manufacturing cell with no-idle flow-lines and job-shop via Q-learning-based genetic algorithm. Comput. Ind. Eng. 169, 108293. https://doi.org/10.1016/j.cie.2022.108293 (2022).
Qu, C., Gai, W., Zhang, J. & Zhong, M. A novel hybrid grey wolf optimizer algorithm for unmanned aerial vehicle (UAV) path planning. Knowl. Based Syst. 194, 105530. https://doi.org/10.1016/j.knosys.2020.105530 (2020).
Bade, S. O., Meenakshisundaram, A. & Tomomewo, O. S. Current status, sizing methodologies, optimization techniques, and energy management and control strategies for co-located utility-scale wind–solar-based hybrid power plants: A review. Eng 5(2), 677–719. https://doi.org/10.3390/eng5020038 (2024).
Ocran, Daniel, Ikiensikimama, Sunday Sunday & Broni-Bediako, Eric. A compositional function hybridization of PSO and GWO for solving well placement optimisation problem. Petrol. Res. https://doi.org/10.1016/j.ptlrs.2021.12.004 (2022).
Robert, Eriga, Roubins Kumar, Upananda Sahoo, and Manish Kumar Sharma. Solar-powered EV DC fast charging station based on MPPT-buck converter design using PSO trained NN algorithm and MPC. In: 2023 International Conference in Advances in Power, Signal, and Information Technology (APSIT). 632–638. https://doi.org/10.1109/APSIT58554.2023.10201780. (IEEE, 2023).
Akter, Afifa et al. A review on microgrid optimization with meta-heuristic techniques: Scopes, trends and recommendation. Energy Strat. Rev. https://doi.org/10.1016/j.esr.2024.101298 (2024).
Recalde, A., Cajo, R., Velasquez, W. & Alvarez-Alvarado, M. S. Machine learning and optimization in energy management systems for plug-in hybrid electric vehicles: A comprehensive review. Energies 17(13), 3059. https://doi.org/10.3390/en17133059 (2024).
Raslan, Khaled SH., Almohammady, S. & Raslan, K. R. iHHO-SMOTe: A cleansed approach for handling outliers and reducing noise to improve imbalanced data classification. Int. J. Comput. Appl. 975, 8887 (2024).
Águila-León, J., Vargas-Salgado, C., Díaz-Bello, D. & Montagud-Montalvá, C. Optimizing photovoltaic systems: A meta-optimization approach with GWO-Enhanced PSO algorithm for improving MPPT controllers. Renew. Energy 230, 120892. https://doi.org/10.1016/j.renene.2024.120892 (2024).
Shafiei, Kasra, Zadeh, SaeidGhassem & Hagh, MehrdadTarafdar. Planning for a network system with renewable resources and battery energy storage, focused on enhancing resilience. J. Energy Storage https://doi.org/10.1016/j.est.2024.111339 (2024).
Bukar, Abba Lawan, Tan, Chee Wei, Yiew, Lau Kwan, Ayop, Razman & Tan, Wen-Shan. A rule-based energy management scheme for long-term optimal capacity planning of grid-independent microgrid optimized by multi-objective grasshopper optimization algorithm. Energy Conv. Manag. https://doi.org/10.1016/j.enconman.2020.113161 (2020).
Alhasnawi, Bilal Naji et al. A novel efficient energy optimization in smart urban buildings based on optimal demand side management. Energy Strat. Rev. https://doi.org/10.1016/j.esr.2024.101461 (2024).
Gbadega, Peter Anuoluwapo & Sun, Yanxia. A hybrid constrained particle swarm optimization-model predictive control (CPSO-MPC) algorithm for storage energy management optimization problem in micro-grid. Energy Rep. https://doi.org/10.1016/j.egyr.2022.10.035 (2022).
Shammaa, Al. et al. Optimal sizing of a hybrid renewable photovoltaic-wind system-based microgrid using Harris Hawk optimizer. Int. J. Photoenergy https://doi.org/10.1155/2022/4825411 (2022).
Yousaf, Shaharyar, Mughees, Abdullah, Khan, Muhammad Gufran, Amin, Arslan Ahmed & Adnan, Muhammad. A comparative analysis of various controller techniques for optimal control of smart nano-grid using GA and PSO algorithms. IEEE Access https://doi.org/10.1109/ACCESS.2020.3038021 (2020).
Thirunavukkarasu, M., Sawle, Yashwant & Lala, Himadri. A comprehensive review on optimization of hybrid renewable energy systems using various optimization techniques. Renew. Sustain. Energy Rev. https://doi.org/10.1016/j.rser.2023.113192 (2023).
Gbadega, Peter Anuoluwapo & Saha, Akshay Kumar. Impact of incorporating disturbance prediction on the performance of energy management systems in micro-grid. IEEE Access https://doi.org/10.1109/ACCESS.2020.3021598 (2020).
Alhasnawi, Bilal Naji et al. A multi-objective improved cockroach swarm algorithm approach for apartment energy management systems. Information https://doi.org/10.3390/info14100521 (2023).
Güven, AykutFatih. Integrating electric vehicles into hybrid microgrids: A stochastic approach to future-ready renewable energy solutions and management. Energy https://doi.org/10.1016/j.energy.2024.131968 (2024).
Chen, S.-C., Huang, W.-C., Hsueh, M.-H., Pan, C.-Y. & Chang, C.-H. A novel exponential-weighted method of the antlion optimization algorithm for improving the convergence rate. Processes 10(7), 1413. https://doi.org/10.3390/pr10071413 (2022).
Habib, Salman, Kamarposhti, Mehrdad Ahmadi, Shokouhandeh, Hassan & Colak, Ilhami. Economic dispatch optimization considering operation cost and environmental constraints using the HBMO method. Energy Rep. https://doi.org/10.1016/j.egyr.2023.08.032 (2023).
Guo, C., Wang, X., Zheng, Y. & Zhang, F. Real-time optimal energy management of microgrid with uncertainties based on deep reinforcement learning. Energy 238, 121873. https://doi.org/10.1016/j.energy.2021.121873 (2022).
Garud, KunalSandip, Jayaraj, Simon & Lee, Moo-Yeon. A review on modeling of solar photovoltaic systems using artificial neural networks, fuzzy logic, genetic algorithm and hybrid models. Int. J. Energy Res. https://doi.org/10.1002/er.5608 (2021).
Güven, A. F., Hassan, M. H. & Kamel, S. Optimization of a hybrid microgrid for a small hotel using renewable energy and EV charging with a quadratic interpolation beluga whale algorithm. Neural Comput. Appl. 37, 3973–4008. https://doi.org/10.1007/s00521-024-10865-0 (2025).
Güven, A. F., Kamel, S. & Hassan, M. H. Optimization of grid-connected photovoltaic/wind /battery/supercapacitor systems using a hybrid artificial gorilla troops optimizer with a quadratic interpolation algorithm. Neural Comput. Appl. 37, 2497–2535. https://doi.org/10.1007/s00521-024-10742-w (2025).
Das, Shyamal, Shivanshu Kumar, Debdeep Saha, and Manish Kumar. "Ensuring stable system performance with HHO optimized controller in a deregulated AGC system incorporating EVs and wind generator." In: 2021 2nd International Conference on Communication, Computing and Industry 4.0 (C2I4). 1–6. https://doi.org/10.1109/C2I454156.2021.9689277. (IEEE, 2021).
Zheng, T., Dai, Z., Yao, J., Yang, Y. & Cao, J. Economic dispatch of multi-energy system considering load replaceability. Processes 7(9), 570. https://doi.org/10.3390/pr7090570 (2019).
Zhao, X. et al. Economic dispatch of multi-energy system considering seasonal variation based on hybrid operation strategy. Energy 238, 121733. https://doi.org/10.1016/j.energy.2021.121733 (2022).
Hmingthanmawia, D. et al. Multi-objective-based economic dispatch and loss reduction in the presence of electric vehicles considering different optimization techniques. Front. Energy Res. 12, 1389822. https://doi.org/10.3389/fenrg.2024.1389822 (2024).
Erixno, Oon, Rahim, NasrudinAbd, Ramadhani, Farah & Adzman, Noriah Nor. Energy management of renewable energy-based combined heat and power systems: A review. Sustain. Energy Technol. Assess. https://doi.org/10.1016/j.seta.2021.101944 (2022).
Bahrani, Al., Tawfak, Loau & Patra, Jagdish Chandra. Orthogonal PSO algorithm for economic dispatch of thermal generating units under various power constraints in smart power grid. Appl. Soft Comput. https://doi.org/10.1016/j.asoc.2017.04.059 (2017).
Das, P., Dawn, S., Gope, S., Das, D. & Salata, F. Optimal reactive power dispatch and demand response in electricity market using multi-objective grasshopper optimization algorithm. Processes 12(9), 2049. https://doi.org/10.3390/pr12092049 (2024).
Zahraoui, Y., Korõtko, T., Rosin, A. & Agabus, H. Market mechanisms and trading in microgrid local electricity markets: A comprehensive review. Energies 16(5), 2145. https://doi.org/10.3390/en16052145 (2023).
Peddakapu, K., Mohamed, M. R., Srinivasarao, P. & Licari, J. Optimized controllers for stabilizing the frequency changes in hybrid wind-photovoltaic-wave energy-based maritime microgrid systems. Appl. Energy 361, 122875. https://doi.org/10.1016/j.apenergy.2024.122875 (2024).
Nagarajan, Karthik et al. Optimizing dynamic economic dispatch through an enhanced Cheetah-inspired algorithm for integrated renewable energy and demand-side management. Sci. Rep. https://doi.org/10.1038/s41598-024-53688-8 (2024).
Larouci, Benyekhlef et al. Investigation on new metaheuristic algorithms for solving dynamic combined economic environmental dispatch problems. Sustainability https://doi.org/10.3390/su14095554 (2022).
Sovacool, B. K., Axsen, J. & Kempton, W. The future promise of vehicle-to-grid (V2G) integration: a sociotechnical review and research agenda. Annu. Rev. Environ. Resour. 42(1), 377–406. https://doi.org/10.1146/annurev-environ-030117-020220 (2017).
Inci, Mustafa et al. Power system integration of electric vehicles: A review on impacts and contributions to the smart grid. Appl. Sci. https://doi.org/10.3390/app14062246 (2024).
Barman, P. et al. Renewable energy integration with electric vehicle technology: A review of the existing smart charging approaches. Renew. Sustain. Energy Rev. 183, 113518. https://doi.org/10.1016/j.rser.2023.113518 (2023).
Jo, Seungjin, Seungmin Kim, Guangyao Li, Junchen Xie, Jung-Hoon Ahn, and Dong-Hee Kim. Design of IPT application for MVDC current sensor auxiliary power supply with constant voltage control. In: 2024 IEEE 10th International Power Electronics and Motion Control Conference (IPEMC2024-ECCE Asia). 1564–1568. https://doi.org/10.1109/IPEMC-ECCEAsia60879.2024.10567772. (IEEE, 2024).
Tan, Zhen, Liu, Fan, Chan, Hing Kai & Oliver Gao, H. Transportation systems management considering dynamic wireless charging electric vehicles: Review and prospects. Transp. Res. Part E Logist. Transp. Rev. https://doi.org/10.1016/j.tre.2022.102761 (2022).
Cano, Antonio, Arévalo, Paul, Benavides, Darío & Jurado, Francisco. Sustainable tramway, techno-economic analysis and environmental effects in an urban public transport. A comparative study. Sustain. Energy Grids Netw. https://doi.org/10.1016/j.segan.2021.100462 (2021).
Chai, W., Liu, X., Shuai, Wu. & Cai, C. Compact inductive and capacitive combined wireless power transfer system for unmanned aerial vehicle applications. J. Power Electron. 24(4), 662–671. https://doi.org/10.1007/s43236-023-00750-9 (2024).
Rasheed, M., Mohammed, O. Y., Shihab, S. & Al-Adili, Aqeel. A comparative analysis of PV cell mathematical model. J. Phys. Conf. Ser. https://doi.org/10.1088/1742-6596/1795/1/012042 (2021).
Baccouche, Gaith, Chehab, Mohamed Haikel, Salah, Chokri Ben, Tlija, Mehdi & Rabhi, Abdelhamid. Hybrid PVP/battery/fuel cell wireless charging stations using high-frequency optimized inverter technology for electric vehicles. Energies https://doi.org/10.3390/en17143470 (2024).
Heidari, Ali Asghar et al. Harris hawks optimization: Algorithm and applications. Future Gener. Comput. Syst. 97, 849–872. https://doi.org/10.1016/j.future.2019.02.028 (2019).
Zhou, S. et al. Dynamic EV charging pricing methodology for facilitating renewable energy with consideration of highway traffic flow. IEEE Access 8, 13161–13178 (2019).
Machura, P. & Li, Q. A critical review on wireless charging for electric vehicles. Renew. Sustain. Energy Rev. 104, 209–234. https://doi.org/10.1016/j.rser.2019.01.027 (2019).
Author information
Authors and Affiliations
Contributions
All the authors have contributed equally for this manuscript. All authors reviewed the manuscript.
Corresponding authors
Ethics declarations
Competing interests
The authors declare no competing interests.
Additional information
Publisher’s note
Springer Nature remains neutral with regard to jurisdictional claims in published maps and institutional affiliations.
Rights and permissions
Open Access This article is licensed under a Creative Commons Attribution-NonCommercial-NoDerivatives 4.0 International License, which permits any non-commercial use, sharing, distribution and reproduction in any medium or format, as long as you give appropriate credit to the original author(s) and the source, provide a link to the Creative Commons licence, and indicate if you modified the licensed material. You do not have permission under this licence to share adapted material derived from this article or parts of it. The images or other third party material in this article are included in the article’s Creative Commons licence, unless indicated otherwise in a credit line to the material. If material is not included in the article’s Creative Commons licence and your intended use is not permitted by statutory regulation or exceeds the permitted use, you will need to obtain permission directly from the copyright holder. To view a copy of this licence, visit http://creativecommons.org/licenses/by-nc-nd/4.0/.
About this article
Cite this article
Mallikarjun, P., Thulasiraman, S.R.G., Balachandran, P.K. et al. Economic energy optimization in microgrid with PV/wind/battery integrated wireless electric vehicle battery charging system using improved Harris Hawk Optimization. Sci Rep 15, 10028 (2025). https://doi.org/10.1038/s41598-025-94285-7
Received:
Accepted:
Published:
Version of record:
DOI: https://doi.org/10.1038/s41598-025-94285-7



































