Abstract
High impact load and corresponding large strains of soft collagenous tissues, such as liver, require a proper characterization of its viscoelastic behavior. Hereby, the adaptive quasi linear viscoelastic (AQLV) model is a reasonable choice. However, as the model is calibrated at a slow strain rate it remains unclear if obtained parameters are valid for different, large strain rates. In the current study, AQLV model parameters were used from previous tensile tests on porcine liver to predict the stresses of fast load-hold, load-unload and sine load tests performed in a previous study. None of the load cases could be predicted properly. However, re-calibration of the model parameters with a least-squares algorithm yielded reasonable results for all load cases. In an additional evaluation, re-calibrated AQLV model parameters of the fast-ramp hold experiments were used to predict the stress curves for the sine loads, which were performed at a similar mean strain rate. Here, storage modulus was predicted properly, whereas loss tangent was significantly different from reference experimental values. Taken together, AQLV model parameters are not universal material constants, but are highly dependent on strain rate.
Introduction
Liver is a viscoelastic tissue 1, which is prone to injury, e.g., in a high velocity vehicular crash 2,3. Thus, a deep understanding of the mechanical properties, especially at large strains (\(\epsilon>\) 5%), is essential. Further, knowledge of the viscoelastic properties of liver is also essential for surgical training on 3D printed anatomical models 4 and for medical diagnosis and treatment evaluation of diseased tissue, e.g. liver fibrosis 5. Like in most other biological tissues, the main connective proteins in liver tissue are collagens. They show nonlinear viscoelastic behavior 6 and Fung's quasi-linear viscoelastic (QLV) model usually serves as a starting point 7. Despite its wide usage, the QLV model has two major limitations: First, the model is calibrated to a single stress level, which means that it is only valid if a single reduced relaxation function can be used for all levels of strain. However, it has been shown that this assumption is not valid for soft collagenous tissue, as the relaxation behavior depends on the starting stress level 6,8. Second, calibration of the model is performed in the relaxation phase after an assumed instantaneous stretch, which is very difficult to realize experimentally. To overcome the issue of a single stress level, the degrees of freedom (DOF) of the model can be increased, however, this also increases the complexity of the model 6. Hence, several adaptations of the QVL model have been presented in the last two decades 6,9,10,11,12.
An improvement was the modification presented by Abramowitch and Woo 9 to fit the QLV model simultaneously to the (finite) ramp and hold phase. This model was used successfully to obtain material parameters for the human medial patello-femoral ligament 13. To overcome the second limitation of the QLV model, that is the independency of the strain level, Nekouzadeh and Genin presented the generalized QLV model, in which the DOFs were increased by allowing the reduced relaxation function to vary with strain 6. A further improvement was the Adaptive QLV model (AQLV), presented by Nekouzadeh et al. 10. Hereby, the model parameters were calibrated at four hold stress levels simultaneously, after a slow ramp phase. Hence, no instantaneous stretch was required. A further improvement of the AQLV model is that the non-linearity of the strain was put outside the linear convolution integral, making model calibration much easier. Hereby, several analytic closed-form solutions exist for the linear convolution integrals (see the Theory section for details). As such, the AQLV model might be limited to specific load cases. However, it has been demonstrated that in cases of uniaxial load, even simple rheological models, such as the Zener or classical Maxwell or Kelvin-Voigt model, are sufficient to predict the viscoelastic response of soft tissues 14. However, previous studies have shown that models based on fractional derivative models might be better than those simple rheological models in predicting more realistic load cases, e.g. for a wider range of frequencies 14,15,16,17,18,19,20. Although Fung’s QLV model and its adaptations, especially the AQLV model, are rather old models, they might still be a reasonable starting choice for cases of uniaxial load. For example, the AQLV model has already been successfully used to model liver tissue 21. A further motivation of using the AQLV model in the current study was that is able to describe the relaxation behavior of several tissues at various strain levels and the viscoelastic ramp phase, which is important when tissue mimicking materials are developed for surgical training. As such, a single model can be used to compare several tissues and load cases, instead of using different models for each tissue and load case. Given that Nekouzadeh et al. 6 demonstrated that the AQLV model could predict the stress response at a different strain rate than the model calibration, it might be that the model parameters are valid for a specific range of frequencies. Otherwise, it has previously been demonstrated that the parameters of the QLV model, such as relaxation constants, depend on the strain rate 22. In more detail, that study showed that energy dissipation scales to the Deborah number (loading time divided by time constant \(\tau\)). Based on these findings, it was hypothesized that the relaxation constants determined with the AQLV model are also dependent on strain rate. Further, it was assumed that the AQLV model parameters could be re-calibrated to the actual load cases to improve the prediction of the stress behavior and the corresponding material parameters.
Results
Single fast stress-relaxation
Figure 1 (top left) illustrates the predicted stress results for the fast load-hold experiments with a mean RMSE of 1.3 kPa (the strain rate of the calibration of the AQLV model was 0.00015 s\(^{-1}\) and 0.15 s\(^{-1}\) for the experiment, resulting in a difference of three orders of magnitude). Re-calibration of the parameters of the AQLV model resulted in a mean RMSE of 0.015 kPa and also qualitatively in an almost perfect fit for the stress relaxation curve (see Figure 1 top right). Interestingly, also the fast ramp phase indicated a low RMSE of 0.275 kPa after re-calibration in the hold phase. Analysis of the re-calibrated parameters of the AQLV model indicated that mostly \(k_0\) (residual stress) and \(k_3\) (long-term stiffness) were affected (see Figure 1 bottom). Further, all re-calibrated time constants were roughly decreased by one order of magnitude.
Single fast stress-relaxation tests. Top: mean stress-time curves with shaded standard deviation, data in blue, and AQLV model in black. Left: Original model, whereby the parameters of the AQLV model were calibrated at the hold phases simultaneously in a four strain level ramp-hold experiment. Right: re-calibrated model to single ramp-hold phase. \(\dot{\epsilon }\): mean strain rate. r: Spearman rank correlation coefficient, RMSE: root mean squared error. Bottom: AQLV model parameters, black for original and magenta for re-calibrated model.
Load-unload
Figure 2 (top left) demonstrates a mean RMSE of 2.6 kPa for the predicated load-unload experiments (the strain rate of the calibration of the AQLV model was 0.00015 s\(^{-1}\) and 0.00092 s\(^{-1}\) for the experiment, hence the same order of magnitude). A close look indicated an undershoot of the model based unloading curve (stress below 0, which is physically impossible because of slacking of specimens). After AQLV model parameter re-calibration, the mean RMSE was decreased to 0.5 kPa, and no undershoot was present anymore. Analysis of the re-calibrated AQLV model parameters (see Fig. 2 bottom) shows that mostly \(k_1\) (spring with largest stiffness, fastest response) and \(k_3\) (long term stiffness) were affected by re-calibration. Interestingly, the fast and intermediate time constants \(\tau _1\) and \(\tau _2\) were almost unaffected, whereas the long term time constant \(\tau _3\) increased by one order of magnitude.
Table 1 shows a significant deviation in loading and unloading energy between the values obtained from the experiments and the original AQVL model. In contrast, after re-calibration of the AQLV model parameters, the loading and unloading energy were close to experimentally based values, without a significant deviation.
Loading-unloading tests. Top: mean stress-strain curves with shaded standard deviation, data in blue, AQLV model in black. Left: original model, whereby the parameters of the AQLV model were calibrated at the hold phases simultaneously in a four strain level ramp-hold experiment. Right: re-calibrated model to the unloading phase of the load-unload experiment. \(\dot{\epsilon }\): mean strain rate. r: Spearman rank correlation coefficient, RMSE: root mean squared error. Bottom: AQLV model parameters, black for the original model, and magenta for the re-calibrated model, individual data points are shaded.
DMA—sine wave excitation
Figure 3 (top) shows a substantial deviation of the predicted sine stress curve based on the original parameters of the AQLV model for all excitation frequencies. Re-calibration, performed individually for each excitation frequencies (0.5, 1.0, 1.5, and 2.0 Hz), resulted in a qualitatively well matching fit for the stress curves. Interestingly, the re-calibrated spring constants were not significantly different across the different sine wave frequencies (hence the mean values across all frequencies are provided in Fig. 3, middle). The spring constants \(k_0\), \(k_1\), and \(k_2\) increased by a factor \(\sim\) 3-7, while \(k_3\) was only minor affected. However, there was a significant difference between the re-calibrated relaxation constants (see Fig. 3, bottom). Thus, the difference between the different excitation frequencies was more prominent for \(\tau _1\) and \(\tau _2\), compared to \(\tau _3\).
Table 2 indicates that storage and loss modulus, as well as loss tangent, were significantly different between experimental stress curves and those based on the parameters of the original AQLV model. After re-calibration of the parameters of the AQLV model there was a close match of storage modulus, loss modulus, and loss tangent to experimentally based values, without a significant difference, expect for loss tangent at 2.0 Hz.
DMA tests with sine wave excitation (f = 0.5, 1.0, 1.5, and 2.0 Hz). Top: mean stress-time curves with shaded standard deviation, data in blue, AQLV model with original parameters in black, with re-calibrated parameters in magenta. Middle: AQLV model parameters, black for original and magenta for re-calibrated model (mean values across all frequencies and samples). The mean \(\tau\) values for the original model are provided in the diagrams. Bottom: boxplots of re-calibrated \(\tau\) values with individual data points (shaded red). Significant differences (p < 0.05) are marked with bars and p-values are given, and trends (0.05 < p < 0.10) are displayed in shaded.
Usage of re-calibrated AQLV parameters of single fast ramp-hold for load prediction
Re-calibrated AQLV model parameters to the fast single ramp-hold experiment were used as input parameters to predict the stress behavior of the four sine wave excitations. It was hypothesized that the stress curves are well matched, due to the similar strain rates in both experiments. Hereby, two samples had to be excluded due to a deviation larger than one order of magnitude compared to all other samples. Supplementary Table S1 illustrates that the storage modulus did not deviate significantly from the values based on the experiments. For loss modulus, values at 1.0 and 1.5 Hz also did not deviate significantly, in contrast to the values at 0.5 and 2.0. Further, although the loss tangent was also close to the experimental values, the deviation was still significant for all frequencies.
Additionally, the re-calibrated AQLV model parameters to the fast single ramp-hold experiment were used as input parameters to predict the stress behavior of the load-unload tests. Here, the stress curves showed a larger deviation from the experimental stress curves (RMSE = 7.5 kPa, r = 0.96). The mean loading and unloading energy deviated significantly from the experimental values (1.00 vs. 0.51 kPa, p = 0.016 and 0.78 vs. 0.27 kPa, p = 0.005). In contrast, the mean dissipated energy was close to the experimental value (0.22 vs. 0.25 kPa, p = 0.48).
Discussion
The present study demonstrated that the parameters of the AQLV model are not universal material constants. Instead, the model parameters are only valid for specific load cases and are highly dependent on the experimental strain rate. Theoretically, the strain rate \(\epsilon\)/\(\Delta\)T is used as an input variable to calculate stress with the AQLV model (see Eqs. 3, 4, 5). However, the adaptation of the model with this linear factor is apparently not sufficient to include all strain rate dependent effects.
Previously, the AQLV model has been successfully used to model soft collagenous tissue 6,10, as well as porcine muscle and liver tissue 21 in multi-stage slow ramp-hold and single ramp-hold tests 23, and to predict stress in sine wave excitation in human forearm indentations 24. However, the AQLV model failed previously to model passive eye muscle stress in primates due to a lack of superposition and a dependency on the final stretch length, rather than the elongation itself 11,25. Hereby, the AQLV model might be assumed as a general, strain dependent, Maxwell model (see Figure 5), meaning that it inherits single relaxation constants. In contrast, the QLV model requires a box-shaped relaxation spectrum, which is not met for all soft collagenous tissues 12. As such, Babaei et al. 12 suggested a spectral analysis with a discrete QLV model (DQLV) to determine if single relaxation constants or a ’box’ shaped spectrum are more appropriate.
In accordance with our findings, Babaei et al. 22 demonstrated that the relaxation constant of Fung’s QLV model was not valid for different strain rates in triangular load-unload experiments of the extracellular matrix (ECM) and cells and scaled exponentially with the strain rate. In the present study, all parameters of the AQLV model had to be re-calibrated to the actual fast ramp-hold tests (strain rate of \(\sim 10^{-1}\) s\(^{-1}\), compared to \(\sim 10^{-4}\) s\(^{-1}\) for the original slow multi-stage ramp-hold tests). Thus, residual stress (\(k_0\)) and the spring (\(k_3\)) in series with the longest time constant (\(\tau _3\)) were more affected than the other springs (\(k_1\) and \(k_2\), see Fig. 1). This might be explained by the long duration of \(\sim 300\) s of the hold phase, making short term effects more dominant. However, all relaxation constants were re-scaled by the same factor of \(\sim 10\). The reason might be that re-scaling of \(\tau _3\) alone is not sufficient to capture the initial sharp decrease of stress in the first 10 s properly. In a previous study 26, the viscoelastic response and creep behavior of porcine liver demonstrated a strong dependency on the loading velocity, hypothesizing a three stage process, namely first liquid flow, then deformation of the cytoskeleton and extracellular matrix and finally reduction of cell volume. Similarly, Chang et al. 5 showed in dynamic creep tests of healthy, fibrotic, and treated liver tissues that all conditions could be modeled properly with a two-stage power law at three hierarchical levels. These findings are in accordance with our observation that there are distinct time scales present, which cannot be simply rescaled with a universal factor, since they might belong to different hierarchical levels. However, the AQLV model is phenomenological, meaning that it remains unknown which micro structural mechanisms actually determine the relaxation behavior. In a previous study we determined the effect of reducing the number of Maxwell elements from the originally proposed three to two and one elements 21. Although the best fit was obtained with three Maxwell elements in parallel, there was only a slight decrease in model fit when using two Maxwell elements (\(R^2\) decreased from 0.86 to 0.85 and RMSE increased from 0.28 to 0.29 kPa). Accordingly, in a study on heart valves using confocal laser scanning microscopy, it was shown that only two relaxation constants are sufficient to model material behavior, namely viscous-flow like of the fluids and fibre-fibre or fibre-matrix sliding mechanisms 27. Although previous literature 5,26 suggests a three stage level for liver tissue, this still has to be verified with visualization of deformation at the microscale during load application. In the present study, relaxation stress, based on the re-scaled AQLV model parameters, indicated an excellent fit with an RMSE of 0.015 kPa. Here, it has to be mentioned that only the largest strain amplitude (of the original multi-four-stage ramp-hold tests) is used for the stress prediction. However, the ramp phase can still be used for the validation of the other three strain amplitudes, which were scaled according to the factors obtained from Aryeetey et al. 21 (see Supplementary Fig. S1). Interestingly, the ramp stress also showed a very good fit with an RMSE of 0.28 kPa (see Fig. 1)
Similarly to the stress-hold experiments, the original AQLV model parameters failed to adequately predict the stress behavior for the load-unload tests. In more detail, especially in the unloading phase, stress became negative (undershoot, compressive stress, see Fig. 2), which could not occur in the tensile experiments due to the soft tissue and a slack in the final unloading phase to zero strain. As such, re-calibration was performed on the unloading phase, and the loading phase was used for validation. Indeed, RMSE decreased from 2.6 kPa for the original AQLV model to 0.5 kPa after re-calibration (combined for loading and unloading phase). In contrast to the stress-hold experiments, residual stress (\(k_0\)) was not affected by re-calibration, since no hold data were present in this load case. All spring constants (\(k_1\),\(k_2\), and \(k_3\)) were affected by a different factor. In a pre-study, it has been investigated that re-scaling with a single factor was not sufficient for proper stress prediction, which is in accordance to the load-hold cases. This result is further supported since all spring constants were re-scaled by a different factor, if increasing the degrees of freedom. The relaxation constants \(\tau _1\) and \(\tau _2\) were almost not affected by re-scaling, since both, the amplitude and the exponential shape of the loading and unloading curve are predominantly described by the non-linear springs. This finding agrees with the assumption of the primary dependency of the relaxation coefficients on the strain rate, which is of the same order of magnitude for the slow multi-stage-ramp-hold and load-unload experiments (\(\sim 10^{-3}\) s\(^{-1}\)). Only the largest relaxation constant \(\tau _3\) was re-scaled by a factor of \(\sim 10\), which was necessary to avoid the ’undershoot’ of stress at low strains in the unloading phase. Similarly, Babaei et al. 22 found that in the QLV model, the small, fast relaxation constants might be suppressed by a large, dominant time constant in a slow stretch.
In loading unloading tests, the corresponding energies did not deviate significantly from experimental values after re-scaling of the AQLV model parameters (see Table 1). However, the dissipated energy did not increase significantly with respect to the experimental values. This effect might be related to the individual re-scaling of the different parameters of the AQLV model. Since the dissipated energy obtained from the original AQLV model parameters matched more closely to the experimental values, these values might be more appropriate than the re-scaled ones. However, this hypothesis has to be validated for different strain rates and for different materials to draw a general conclusion.
In accordance with previous findings, the original parameters of the AQLV model also failed to predict the stress values for sine loads at different frequencies. Re-calibration, for each frequency individually, indicated a qualitatively good match to experimental stress values (see Fig. 3). Interestingly, there was no significant difference between the re-calibrated spring constants across the different angular frequencies. In contrast, all three re-calibrated relaxation constants were significantly different between the angular frequencies. This effect was most dominant for the fastest constant (\(\tau _1\)) and least for the slowest one (\(\tau _3\)). Actually, the re-calibrated \(\tau _1\) values were close to the period time T of the sine wave, e.g. almost 2 s for an excitation frequency of 0.5 Hz. Hence, the excitation period time dominates the relaxation coefficients, predominantly the fastest one, since the slower time constants only play a minor role in this fast cyclic test regime. However, all time constants also have a substantial effect on the stress amplitude (especially on the long-term relaxation behavior in the first loading cycles, before a steady state is reached, see Supplementary Fig. S3).
Important material parameters in dynamic material analysis (DMA) are the storage modulus, the loss modulus, and the loss tangent. All these values obtained from the original parameters of the AQLV model were significantly different from the experimental values (see Table 2). Furthermore, the loss tangent indicated a dependency on angular frequency, which is in contrast to previous findings on the same experiments 28. Re-calibration of the parameters of the AQLV model resulted in close matching values of all these three material parameters, without a significant difference to experimental values, except for the loss tangent at 2.0 Hz. Likely, there is still a discrepancy due to the larger difference between the calibration and testing frequency, even after re-calibration. Previously, Lin et al. 29 have also related the inability to correlate the viscosity obtained from DMA with shear wave elastography due to the difference in frequency bands. The storage and loss modulus of the re-calibrated AQLV model indicated an increase with angular frequency. Consequently, Babaei et al. 30 reported that the storage modulus increased with the angular frequency in the QLV and discrete QLV (DQLV) model.
In an additional evaluation, the re-calibrated AQLV model parameters from the fast ramp-hold experiment were used to predict the stresses of the sine loads. The rational was that the strain rates are similar (\(\sim 0.1\) s\(^{-1}\) for fast ramp-hold and \(\sim 0.2\) s\(^{-1}\) mean strain rate for 2.0 Hz angular frequency). Hence, it was assumed that the AQLV model parameters, re-calibrated to a closely matching strain rate, could predict the stress behavior properly, even for a different load case. Theoretically, this would allow one to re-calibrate AQLV parameters in ramp-hold experiments, which are much easier to perform experimentally, than a sine load. Indeed, the storage modulus was not significantly different from the experimental values for all test frequencies and the loss modulus for 1.0 and 1.5 Hz. Although the loss tangent matched more closely with the experimental values than those of the original AQLV model parameters, the deviation was still significant. In a previous DMA on rat liver by Zhang et al. 31 there was also a difference in frequency dependence between the storage modulus, the loss modulus, and the loss tangent. Similarly, Jiu-Tao et al. 32 determined in living cells that on low-frequency scales, the storage and loss moduli exhibited a similar power-law dependence, while there was a difference on high-frequency scales. Furthermore, the authors concluded that this behavior could not be reproduced by conventional rheological models but with a self-similar hierarchical model. Thus, it is likely that the AQLV model is also not able to capture the low- to high frequency range in DMA of liver, possibly because of modeling only one hierarchical level.
Previously, Anssari-Benam et al. 33 showed that heart valves under biaxial deformation indicate a stiffening behavior with increasing strain rate. This is in accordance with our findings on liver tissue. As demonstrated in Figs. 4 and 5 usage of the original AQLV model parameters (calibrated at a slower strain rate compared to the experiments) resulted an underestimation of stress. Re-calibration of the AQLV model parameters to the actual experiment (larger strain rate) resulted in an increase of the spring constants. Hence, the dependency of the AQLV model parameters on strain rate is also reflected in an increase of stiffness with increasing strain rate.
Taken together, it could be demonstrated that simple cases of uniaxial load are indeed properly simulated with the AQLV model, similar to the findings of Maxwell, Zener, and Kelvin-Voigt models 14. According to Mattei et al. 16, the present study indicated that rheological models do not provide actual material constants but rather gross tissue mechanical properties due to the large dependency testing protocols. In the last decade, the Kelvin-Voigt fractional derivative model and its adaptations have become increasingly popular due to their good fit over a wide range of frequencies 15,17,19,20. These models are thus a better choice if a single set of material constants should be used to describe a wide range of frequencies. However, simple rheological models, such as the Zener model, are still sufficient to discriminate healthy versus fibrotic liver tissue 34. Furthermore, Lin et al. showed that liver tissue state can even be determined simply by linear regression, without the need of fitting a rheological model 29. Together, the choice of the evaluation method is largely dependent on the loading case, the loading rate, and especially the desired application or usage of the parameters obtained.
A major limitation of the current study is that the re-calibration of the AQLV model is simply performed with a least squares algorithm, without any adaptations to the different load cases. However, the intention of the current study was to keep the adaptations as simple as possible. Furthermore, especially for the case of sine load, there was a substantial variance in the experimental strain values (see Supplementary Fig. S2) due to problems with experimental testing of liver tissue in tension. Since these values are used as input for the AQLV model, the deviations in the strain recordings might result in non-physiological deviations of predicted stress values. As such, two samples had to be excluded from further evaluation for the parameters of the AQLV model based on the fast ramp-hold test. Another limitation of the AQLV model and the rather slow strain rates (\(\dot{\epsilon } < 1 s^{-1}\)) is that relaxation already takes place during the loading phase 35. Since the calibration of the AQLV is only performed in the hold phases and the ramp phases are used for validation with a very good fit, it is assumed that there is no large effect for slow strain rates. However, this effect might be more dominant for large strain rates and has to be validated before using the AQLV for large strain rates. The actual stress values computed with the AQLV model are dependent on the entire strain history. However, due to computational limitations, it was not possible to include the whole strain history for the sine load case (numerical overflow). Instead, the first 30 periods were omitted, assuming that a steady state with constant stress amplitude and phase lag was reached. A further limitation of the load-unload experiments was that calibration was performed only on the unloading curve. In a pre-study, calibration was also performed on the loading curve only or on both parts, but calibration on the unloading curve only proved to be the best choice to avoid the undershoot at low strains. This undershoot did not occur in the experiments because of a slack phase at low strains.
Methods
AQLV model theory
Experimental test protocols for stress-relaxation, load-unload, and dynamic mechanical analysis (DMA)—sine load, with machine displacement \(u_\text {M}\), performed in a previous study by Estermann et al. 28.
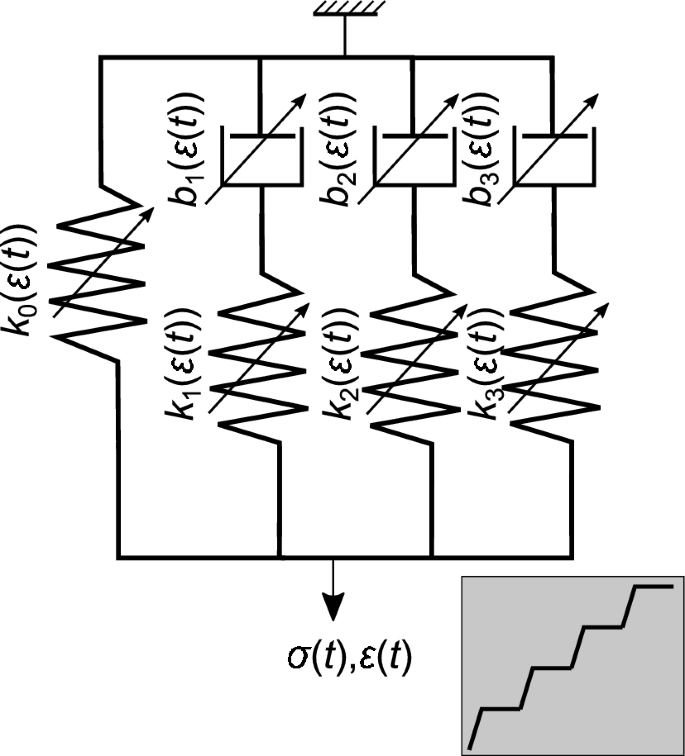
In principle the AQLV model can be visualized as a generalized Maxwell model with non-linear, strain dependent springs (with spring constants \(k_i\)) and dampers (with relaxation coefficients \(\tau _i\) and dashpot coefficient \(b_i\), whereby \(\tau _i = b_i/k_i\), see Fig. 5), although these elements need not physically exist 10. In the following paragraphs, the usage of the AQLV model, its calibration and the analytic solutions for stress-relaxation (load-hold), triangular wave (load-unload), and sine load cases are provided. A detailed description of the AQLV model, its calibration and usage is provided in Nekouzadeh et al. 6.
In short, the AQLV model can be written in its general form as follows:
with
and \(\sigma _0\big(\epsilon (t)\big)\) as the residual stress within the spring \(k_0\).
Since both the spring stiffness and the dashpot coefficient of a single Maxwell element are required to be proportional to the global strain, the relaxation coefficients \(\tau _i\) are independent of the strain. As a consequence, the above equation becomes linear and thus, their solution exists in closed form many strain functions, including a loading at constant strain rate:
where T is the loading time and \(\Delta \epsilon\) is the strain amplitude.
Further, the closed form solution for successive unloading at a constant strain rate is written as:
If a hold-relaxation phase follows a ramp phase with constant strain rate, the stress in the hold phase is calculated as:
Also, for sine load, a closed form solution exists:
where \(\hat{\epsilon }\) is the strain amplitude.
Specimens and test data
Tensile tests in porcine liver samples were performed by Estermann et al. in a previous study 28 in three different load cases (see Fig. 4): Load-unload (10 samples, strain rate: 0.00092 s\(^{-1}\)), fast ramp-hold (10 samples, strain rate: 0.15 \(s^{-1}\)), and sine wave excitation at four different angular frequencies (12 samples). Experimental stress and strain data were obtained from that previous study. Thus, strain served as an input variable for the AQLV model to predict stress for all load cases, which was sequentially compared to experimental stress.
The mean parameters of the AQLV model were obtained from a different study 21, by which samples were tested in the same test set-up as used by Estermann et al. 28. In summary, eight samples were tested under tension in four increasing slow ramp-hold tests at a strain rate of 0.00015 s\(^{-1}\) (see inset in Fig. 5).
AQLV model. The inset illustrates calibration with ramp-hold tests at four deformation levels. \(k_{i}\) strain dependent spring constant, \(b_{i}\) strain dependent damping coefficient.
Original model calibration and re-calibration to different load cases
Figure 6 illustrates a flow chart with the original calibration in four consecutive hold phases of equivalent strain and the re-calibration to the different load cases. For fast ramp-hold the original calibration algorithm from Nekouzadeh et al. 10 with the adaptation from Smith et al. was used 23. Load-unload and sine at different frequencies were re-calibrated using a least squares algorithm. Details about the two different re-calibration methods are mentioned in the following paragraphs.
Flow chart illustrating the simultaneous original calibration in hold phases at four strain levels and the re-calibration in fast ramp-hold, load-unload and sine at different frequencies.
AQLV model adaptation to single ramp-hold phase
Adaptation of the parameters of the AQLV model to the single load-hold case was carried out according to Smith et al. 23. In short, the single, large strain hold phase is used as the largest of the four level hold phases. The three smaller, proceeding hold phases are simply calculated as a linear fraction of the largest level. Here, the factors are based on the data from Aryeetey et al. 21:
\(\sigma _\mathrm {h/1} = \sigma _\textrm{exp} \cdot 0.09\), \(\sigma _\mathrm {h/2} = \sigma _\textrm{exp} \cdot 0.28\), \(\sigma _\mathrm {h/3} = \sigma _\textrm{exp} \cdot 0.60\), and \(\sigma _\mathrm {h/4} = \sigma _{exp}\).
Supplementary Figure S1 illustrates the four calculated hold stresses, based on the single, large strain stress-relaxation experiment. In that way, four hold phases could be simulated, such that the original calibration algorithm of the AQLV model provided by Nekouzadeh et al. 10 could be used. Thus, theoretically, each re-calibration should be an almost perfect fit to the experimental stress curve.
AQLV model parameters re-calibration
Re-calibration of the AQLV model material parameters to the other two load cases (load-unload and sine load) required a different approach. A major requirement was that the original parameters of the AQLV model have to be in a meaningful and physiological range. Further, all elements of the AQLV model should stay in similar relation to each other, e.g. the time constants should not differ more than five orders of magnitude from each other. It was emphasized that the DOF should be as small as reasonably achievable. These requirements resulted in the usage of a single scalar factor for each parameter of the AQLV model (four springs and three dashpots). Re-calibration was performed in python 3.8.8 using scipy (V1.6.2) 36 with a least squares algorithm. Hereby, the starting values for re-scaling of the springs were calculated as the ratio of maximum experimental stress to the predicated stress based on the original AQLV model parameters. The starting factor value for the time constants was the inverse excitation frequency of the sine wave, e.g. 2 for an excitation frequency of 0.5 Hz.
Stress-strain curve analysis and statistical evaluation
The stress-strain curve analysis and the data evaluation were performed in python 3.8.8 using scipy (V1.6.2) 36. Thus, the root mean squared error (RMSE) and the spearman rank correlation coefficient were computed for the ramp-hold and load-unload case. For the load-unload case, the area under the loading and unloading curve was computed with the trapz function in numpy, and the dissipated energy was calculated as their difference. For the sine load, a least squares algorithm was used to obtain sine wave parameters, such as stress amplitude \(A_{\sigma }\), phase shift \(\phi\), mean stress \(A_{\sigma _0}\), and strain amplitude \(A_{\epsilon }\). The Loss tangent was calculated as:
The storage modulus as:
The loss modulus as:
Statistical analysis was also performed in python 3.8.8 using scipy (V1.6.2) 36. Analysis of quantil–quantil diagrams and Kolmogorov-Smirnov tests indicated that data were not normally distributed. Hence, in between group analysis of means was performed with a Mann-Whiteney-U test for two groups and a Kruskal-Wallis test for three and four groups. Post hoc analysis was performed for multiple comparisons of mean rank sums with Dunn’s test, using the scikit-posthoc Python package. An \(\alpha\) level < 0.05 was considered for all statistical analysis.
Data availability
Python code and data access with the corresponding results are available at https://doi.org/10.5281/zenodo.15241168.
References
Liu, Z. & Bilston, L. On the viscoelastic character of liver tissue: Experiments and modelling of the linear behaviour. Biorheology 37, 191–201 (2000).
Yoganandan, N., Pintar, F. A., Gennarelli, T. A. & Maltese, M. R. Patterns of abdominal injuries in frontal and side impacts. In Annual Proceedings. Association for the Advancement of Automotive Medicine. Vol. 44. 17–36 (2000).
Kemper, A. R., Santago, A. C., Stitzel, J. D., Sparks, J. L. & Duma, S. M. Biomechanical response of human liver in tensile loading. In Annals of Advances in Automotive Medicine. Association for the Advancement of Automotive Medicine. Annual Scientific Conference. Vol. 54. 15–26 (2010).
Qiu, K., Haghiashtiani, G. & McAlpine, M. C. 3d printed organ models for surgical applications. Annu. Rev. Anal. Chem. 11, 287–306. https://doi.org/10.1146/annurev-anchem-061417-125935 (2018).
Chang, Z., Zhang, L., Hang, J.-T., Liu, W. & Xu, G.-K. Viscoelastic multiscale mechanical indexes for assessing liver fibrosis and treatment outcomes. Nano Lett. 23, 9618–9625. https://doi.org/10.1021/acs.nanolett.3c03341 (2023).
Nekouzadeh, A. & Genin, G. M. Adaptive quasi-linear viscoelastic modeling. Stud. Mechanobiol. Tissue Eng. Biomater. 10, 47–83. https://doi.org/10.1007/8415_2012_142 (2013).
Fung, Y. C. Biomechanics – Mechanical Properties of Living Tissue (Springer, 1993).
Anssari-Benam, A., Bader, D. L. & Screen, H. R. Anisotropic time-dependant behaviour of the aortic valve. J. Mech. Behav. Biomed. Mater. 4, 1603–1610. https://doi.org/10.1016/j.jmbbm.2011.02.010 (2011) (special issue soft tissues).
Abramowitch, S. D. & Woo, S. L. An improved method to analyze the stress relaxation of ligaments following a finite ramp time based on the quasi-linear viscoelastic theory. J. Biomech. Eng. 126, 92–97. https://doi.org/10.1115/1.1645528 (2004).
Nekouzadeh, A., Pryse, K. M., Elson, E. L. & Genin, G. M. A simplified approach to quasi-linear viscoelastic modeling. J. Biomech. 40, 3070–3078. https://doi.org/10.1016/j.jbiomech.2007.03.019 (2007).
Quaia, C., Ying, H. S. & Optican, L. M. The viscoelastic properties of passive eye muscle in primates. III: Force elicited by natural elongations. PLoS ONE 5. https://doi.org/10.1371/journal.pone.0009595 (2010).
Babaei, B., Abramowitch, S. D., Elson, E. L., Thomopoulos, S. & Genin, G. M. A discrete spectral analysis for determining quasi-linear viscoelastic properties of biological materials. J. R. Soc. Interface 12, 10–17. https://doi.org/10.1098/rsif.2015.0707 (2015).
Criscenti, G. et al. Quasi-linear viscoelastic properties of the human medial patello-femoral ligament. J. Biomech. 48, 4297–4302. https://doi.org/10.1016/j.jbiomech.2015.10.042 (2015).
Zhang, W., Capilnasiu, A. & Nordsletten, D. Comparative analysis of nonlinear viscoelastic models across common biomechanical experiments. J. Elastic. 145, 117–152. https://doi.org/10.1007/s10659-021-09827-7 (2021).
Lemine, A. S., Ahmad, Z., Al-Thani, N. J., Hasan, A. & Bhadra, J. Mechanical properties of human hepatic tissues to develop liver-mimicking phantoms for medical applications. Biomech. Model. Mechanobiol. 23, 373–396. https://doi.org/10.1007/s10237-023-01785-4 (2024).
Mattei, G. & Ahluwalia, A. Sample, testing and analysis variables affecting liver mechanical properties: A review. Acta Biomater. 45, 60–71. https://doi.org/10.1016/j.actbio.2016.08.055 (2016).
Zhang, W., Capilnasiu, A., Sommer, G., Holzapfel, G. A. & Nordsletten, D. A. An efficient and accurate method for modeling nonlinear fractional viscoelastic biomaterials. Comput. Methods Appl. Mech. Eng. 362, 112834. https://doi.org/10.1016/j.cma.2020.112834 (2020).
Capilnasiu, A., Bilston, L., Sinkus, R. & Nordsletten, D. Nonlinear viscoelastic constitutive model for bovine liver tissue. Biomech. Model. Mechanobiol. 19, 1641–1662. https://doi.org/10.1007/s10237-020-01297-5 (2020).
Poul, S. S., Ormachea, J., Ge, G. R. & Parker, K. J. Comprehensive experimental assessments of rheological models’ performance in elastography of soft tissues. Acta Biomater. 146, 259–273. https://doi.org/10.1016/j.actbio.2022.04.047 (2022).
Kiss, M. Z., Varghese, T. & Hall, T. J. Viscoelastic characterization of in vitro canine tissue. Phys. Med. Biol. 49, 4207. https://doi.org/10.1088/0031-9155/49/18/002 (2004).
Aryeetey, O. J. et al. A parameter reduced adaptive quasi-linear viscoelastic model for soft biological tissue in uniaxial tension. J. Mech. Behav. Biomed. Mater. 126, 104999. https://doi.org/10.1016/j.jmbbm.2021.104999 (2022).
Babaei, B. et al. Energy dissipation in quasi-linear viscoelastic tissues, cells, and extracellular matrix. J. Mech. Behav. Biomed. Mater. 84, 198–207. https://doi.org/10.1016/j.jmbbm.2018.05.011 (2018).
Smith, D., Komaragiri, U. & Tanov, R. Calibration of nonlinear viscoelastic materials in abaqus using the adaptive quasi-linear viscoelastic model. SIMULIA Custom. Conf. 1–10 (2010).
Wang, H. & Sang, Y. Research on adaptive quasi-linear viscoelastic model for nonlinear viscoelastic properties of in vivo soft tissues. J. Biomed. Eng. 34, 702–712 (2017).
Quaia, C., Ying, H. S. & Optican, L. M. The viscoelastic properties of passive eye muscle in primates. II: Testing the quasi-linear theory. PLoS ONE 4. https://doi.org/10.1371/journal.pone.0006480 (2009).
Mo Cai, C., Yuan Yu, Q., Li, W., Zheng, J. & Rong Zhou, Z. Experimental creep behavior of porcine liver under indentation with laparoscopic grasper for MIS applications. Biosurf. Biotribol. 3, 56–65. https://doi.org/10.1016/j.bsbt.2017.06.002 (2017).
Anssari-Benam, A., Screen, H. R. & Bucchi, A. Insights into the micromechanics of stress-relaxation and creep behaviours in the aortic valve. J. Mech. Behav. Biomed. Mater. 93, 230–245. https://doi.org/10.1016/j.jmbbm.2019.02.011 (2019).
Estermann, S. J., Pahr, D. H. & Reisinger, A. Hyperelastic and viscoelastic characterization of hepatic tissue under uniaxial tension in time and frequency domain. J. Mech. Behav. Biomed. Mater. 112, 104038. https://doi.org/10.1016/j.jmbbm.2020.104038 (2020).
Lin, H. et al. Model-dependent and model-independent approaches for evaluating hepatic fibrosis in rat liver using shearwave dispersion ultrasound vibrometry. Med. Eng. Phys. 39, 66–72. https://doi.org/10.1016/j.medengphy.2016.10.007 (2017).
Babaei, B. et al. Discrete quasi-linear viscoelastic damping analysis of connective tissues, and the biomechanics of stretching. J. Mech. Behav. Biomed. Mater. 69, 193–202. https://doi.org/10.1016/j.jmbbm.2016.12.013 (2017).
Zhang, X. et al. Dynamic mechanical analysis to assess viscoelasticity of liver tissue in a rat model of nonalcoholic fatty liver disease. Med. Eng. Phys. 44, 79–86. https://doi.org/10.1016/j.medengphy.2017.02.014 (2017).
Hang, J.-T., Xu, G.-K. & Gao, H. Frequency-dependent transition in power-law rheological behavior of living cells. Sci. Adv. 8, eabn6093. https://doi.org/10.1126/sciadv.abn6093 (2022).
Anssari-Benam, A., Tseng, Y.-T., Holzapfel, G. A. & Bucchi, A. Rate-dependency of the mechanical behaviour of semilunar heart valves under biaxial deformation. Acta Biomater. 88, 120–130. https://doi.org/10.1016/j.actbio.2019.02.008 (2019).
Zhu, Y. et al. Modeling the mechanical properties of liver fibrosis in rats. J. Biomech. 49, 1461–1467. https://doi.org/10.1016/j.jbiomech.2016.03.013 (2016).
Doehring, T. C., Carew, E. O. & Vesely, I. The effect of strain rate on the viscoelastic response of aortic valve tissue: A direct-fit approach. Ann. Biomed. Eng. 32, 223–232. https://doi.org/10.1023/B:ABME.0000012742.01261.b0 (2004).
Virtanen, P. et al. SciPy 1.0: Fundamental algorithms for scientific computing in Python. Nat. Methods 17, 261–272. https://doi.org/10.1038/s41592-019-0686-2. arXiv:1907.10121 (2020).
Acknowledgements
The authors appreciate the contribution of Lower Austria Landesgesundheitsagentur, legal entity of University Hospitals in Lower Austria, to providing the organizational framework to conduct this research. The authors acknowledge TU Wien Bibliothek for financial support through its Open Access Funding Program.
Funding
The research was a cooperation with the Austrian Center for Medical Innovation and Technology (ACMIT), funded by the “Forschung, Technologie & Innovation” (FTI) framework of the Provincial Government of Lower Austria (Land Niederoesterreich) under grant assignment number WST3-F2-528983/0052018.
Author information
Authors and Affiliations
Contributions
MBF: Conceptualization, Software, Validation, Formal analysis, Data Curation, Writing-Original Draft, Visualization. OJA: Methodology, Investigation, Writing-Review & Editing. SJE: Investigation, Writing-Review & Editing. DHP: Resources, Writing-Review & Editing, Supervision, Project administration, Funding acquisition.
Corresponding author
Ethics declarations
Competing interests
The authors declare no competing interests.
Additional information
Publisher’s note
Springer Nature remains neutral with regard to jurisdictional claims in published maps and institutional affiliations.
Supplementary Information
Rights and permissions
Open Access This article is licensed under a Creative Commons Attribution-NonCommercial-NoDerivatives 4.0 International License, which permits any non-commercial use, sharing, distribution and reproduction in any medium or format, as long as you give appropriate credit to the original author(s) and the source, provide a link to the Creative Commons licence, and indicate if you modified the licensed material. You do not have permission under this licence to share adapted material derived from this article or parts of it. The images or other third party material in this article are included in the article’s Creative Commons licence, unless indicated otherwise in a credit line to the material. If material is not included in the article’s Creative Commons licence and your intended use is not permitted by statutory regulation or exceeds the permitted use, you will need to obtain permission directly from the copyright holder. To view a copy of this licence, visit http://creativecommons.org/licenses/by-nc-nd/4.0/.
About this article
Cite this article
Bittner-Frank, M., Aryeetey, O.J., Estermann, SJ. et al. Usage of the adaptive quasi-linear viscoelastic model to predict load-unload, stress-relaxation, and sine load of porcine liver. Sci Rep 16, 10675 (2026). https://doi.org/10.1038/s41598-026-45415-2
Received:
Accepted:
Published:
Version of record:
DOI: https://doi.org/10.1038/s41598-026-45415-2





