Abstract
The necessity for a clean and sustainable Renewable Energy Source (RES) is fueled by the intensifying environmental issue and steady decline of fossil resources. Additionally, expanding use of Electric Vehicles (EVs) across the globe is a result of rising carbon emissions and oil consumption. PV powered EV charging system has the ability to substantially reduce greenhouse emissions when compared with conventional sources-based EV charging system. However, existing PV based EV charging systems lack efficient approaches for adapting optimally to varying environmental conditions. Moreover, the power conversion efficiency may not be optimized leading to lower energy output. Hence, in this work, a Single Ended Primary Inductance Converter (SEPIC) Integrated Isolated Flyback Converter (SIIFC) and Machine Learning Radial Basis Function Neural Network Maximum Power Point Tracking (ML RBFNN MPPT) are used to maximize PV power extraction. EV motor and the grid are powered by a reduced switch 31 level inverter and a 1 Voltage Source Inverter (VSI). In order to effectively synchronize the grid voltage and guarantee that the EV motor runs at the desired speed, an adaptive proportional integral (PI) controller is used. For validating the effectiveness of proposed PV based EV charging station, MATLAB simulations and experimental validations are used. Experimental results demonstrate that the proposed SIIFC and RBFNN MPPT offer an efficiency of 95.4% and 96% respectively. Moreover, the proposed 31-level inverter design increases the reliability and reduces the THD to 2.16%.
Similar content being viewed by others
Introduction
Automobiles are regarded as one of the paths breaking landmark innovation of modern times, since it has made immense contribution towards the upliftment of both human society and world economy by satisfying a broad range of transportation needs1,2. On the other hand, these automobiles have raised serious environmental and health concerns and continue to do so3,4. The fossil fuel powered automobiles are responsible for about 25% of the hazardous carbon emissions into the atmosphere5,6. A number of challenges have also risen in recent years, including air pollution, climate change, global warming and the fast depletion of oil reserves7. Result of these challenges has been the development of EVs, which meet the transforming consumer aspiration for environmentally friendly transportation8. Among several RESs, the PV-based EV charging system is the most affordable and useful option9. The PV system however, needs a step-up converter for improving its output voltage to match the DC bus operating voltage10.
To deliver a high step-up voltage, a typical Boost converter11 has to be functioned at an exceptionally high duty ratio. However, the factors such as reverse recovery time of the diode along with presence of parasitic elements results in the reduction of its efficiency and step-up ratio12. Meanwhile, the Buck-Boost converters13, which has minimum component count among the various step-up/step-down topologies is affected by the drawbacks of discontinuous input current and inverted voltage polarity. The Cuk14 converter has the benefits of continuous input current and minimum ripple current, however, on the down side its wide range application is also hindered due to inverted voltage polarity. Moreover, all the aforementioned converters have the common limitation of low voltage gain, thus resulting in SEPIC converter implementation15,16 for enhancing the PV module voltage to the required level in this work. In addition to high voltage gain, SEPIC converter has other benefits such as continuous input current in addition to non-inverted output polarity17. An appropriate MPPT controller is instrumental in augmenting the conversion efficiency of the PV system. Some of the prominently used MPPT techniques include short-current algorithm18, Hill Climbing19, Perturb and Observation20 and Incremental conductance21. These techniques vary in terms of their convergence speeds, hardware implementation and complexities but they all exhibit oscillations around the Maximum Power Point (MPP) rather than converging precisely towards the MPP in non-linear conditions. The Fuzzy Logic based MPPT22 technique is effective in tacking non-linear nature of PV, however on the other hand it has limitations such as slower tracking rate and complex architecture23. Thereby to subdue these challenges faced by aforementioned techniques, several types of ANN24 based MPPT approaches are adopted. By gathering information on temperature, irradiance, input current, and input voltage, the Artificial Neural Network (ANN) adapts to the PV system’s parameters and enables the PV panels to maximize its power output at quicker convergence rate. The EVs require high-power inverters for driving large electric motors that ensures reduced emissions, improved vehicle performance and higher fuel efficiency. This requirement is fulfilled with the application of MLI according to its desirable features such as minimum harmonic distortion, reduced switching stress, lower operating frequency in addition to low installation area and absence of filters. The various types of MLI includes Cascaded H-bridge, Floating Capacitor and Diode-Clamped. The presence of increased number of switches in addition to the requirement of a greater number of DC source are considered to be the major limitations of MLI. So, nowadays the design of MLI with higher voltage levels and minimum switch count is the area of major interest25,26,27,28,29,30. However, these topologies require increased number of DC source and converter, so in order to overcome this limitation, an isolated Flyback converter is connected to the SEPIC converter.
The novel contributions of this work lie in the integration of advanced technologies to address the limitations of existing PV-based EV charging systems. The implementation of SIIFC offers improved power conversion efficiency, ensuring optimal energy output from the PV panels. The incorporation of RBFNN MPPT introduces a sophisticated algorithmic approach to dynamically track the MPP PV array enabling the charging station to harness the maximum available solar energy at any given time. Furthermore, the utilization of a reduced switch 31-level inverter for EV motor and grid power, along with VSI, contributes to improved system performance and grid integration capabilities. The reduced switch inverter design offers higher reliability and efficiency compared to conventional inverters, while the VSI ensures enhanced integration with the grid. Unlike conventional systems that suffer from limited voltage gain, high switch count and poor adaptability under dynamic conditions, the SIIFC converter significantly enhances voltage boosting capabilities with improved efficiency. The use of RBFNN for MPPT offers a superior alternative to traditional and fuzzy logic controllers by enabling faster, more precise tracking of the Maximum Power Point even under rapidly changing environmental conditions. Moreover, the innovative reduced switch 31-level inverter minimizes component count and control complexity while achieving low THD and high-quality output, which are essential for both EV motor drive and grid compliance. Together with the adaptive PI controller for grid synchronization, this system not only maximizes energy extraction and conversion efficiency but also ensures scalability, reliability and ease of integration addressing problems in previous research.
Proposed system description
Increasing demand for electric vehicles calls for a reliable and stable charging infrastructure. Due systems have garnered more attention in recent times. Intermittency of solar energy causes inconsistent power generation and sudden shifts in MPP. The MPPT technique is absolutely necessary to address this problem because it enables the PV system to function at the MPP amidst sudden and unexpected changes in temperature and climatic conditions.
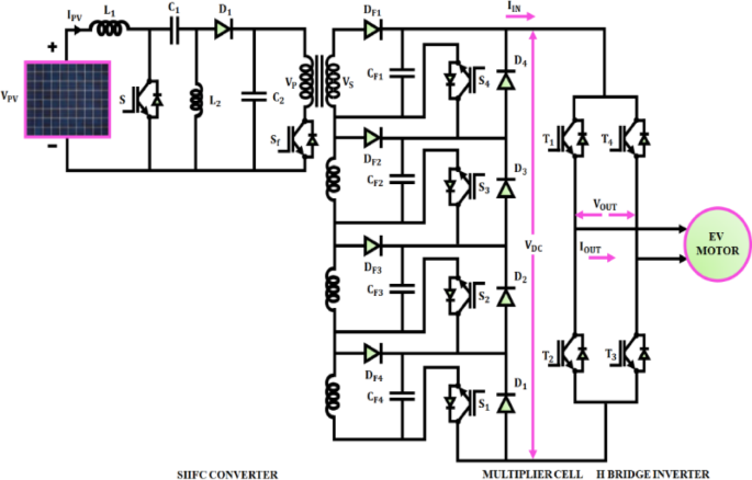
The energy conversion efficiency of PV systems, which normally ranges from 6 to 20 percent, is considered to be extremely low. In Fig. 1, a SEPIC Integrated Isolated Flyback Converter (SIIFC) and ML RBFNN MPPT are used to improve the PV system’s low conversion efficiency. By using \({V}_{PV}\) and \({I}_{PV}\) values, ML RBFNN MPPT estimates the MPP and makes the converter for operating at a particular duty cycle to produce the maximum voltage required. An EV motor requires AC voltage to operate, which is converted by a reduced switch 31 level inverter. The power generated from the PV system is used for EV motor operation during daytime when the sun is available; the remaining power is taken to the grid via a 1-phase 1φVSI and LC filter. When PV system is unable to generate any electricity at night, EV motors are powered by the grid. The PI controller allows the EV motor to run at a desired speed and an adaptive PI controller allows for effective grid voltage synchronization.
Proposed configuration using SIIFC and Reduced switch 31 level Inverter.
Proposed system modelling
PV system modelling
An equivalent circuit of PV panel includes of a series resistor \({R}_{s}\), a shunt resistor \({R}_{sh}\), a current source \({I}_{ph}\) and a diode D as illustrated in Fig. 2. Each PV cell, which together contribute the PV module is represented by using single diode model.
PV panel equivalent circuit.
A value of \({I}_{PV}\), which represents the current derived from the PV as output is estimated by using the following equation:
The diode current \({I}_{D}\) is calculated as per Shockley equation as
Current flowing through shunt resistor \({R}_{sh}\) is
By substituting the values of \({I}_{D}\) and \({I}_{sh}\) in Eq. (1), we get
Here, the \({N}_{s}\) denotes number of series connected solar cells, \(\alpha\) denotes ideality factor, \({I}_{o}\) represents diode saturation current, \({V}_{PV}\) stands for output voltage of solar panel.
The subsequent equation gives the thermal voltage of the diode,
K, q and T are Boltzmann constant, electron charge and cell temperature, respectively. With the SEPIC Integrated Isolated Flyback Converter (SIIFC), the PV system’s output is boosted.
SEPIC integrated isolated fly back converter
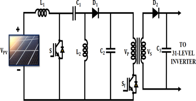
SEPIC is well-known for its high voltage gain capability, which is crucial in efficient output voltage boosting of PV systems to match the DC bus operating voltage required for EV charging. It offers non-inverted output polarity, which simplifies its integration into the overall power conversion system, reducing complexity and improving overall efficiency. Unlike other converter topologies, SEPIC maintains continuous input current, leading to smoother operation and reduced electromagnetic interference. Therefore, a hybrid DC–DC converter called SIIFC is created by combining an isolation flyback converter and a SEPIC. The integration of a flyback converter with a SEPIC leads to improved overall efficiency of the power conversion system. Flyback converters are known for their simplicity and reliability, and when combined with the high voltage gain capability of the SEPIC, they minimize power losses and enhance the overall system efficiency. This converter consists of two power switches (\(S{,S}_{f}\)), two inductors (\({L}_{1}, {L}_{2}\)), three capacitors (\({C}_{1},{C}_{2},{C}_{3}\)) and two diodes (\({D}_{1}, {D}_{2}\)) as demonstrated in Fig. 3.
Circuit diagram of SIIFC.
According to Fig. 4, SIIFC operates in two different modes.
SIIFC (a) Mode 1 (b) Mode 2.
Mode 1
During this mode, \(S\) and \({S}_{f}\) are made ON, the source current \({I}_{PV}\) flows through the inductor \({L}_{1}\), which causes it to store energy throughout the \({T}_{on}\) period. Meanwhile, the diode \({D}_{1}\) is in reverse bias condition. Due to the isolation of the output side from the input, the fly back converter is powered by the energy discharged from capacitor \({C}_{2}\). When switch \({S}_{f}\) is ON, current passes through \({V}_{P}\) and it begins storing energy in its magnetic field. Subsequently, when the switch \({S}_{f}\) is turned OFF, the coupled inductor demagnetizes and the stored energy is provided to the load. By applying KVL, the following equations that characterise mode 1 operation is obtained,
Mode 2
During this mode, power switch \(S\) is turned OFF and switch \({S}_{f}\) remains in ON state, the inductor \({L}_{1}\) begins to discharge energy. The diode \({D}_{1}\) starts conducting as it is forward biased. The energy discharged from the inductors powers the primary winding of the transformer. Through the successive switching ON and OFF of \({S}_{f}\), the current is supplied to the 31-level inverter. The expressions that model mode 2 is provided as,
Using the average of these voltages,
Which gives,
On applying KVL in the outermost path of the circuit gives,
On applying (10) in (11),
On the basis of Inductor volt second balance principle,
where \(D\) is the duty ratio of the switch.
The values of the inductors \({L}_{1}\) and \({L}_{2}\) are given by the following equations as:
where \({V}_{PV}=14V, D=0.5, f=10kHz\) and \(\Delta {i}_{{L}_{1}}=0.7\). The values of the capacitors \({C}_{1}\), \({C}_{2}\) and \({C}_{3}\) are given by the following equations as:
where \({I}_{o}=10A, D=0.5, \Delta {V}_{{C}_{1}}=6.81\) and \(\Delta {V}_{o}=0.22\).The output voltage of the SIIFC is,
Table 1 provides details about the stress on components and ripple characteristics of the SIIFC.
Control loop design and stability
The primary control objective is to regulate the output voltage despite fluctuations in solar irradiance and load conditions. The control loop begins with sensing the output voltage and comparing it to a reference. This error signal is processed using a PI controller, which generates the duty ratio required for PWM control of switches. The duty ratio directly influences the voltage gain \({V}_{O}={V}_{PV}\left(\frac{D}{1-D}\right)\) as derived in Eq. (15), thus enabling precise voltage regulation at the output. To ensure loop stability, small-signal modeling of the converter is performed to derive the transfer function \(G(s)\) between control input and output voltage. The PI controller is tuned ensuring adequate gain and phase margins > 6 dB and > 45°, respectively. This approach guarantees that the closed-loop system maintains stable operation with minimal overshoot, fast settling time and robust performance under dynamic transients. By assuming continuous conduction mode, ideal components and linearization around the operating point, the small-signal transfer function is given by,
Here, \(K\)-DC gain of the system, \(z\)-system zero, \({\omega }_{p1}, {\omega }_{p2}\)-dominant and high-frequency poles of the converter. The zero is typically associated with the Equivalent Series Resistance of the output capacitor:
The poles are approximated as,
The RBFNN MPPT technique is used in this work owing to its capability to learn from non-linear characteristics of PV system and dynamically adjust to varying environmental conditions. It ensures that the PV system consistently operates at its peak efficiency and maximizes the power output. Moreover, in addition to its ability to achieve fast convergence, it is also capable of handling multiple inputs. The improved tracking precision provided by the ML RBFNN MPPT is essential for ensuring stable and efficient energy conversion, particularly in the dynamic conditions often encountered in renewable energy applications.
ML RBFNN MPPT
RBFNN-based MPPT techniques are known for their ability to converge quickly towards the MPP, confirming that the PV system functions at its peak efficiency under dynamic environmental conditions. By utilizing RBFNN, the MPPT controller effectively tracks the MPP with high precision, maximizing the power output of PV system even under partial shading or varying irradiance levels. Unlike traditional MPPT algorithms that struggle to accurately track the MPP under such conditions, RBFNNs are inherently capable of learning and adapting to non-linearities, ensuring efficient power extraction from the PV array. Input, output and a hidden layer with a nonlinear RBF activation function are the three layers of neurons that make up a feed-forward neural network known as an RBFNN. In RBFNN, the output is created by linearly combining the radial base functions of the inputs and neurons parameters. The hidden layer has no weights, while the output layer’s activation function is linear. A network’s performance is determined by its weights, interconnection patterns and activation functions. Figure 5 depicts the general structure and flowchart of RBFNN MPPT.
RBFNN MPPT (a) Structure and (b) Flowchart.
The output of the k-th neuron is defined as follows in the RBFNN output layer:
Here, the term \({w}_{kj}\) stands for the synaptic weight between the output neuron \(k\) and the radial unit \(j\). Here, \({h}_{j}\left(\text{x}\right)\) represents an activation of radial unit j given the input pattern x. Based on separation between input pattern and hidden unit centre (\({c}_{j}\)),\(j\)-th radial unit is activated.
An activation of j-th radial unit is represented by using a Euclidean metric as follows:
where the Euclidean norm is specified as ||.||, the width of \(j\)-th radial unit is defined using a scalar parameter \({r}_{j}\) and RBF \({\phi }_{j}(.)\).
Gaussian function is the most widely used RBF and it is denoted by the following equation:
When the patterns are closer to the radial unit centre, the neurons with Gaussian RBF exhibit high activation and when the patterns are far from the radial unit centre, the neurons with Gaussian RBF exhibit very low activation. The RBFNN based MPPT samples the voltage and current of PV panel continuously and feeds the data into the neural network. This information is processed by the neural network thereby generating the control signals for adjusting the operating point of PV panels. This aids in the effective tracking of MPP in real-time. The MPPT algorithm mainly assists to ensure that an output power of solar panel or array is maintained at its maximum or peak by iteratively adjusting the operating point based on environmental conditions like temperature and solar irradiance. The most optimal power is accomplished by continuously tracking \({V}_{PV}\) and \({I}_{PV}\) with the implementation of ML RBFNN MPPT. The DC-link voltage maintenance in the PV-based system is directly impacted by optimization of power extraction. With continuous tracking of MPP, The operation of PV panels at maximum power output is ensured. The RBFNN MPPT algorithm thus intelligently adapts to dynamic irradiance and temperature variations by learning the nonlinear characteristics of the PV array, thereby ensuring rapid and accurate tracking of the Maximum Power Point under all operating conditions. This real-time responsiveness significantly boosts the efficiency of the SEPIC integrated isolated flyback converter by enabling it to supply a stable, optimized DC voltage. Hence, the converter receives a consistent input power from the PV panels resulting in stabilized DC-link voltage level.
Reduced switch 31 level inverter
Due to the special design of the MLI, a high voltage with minimal harmonic content is produced without the use of a transformer. The main function of MLI is to acquire required voltage output by combining various DC voltage levels. The design of an MLI prevents active devices from experiencing voltage sharing issues. If more steps are present in the output waveform produced by the MLI, then harmonic distortion reduces and finally gets closer to zero.
This study proposes a reduced switch 31 level inverter to alleviate the main disadvantage of MLI, the rising number of switches and DC sources. Using an isolated flyback converter reduces the requirement for four DC sources to one by using the proposed design. The proposed MLI design is based on H-bridge inverter and it comprises of eight switches as seen in Fig. 6. The proposed reduced switch 31-level inverter achieves significant simplification over conventional MLI topologies by minimizing the number of active switching devices and DC sources required to generate multiple voltage levels. Traditional MLIs often require a large number of semiconductor switches and isolated DC sources to achieve high-resolution output waveforms, which leads to increased complexity, cost and control overhead. In contrast, the design in this study utilizes a single DC source enabled by a SIIFC to generate multiple voltage levels, eliminating the need for multiple isolated sources. The inverter comprises only eight switches in an H-bridge configuration. Voltage step levels are produced by sequential switching of the level generation switches, while the polarity generation switches control the sign of the output. The switch count reduction is made possible through the integration of multiplier cells with the isolated flyback converter, which efficiently produces the required intermediate voltage levels from a single input, enhancing compactness without sacrificing performance. The H-bridge Inverter’s architecture consists of a Level generation unit and a polarity generation unit and Table 2 provides information on voltage level and switching position of the device. The switches of polarity generation (\({T}_{1},{T}_{2},{T}_{3}and{T}_{4}\)) and level generation (\({S}_{1},{S}_{2},{S}_{3}and{S}_{4}\)) aids with the generation of 31 levels. By turning OFF all the level generation switches, the zero level of voltage is attained. The switches \({T}_{1}\) and \({T}_{2}\) are turned ON during positive half cycle and the switches \({T}_{3}\) and \({T}_{4}\) are turned ON during negative half cycle.
Configuration of reduced switch 31 level inverter.
The switching operation in addition to output voltage is given in Table 3. In positive half cycle, the diodes \({D}_{2}, {D}_{3},{D}_{4}\) are conducting and the switch \({S}_{1}\) is turned ON and a voltage level of 6V is acquired during mode 1. During mode 2 of the positive half cycle, the diodes \({D}_{1}, {D}_{3}and{D}_{4}\) are conducting and switch \({S}_{2}\) is turned ON and an output of 12V is acquired. The switches are thus turned ON one at a time to complete the 15 modes and the same switching pattern is repeated for the negative half cycle. The application of reduced switch 31 level inverter helps to lower the switching stresses, minimize the THD value, offer better electromagnetic compatibility and improve the power quality and power transfer efficiency.
PI controller-based speed control
The error attained by comparison of the desired reference speed \({N}_{ref}\) to the actual speed \({N}_{act}\) of EV motor is given as PI controller input. By employing a combination of proportional and integral operations, the PI controller minimises the steady state error. According to PI controller’s output,
The control signal u is assumed as input to the PWM generator to regulate switching activity of reduced switch 31-level inverter and supply a controlled AC supply to the EV motor. A circuit diagram for speed regulation based on PI controllers is illustrated in Fig. 7 and the \({K}_{p}\), \({K}_{i}\) values are 0.1 and 0.01 respectively.
PI controller-based speed control.
Adaptive PI controller for grid voltage synchronization
It is possible to synchronise the grid voltage by using an adaptive PI controller, whose topology is presented in Fig. 8. The adaptive PI controller is chosen for grid voltage synchronization in this system due to its balance of simplicity, effectiveness and computational efficiency compared to more advanced control strategies. While advanced techniques offer superior performance under highly nonlinear or uncertain conditions, they often come with increased complexity, require extensive system modelling and demand higher computational resources making real-time implementation on DSPIC microcontrollers more challenging. In contrast, the adaptive PI controller dynamically adjusts the gains in response to system variations, maintaining robust performance without the need for precise plant models or fuzzy rule sets. Its dual-action structure effectively combines fast transient response and minimal steady-state error, making it a practical and reliable choice for inverter-based grid synchronization. Moreover, the reduced tuning complexity and proven stability of PI controllers in power electronic applications make the adaptive version especially suitable for real-time control in renewable energy systems where simplicity, speed and adaptability are critical.
Structure of Adaptive PI controller.
Adaptive PI controller automatically modifies the \({K}_{P}\) and \({K}_{I}\) parameters on the basis of the changes that take place. The output consists of two terms in which one component’s relationship to error signal and another term’s relationship to integral of error signal are both present. This controller combines the benefits of both P-controller and I-controller. As a result of the proportionate action, the loop gain is increased while the system’s sensitivity to changes in system parameters is reduced. Steady state error is minimized using the integral action. The PWM generator provides gating pulses based on the control signal u supplied by the controller, which controls the switching activity of 1 \(\varphi\) VSI and causes inverter output voltage to match grid voltage. Thus, the adaptive PI controller ensures harmonic elimination and grid voltage synchronization by adjusting control parameters in real-time, thereby reducing THD and enhancing power quality.
Results and discussion
A novel reduced switch 31 level MLI of high voltage level and reduced component count is proposed in this work. With the adoption of new SIIFC, a single DC source is enough for the proposed configuration of MLI. A ML RBFNN MPPT is implemented in this study in order to maximize PV system power and enhance its operational efficiency. The parameter specifications for the presented PV based EV charging setup is given in Table 4. The proposed charging system is implemented and validated using MATLAB/Simulink for simulation studies. The hardware setup is developed and tested using an FPGA controller, specifically the DSPIC30F2010 microcontroller. The inverter’s control signals were managed by TLP250 driver circuits, and IGBT switches from Semikron with a rating of 1200 V/10 A were used. The experimental setup included a 10 mH/5 A grid, a 2200 µF/1000 V filter capacitor, and standard measurement equipment to record the performance metrics.
Figure 9 shows the waveform that represents the output obtained from the PV panel. Initially, voltage is 7.5 V till 0.125 s at an incoming irradiance of \(900 W/{m}^{2}\) and then with the increase in irradiance to \(1000 W/{m}^{2}\), the output voltage also increases and becomes 11.6 V. This indicates the enhanced energy conversion efficiency of the PV system during conditions of higher irradiance. From 0.36 s, a sharp decrease in voltage is seen because of detrimental operating condition effects. These variations may exist due to cloud cover, shading or changes in the incidence angle of sunlight.
PV system output voltage waveform.
The waveforms representing the output obtained from Flyback converter is given in Fig. 10. A voltage of 6 V, 12 V, 24 V and 48 V is obtained as output from the Flyback back converters. The voltage settles at a constant value in a quick time of 0.15 s and the obtained output waveforms are stable without being affected by fluctuations or peak overshoot condition. The obtained outputs indicate a smooth transition to the desired voltage in the absence of peak overshoot conditions. Thus, without introducing unnecessary fluctuations, the Flyback converter performs the effective regulation of output voltage.
Waveforms representing output obtained from Flyback converter.
The waveforms for solar panel temperature and irradiation under varying conditions are shown in Fig. 11a and b. The solar panel temperature exhibits variation from 35 to 40 °C at a time period of 0.35 s whereas the solar panel irradiation shows an initial value of 800 W/sq.m and later at 0.25 s the irradiation increases to 1000 W/sq.m. Corresponding to variations in temperature and irradiation, the solar panel voltage exhibits slight variations and gets maintained at 14 V as depicted in Fig. 11c.
Solar panel waveforms (a) Temperature (b) Irradiation (c) Voltage.
The outputs obtained from the flyback converter under varying conditions of irradiation and temperature is provided in Fig. 12. The obtained output values are given by 5.4 V, 12 V, 24 V and 48 V. In spite of the varying input conditions, the flyback converter generates enhanced stabilized outputs without peak overshoot issues.
Flyback converter outputs under varying conditions.
Similarly, Fig. 13 denotes the solar panel waveforms at a temperature of 25 °C in which the irradiation is given by 800 W/sq.m and the solar panel voltage is given by 14 V. Figure 14 represents the flyback converter voltage waveforms given by 5.4 V, 11.5 V, 24 V and 48 V.
Solar panel waveforms (a) Temperature (b) Irradiation (c) Voltage.
Flyback converter outputs under varying conditions.
A steady and constant voltage of magnitude 84 V is obtained, according to output voltage waveform of decreased switch 31 level Inverter depicted in Fig. 15. A stable operation of the inverter is thus attained with reduced fluctuations thereby generating steady output voltage.
(a) Reduced switch 31 level MLI output waveform (b) Zoomed view.
Waveforms in Fig. 16a and b respectively indicate grid voltage and grid current, while Fig. 16c shows the zoomed view of the grid voltage waveform. From the waveforms, it is illustrated that the value of grid voltage is 84 V, while magnitude of grid current is 1.644 A. The consistent voltage level of 84 V ensures compatibility with standard grid requirements and enables reliable power delivery to downstream loads. The current THD is 2.16% according to the waveform and it is well within the defined IEEE standard value in Fig. 17. The measurement is conducted with the proposed 31-level inverter connected to a single-phase grid under a load profile representative of real-world charging conditions. The harmonic content is recorded after the inverter output had been synchronized with the grid voltage through the adaptive PI controller. This reduced current THD value indicates that the grid current contains minimal harmonic distortion, which is beneficial for maintaining grid stability and minimizing interference with other electrical equipment connected to the grid.
Waveforms representing (a) Grid voltage and (b) Grid current (c) Zoomed view.
THD waveform.
Hardware analysis
The operational performance of the PV based EV charging system using reduced switch 31 level MLI is analysed experimentally with the aid of FPGA controller. The Fig. 18 gives the overall hardware setup for the proposed EV motor charging system. The Flyback Converter, integrated with a SEPIC stage, is responsible for efficient DC-DC conversion, enabling high-voltage gain and electrical isolation. The 31-level MLI converts the conditioned DC power into high-quality AC with significantly reduced THD, essential for grid connection and EV motor operation. This inverter is driven by a driving circuit which receives switching signals from the DSPIC30F2010 microcontroller, programmed to implement MPPT and control algorithms, including the adaptive PI controller for grid synchronization. The power supply module energizes all control and signal processing units, while the grid interface with filters ensures smooth and distortion-free power delivery to and from the utility grid. A digital oscilloscope is used to monitor and verify the output voltage and current waveforms of the MLI, confirming the correct functioning and high efficiency of the system. The hardware implementation is carried out under varying conditions of temperature and irradiance. Efficiency measurements are carried out by comparing the input power from the PV array to the output power delivered to the EV motor and grid, accounting for losses in the SIIFC converter, 31-level inverter and control circuitry. THD is measured using an oscilloscope and FFT based spectrum analyzer, with the inverter output current sampled under steady-state operation. Table 5 shows the specifications of hardware, utilized in this work.
Hardware setup.
The voltage becomes unstable and vulnerable to inconsistencies when operational parameters, such as solar irradiation and temperature, are constantly changing as shown in Fig. 19. These fluctuations are attributed to variations in solar irradiation and temperature, which directly impact the electrical characteristics of the PV panel. As solar irradiance and temperature change, the output voltage of the PV panel responds accordingly, leading to fluctuations in voltage.
PV panel output voltage waveform.
The DC voltage waveforms representing the output obtained from Flyback converter is illustrated in Fig. 20. A stable voltage of 6 V, 12 V, 24 V and 48 V are observed in each of the four waveforms respectively. In spite of significant fluctuations or variations, the output voltages remain constant over time which is indicated by its flat and steady nature. Moreover, the stable output voltage waveforms indicate that the voltage conversion efficiency is performed efficiently with high conversion efficiency.
Waveform representing Flyback converter output (a) First DC voltage (b) Second DC voltage (c) Third DC voltage and (d) Fourth DC voltage.
Figure 21 demonstrates that the reduced switch 31 level inverter generates a steady output voltage. This stable output voltage is indicative of effective control and regulation of the inverter by the PI controller. The PI controller adjusts the inverter’s switching signals based on feedback from the output voltage to maintain it at the desired level.
Output voltage of the reduced switch 31 level inverter.
When PV-based power generation is unavailable, the grid provides energy needed to power EV motor. Additionally, whatever additional electricity the PV system generates is fed into the grid. Figure 22, which is stable in nature, shows the waveforms for grid’s current and voltage. The stable nature of both a grid voltage and current waveforms indicates that the voltage and current supplied by the grid are in phase with each other. This synchronization ensures effective power transfer from the grid to the electric vehicle motor, minimizing losses and optimizing energy utilization.
Hardware results representing the grid voltage and current.
The current THD value on the basis of hardware results is 3.04% as seen in Fig. 23. The low THD number indicates that there is minimal harmonic distortion occurring in the current, which improves power factor.
THD waveform hardware result.
Calculations and comparisons
The conduction losses in addition to the switching losses are considered to be the most significant losses encountered by a power electronic device. The transistor’s conduction loss is given as,
where the term \({R}_{T}\) refers to IGBT resistance, the term \({V}_{T}\) refers to the transistor voltage and on the basis of the switch characteristics, the value of constant \(\beta\) is obtained. The diode’s conduction loss is provided as,
where the term \({R}_{D}\) refers to diode resistance, the term \({V}_{D}\) refers to the diode voltage. The conduction losses incurred at instant t, when the transistor is in ON state and the diode is conducting is given as,
where the term \(T={T}_{on}+{T}_{off}\) specifies the switching period. The switch peak voltage is specified as \({V}_{SP}\) and the switch’s energy state is given as,
The total loss is given as,
The efficiency is given as,
The output power is evaluated using the mathematical expression,
The value of \({R}_{T}=0.4\Omega\), \({V}_{SP}=0.6V\), the ON and OFF rise times are 250 nS and 300 nS respectively and the ON and OFF delay are 100 nS and 200 nS. The value of efficiency and power loss is determined and it is tabulated in Table 6. A comparative analysis of various 31 level MLI topologies with the proposed MLI is presented in Table 7.
The most crucial criteria for selecting switches is total standing voltage (TSV), which is effectively the total of the peak blocking voltage across all semiconductor components. The suggested MLI’s maximum voltage is,
The TSV value is obtained on the basis of subsequent mathematical expression,
where the capacitor count, diode count, source count and switch count are represented by using the terms \({N}_{C},{N}_{D},{N}_{DC}and{N}_{SW}\) respectively and the weight coefficient is represented using \(\alpha\).
When the proposed SIIFC converter’s voltage gain is contrasted to that of other converters that are currently in use, as shown in Fig. 24a, it is found that the SIIFC converter has the biggest voltage gain (1:10). Similarly, RBFNN MPPT operates with an impressive efficiency of 96% as illustrated in Fig. 24b.
Comparison of (a) voltage gain and (b) MPPT efficiency.
Figure 25 represents the analysis of efficiency with varying duty cycle and output power in which the duty cycle is varied from 0.5 to 1 for varying output power ranging from 30W-100W. The proposed SIIFC achieves an average efficiency of 95.4% at a duty cycle of 0.65.
Analysis of efficiency with varying duty cycle and output power.
Efficiency of SIIFC is,
where, the input voltage = 14 V, input current = 18 A, output voltage = 24 V and output current = 10 A.
Table 8 provides the proposed SIIFC comparison with related topologies considering number of components, voltage gain and efficiency. The proposed converter exhibits improved voltage gain of 1:10 with an efficiency of 95.4%.
Table 9 lists out the comparison with existing approaches considering simulation and hardware outputs. The proposed topology using reduced switch 31 level MLI generates a reduced simulation THD of 2.16% and hardware THD of 3.04%.
Analysis of limitations
The analysis presented in Table 10 highlights several key limitations associated with the proposed system, along with mitigation strategies.
The analysis reveals that the proposed system faces challenges in scalability, cost-effectiveness, reliability, environmental impact, integration, and implementation complexity. However, these limitations can be mitigated by adopting modular designs, optimizing costs, using high-quality components, implementing recycling, employing adaptive controllers, and providing extensive training and automation. With these strategies, the performance and feasibility of the system can be significantly improved.
Conclusion
The growing demand for sustainable and carbon free energy generation and transportation systems has attributed to the popularity and appeal of the PV based EV charging system. The large motors of the EVs require high power inverters in order to improve its fuel efficiency and vehicle performance. So, a reduced switch 31 level inverter of high voltage level and minimum power loss is designed in this work. Moreover, the proposed inverter comes with the added benefits of lower count of power components (eight switches) and single DC source. Additionally, a SIIFC converter, which entails both SEPIC and Isolated Flyback converter is also proposed in this work. The former assists with the process of improving output voltage of PV, while latter aids with minimizing required number of DC sources from four to one. This integration not only optimizes the voltage gain, achieving a remarkable 1:10 ratio but also ensures continuous input current, which is essential for reducing input ripple and electromagnetic interference. The non-inverted output polarity further simplifies the integration of the converter into the overall system, making it more efficient and easier to implement. By using ML RBFNN MPPT, it is possible to ensure that the PV panel generates and transfers the maximum amount of power. With an efficiency of 96%, it excels in tracking MPP even under challenging conditions. Moreover, the reduced switch 31-level inverter design contributes to lowering the THD to 2.16%, well within IEEE standards, thereby improving power quality and reducing electromagnetic interference. The innovations presented in this work address the key challenges of power conversion efficiency, system reliability, and grid integration, making it a viable option for widespread adoption in sustainable energy systems. The proposed system not only enhances the performance of EV charging stations but also contributes to reducing greenhouse gas emissions and dependence on fossil fuels, aligning with global sustainability goals.
Data availability
The datasets used and/or analysed during the current study available from the corresponding author on reasonable request.
Abbreviations
- RES:
-
Renewable energy source
- EVs:
-
Electric vehicles
- PV:
-
Photovoltaic
- SEPIC:
-
Single ended primary inductance converter
- SIIFC:
-
SEPIC integrated isolated flyback converter
- RBFNN:
-
Radial basis function neural network
- ML:
-
Machine learning
- MPPT:
-
Maximum power point tracking
- VSI:
-
Voltage source inverter
- THD:
-
Total harmonic distortion
- PI:
-
Proportional integral
- ANN:
-
Artificial neural network
- PWM:
-
Pulse width modulation
- IGBT:
-
Insulated gate bipolar transistor
- MLI:
-
Multi-level inverter
- KVL:
-
Kirchhoff voltage law
- DC:
-
Direct current
- AC:
-
Alternating current
- FPGA:
-
Field programmable gate array
- ESR:
-
Equivalent series resistance
References
Chen, J. et al. An enhanced modular multilevel converter with multiple MVAC ports based on active fundamental-frequency circulating current injection to realize full-range operation. IEEE Trans. Power Electron. 40(4), 5423–5439 (2025).
Gao, J. et al. Design and optimization of a novel double-layer Helmholtz coil for wirelessly powering a capsule robot. IEEE Trans. Power Electron. 39(1), 1826–1839 (2024).
Li, N. et al. Single-degree-of-freedom hybrid modulation strategy and light-load efficiency optimization for dual-active-bridge converter. IEEE J. Emerg. Sel. Top. Power Electron. 12(4), 3936–3947 (2024).
Li, N. et al. An improved modulation strategy for single-phase three-level neutral-point-clamped converter in critical conduction mode. J. Mod. Power Syst. Clean Energy 12(3), 981–990 (2024).
Zeng, Z., Zhu, C. & Goetz, S. M. Fault-tolerant multiparallel three-phase two-level converters with adaptive hardware reconfiguration. IEEE Trans. Power Electron. 39(4), 3925–3930 (2024).
Zeng, Z. & Goetz, S. M. A general modeling and analysis of impacts of unbalanced inductance on PWM schemes for two-parallel interleaved power converters. IEEE Trans. Power Electron. 39(10), 12235–12248 (2024).
Ding, S., Liu, C., Fan, Z. & Hang, J. Lumped parameter adaptation-based automatic MTPA control for IPMSM drives by using stator current impulse response. IEEE Trans. Energy Convers. 198, 1–11 (2025).
Rong, Q. et al. Asymmetric sampling disturbance-based universal impedance measurement method for converters. IEEE Trans. Power Electron. 39(12), 15457–15461 (2024).
Gao, S., Chen, Y., Song, Y., Yu, Z. & Wang, Y. An efficient half-bridge MMC model for EMTP-type simulation based on hybrid numerical integration. IEEE Trans. Power Syst. 39(1), 1162–1177 (2024).
Chen, S. et al. Understanding a type of forced oscillation in grid-forming and grid-following inverter connected systems. IEEE Trans. Power Electron. 40, 1–12 (2025).
Veerachary, M. & Kumar, P. Analysis and design of quasi-Z-source equivalent DC–DC boost converters. IEEE Trans. Ind. Appl. 56(6), 6642–6656 (2020).
Wu, Y.-E. & Chiu, P.-N. A high-efficiency isolated-type three-port bidirectional DC/DC converter for photovoltaic systems. Energies 10(4), 434 (2017).
Rana, N. & Banerjee, S. Development of an improved input-parallel output-series buck-boost converter and its closed-loop control. IEEE Trans. Industr. Electron. 67(8), 6428–6438 (2020).
de Morais, J. C. D. S., de Morais, J. L. D. S. & Gules, R. Photovoltaic AC module based on a Cuk converter with a switched-inductor structure. IEEE Trans. Ind. Electron. 66(5), 3881–3890 (2019).
Maroti, P. K. et al. A new structure of high voltage gain SEPIC converter for renewable energy applications. IEEE Access 7, 89857–89868 (2019).
Elsayad, N., Moradisizkoohi, H. & Mohammed, O. A new SEPIC-based step-up DC-DC converter with wide conversion ratio for fuel cell vehicles: Analysis and design. IEEE Trans. Industr. Electron. 68(8), 6390–6400 (2021).
Pop, C., Monica, I., Popescu, S. & Lascu, D. A new SEPIC-based DC-DC converter with coupled inductors suitable for high step-up applications. Appl. Sci. 12(1), 178 (2021).
Fapi, C. B. N., Wira, P. & Kamta, M. Real-time experimental assessment of a new MPPT algorithm based on the direct detection of the short-circuit current for a PV system. Parameters 145, 24 (2021).
Sabir, B. et al. A novel isolated intelligent adjustable buck-boost converter with hill climbing MPPT algorithm for solar power systems. Processes 11(4), 1010 (2023).
Ali, M. H. M., Mohammed Sayed Mohamed, M., Mohamed Ahmed, N. & Bayoumy Abdelkader Zahran, M. Comparison between P&O and SSO techniques based MPPT algorithm for photovoltaic systems. Int. J. Electr. Comput. Eng. 12(1), 32–40 (2022).
Bakar, S. et al. Implementation of incremental conductance MPPT algorithm with integral regulator by using boost converter in grid-connected PV array. IETE J. Res. 69(6), 3822–3835 (2023).
Hai, T., Zhou, J. & Muranaka, K. An efficient fuzzy-logic based MPPT controller for grid-connected PV systems by farmland fertility optimization algorithm. Optik 267, 169636 (2022).
Yap, K. Y., Sarimuthu, C. R. & Mun-Yee Lim, V. Artificial intelligence based MPPT techniques for solar power system: A review. J. Mod. Power Syst. Clean Energy 8(6), 1043–1059 (2020).
Baran Roy, R. et al. A comparative performance analysis of ANN algorithms for MPPT energy harvesting in solar PV system. IEEE Access 9, 102137–102152 (2021).
Aishwarya, V. & Sheela, K. G. Review of reduced-switch multilevel inverters for electric vehicle applications. Int. J. Circuit Theory Appl. 49(9), 3053–3110 (2021).
Susheela, N., Kumar, P. S. & Sharma, S. K. Generalized algorithm of reverse mapping based SVPWM strategy for diode-clamped multilevel inverters. IEEE Trans. Ind. Appl. 54(3), 2425–2437 (2018).
Poorfakhraei, A., Narimani, M. & Emadi, A. A review of multilevel inverter topologies in electric vehicles: Current status and future trends. IEEE Open J. Power Electron. 2, 155–170 (2021).
Qanbari, T. & Tousi, B. Single-source three-phase multilevel inverter assembled by three-phase two-level inverter and two single-phase cascaded H-bridge inverters. IEEE Trans. Power Electron. 36(5), 5204–5212 (2021).
Hassan, A., Yang, X. & Chen, W. A multi-cell 21-level hybrid multilevel inverter synthesizes a reduced number of components with voltage boosting property. IEEE Access 8, 224439–224451 (2020).
Rezaei, M. A. et al. A new hybrid cascaded switched-capacitor reduced switch multilevel inverter for renewable sources and domestic loads. IEEE Access 10, 14157–14183 (2022).
Alishah, R. S., Hosseini, S. H., Babaei, E. & Sabahi, M. Optimal design of new cascaded switch-ladder multilevel inverter structure. IEEE Trans. Industr. Electron. 64(3), 2072–2080 (2016).
Sahoo, B., Routray, S. K. & Rout, P. K. Repetitive control and cascaded multilevel inverter with integrated hybrid active filter capability for wind energy conversion system. Eng. Sci. Technol. Int. J. 22(3), 811–826 (2019).
Roy, T., Sadhu, P. K. & Dasgupta, A. Cross-switched multilevel inverter using novel switched capacitor converters. IEEE Trans. Ind. Electron 66(11), 8521–8532 (2019).
Hussan, M. R. et al. A novel switched-capacitor multilevel inverter topology for energy storage and smart grid applications. Electronics 9(10), 1–18 (2020).
Ahmad, A. et al. Realization of a generalized switched-capacitor multilevel inverter topology with less switch requirement. Energies 13(7), 1556 (2020).
Prasad, D. et al. Design and implementation of 31-Level asymmetrical inverter with reduced components. IEEE Access 9, 22788–22803 (2021).
GürçamK, A. M. N. A high-efficiency single-stage isolated sepic-flyback AC–DC led driver. Electronics 12(24), 4946 (2023).
Mahafzah, K. A. & Rababah, H. A. A novel step-up/step-down DC-DC converter based on flyback and SEPIC topologies with improved voltage gain. Int. J. Power Electron. Drive Syst. (IJPEDS) 14(2), 898–908 (2023).
Shyni, S. M., Simon, J., AbithaMemala, W. & Bhuvaneswari, C. Implementation of integrated SEPIC-Flyback converter for LED drive with efficient power factor, In 2020 4th International Conference on Electronics, Communication and Aerospace Technology (ICECA), 385–389 (2020).
Lodh, T. & Majumder, T. High gain and efficient integrated flyback-Sepic DC-DC converter with leakage energy recovery mechanism. In 2016 International Conference on Signal Processing, Communication, Power and Embedded System (SCOPES) 1495–1500 (2016).
Stonier, A. A. et al. Power quality improvement in solar fed cascaded multilevel inverter with output voltage regulation techniques. IEEE Access 8, 178360–178371 (2020).
Vanaja, D. S., Alexander Stonier, A., Mani, G. & Murugesan, S. Investigation and validation of solar photovoltaic-fed modular multilevel inverter for marine water-pumping applications. Electr. Eng. 104(3), 1163–1178 (2022).
Das, S. R., Ray, P. K., Mishra, A. K. & Mohanty, A. Performance of PV integrated multilevel inverter for PQ enhancement. Int. J. Electron. 108(6), 945–982 (2021).
Ponnusamy, P. et al. A new multilevel inverter topology with reduced power components for domestic solar PV applications. IEEE Access 8, 187483–187497 (2020).
Jayakumar, T. et al. Investigation and validation of PV fed reduced switch asymmetric multilevel inverter using optimization based selective harmonic elimination technique. Automatika 64(3), 441–452 (2023).
Author information
Authors and Affiliations
Contributions
KD, NV, SM and BK wrote the main manuscript text. KD, NV, SM and BK prepared figures. KD, NV, SM and BK reviewed the manuscript.
Corresponding author
Ethics declarations
Competing interests
The authors declare no competing interests.
Additional information
Publisher’s note
Springer Nature remains neutral with regard to jurisdictional claims in published maps and institutional affiliations.
Rights and permissions
Open Access This article is licensed under a Creative Commons Attribution-NonCommercial-NoDerivatives 4.0 International License, which permits any non-commercial use, sharing, distribution and reproduction in any medium or format, as long as you give appropriate credit to the original author(s) and the source, provide a link to the Creative Commons licence, and indicate if you modified the licensed material. You do not have permission under this licence to share adapted material derived from this article or parts of it. The images or other third party material in this article are included in the article’s Creative Commons licence, unless indicated otherwise in a credit line to the material. If material is not included in the article’s Creative Commons licence and your intended use is not permitted by statutory regulation or exceeds the permitted use, you will need to obtain permission directly from the copyright holder. To view a copy of this licence, visit http://creativecommons.org/licenses/by-nc-nd/4.0/.
About this article
Cite this article
Dhineshkumar, K., Vengadachalam, N., Muthusamy, S. et al. Integrated MPPT and bidirectional DC DC converter with reduced switch multilevel inverters for electric vehicles applications. Sci Rep 15, 25053 (2025). https://doi.org/10.1038/s41598-025-08700-0
Received:
Accepted:
Published:
Version of record:
DOI: https://doi.org/10.1038/s41598-025-08700-0
Keywords
This article is cited by
-
Melioration of power quality in a grid-integrated system using modular inverter fed with renewable energy sources
Electrical Engineering (2026)



























