Abstract
Enhancing Available Transfer Capability (ATC) is crucial in today’s deregulated power systems. Power can be transferred from the sending end to the receiving end only if adequate ATC is available. Operators are encouraged to make the best use of existing infrastructure to improve ATC margins. Flexible AC Transmission Systems (FACTS) devices help by regulating phase angle, voltage, and reactance, which changes load flow and controls bus voltages. In this study, the Whale Optimization Algorithm (WOA) is used to find the optimal location and control settings of a Distribution Static Compensator (DSTATCOM). ATC forecasting under 3 and 6% load growth is done using linear regression, with the inclusion of DSTATCOM. Equations linking load growth to ATC for various sinking buses are developed. Forecast accuracy is improved using quadratic regression in which the errors are under 1% and sometimes as low as 0.01%. This approach helps operators and planners prepare for future transmission needs under growing demand.
Introduction
In power systems, due to profit-driven operations, the transmission system is congested. It leads for voltage and thermal violations. System security and stability shall be ensured by an accurate ATC estimation, enabling its optimal utilization1. Overestimating the ATC leads to cascading outages, as evidenced by the 2003 Northeast blackout, whereas underestimating the ATC results in unused transmission capacity and associated financial inefficiencies2,3.
ATC is the key metric that determines the unused capacity of transmission lines for additional power flow. The deployment of FACTS devices increases ATC by alleviating transmission bottlenecks and enhancing system flexibility. This allows better utilization of the grid and facilitates the integration of distributed energy resources4. An unique method for optimizing TCSC locations in transmission networks demonstrates a 4.17% reduction in losses and a 23.02% boost in loadability, directly contributing to the enhancement of ATC and highlighting the significant role of FACTS devices in improving transmission efficiency5. Compared to standard differential evolution and conventional methods, cooperative strategy-based differential evolution algorithm consistently improved power system performance. It achieved a 15% reduction in the sum of squared errors and a 12% increase in estimation accuracy6. The Jaya algorithm-enabled Flower Pollination Technique further strengthens this impact by outperforming conventional optimization approaches such as Grey Wolf Optimizer (GWO) and Particle Swarm Optimization (PSO), offering faster computational results and more effective TCSC placement7. Such advancements in algorithmic efficiency not only support enhanced ATC but also provide robust and scalable solutions for improving power system stability and minimizing operational losses. Additionally, the application of the Slime Mould Algorithm (SMA) in optimizing the placement of hybrid power flow and FACTS controllers has yielded notable reductions in both real power loss and generation costs, while preserving system stability8. Collectively, these studies underscore the critical importance of intelligent optimization techniques in maximizing ATC, ensuring secure and economical operation of modern power systems. The strategic use of Salp Swarm Optimization for FACTS device placement boosts voltage stability and loadability, leading to greater ATC. This enables more efficient power transfer and reduces congestion in the transmission network9.
DSTATCOM can be used to improve power quality and to reduce transmission losses in the grid, and thus, directly contribute to ATC enhancement. The optimal location of DSTATCOM is a critical factor in improving grid reliability and voltage support. To address this, several studies have focused on optimal DSTATCOM placement using various optimization techniques, such as Genetic Algorithm (GA), PSO, Simulated Annealing (SA), and Ant Lion Optimization (ALO)10. The Immune Algorithm (IA) has been used to optimize DSTATCOM placement, considering both cost minimization and power loss reduction11. These methods can aim to improve system performance, maximize ATC, and ensure efficient power flow.
The potential of FACTS technologies to enhance ATC is underscored by findings from the Brattle group, which suggests a 100% increase in transfer capabilities for the Southwest power pool grid of U.S.12. Additionally, the United States department of energy analysis reveals that dynamic line ratings and power flow controllers could reduce renewable energy curtailment by 43%, benefiting consumers in a high-renewable future grid13,14. In the context of Kazakhstan’s ambitious carbon neutrality strategy, improving ATC can enable more effective utilization of renewable energy, thus decreasing reliance on traditional, carbon-intensive energy sources15. Also by simulating different scenarios, such as the expansion of transmission lines, python for energy system analysis can assess ATC by integrating renewable energy sources. This has supportive power distribution and supporting nature for the country’s transition to a low-carbon energy system16.
The 3% and 6% load growth rates considered in this study are annual growth rates, with realistic medium- and high-growth demand scenarios in long-term transmission planning being reflected. These values were selected based on industry references, previous research, and planning guidelines. A 3% load growth rate was considered based on upper-bound figures from Western Australian regional energy planning documents, in which slow demographic and economic trends in isolated communities are accounted for17. The 6% growth scenario was used to test the standalone system against extreme but conceivable developments, such as mining operations or industrial start-ups18. Through this dual-scenario approach, both policy-aligned forecasts and worst-case future demand were ensured to be covered. The 3% annual growth rate was also aligned with the Central Electricity Authority (CEA), Government of India, long-term load forecasting reports, while the 6% annual growth rate was represented as a high-demand scenario consistent with historical peaks and National Renewable Energy Laboratory (NREL) projections for developing economies with rapid industrialization and urbanization. By considering both moderate and high growth rates, a wider range of real-world operational and planning conditions was addressed, enabling the proposed ATC enhancement method to be tested for robustness under different future demand trajectories19.
WOA, inspired by the hunting behavior of humpback whales, is well-suited for solving such complex power system optimization problems in deregulated power environments20. The study provides mathematical expressions for forecasting ATC based on these load increments, considering system objectives like voltage stability, power loss minimization, and ATC maximization21,22. For systems with high penetration of distributed energy resources, short-term load forecasting facilitates optimal deployment of DSTATCOM reactive power support. In contingency events, it aids in preserving voltage levels for secure and adaptive performance1. The research gaps identified from the literature are outlined below.
-
Limited exploration of WOA in optimal DSTATCOM placement.
-
Absence of 10-year ATC forecasting frameworks in related studies.
-
Inadequate integration of load growth scenarios into placement models.
-
Sparse focus on deregulated market considerations in optimization.
-
Lack of analytical expressions for DSTATCOM placement to ATC forecasting.
In this study, an N-1 contingency framework has been adopted in accordance with standard transmission security assessment practices. This involves the simulation of the outage of a single transmission element (either a line or a bus) while keeping the remaining network intact. In the IEEE-14 bus system, the outage of line 2–4 resulted in an ATC drop of over 40% due to its role as a primary transfer path, while outages of peripheral lines produced less than 5% variation. This behavior aligns with the network’s sensitivity to element removal, as reflected in the PTDF and LODF values for each contingency23. The key novelty of this work is the application of WOA for optimal DSTATCOM placement to maximize ATC in a deregulated power system, with added consideration for 3% and 6% load growth. Unlike prior studies, this research provides ATC forecasting expressions, making it both technically unique and practically valuable for power system operation and planning. Future work might also consider hybrid approaches, such as the enhanced WOA with stochastic sinusoidal inertia weights, or the hybrid modified WOA with improved convergence and accuracy to further optimize DSTATCOM placement for ATC enhancement in deregulated environments24,25. The summary of the literature survey is given below in Table 1.
Test system
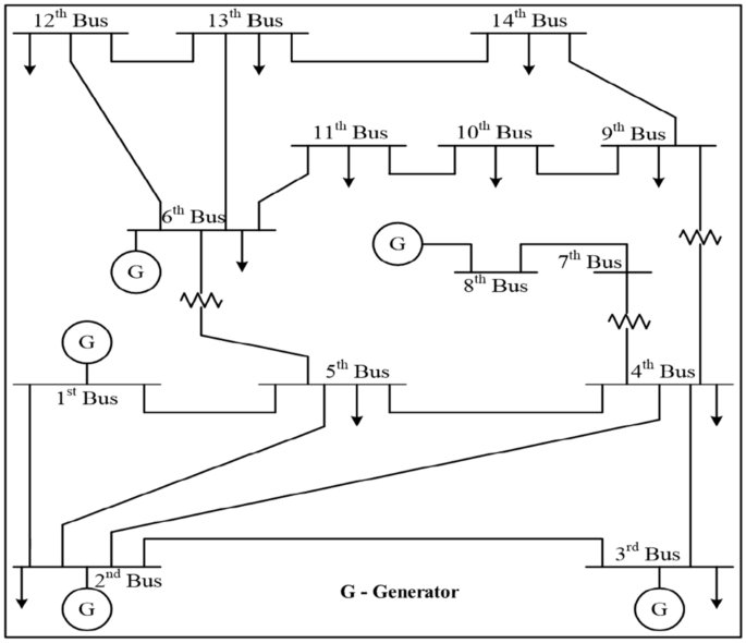
In order to prove the effectiveness of the algorithm, an IEEE 14-Bus system with following data is considered. The system models an early configuration of the American Electric Power network. It includes 14 buses, 5 generation units, 4 transformers, 16 transmission lines, and 11 load points26. The bus data and line data are listed in Tables 2 and 3 respectively. The total real and reactive power losses amount to 13.39 MW and 30.12 MVAR respectively. Bus 1–2 is identified as the line with the greatest power dissipation. Voltage levels are stratified, with buses 1–5 at 69 kV, buses 7 and 8 at 18 kV, and buses 9–14 at 13.8 kV. The system uses a 100 MVA base. The system’s load demand comprises 259.3 MW of real power and 73.7 MVAr of reactive power27. Figure 1 illustrates the schematic layout of the IEEE 14-Bus system, detailing the connections between buses, generators, loads, and transmission lines.
IEEE 14-Bus system.
In the IEEE-14 bus system, P–V analysis reveals the voltage stability characteristics of different load buses under varying load conditions. Bus 2 demonstrates the highest voltage stability with a critical voltage of 0.76 p.u and the widest stable operating region (1.04 – 0.79 p.u), supports a large safe load range of 21.7 – 30.38 MW. The buses 5 and 6 show moderate to weak performance with load. The weakest buses are 10 through 14, all with relatively narrow stable regions (0.89–0.93 p.u)28.
ATC is calculated for a group of source power transfers within the IEEE 14-bus power network29. It is improved by strategically placing and tuning FACTS devices30,31,32. This research focuses on the DSTATCOM, chosen for its dual capability to regulate voltage and increase ATC33,34,35,36,37. The optimal placement of DSTATCOM is determined to achieve the best possible improvement in system performance.
Incorporating a DSTATCOM at any one of the weak buses significantly enhances system voltage profile and stability by dynamically injecting or absorbing reactive power. When its control strategy is optimized with WOA, the DSTATCOM regulates reactive power for load demands and disturbances38. This intelligent tuning allows real-time improvement in voltage profiles, expansion of the stable operating region, and enhancement of safe load limits39. Consequently, weak buses are upgraded in strength, reducing the risk of voltage collapse and improving the overall robustness of the IEEE-14 bus system.
Among various optimization techniques, the WOA has been chosen in this study for its superior ability to solve multi-objective problems with high accuracy and rapid convergence40. In benchmark tests, WOA has achieved convergence speeds up to 20–25% faster than PSO and GA, while maintaining a solution accuracy within 0.5–1% of the global optimum. Furthermore, WOA shows a lower risk of being trapped in local optima and requires fewer control parameters, making it highly effective for determining the optimal placement and control settings of FACTS devices in power systems.
The remainder of this paper is organized as follows: Section III discusses the objective function and WOA; Section IV presents the results under various cases; Section V highlights the research novelty, complexity, and advantages; Section VI provides the conclusion; and the references are listed at the end.
Where, R: Line resistance (p.u); X: Line reactance (p.u); B: Half line charging susceptance.
ATC with DSTATCOM by WOA
The Whale Optimization Algorithm is employed to determine the best location and control parameters of a DSTATCOM in order to maximize ATC. The magnitude of the bus voltage and flow rating of a line impose restrictions on the ATC margin. The voltage magnitude boundaries for all buses are established at Vmax = 1.15 (p.u) and Vmin = 0.95 (p.u). The following data/equations are used in this paper to maximize ATC by finding an optimal location of the DSTATCOM.
WOA includes following calculation steps:
Read [P{Load, gen, max, min} Q{Load, gen}, Vspecified].
Calculate[Qsheduled (i), Psheduled (i), for i = 1 to n].
where,
Qsheduled (i) = Qgen (i) -QLoad (i) and Psheduled (i) = Pgen (i)—PLoad (i).
Form Ybus;
iter = 1 iteration count,
set \(\left| {\Delta P_{\max } } \right| = 0;{\text{and }}\left| {\Delta Q_{\max } } \right| = 0\)
Set Pslack=0.0, Qslack=0.0
Calculate \(\left| {\Delta Q_{\max } } \right|\) & \(\left| {\Delta P_{\max } } \right|\) from vectors of [\(\Delta\) Q] and [\(\Delta\) p].
If yes, jump to problem convergence cases.
Form Jacobian parameters36.
Initialize A[i][j] = 0; for i and j are = 1 to 2n + 2.
Diagonal elements for i = 1 to n.
The diagonal elements are.
For P–V buses, Mpp = 1020; For slack bus, Jpp = 1020; Kpp = 1020.
Form right hand side vector, B[i + n] = \(\Delta\) Q[i]; B[i] = \(\Delta\) P[i], for i = 1 to n.
By using Gauss elimination method:
Update the magnitude of voltage and phase angles for i = 1 to n by using below equations.
1st iteration completed.
Advance iteration count iter = iter + 1.
If (iter > itermax) go to previous step.
Else go to final step.
The maximum p(x).
Perform the load flow analysis again and verify if any of the lines are overloaded based on the updated line flows. If affirmative, halt the recurring power transmission; otherwise, proceed to the previous step.
The DSTATCOM reactive output is bounded with the following constraints to ensure the system operation within converter capability.
In this study, the DSTATCOM is modeled as a shunt-connected reactive power compensation device operating in voltage control (PV bus) mode. The primary objective of the DSTATCOM is to regulate the bus voltage magnitude by injecting or absorbing reactive power. The WOA optimization methodology includes the following procedure:
Utilizing flexible mechanisms without mathematical derivations is the optimal approach for identifying the most favorable outcome. WOA, developed using the natural hunting techniques of whales, enables this accomplishment. Typically, whales create bubble nets encircling the pathway of small fish as a hunting technique. The below formulae are utilized to mathematically implement the methodology20.
where, coefficient vectors are represented by \(\vec{A}\,\,{\text{and }}\vec{C}\), the present iteration is represented by ‘t’, \(X^{*} \,\,{\text{and }}\vec{X}\) are the position vectors of the best solution of present and previous.
Humpback whales are being considered for the World Heritage List. They are able to circle the prey while swimming in a shrinking pattern and following a spiral-shaped trajectory at the same time.
After the WOA methodology has determined the top search agent, the remaining search agents might attempt to adjust their positions to get closer to the most effective search agent. The procedure may be extended until the optimal outcome is achieved.
Shrinking encircling mechanism: During this approach, the value of vector \(\vec{A}\) is reduced by decreasing the value of \(\vec{a}\) through the following equation.
In general, the range of \(\vec{A}\) can be help to defined new position of search agent in between the original positions of the current agent and best agents.
Spiral updating position: In this procedure, the location of the whale(s) can be revised by computing the distance between the whale(s) and the location of their prey. The spiral is mathematically derived using the formula provided below:
The implementation of WOA is carried out through the following steps:
Step 1: Set the Line data and the Bus data as in Tables 2, 3.
Step 2: Perform the Load Flow analysis and identify the overloaded lines.
Step 3: Initialize the search agents.
Step 4: Start the iteration.
Step 5: Calculate the fitness function for each search agent and determine the best agent.
Step 6: Update A, C, l and p for each search agent.
Step 7: If p < 0.5, go to the next step else update the position of current search agent by going to Step 10.
Step 8: If A < 1, update the position using (18).
Step 9: Calculate new search agent and update the position using (19).
Step 10: Update the position of current search agent using (26).
Flow chart for ATC enhancement by WOA.
Figure 2 demonstrates the WOA framework for ATC improvement, showing the initialization of candidate solutions, load flow evaluation, and iterative position updates.

The stopping criteria for the WOA are generally defined either by reaching a maximum number of iterations or by satisfying a convergence tolerance threshold. The maximum iteration limit ensures that the algorithm has adequate opportunity to explore and exploit the search space, while the tolerance criterion, defined by the difference between successive best fitness values falling below a small threshold, prevents unnecessary computations once improvements become negligible. Together, these criteria strike a balance between computational efficiency and solution accuracy. However, like most population-based metaheuristics, WOA faces the risk of premature convergence, where the population may lose diversity too quickly and settle around a local optimum instead of the global solution. This issue is more pronounced in high-dimensional optimization problems. The adaptive mechanisms of WOA, such as spiral updating and encircling strategies, mitigate this risk by maintaining exploration in the early stages and gradually shifting to exploitation. Nonetheless, additional measures like maintaining a sufficiently large population size, parameter adaptation, or hybridization with other algorithms are often employed to further reduce premature convergence and ensure robust optimization outcomes41.
Dynamic aspects considerations for practical validity: ATC is typically computed to ensure that post contingency steady-state limits (thermal, voltage, stability) are respected. If a DSTATCOM is treated as an ideal, instantaneous reactive source in steady-state studies, the ATC estimate will reflect that ideal support. In reality the DSTATCOM is governed by controls, power electronics and thermal limits. Dynamic behavior therefore imposes an additional security margin that must be subtracted from the static ATC. Symbolically,
where, Δdynamic = f(tresp, THD, Ploss).
Response time (tresp)
Response time is the delay between a system disturbance (voltage dip, load jump, line outage) and the DSTATCOM’s delivered correction as seen at the point of connection. It includes sensing, signal processing, control computation, PWM updates and converter switching. If the DSTATCOM cannot supply the required reactive support quickly enough during a transient, the system may experience larger voltage sags, faster voltage collapse or transient instability before the device fully responds. System operators therefore must reserve an additional margin to cover the time window where reactive support is not yet available. This margin reduces ATC. Formally, if tresp increases Δdynamic increases and ATCeffective falls.
The control delays allow voltage to drift closer to limits, forcing earlier load shedding in power systems. Slow response is especially harmful for weak power networks or fast voltage collapse scenarios.
Harmonics
Switching in the DSTATCOM injects harmonic currents and can interact with network impedances to produce voltage and current distortion measured by THD. It affects ATC in several ways. Harmonic currents increase I2R losses and transformer/cable heating, reducing allowable steady current and therefore reducing continuous reactive current the DSTATCOM may supply. The RMS current becomes
For a given thermal limit, the fundamental current I1 that provides reactive support must be reduced when harmonics are present. The high THD risks make tripping of protection devices, relay improper function, or violation of power quality standards. Operators may therefore limit transfers to avoid conditions that excite resonances. The distorted voltage and phase measurements degrade control loops, slowing response and sometimes producing oscillatory control action, which increases the dynamic margin.
Switching losses
Switching losses arise every time due to the change in semiconductor devices switch state; conduction losses occur when devices conduct current42. Total losses increase with switching frequency, current amplitude and device characteristics. The switching and conduction losses translate into thermal power that must be dissipated by the converter cooling system. The below stated two direct consequences reduce effective ATC.
i) Thermal derating protects semiconductors, the converter’s continuous current and therefore continuous MVAR capability must be limited. If nominal reactive capability is Qnom but losses require derating factor α (0 < α < 1), then effective reactive capacity is
If SQ ATC sensitivity to reactive power injection, ATC reduction approximates SQ. Qnomα.
ii) Higher losses reduce net benefit of using DSTATCOM. If economic limits matter, operators might restrict real usage and hence ATC improvements.
The realistic ATC gain is
where SQ is the ATC sensitivity to reactive injection, Qeff is the derated MVAR capability, and Δtime is the extra margin taken because of finite response time. Both Qeff and Δtime are functions of THD, switching losses and control latency. Ignoring these terms typically yields optimistic ATC gains and could lead to post-contingency violations.
Table 4 highlights the novel capabilities of MATPOWER in ATC analysis, emphasizing its suitability for modern power system studies. It delivers fast, iterative simulations, enabling real-time or near real-time ATC assessments for operational decision-making. Its full AC load flow capability ensures precise and reliable results, making it dependable for critical planning and operational studies. The ease of modifying network parameters allows researchers and operators to test multiple scenarios.
The calculation of ATC requires repeated power flow and contingency analysis under various operating scenarios. MATPOWER is particularly suitable because of its computational efficiency, user-friendly coding structure, and adaptability for integration with optimization algorithms. Its compatibility with large IEEE test systems allows researchers and planners to test ATC computation approaches under different complexities, making it an ideal choice for both academic research and practical grid studies.
Results and analysis
Case-1: Without line outage case
The ATC is calculated for a group of destination transfers utilizing CPF. Table 5 illustrates the ATCs for the IEEE 14-bus system when DSTATCOM is not present. It shows the most sinking buses (4, 3, 9 10, 12, 13, 14) that needs high ATC from slack bus. The ATC values in the table range from a minimum of 30 MW (bus 12) to a maximum of 222 MW (bus 4)43.
These high ATC values of buses 4 and 3 suggest potential congestion issues in the system, from source. However, these high ATC levels are associated with significant thermal overloading: Line-1 exceeds its thermal limit by 122%, while Line-2 is overloaded by 57.5%. These overload conditions indicate a severe risk of line tripping or system instability under high transfer scenarios. The remaining buses (9, 10, 12, 13, 14) have lower ATC values and do not individually breach thermal limits, but the repeated use of Line-8 for these transfers suggests cumulative loading stress. This highlights the system’s vulnerability to congestion near critical buses, justifying the need for reactive power compensation devices like DSTATCOM. Their strategic placement can mitigate line overloads, enhance ATC, and improve overall system reliability and market flexibility. This ensure reliable and efficient power transfer for load growth.
Table 6 presents the ATC values for different sink buses in the IEEE-118 bus test system without installing DSTATCOM. The ATC values, expressed in MW, indicate the maximum additional power that can be transferred to each sink bus before a transmission line overload occurs. The results reveal that bus 5 has the highest ATC (890 MW) with the critical overflow occurring on line-103, while bus 118 exhibits the lowest ATC (230.5 MW) limited by line-49. These values demonstrate the varying power transfer limits across the system and highlight the transmission constraints that arise without reactive power compensation. It is evident that the ATC decreases progressively as the sink bus changes, with the highest capability at Bus 5 and the lowest at bus 118. The novelty of including IEEE-118 results lies in demonstrating how network topology significantly influences ATC variation across different sink buses. Unlike smaller systems, the IEEE-118 bus system contains multiple generation clusters, meshed transmission corridors, and long electrical distances between source and sink buses. The higher ATC observed at bus 5 compared to bus 118 is not incidental but is a direct consequence of its stronger connectivity, proximity to major generation hubs, and lower electrical impedance paths. In contrast, bus 118 is electrically remote and constrained by critical line limits, leading to reduced ATC. By explicitly analyzing these topological impacts, the study moves beyond numerical reporting and provides structural insight into transmission capability distribution in large-scale networks.
Case-2: Incorporation of DSTATCOM
If all the buses in the system are taken account, there are totally 14 potential locations for the incorporation of a single DSTATCOM. The region’s location codes are designated by 14 integers ranging from 1 to 14. DSTATCOM provides a compensation range of 0 to 0.1 (p.u), also known as Bdstatcom. The outcomes achieved after employing WOA are presented in Table 7. It is evident from the literature that, in the IEEE-14 bus test system, the joint application of SVC and TCSC optimized via GA results in ATC values similar to those obtained in the present work43.
Figure 3 illustrates the PSCAD block diagram of the IEEE 14-bus system incorporating the DSTATCOM at Bus 14. The transient simulation results demonstrate that the DSTATCOM installed at Bus 14 significantly enhances voltage stability by mitigating voltage sag, accelerating post-fault recovery, and supplying fast dynamic reactive power following a line 2–4 outage. The improvement in both transient and steady-state voltage performance confirms the suitability of the proposed control strategy for weak-bus voltage support in the IEEE 14-bus system. The PSCAD electromagnetic transient simulation captures converter switching dynamics, DC-link behavior, and control delays, which are neglected in steady-state load-flow analysis.
PSCAD Block diagram.
Figure 4 illustrates the transient voltage response at bus 14 following the outage of line 2–4, comparing system behavior with and without DSTATCOM support. Prior to the disturbance (t < 1.0 s), the system operates under steady-state conditions, and the 14th bus voltage is maintained at approximately 1.0 p.u in both cases, indicating normal operating conditions with adequate reactive power balance. At t ≈ 1.0 s, the line 2–4 outage is initiated, as indicated by the shaded fault period. In the absence of the DSTATCOM, the sudden loss of the transmission line leads to an immediate reduction in reactive power availability in the lower-voltage area of the network. Consequently, the bus 14 voltage drops sharply to a minimum value of approximately 0.75–0.77 p.u, corresponding to a voltage sag of about 23–25%. This deep voltage dip reflects the weak electrical coupling of bus 14 to the rest of the system and the lack of fast local reactive power support.
Bus 14 votage transient: Line 2–4 outage.
Following fault clearance, the voltage recovery in the uncompensated case is slow and asymptotic. The voltage gradually increases over several seconds and stabilizes around 0.90–0.91 p.u, which represents a steady-state voltage deviation of approximately 9–10% below nominal. This incomplete recovery indicates that post-contingency reactive power demand is only partially met by the remaining network resources. In contrast, when the DSTATCOM is connected at bus 14, the voltage dip during the same contingency is significantly mitigated. The minimum voltage observed during the fault period is approximately 0.84–0.86 p.u, limiting the voltage sag to around 14–16%. Immediately after fault clearance, the DSTATCOM injects reactive power rapidly, resulting in a steep voltage recovery. The voltage rises above 0.95 p.u within approximately 0.15–0.20 s and returns to nearly 1.0 p.u within 0.3–0.4 s, demonstrating fast dynamic support.
Limitations of steady-state analysis and dynamic margin quantification
Steady state simulations inherently neglect crucial dynamic factors such as converter control delays and DC-link dynamics, which are essential for characterizing sub-cycle responses. Furthermore, these simulations fail to account for the physical saturation limits that restrict reactive support during large disturbances. To account for these effects conservatively, a dynamic margin is defined as:
where, QSS is the steady-state reactive power capability of the DSTATCOM, and Qmin.dyn,req is the minimum reactive power required during the first few cycles following a contingency. Following conservative industry guidelines (e.g., fast inverter-based resource response requirements), a 20–30% reduction of steady-state reactive capability is assumed to account for transient limitations. The positive dynamic margin obtained even after derating QSS confirms that the DSTATCOM retains sufficient dynamic VAR capability to support voltage recovery at bus 14 during severe contingencies such as the line 2–4 outage, consistent with IEEE 1547 voltage support objectives44.
Figure 5 depicts the voltage profile of the IEEE 14-bus system, showcasing the presence or absence of a DSTATCOM at bus-9, during the computation of ATC. The installation of the DSTATCOM at bus no. 9 significantly improves the voltage profile. This is due to the DSTATCOM’s ability to provide reactive power compensation and counteract the effects of load variations. The voltage magnitude at all buses is closer to the nominal value, demonstrating a reduction in voltage sag and improved voltage stability. Fluctuations in load demand can cause voltage imbalances. When the load increases, the voltage at the load bus tends to decrease due to increased current flow.
IEEE-14 bus test system voltage profiles illustrating the impact of DSTATCOM integration at 9th Bus.
The 24 h ATC of the IEEE-118 bus test system is presented in Fig. 6 under varying load conditions using a base load of 230 MW and a peak demand of 6000 MW. The 24-h varying load data is used in this study45. The results reveal a clear inverse relationship between system loading and ATC, where higher demand significantly reduces transfer limits. The maximum ATC have been observed during the minimum load period, reaching approximately 22.09 MW without DSTATCOM and 25.32 MW with DSTATCOM. Conversely, at peak demand, the ATC drops about 8.84 and 10.13 MW, respectively. The incorporation of DSTATCOM provided consistent improvement across all hours, enhancing ATC by nearly 15–18% through effective reactive power compensation and voltage profile support. These findings highlight the importance of flexible compensation devices for maintaining transmission reliability under dynamic loading conditions and demonstrate the suitability of the proposed approach for real time operational planning in large scale power systems.
24 h ATC study in IEEE-118 bus test system.
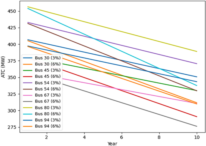
The year-by-year ATC projections under 3% and 6% load growth is shown in the Fig. 7. It demonstrates a steady increase in the transmission network’s capacity requirements. With the integration of DSTATCOM, buses such as Bus 4, 3, 9, 10, 12, 13, and 14 experience significant benefits in ATC enhancement. For instance, Bus 4’s ATC rises from 228 MW in 2025 to 306.41 MW (3% growth) and 408.31 MW (6% growth) by 2035. Similarly, Bus 3 reaches 215.70 MW (3%) and 287.43 MW (6%) over the same period. These projections show that even modest growth rates result in substantial increases in ATC demand, emphasizing the strategic importance of DSTATCOM in enhancing transfer capability. Notably, lower-rated buses like Bus 12 and 14 also benefit, showing increases up to 72.5 and 102 MW respectively at 6% growth, indicating congestion mitigation across the network. The necessity of upgrading system capacity through reactive power compensation is highlighted by the results to meet future load demands. Under 6% growth, current ATC limits at many buses are expected to be exceeded within a decade, requiring additional measures such as DSTATCOM or FACTS deployment, network reinforcement, and dynamic load management.
IEEE-14 bus test system load growth impact on ATC: A 10-Year comparative analysis—with DSTATCOM.
Table 8 presents a novel approach for forecasting ATC over a 10-year horizon under 3 and 6% annual load growth scenarios using linear regression for the IEEE-14 bus system.
Table 9 presents the enhancement of ATC in the IEEE-118 bus system after incorporating a DSTATCOM at optimally selected buses. The results clearly show that reactive power injection ranging from 6.98 MVAR to 9.51 MVAR significantly increases ATC across multiple sinking buses. For example, at sinking bus 5, ATC increases from 890.0 to 948.5 MW, while at bus 118, it improves from 230.5 to 264.2 MW. Notably, although higher compensation generally correlates with greater ATC improvement, network topology and power flow distribution significantly influence the overall power transfer. For instance, even a moderate compensation of 6.98 MVAR at bus 117 yields a 33.7 MW increase in ATC. The novelty lies in demonstrating that relatively small and precisely placed reactive compensation can yield substantial transfer capability enhancement without major network restructuring. This confirms that voltage stability improvement directly translates into higher transmission utilization.
Figures 8 and 9 depict the 10-year impact of 3% and 6% load growth on ATC for the IEEE-118 and IEEE-300 bus systems with DSTATCOM support. The declining ATC trends, particularly under 6% growth, reveal the increasing stress on transmission corridors despite reactive power compensation. The higher ATC levels and greater sensitivity observed in the IEEE-300 system reflect the operational complexity of large interconnected networks. These plots are important as they enable long-term transmission planning by visually identifying critical buses and growth scenarios that may require proactive FACTS deployment and network reinforcement.
IEEE-118 bus test system load growth impact on ATC: A 10-Year comparative analysis—with DSTATCOM.
IEEE-300 bus test system load growth impact on ATC: A 10-Year comparative analysis—with DSTATCOM.
Tables 10 and 11 illustrate linear regression–based ATC forecasting for the IEEE-118 and IEEE-300 bus systems under 10-year load growth scenarios with DSTATCOM deployment. Higher load growth rates result in steeper ATC reduction trends, while forecasting errors remain below 1% across all sinking buses. These results highlight the usefulness of the proposed framework as a reliable planning tool for congestion management and future transmission expansion in large power systems.
Table 12 summarizes the comparative ATC enhancement and maximum forecasting error obtained for the IEEE-14, IEEE-118, and IEEE-300 bus test systems using the proposed DSTATCOM-based ATC enhancement and forecasting framework. The results show that ATC improvement increases progressively with system size, ranging from 15 to 28% for the IEEE-14 system to 18–30% for the IEEE-118 system and reaching 22–38% for the IEEE-300 system. This trend indicates that larger and more complex networks benefit more from optimal reactive power support due to their higher sensitivity to congestion and voltage stability issues. At the same time, the maximum forecasting error remains low for all systems, staying below 1.2%, which confirms the robustness and reliability of the adopted regression based ATC forecasting approach. Comparing ATC improvements across different test systems is important because it demonstrates the scalability and general applicability of the proposed method, reveals how network size and complexity influence ATC enhancement, and provides confidence that the technique can be effectively applied to real world large scale power systems for long term transmission planning and congestion management under load growth.
A linear equation, has the standard form, y = mx + c; where, y represents ATC; x is the independent variable (representing year; i.e., 2025, 2026,…); m is the slope of the line, indicating the rate of change of ATC with respect to x; c is the y intercept, which is the value of y when x = 0.
The error in calculation is reported based on Mean Absolute Percentage Error (MAPE)
where, n is the number of observations.
This study offers a significant advancement in the predictive modeling of ATC by providing precise mathematical expressions that correlate load growth with ATC values for various sinking buses. The use of quadratic regression enhances forecasting accuracy, as evidenced by the low percentage error in calculations (mostly under 1%, and in some cases as low as 0.01%). This research is particularly important as it enables system operators and planners to proactively evaluate and manage future transmission capabilities under increasing demand scenarios. By capturing nonlinear relationships in load trends and transfer capabilities, the methodology facilitates more informed and reliable power system operation, planning, and congestion management. The novelty lies in the integration of long-term load growth with predictive ATC modeling, offering a practical and scalable framework that can be extended to larger power systems also.
The adaptability of WOA-DSTATCOM placement is demonstrated in Table 13 through a first-year IEEE-14 bus case study at sinking bus 4, incorporating load growth of 3 and 6% with time-varying demand and renewable integration.
Figure 10 illustrates the ATC performance of the IEEE-14 bus test system at sinking bus 4 under first-year load growth and renewable scenarios, emphasizing the significance of WOA-DSTATCOM placement in ensuring system adaptability to future grid challenges.The results clearly demonstrate that ATC decreases under progressive load growth scenarios due to higher power transfer stress on the network, with values dropping from 226.8 MW at 3% load increase to 224.7 MW at 6% load increase when DSTATCOM is not used. However, the inclusion of WOA-optimized DSTATCOM consistently enhances ATC across all cases, raising it to 234.1 and 232.9 MW respectively, which shows its ability to counteract the negative effect of load growth by injecting reactive support and maintaining voltage stability. When renewable injections are considered, the ATC slightly improves compared to pure load growth cases, with solar integration at 50 MW pushing ATC to 232.8 MW (without DSTATCOM) and further to 239.6 MW (with DSTATCOM). Wind injection at 80 MW provides a similar effect, with base ATC rising to 237.6 MW and DSTATCOM placement enhancing it up to 246.9 MW. The higher gains under renewable scenarios are attributed to the distributed nature of renewable generation, which relieves some transmission loading, while the DSTATCOM further regulates bus voltages and improves transfer margins. The consistently low standard deviations (below 1.2 MW) across all runs indicate that WOA avoids premature convergence and provides reliable solutions despite varying system conditions. The small gap between the best and worst fitness values further confirms solution stability. These variations highlight the adaptability of the WOA-DSTATCOM framework, showing that it not only sustains ATC enhancement under rising demand but also effectively accommodates variability introduced by renewable injections, making it highly suitable for future grids with dynamic and uncertain operating conditions.
ATC with first year load growth and renewable scenarios in IEEE-14 bus test system at sinking bus 4.
The Monte Carlo results quantify the impact of stochastic load and renewable variations on ATC and demonstrate that WOA-optimized DSTATCOM placement materially improves both the average transfer capability and operational reliability. When tested under the S3 scenario with stochastic renewable generation variations, the ATC value of 232.8 MW is found to be misleadingly optimistic. Under stochastic variations, the mean ATC without any compensator falls to 220.2 MW and the worst-case sample can drop as low as 198.1 MW. These reductions occur because random high-load or low-generation combinations push line flows and voltages closer to limits this phenomenon is captured only by the probabilistic simulation.
Case-3: Line outage consideration
The ATC is determined for a series of sink/source transfers through CPF, should line-16 be removed from the system connecting 13th and 14th buses. Table 14 displays the ATCs for the IEEE 14-bus system in the absence of FACTS devices, specifically when line-16 experiences an outage. The graph in Fig. 11 illustrates the voltage profile of the IEEE 14-bus system under normal operating conditions as well as during outage scenarios.
IEEE-14 bus test system voltage profiles illustrating the impact of DSTATCOM integration at 13th bus.
Case-4: Incorporation of DSTATCOM
Upon integration of a single DSTATCOM into the system, there exist 14 potential locations for the device when taking into account all buses within the system. The region’s location codes are designated by 14 integers ranging from 1 to 14. DSTATCOM provides a compensation range of 0 to 0.1 (p.u), also known as Bdstatcom. The outcomes achieved post WOA application is displayed in Table 15. The utilization of the voltage control feature of DSTATCOM resulted a substantial enhancement of the ATC during the line-14 outage. Figure 12 displays the voltage profile of the IEEE 14-bus system, both with and without the inclusion of a DSTATCOM at bus-13. This analysis was conducted while computing the ATC for a transaction of 1/13.
Profile of voltage at various buses with and without DSTATCOM at bus-13.
The statistical performance of WOA for ATC with DSTATCOM under the line 14 outage case (Table 7) is presented in the Table 16, and it confirms the robustness and reliability of the algorithm in enhancing ATC under contingency conditions. The algorithm has been executed over 20 independent test runs to ensure result reliability. The mean ATC values across all buses remain very close to the best fitness values, while the standard deviations are consistently low (below 1.1 MW), indicating that WOA converges to nearly identical solutions across multiple independent runs. This stability is attributed to the adaptive exploration–exploitation mechanism of WOA, which enables it to avoid premature convergence while progressively refining the search around optimal placements. The small gap between the best and worst fitness values further demonstrates that WOA does not generate outlier solutions, thereby ensuring repeatable and reliable performance. Furthermore, the consistent improvement in ATC across different bus locations highlights that WOA effectively balances global and local search, utilizing its encircling and spiral update strategies to escape local optima and focus on promising regions of the solution space. Overall, these results confirm that WOA not only delivers high-quality solutions but also guarantees reliable optimization outcomes, which is a critical requirement for large-scale power system applications.
Economic evaluation: Investment cost of DSTATCOM versus ATC gain - Methodology and key metrics.
To assess practical relevance for system planning, the life-cycle cost of a DSTATCOM installation is compared with the monetized benefit of the increased ATC. The principal economic metrics are:
-
i)
Capital cost Cc (USD): It is the cost deals with equipment, installation, protection, civil works, commissioning.
-
ii)
Annualized cost Ac (USD/year): It converts capital cost into an equivalent annual payment using the discount rate (r) and economic life term (N)46.
$${A}_{c}={C}_{c} . \frac{{r(1+r)}^{N}}{{(1+r)}^{N}-1}$$(33)
In Eq. 32, ‘r’ is the discount rate and N the economic life (years). The annual operation, maintenance and additional losses Oann is added with Ac to get total annual cost Cann = Ac + Oann.
-
iii)
ATC gain ΔATC (MW): It is the incremental steady-state transfer capability attributable to the DSTATCOM.
-
iv)
Monetary value of ATC: It is expressed as revenue or avoided cost per MW per year VMW (USD/(MW·year)). This can be estimated from market prices (congestion rents, capacity value, avoided generation or reserve costs) or from avoided reinforcements.
$${\text{Annual benefitB}} = \Delta {\text{ATC}} \times {\text{V}}_{{{\text{MW}}}} \left( {{\text{USD}}/{\text{year}}} \right).$$(34) -
v)
Benefit–Cost Ratio (BCR) over planning horizon:
$$BCR =\frac{\sum_{t=1}^{N}\frac{{B}_{t}}{{(1+r)}^{t}}}{\sum_{t=1}^{N}\frac{{C}_{t}}{{(1+r)}^{t}}}$$(35)
Where, t is the year index running from 1 to N and Bt is the benefit obtained in year t.
If benefits are roughly steady, BCR ≈ B/Cann.
vii) Simple payback: Payback = Cc/B (years).
For a DSTATCOM with nominal rating Qnom = 10 MVAR; capital cost C0 = $5,000,000 (i.e., $500/kVAr including installation); economic life N = 20 years; discount rate r = 8%; annual operation and maintenance and additional losses Oann = $50,000O/year; realistic ATC gain after derating ΔATC = 40 MW; value per MW per year VMW = 25,000$/MW·year (including congestion rent, avoided generation cost), the following values are calculated as,
-
i)
Annualized cost = 501,000 $/year
-
ii)
Annual cost = 551,000 $/year
-
iii)
Annual benefit = 1,000,000 $/year
-
iv)
BCR = 1.81
-
v)
Payback = 5 years
Table 17 presents the sensitivity analysis of key economic parameters.The annual benefit increases linearly with VMW. Specifically, at 15,000 $/MW-year, the estimated annual benefit is approximately $0.6 million, while at 35,000 $/MW-year, it rises to nearly $1.4 million. This indicates that investment attractiveness is highly sensitive to the market valuation of transfer capability. Such analysis demonstrates economic robustness under varying market conditions and enables regulators and utilities to evaluate profitability under both conservative and optimistic price scenarios.The annualized cost increases from about $400,000 at 5% to roughly $670,000 at 12%, although these figures are not directly shown in Table 17.
Table 18 presents the sensitivity based break even analysis of three critical economic parameters. By demonstrating financial sustainability under uncertainty, it bridges the gap between theoretical optimization results and practical real-world implementation.The base value of VMW is 25,000 $/MW, while its break-even value is 13,982 $/MW, meaning the project remains viable unless the transmission price drops below this threshold. Similarly, the ATC Gain has a base value of 40 MW and a break even value of 22.37 MW, indicating the minimum ATC improvement required to sustain profitability. The capital cost shows a base value of 5,000,000 $ and a break-even value of $9,327,344 $, suggesting the project can tolerate a significant cost increase before becoming financially unviable.
The estimated single-core run times obtained for the IEEE-14, IEEE-118, and IEEE-300 bus test systems are used to demonstrate the computational efficiency of the WOA–DSTATCOM placement strategy, as shown in Figs. 13, 14, and 15, respectively.
Estimated single core run time for WOA on IEEE-14 bus test system.
Estimated single core run time for WOA on IEEE-118 bus test system.
Estimated single core run time for WOA on IEEE-300 bus test system.
From a computational efficiency per unit accuracy perspective, the IEEE-14 bus single core runtime results reveal that diminishing returns set in quickly as WOA parameters are intensified. The transition from the conservative (0.25 min) to the balanced (0.6 min) configuration introduces a moderate increase in computational time while substantially improving population diversity and convergence reliability, suggesting that most of the solution quality gains are achieved within this range. However, moving from the balanced to the high-quality configuration (1.5 min) more than doubles the runtime, while the marginal improvement in solution optimality is expected to be comparatively smaller due to the already limited and well conditioned search space of the IEEE-14 bus system. This indicates that, unlike large-scale networks where extensive exploration is often necessary, small systems rapidly reach optimal regions, and excessive iterations primarily refine solutions rather than discover fundamentally better placements. Consequently, the balanced configuration emerges as the most computationally efficient operating point, delivering high-quality solutions at a fraction of the time required by exhaustive settings, while the high-quality case is best justified for validation, sensitivity analysis, or benchmark comparisons rather than routine operational studies.
From a practical deployment and algorithm-parameter selection viewpoint, the IEEE-118 bus runtime characteristics indicate clear operating regions for the WOA–DSTATCOM algorithm. The conservative configuration, completing in about 1.8 min, is well suited for time-critical or iterative studies such as sensitivity analysis, contingency screening, or repeated ATC evaluations, where fast turn around is more important than absolute optimality. The balanced configuration, with a runtime of approximately 4.0 min, represents an efficient working point for most planning applications, as it substantially improves solution robustness and convergence reliability while keeping computational cost within a narrow and predictable range. In contrast, the high-quality configuration, requiring nearly 11 min, shifts the algorithm into a validation oriented regime, where the emphasis is on solution refinement and confidence in near-global optimality rather than speed. Overall, the IEEE-118 bus results show that as system complexity increases, algorithm tuning becomes a critical factor, and selecting an intermediate configuration can deliver most of the attainable solution quality without incurring the steep runtime penalties associated with exhaustive search settings.
In WOA–DSTATCOM placement, the computational effort is determined by the number of evaluations, where each evaluation represents one complete solution check that involves solving an AC power flow for the IEEE-300 bus test system and verifying operating constraints. The total evaluations are the product of the population size (number of candidate solutions in each iteration) and the number of iterations (cycles of solution updates). In the conservative case (population = 50, iterations = 300), about 15,000 evaluations are performed, leading to the shortest runtime of around 5 min on a single core; this case is fast but may compromise global optimality due to limited search space exploration. The balanced case (population = 80, iterations = 400) requires about 32,000 evaluations and takes roughly 11 min; it offers a good compromise between computational efficiency and solution accuracy by maintaining sufficient population diversity and convergence depth. Finally, the high-quality case (population = 150, iterations = 600) performs nearly 90,000 evaluations, demanding about 30 min runtime; while computationally expensive, it provides thorough exploration of the solution space, increasing the likelihood of achieving near-global optimal placements. These three cases collectively demonstrate the trade-off between runtime and solution quality, where higher evaluations improve accuracy but significantly increase computational time.
Figure 16 presents a single core runtime comparison of the WOA under the high-quality configuration for IEEE-14, IEEE-118, and IEEE-300 bus networks. The results reveal a clear and strongly nonlinear increase in computational time as the system size grows. For the IEEE-14 bus system, the runtime is approximately 1.5 min, indicating that even with aggressive WOA parameter settings, the small network size leads to rapid convergence and minimal computational burden. When the system size increases to the IEEE-118 bus network, the runtime rises substantially to about 11.0 min, reflecting the increased complexity of the power flow solution, higher dimensional decision space, and a larger number of operating constraints that must be satisfied in each solution evaluation. The most pronounced increase is observed for the IEEE-300 bus system, where the runtime reaches approximately 30.0 min, highlighting the significant computational demand associated with large-scale networks under high-quality optimization settings. The observed runtime escalation is primarily due to three interrelated factors. First, as the number of buses increases, each WOA evaluation requires solving a more computationally intensive AC power flow, which scales nonlinearly with system size. Second, the high-quality configuration employs large population sizes and a high number of iterations, dramatically increasing the total number of solution evaluations. Third, larger systems introduce a greater number of voltage, thermal, and operational constraints, increasing the cost of feasibility checks for each candidate solution. Together, these factors explain the steep runtime growth from IEEE-14 to IEEE-300 and underscore the inherent trade-off between solution accuracy and computational effort.
Single core run time comparison of test systems: High-quality case.
The parallel runtime scaling analysis in balanced scenario across the IEEE-14, IEEE-118, and IEEE-300 bus systems are presented in Table 19 and Fig. 17. They show a clear correlation between system size and parallel efficiency. For the IEEE-300 bus test system, the runtime drops significantly from 10.8 min on a single core to just 0.7 min on 32 cores. This represents a robust speedup because the high computational intensity of load flow evaluations for 300 buses provides a substantial workload that justifies the use of multiple processors. In contrast, the smallest system (IEEE-14) shows rapid saturation. Its runtime reduces from 0.86 to 0.34 min when moving to 4 cores, but then stagnates, reaching only 0.24 min at 32 cores. The primary reason for this disparity is the ratio of computation to overhead. The IEEE-14 system demonstrates rapid saturation in parallel performance due to its limited number of buses and lines. Unlike the larger IEEE-300 system, its evaluations are too short to effectively mask the delays caused by synchronization and communication. So, the system reaches a point of diminishing returns where adding more hardware does not yield proportional speedup. As the number of cores increases, the workload per core for smaller systems becomes too small to offset these parallel management costs, whereas the IEEE-300 system maintains higher efficiency by keeping the processors occupied with intensive independent tasks.
Parallel runtime scaling across all test systems-A graphical representation.
Figure 18 illustrates the convergence comparison of three optimization algorithms for ATC enhancement in the IEEE-14 bus test system, corresponding to Table 16. The study presents the convergence characteristics corresponding to sinking bus 947. Among the methods, RGA demonstrates the fastest convergence and the highest ATC value, reaching approximately 69 MW at around the 56th generation, indicating superior search capability and stability in approaching the optimal solution. WOA shows moderate performance, attaining about 60.55 MW near the 44th generation; although it converges earlier than RGA, its final ATC is comparatively lower. PSO begins with the lowest ATC and exhibits gradual improvement, eventually achieving roughly 58.2 MW at the 51st generation. However, its slower progression and lower final value imply reduced exploration efficiency relative to the other algorithms. Overall, WOA provides a balanced trade-off between convergence speed and solution quality.
Convergence comparison for ATC enhancement: IEEE-14 bus test system.
Figure 19 illustrates the comparative performance of WOA, PSO, Differential Evolution (DE), and GWO in terms of ATC margin improvement for the IEEE 300 bus test system. Results show that WOA consistently provides higher ATC gains. For instance, while PSO achieved approximately 18–20% improvement, DE reached about 21–22%, and GWO about 23–24%, the WOA method achieved a significantly higher improvement of 27–28% under the same test conditions. This superiority can be attributed to WOA’s unique exploitation-exploration balance, which allows better convergence to global optima while avoiding premature stagnation commonly observed in PSO and DE. Furthermore, WOA exhibited lower execution variance across multiple trials, demonstrating its robustness and repeatability compared to the relatively inconsistent results of other algorithms.
ATC margin improvement in IEEE-300 bus test system—A comparison.
The results in Fig. 20 show that for WOA, the mean ATC gain rises consistently with higher DSTATCOM ratings, confirming the positive impact of enhanced reactive power support across all configurations. This is because a higher DSTATCOM rating provides stronger voltage support at critical buses, thereby reducing line congestion and enhancing system stability margins. At lower ratings, such as 5 MVAR, the improvement in ATC is modest since the device is able to compensate only partially for local reactive power demand, leading to limited relief of transmission bottlenecks. As the rating increases to 10 and 15 MVAR, the ATC gain grows more significantly due to the effective regulation of bus voltages and better reactive power compensation, which reduces losses and increases the margin available for power transfer. However, beyond a certain rating, such as 20 MVAR, the curve tends to flatten, indicating diminishing returns. This saturation occurs because once the voltage profile is sufficiently improved, additional reactive injection does not proportionally increase ATC, and other limiting factors such as thermal limits of lines or angular stability constraints become dominant. The root cause of this nonlinear trend lies in the multi-constrained nature of ATC, where voltage limits are alleviated first, but later thermal and stability limits restrict further enhancement. Thus, the plot highlights both the benefit of DSTATCOM placement and the importance of optimal sizing, where an adequately rated device achieves significant ATC improvement without incurring unnecessary investment in overcapacity.
Variation of mean ATC gain with DSTATCOM rating across WOA configurations-IEEE 300 bus test system.
The ATC gain distribution shown in Fig. 21 for different WOA configurations with a 10 MVAR DSTATCOM rating demonstrates how changes in the algorithm’s control coefficients affect optimization outcomes and overall solution quality. For instance, configurations with higher exploration bias tend to show slightly lower mean ATC gains, around 23–25 MW, because the search spends more time diversifying and less time refining the best solution. In contrast, balanced configurations achieve higher ATC gains in the range of 28–30 MW, indicating that a proper balance between exploration and exploitation allows WOA to consistently converge toward high-quality solutions. Some aggressive exploitation settings even yield peak ATC improvements near 31 MW, but at the cost of reduced robustness as indicated by higher variance across runs. This distribution shows that while the DSTATCOM’s 10 MVAR reactive rating sets the technical capability for voltage support and congestion relief, the tuning of WOA coefficients governs how effectively this potential is realized in optimization. The reason for plotting this distribution is to perform parametric sensitivity studies, which not only confirm the robustness of WOA under varying control settings but also demonstrate that ATC enhancement results remain consistent across multiple configurations. Such analysis ensures that the observed improvements are not artifacts of specific parameter choices, thereby validating both the reliability of the WOA algorithm and the practical benefit of DSTATCOM placement in power systems planning.
Box plot illustrating ATC gain variation across WOA configurations for 10 MVAR rating-IEEE 300 bus test system.
WOA performance depends on its control parameters (the convergence coefficient sequence a, and the stochastic update parameters A, C, l, and the random search probability pa). To evaluate robustness a systematic parametric sensitivity study is performed on the WOA control choices together with DSTATCOM rating. The study quantifies how parameter settings affect convergence speed, ATC gain, and variability across independent runs. Results show that the algorithm is robust within practical parameter ranges and that a balanced parameter configuration provides the best trade-off between mean ATC improvement, variance, and computational cost. The parameters of WOA are analyzed to understand their role in exploration and exploitation. Larger values of ‘a’ enhance population diversity, thereby lowering the risk of premature convergence, though this may delay convergence to the optimum. Smaller values of ‘a’, together with larger populations and iteration counts, promote finer solution refinement and greater accuracy, albeit with longer runtime. The consistently low variance in outcomes across runs demonstrates that WOA’s mechanisms of encircling, spiral updating, and stochastic search provide sufficient diversity to ensure robustness, confirming that performance is not overly sensitive to parameter variations.
In Table 20 the performance of WOA is benchmarked against established metaheuristic algorithms, providing insights into its relative strengths and limitations.
In Fig. 22, WOA shows superior efficiency by completing 100 iterations in 648 s, whereas GA and PSO take 769 and 860 s, respectively. This translates to WOA being approximately 15.7% faster than GA and 24.7% faster than PSO. The results clearly indicate that WOA offers superior computational efficiency, achieving quicker convergence with reduced runtime, which makes it more suitable for large-scale or real-time optimization problems compared to the conventional GA and PSO methods.
Performance evaluation of WOA, GA, and PSO in terms of execution time.
Research novelty, complexity, drawbacks advantages and highlights of the study
The novelty of this research lies in the application of the WOA for determining the optimal placement of DSTATCOM in the IEEE-14 bus test system, specifically aimed at enhancing ATC in a deregulated environment. Unlike prior works, this study uniquely incorporates two load growth scenarios and derives forecasting expressions for ATC under these conditions. This integrated approach of advanced optimization with predictive modeling under dynamic market conditions contributes a new dimension to reactive power planning and system reliability enhancement. By employing the WOA for optimizing the placement and control parameters of DSTATCOMs, this research introduces an innovative algorithmic framework that enhances power transfer capabilities under competitive market conditions.
The complexity of this research lies in the interplay between power system dynamics, optimization techniques, and regulatory frameworks. The use of the CPF technique to calculate ATC requires a deep understanding of power system operations, while implementing the WOA introduces computational challenges, especially in terms of convergence and ensuring global optimization in very large power systems. Moreover, the integration of DSTATCOMs necessitates a thorough analysis of system stability, control strategies, and response under various operating conditions, adding layers of complexity to the optimization process.
The drawbacks of the existing system are stated below.
-
1.
Lack of integrated ATC forecasting: Most existing works focus on real-time ATC calculation but do not provide long-term forecasting capabilities, especially under load growth scenarios.
-
2.
Neglect of deregulated market conditions: Many placement and ATC enhancement studies are designed for regulated environments, overlooking market-based operational constraints.
-
3.
Absence of analytical forecasting models: Prior research rarely develops mathematical expressions to directly estimate ATC changes with load growth and FACTS placement, limiting applicability for planners.
-
4.
Insufficient load growth modeling: Existing systems often ignore realistic growth rates (e.g., 3 and 6% annually), leading to less accurate projections of future network performance.
Optimization reliability and scalability are enhanced by the use of WOA for DSTATCOM placement. Preparedness for future demand is ensured through the inclusion of 3 and 6% growth-based ATC forecasting, while forecasting equations and market-aware modeling are developed so that the gap between technical research and operational planning is bridged.
The advantages of the proposed approach are mentioned below:
-
1.
Enhanced ATC: By optimally placing DSTATCOMs, the ATC can be significantly improved, allowing for better utilization of existing transmission infrastructure.
-
2.
Improved system stability: The control capabilities of DSTATCOMs contribute to voltage regulation and system stability, reducing the risk of outages and enhancing reliability.
-
3.
Algorithmic efficiency: The Whale Optimization Algorithm demonstrates robust performance in locating optimal solutions, facilitating effective decision-making in system operations.
-
4.
Support for deregulated markets: The findings provide critical insights for transmission system operators in deregulated environments, enabling them to optimize infrastructure usage while complying with market regulations.
-
5.
Real-time application potential: The optimization framework can be adapted for real-time applications, allowing operators to respond dynamically to changing grid conditions and demands.
The technical highlights of the proposed approach are summarized below:
-
1.
WOA application to optimal DSTATCOM placement in IEEE-14 bus system for ATC enhancement.
-
2.
Dual load growth study with regression-based forecasting expressions.
-
3.
Demonstration of improvements in voltage stability, system reliability, and market compliance.
-
4.
Possibility to adapt for future AI driven, real time smart grid control and predictive maintenance. By enabling precise modeling and performance prediction, a hybrid AI-based method can optimize power systems, especially those integrating renewable sources such as wind, solar, and fuel cells for maximum efficiency52.
Conclusions
Available Transfer Capability (ATC) analysis is a critical aspect of operational and planning activities in deregulated power systems, owing to the increasing electricity exchanges among utilities. Ensuring adequate ATC is essential for facilitating competitive market trading and maintaining secure, efficient operation under diverse system conditions. Economic, environmental, and social constraints have increasingly limited the development of new transmission infrastructure, compelling utilities and independent power producers to maximize the utilization of existing assets. This study investigated the technical feasibility of enhancing ATC through FACTS devices, with a focus on DSTATCOM technology. Leveraging its capability to regulate voltage magnitude, phase angle, and reactance, DSTATCOM enables improved power transfer within the operational limits of the existing transmission network.
The CPF method is utilized to calculate the ATC for different transactions on the IEEE-14, IEEE-118, and IEEE-300 bus test systems. This calculation is performed for both normal and contingency cases, taking into account the line thermal limit and bus voltage limit. The study and demonstration of enhancing ATC through the use of DSTATCOM is conducted on the IEEE test systems, both in normal operating conditions and during contingency scenarios. The positioning and control settings of DSTATCOM within the system also impact the improvement of ATC. The execution of the suggested WOA has demonstrated satisfactory performance in determining the position and remuneration scale of DSTATCOM, with the objective of optimizing the ATC. The outcomes indicate that the installation of DSTATCOM as a FACTS device will enhance both the voltage profile and the resulting ATC improvement.
The novelty of the research includes combining long-term load growth forecasting with DSTATCOM-based ATC enhancement using regression modeling, enabling accurate and scalable planning for future grid stability. Overall, this research not only advances theoretical understanding but also holds practical implications for the future of power system operation and management in a deregulated context.
Future scope
Future studies can leverage AI algorithms, such as machine learning and neural networks, to further optimize the placement and control of DSTATCOMs in real-time. These techniques could analyze historical data and predict system behavior, leading to more adaptive and efficient power management.
Incorporating AI can facilitate the development of smart grid technologies, allowing for automated decision-making in the deployment of DSTATCOMs. This would enable systems to respond dynamically to fluctuations in demand and generation, improving overall grid resilience and reliability. AI can enhance predictive maintenance strategies for DSTATCOMs and other FACTS devices. By analyzing operational data, AI can forecast potential failures or performance degradation, ensuring timely interventions that enhance system reliability. The integration of multi-agent systems, powered by AI, could lead to distributed control strategies for DSTATCOMs. Each agent could optimize local performance while coordinating with others, enabling a more decentralized and efficient approach to managing power flows. AI can also be used to create decision support systems that provide real-time insights into ATC and the operational status of DSTATCOMs. This could assist transmission system operators in making informed decisions based on current grid conditions and market dynamics.
Thus by exploring the implications of AI on regulatory frameworks could lead to the development of more responsive policies that account for the capabilities of advanced technologies like DSTATCOMs, ultimately fostering innovation in deregulated markets.
To make ATC results practically valid the following should be included in future studies:
-
i)
Electromagnetic transient simulations or detailed time-domain studies of key contingencies to capture control response, converter behavior, and fast dynamics.
-
ii)
Harmonic studies (spectrum of injected currents, resonance risk with network impedances) and calculation of THD at relevant buses.
-
iii)
Thermal and loss modeling of the converter to obtain continuous rating under realistic switching frequency and duty cycles and to compute underrated curves.
-
iv)
Control and measurement delays included explicitly in the control model to estimate effective response time.
-
v)
Hardware-in-the-loop (HIL) or lab tests to validate converter response, control tuning and thermal behavior under worst-case conditions.
-
vi)
Inclusion of dynamic security margins in ATC calculations instead of only steady-state ATC.
Data availability
All data generated or analysed during this study are included in this published article.
Abbreviations
- ALO:
-
Ant lion optimization
- ATC:
-
Available transfer capability
- CPF:
-
Continuous power flow
- DE:
-
Differential evolution
- DSTATCOM:
-
Distribution static compensator
- FACTS:
-
Flexible AC transmission systems
- GA:
-
Genetic algorithm
- GWO:
-
Grey wolf optimizer
- IA:
-
Immune algorithm
- MAPE:
-
Mean absolute percentage error
- MVA:
-
Mega volt ampere
- MVAR:
-
Mega volt-ampere reactive
- MW:
-
Megawatt
- PSO:
-
Particle swarm optimization
- p.u:
-
Per unit
- SA:
-
Simulated annealing
- SMA:
-
Slime mould algorithm
- TCSC:
-
Thyristor controlled series capacitor
- WOA:
-
Whale optimization algorithm
References
Mohammed, O. O., Mustafa, M. W., Mohammed, D. S. S. & Otuoze, A. O. Available transfer capability calculation methods: A comprehensive review. Int. Trans. Electr. Energy Syst. 29(6), e2846 (2019).
Jacobs, M. 13 of the largest power outages in history—and what they tell us about the 2003 northeast blackout. Union Concern. Sci. 2013, 8 (2013).
Rep, N. Available Transfer Capability Definitions and Determinations (North American Electric Reliability Council (NERC), 1996).
Anbuchandran, S., Arumuga babu, M., Stephen, D. S. & Thinakaran, M. Dynamic voltage regulation in DC microgrids using super-twisting sliding mode controllers. Electr. Eng. 107(11), 14205–14227 (2025).
Zadehbagheri, M., Ildarabadi, R. & Javadian, A. M. Optimal power flow in the presence of HVDC lines along with optimal placement of FACTS in order to power system stability improvement in different conditions: Technical and economic approach. IEEE Access 11, 57745–57771 (2023).
Jangir, P. et al. A cooperative strategy-based differential evolution algorithm for robust PEM fuel cell parameter estimation. Ionics 31(1), 703–741 (2025).
Alluri, A., Lanka, R. S. & Rayapudi, S. R. Optimal location for FACTS devices: Hybrid algorithm to improve power flow and system security. Cybern. Syst. 54(6), 938–960 (2023).
Bhandakkar, A. A. & Mathew, L. Merging slime mould with whale optimization algorithm for optimal allocation of hybrid power flow controller in power system. J. Exp. Theor. Artif. Intell. 35(7), 973–1000 (2023).
Dash, S. P. & Subhashini, K. R. Maximization of system load-ability and voltage stability index using distribution based salp swarm optimization. Electr. Power Compon. Syst. 51(1), 29–45 (2023).
Sakthi Gokul Rajan, C., & Ravi, K. Optimal placement and sizing of DSTATCOM using Ant lion optimization algorithm. 15, 1–4. https://doi.org/10.1109/iccpeic45300.2019.9082382. (2019).
Taher, S. A. & Afsari, S. A. Optimal location and sizing of DSTATCOM in distribution systems by immune algorithm. Int. J. Electr. Power Energy Syst. 60, 34–44. https://doi.org/10.1016/j.ijepes.2014.02.020 (2014).
Brattle Group, Unlocking the queue with grid enhancing technologies https://www.brattle.com/wpcontent/uploads/2021/06/21200_unlocking_the_queue_with_grid_enhancing_technologies. (2021).
Mirzapour, O., Rui, X. & Sahraei-Ardakani, M. Grid-enhancing technologies: Progress, challenges, and future research directions. Electr. Power Syst. Res. 230, 110304 (2024).
U.S. Department of Energy, Grid Enhancing Technologies - A Case Study on Ratepayer Impact - February 2022, U.S. Department of Energy, Executive Summary (2022)
Zhakiyev, N. et al. Optimization modelling of the decarbonization scenario of the total energy system of Kazakhstan until 2060. Energies 16(13), 5142 (2023).
Zhakiyev, N. et al. Comprehensive scenario analyses for coal exit and renewable energy development planning of Kazakhstan using PyPSA-KZ. Eng. Sci. 29, 1085 (2024).
Ali, L., & Shahnia, F. Impact of annual load growth on selecting the suitable sustainable standalone system for an off-grid town in Western Australia. In 2016 IEEE International Conference on Power System Technology (POWERCON) 1–5. (2016).
Ali, L. & Shahnia, F. Determination of an economically-suitable and sustainable standalone power system for an off-grid town in Western Australia. Renew. Energy 106, 243–254 (2017).
Chattopadhyay, D., Chatterjee, S. K. & Soonee, S. K. Spotlight on the spot market: A review of the Indian wholesale electricity market. Electr. J. 36(1), 107239 (2023).
Guha, D., Roy, P. K. & Banerjee, S. Whale optimization algorithm applied to load frequency control of a mixed power system considering nonlinearities and PLL dynamics. Energy Syst. 11(3), 699–728 (2020).
Balamurugan, P., Muthukannan, P. & Yuvaraj, T. Optimal allocation of DSTATCOM in distribution network using whale optimization algorithm. Eng. Technol. Appl. Sci. Res. 8(5), 3445–3449. https://doi.org/10.48084/etasr.2302 (2018).
Yuvaraj, T., Thanikanti, S. B. & Devabalaji, K. R. Simultaneous allocation of DG and DSTATCOM using whale optimization algorithm. Iran. J. Sci. Technol. Trans. Electr. Eng. 44(2), 879–896. https://doi.org/10.1007/s40998-019-00272-w (2019).
Giri, J., Mishra, N. K., & Tapde, A. Contingency assessment in power system having wind energy resource integration with IEEE 14 bus system. In Advances in Mechatronics Systems: Principles, Elements and Applications 149–165. (2024).
Chen, X. Location strategy for logistics distribution centers utilizing improved whale optimization algorithm. J. Intell. Syst. https://doi.org/10.1515/jisys-2023-0299 (2024).
Tang, C., Sun, W., Wu, W., & Xue, M. A hybrid improved whale optimization algorithm. https://doi.org/10.1109/icca.2019.8900003. (2019).
Kumar, S., Kumar, A. & Sharma, N. K. A novel method to investigate voltage stability of IEEE-14 bus wind integrated system using PSAT. Front. Energy 14(2), 410–418 (2020).
Fernandez, M. I. & Go, Y. I. Investigation of power quality issues in 14-bus electrical network with high penetration of renewable generation. Discov. Energy 3(1), 10 (2023).
Mahmood, F. B. K., Ahmad, S., Mukit, G., Shuvo, M. T. I., Razwan, S., Maruf, M. N. I., Albatsh, F. M. Weakest location exploration in IEEE-14 bus system for voltage stability improvement using STATCOM, synchronous condenser and static capacitor. In: 2017 International Conference on Electrical, Computer and Communication Engineering (ECCE) 623–629. (2017).
Gupta and A. Kumar, Optimal power flow based ATC calculation incorporating probabilistic nature of wind. 2016 IEEE Students’ Conference on Electrical, Electronics and Computer Science (SCEECS), 1–6, https://doi.org/10.1109/SCEECS.2016.7509343. (2016).
R. H. Bhesdadiya and R. M. Patel, Available transfer capability calculation using deterministic methods: A case study of Indian power system. 2016 International Conference on Electrical, Electronics, and Optimization Techniques (ICEEOT), 2261–2264. https://doi.org/10.1109/ICEEOT.2016.7755096. (2016).
J. Zhang and A. Yokoyama, Application of interline power flow controller to ATC enhancement by optimal power flow control. 2007 IEEE Lausanne Power Tech, 1226–1231. https://doi.org/10.1109/PCT.2007.4538491. (2007).
R. H. Bhesdadiya and R. M. Patel, ATC calculation in optimal power flow environment using genetic algorithm. 2016 International Conference on Electrical, Electronics, and Optimization Techniques (ICEEOT), 1664–1669, https://doi.org/10.1109/ICEEOT.2016.7754968. (2016).
Cholsuk, P. Pao-La-Or and T. Kulworawanichpong, ATC based optimal power flow for contingent power systems using differential evolution. 2013 10th International Conference on Electrical Engineering/Electronics, Computer, Telecommunications and Information Technology. 1–4, https://doi.org/10.1109/ECTICon.2013.6559645. (2013).
J. A. Momoh and S. S. Reddy, Optimal location of FACTS for ATC enhancement. 2014 IEEE PES General Meeting | Conference & Exposition, National Harbor, 1–5, https://doi.org/10.1109/PESGM.2014.6939507. (2014).
T. Masuta and A. Yokoyama, ATC Enhancement considering transient stability based on optimal power flow control by UPFC. 2006 International Conference on Power System Technology, 1–6, https://doi.org/10.1109/ICPST.2006.321766. (2006).
Alekhya and J. S. Rao, Enhancement of ATC in a deregulated power system by optimal location of multi-facts devices. 2014 International Conference on Smart Electric Grid (ISEG) 1–9, https://doi.org/10.1109/ISEG.2014.7005599. (2014).
S. M. Prajapati and P. R. Gandhi, Impact of facts device for ATC enhancement in deregulated market. 2018 International Conference on Power Energy, Environment and Intelligent Control (PEEIC), 482–487, https://doi.org/10.1109/PEEIC.2018.8665458. (2018).
Anbuchandran, S., Babu, A. & Thinakaran, M. A hybrid optimization for distributed generation and D-STATCOM placement in radial distribution network: A multi-faceted evaluation. Eng. Res. Express 6(3), 035351 (2024).
H. Farahmand, M. Rashidinejad, A. A. Gharaveisi and G. A. Shahriary, Optimal location of UPFC for ATC enhancement in restructured power systems. 2007 Large Engineering Systems Conference on Power Engineering, 176–181. https://doi.org/10.1109/LESCPE.2007.4437374. (2007).
P. W. Pande, S. Kumar and A. K. Sinha. Total transfer capability calculation using modified repeated power flow method. In 2015 Annual IEEE India Conference (INDICON), 1–6. https://doi.org/10.1109/INDICON.2015.7443378. (2015).
García-Nieto, P. J., García-Gonzalo, E. & Paredes-Sánchez, J. P. Prediction of the critical temperature of a superconductor by using the WOA/MARS, Ridge, Lasso and Elastic-net machine learning techniques. Neural Comput. Appl. 33(24), 17131–17145 (2021).
Anbuchandran, S., Babu, M. A., Stephen, D. S. & Thinakaran, M. DC microgrid for EV charging station with EV control by using STSM controllers. Eng. Res. Express 6(4), 045345 (2024).
Rohini, R., Rao, D. N., Samikannu, R. & Kumar, S. V. Development of Available Transfer Capability Enhancement using Intelligent Genetic Algorithm for IEEE Bus System (Tech Science Press, 2019).
Kyriakarakos, G. Bridging the AI–energy paradox: A compute-additionality covenant for system adequacy in energy transition. Sustainability 17(21), 9444 (2025).
Chen, H. et al. Available transfer capability evaluation in a deregulated electricity market considering correlated wind power. IET Gener. Transm. Distrib. 12(1), 53–61 (2018).
Saxena, N. K. et al. Economic benefits of DSTATCOM for ancillary services in commercial charging stations: Marginal occupancy analysis. Ain Shams Eng. J. 15(12), 103029 (2024).
Nireekshana, T., Rao, G. K. & Raju, S. S. N. Enhancement of ATC with FACTS devices using real-code genetic algorithm. Int. J. Electr. Power Energy Syst. 43(1), 1276–1284 (2012).
Mohammed, H. M., Umar, S. U. & Rashid, T. A. A systematic and meta‐analysis survey of whale optimization algorithm. Comput. Intell. Neurosci. 2019(1), 8718571 (2019).
Wang, C., Zhang, Y., Song, J., Liu, Q. & Dong, H. A novel optimized SVM algorithm based on PSO with saturation and mixed time-delays for classification of oil pipeline leak detection. Syst. Sci. Control Eng. 7(1), 75–88 (2019).
Wahid, F., Alsaedi, A. K. Z. & Ghazali, R. Using improved firefly algorithm based on genetic algorithm crossover operator for solving optimization problems. J. Intell. Fuzzy Syst. 36(2), 1547–1562 (2019).
Tu, B., Wang, F., Huo, Y. & Wang, X. A hybrid algorithm of grey wolf optimizer and harris hawks optimization for solving global optimization problems with improved convergence performance. Sci. Rep. 13(1), 22909 (2023).
Khishe, M., Jangir, P. & Arpita, Agrawal. Innovative diversity metrics in hierarchical population-based differential evolution for PEM fuel cell parameter optimization. Eng. Rep. 7(1), e13065 (2025).
Author information
Authors and Affiliations
Contributions
Dr. M.A wrote the manuscript; Dr. S. A did the simulations; Dr. D. S did the literature work; Dr. R. S did the grammar check.
Corresponding author
Ethics declarations
Competing interests
The authors declare no competing interests.
Additional information
Publisher’s note
Springer Nature remains neutral with regard to jurisdictional claims in published maps and institutional affiliations.
Rights and permissions
Open Access This article is licensed under a Creative Commons Attribution-NonCommercial-NoDerivatives 4.0 International License, which permits any non-commercial use, sharing, distribution and reproduction in any medium or format, as long as you give appropriate credit to the original author(s) and the source, provide a link to the Creative Commons licence, and indicate if you modified the licensed material. You do not have permission under this licence to share adapted material derived from this article or parts of it. The images or other third party material in this article are included in the article’s Creative Commons licence, unless indicated otherwise in a credit line to the material. If material is not included in the article’s Creative Commons licence and your intended use is not permitted by statutory regulation or exceeds the permitted use, you will need to obtain permission directly from the copyright holder. To view a copy of this licence, visit http://creativecommons.org/licenses/by-nc-nd/4.0/.
About this article
Cite this article
M, A., S, A., D, S. et al. Integrated ATC enhancement and load growth forecasting via WOA-based optimal DSTATCOM placement. Sci Rep 16, 10727 (2026). https://doi.org/10.1038/s41598-026-43475-y
Received:
Accepted:
Published:
Version of record:
DOI: https://doi.org/10.1038/s41598-026-43475-y





















